Fórum témák
» Több friss téma |
Fórum » Tesla tekercs építése
Igen, igazad van, itt párhuzamosan vannak kötve a primerek. Ebben az esetben egyből 4,2kV-ot kapsz.
Tudnék beszerezni néhány 150KV-os vákumcsődiódát(kenotron) teslához...,csak annyi a bibi ,hogy valahol olvastam,hogy ezeknek erős Röntgen sugárzásuk van,nekem eddig nem nagyon volt dolgom ilyesmivel,nem tudná valaki megmondani,hogy ez a sugárzás milyen erős,mert mondjuk,ha nem túl erős legfeljebb leekránolnám őket,de lehet,hogy nem éri meg kockáztatni.
Szervusz!
Tapasztalat szerint olyan 40kV fölötti anódfesznél kezd röntgenezni. Normál MOT-okkal ennyit nehéz összehozni Az, hogy mennyit tud a dióda és mennyit kötsz rá, az két dolog.Honnan lehet ilyen diódákat szerezni? Az anódáramuk maximum mennyi lehet? Mert nekem is van 40kV-os diódám, de csak 100mA-re terhelhető. Teslához kicsit karcsúnak érzem. Ezért vettem 5Q105-ös higanygőzös egyenirányítókat (4 db.), ezek 3800V-ot tudnak és 3A-t. MOT-ok egyenirányítására kitűnők, meg se kottyan nekik. Még nem próbáltam őket, most barkácsolok hozzájuk foglalatot. Graetz-be kötném őket. Ha működnek, beszámolok róluk. Üdv!
Hmmmm....
Nekiláttam kipróbálni a trafókat (MOT) több kevesebb sikerrel régebben egy 11 voltos (nagyon régi) mobiltöltőből kiszedtem az egyenirányítást, hogy alacsony feszültségű 50Hz-s szinuszos váltóáramhoz jussak, aztán ezt kötöttám rá kipróbálás céljából a trafókra, hogy megnézzem hogy szuperálnak. Kezdetben semmi siker. Aztán rájöttem, hogy a nagy látványos piros kábel az egy különálló harmadik tekercs a lámpának (Gondoltam naívan hogy olyan vadul van szigetelve, biztos az lesz majd a nagyfesz. Nah aztán megtaláltam a secunder 2 kivezetését. Az egyik magában mélabúsan, a másik meg szépen rányalva a magra. Lemérve örömmel konstatáltam, hogy 110 volt körül van benne anyag. Nos így hogy működik mind2 trafóm nekiláttam összekötni őket módszeresen a képen látott kapcsolás(ok) szerint, de mindíg leverte a biztosítékot ![]() Most leírom részletesebben, hogy csináltam (bocsi a kisregényért de csak így tudtok szerintem segíteni, mert valamit nyílvánvalóan rosszul csinálok) az egyik mot primerjéről(amint ugye csak két kivezetés van) két pár sarut vezettem ki. Az egyik párat a másik mot primerjéhez a másik párat ugye a hálózati feszültségre, amit egy bontott 3 kábeles hálózati tápkebelről szedek. Talán itt a hiba, mert levágtam és a három vezeték közül azt a kettőt kötöttem rá, aminél ha rákötöm párhuzamosan a multimétert akkor írja a 230 voltot. Namármost azt a két vezetéket rákötöttem- Ezzel elvileg kész a primér része. A secundert próbáltam sokféle képp, de az elvileg ezek után már jóformán mind1 hogy áll, mivel már nemkéne hogy leverje a biztosítékot. Szerintem a hálózatból kötöttem be rosszul a kábelt. Ha valaki tudna tanácsot adni az ne halassza el az alkalmat előre is köszi
Azért vágja le, mert nagy az indulóáram. Használj finomindítást.
30kV körül kezd el a röntgen képződni. 40kV-nál már elég nagy, szóval oda már érdemes ólomköpenyt rakni. Rövid ideig azonban nem okoz problémát. 150kV-nál viszont már nagyon kemény röntgent ad.
Az a különálló nagy piros kábel nem a lámpa, hanem a magnetron fűtése, kábé 3,5Volt.
Ha netán magnetronos egyenirányítást csinálnál (szigorúan csakis kiszerelt mágnesekkel!), akkor innen fűtheted. Én is így tettem itt. . A másik észrevételem, hogy a bontott 3 eres kábeled bekötése az biztos, hogy jó? Véletlenül nem a földelést kötötted rá a nulla helyett? Ott is 230Vot mérsz, de ha van életvédelmi relé, akkor leveri azonnal, ha használod nulla helyett. A másik jó kérdés, hogy hány amperes a megszakító és hogy eléggé lomha-e? Ha kicsi, akkor az üresjárási áram is leverheti. Üdv! .
Te így párhuzamosan bekötöttél 2MOT-ot,ha jól értelmezem...Nyílván levágja a biztit..Van egy olyan kép,ahol az egyik mot szekunderét rövidre zárod,a primerét meg sorba kötöd egy másik mot primerével.Tehát egyik mot egyik primer vezetéke a 0, a rövidrezárt szekunderes mot egyik primer vezetéke a fázisra, a másik primer vezetéke rámegy a másik mot maradék primer vezetékére
.Próbáld ki,ha nem világos a leírásom akkor Bővebben: Collector oldalaÜdv.:Z
Üdv!. Én 10kv-os mérőtrafókkal hajtanám meg őket,az előbiekben már beszámoltam róluk,ahozképest marha erős áram a végeredmény ,ha 4 trafót párhuzamosan üzemeltetek kb 2,5A 10KV-on,az,hogy honnan lehet ilyen КРМ-150 (mellesleg ezek orosz alkatrészek)tIpusu v.csöveket beszerezni, azt Igy nem tudom ,mert én speciel munkából szerzem, ugyanis áramszolgáltatónál dolgozom, ott pedig van belőle dögivel,a terhelhetőségük még számomra is kérdéses ,de az jó ha csak 40 KV-on kezd el sugározni, még ha a 10kv effektIv értékének a √2 -szeresét vesszük, akkor is csak még valami 14000V nál járun akkor is van még tartalék 40kv-ig.
De a te higanygőz egyenirányItód se semmi 3A darabja,az állat sok.
Az alapján ahogy leirtad. szerintem a primernél lesz a gubanc,egyszerűen csak az egyik mot primerjén cseréld meg hejenként a vezetékeket minden bonyodalom nélkül,de igaz ez csak arra az esetre vonatkozik,ha a szekunderek párhuzamosan vannak,ha nem akkor még nézd meg a fűtő tekercs"piros kábelos tekercs" nem testelt-e le valahova, mert ha túl érzékeny a biztosItókapcsolód az is leverheti,bocs ha valamit félre értettem.
Most már csak azt áruljátok el hogy 30-40KV~ot sikerül előállítani,milyen előnye van ennek a káros elektromágneses szórt sugárzáson kivül.
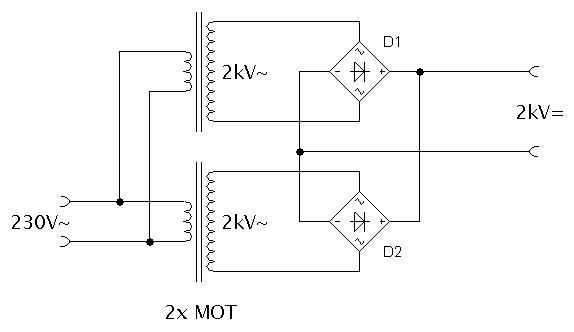
Mire lehet használni? Idézet: „a káros elektromágneses szórt sugárzáson kivül.” TV-ben divat mondani, hogy káros az EM sugárzás. Nameg mindenféle zug természetgyógyász weblapokon Eddig erre az ég világon semmiféle bizonyíték nincs, jól néznénk ki, ha valóban így lenne. Idézet: „Most már csak azt áruljátok el hogy 30-40KV~ot sikerül előállítani,” 30-40 helyett inkább >150kV. Nagyrészt látvány miatt, másrészt nagyon sokféle dolgot ki lehet próbálni vele. De engedd meg, hogy visszakérdezzek, minek épít valaki pl LED-es spektrumanalizátort (most csak mondtam valamit)? Erre van válasz? Az, hogy kell? Azért épít, mert megtetszett neki, vagy mert létfontosságúnak érzi, hogy legyen egy ilyen szerkezete otthon, mindenki más miatt épít. De most mondhattam volna bármi mást is. Idézet: „épít valaki pl LED-es spektrumanalizátort” Én már a másodikat építgetem! Csatlakozom simpi kolléga csőügyi kérvényéhez ![]() Collector szaktárs, kicsit lejjebb, 30kV-ra teszi a röntgen indulását, inkább azt vedd alapul. Én máshonnan hallottam az én értékemet, de jobb a biztonság. A trafók párhuzamos kapcsolásával csak óvatosan! Váltóáramúlag csak voltra és wattra (a belső ellenállás miatt) egyformákat köthetsz be egymás leterhelése nélkül. Nekem két egyforma MOT-tal sikerült. Viszont jó hír, hogy némileg eltérőeket viszont egyenármúlag párhuzamosan köthetsz - graetz után, lásd mellékelt rajz. Ugyanígy sorba is lehet kötni a graetz-eket, az egyenáramú oldalukon. Üdv! Csatlakozva Collector fejtegetéséhez: van olyan kísérlet, amit csak nagyfeszültséggel (akár n*100kV vagy 1-2MV nagyságrendű is) lehet eredményesen elvégezni. Tesla is ezért találta ki a tekercsét. De legalábbis látványos ![]() Üdv!
Én próbáltam rezonáns módban párhuzamosan kötni őket (2 trafóval külön), de igazából csak mikrohegesztéshez jó, vagy melegítésre, mert nem húz nagyobb ívet, viszont jó fényes, és melegíti az elektródokat. Ha kíváncsi vagy, felrakhatom a videót.
Istenem de primitív vagyok
A védőföldelésre kötöttem és nem a nullára. Pont ma vettük fizikából Ezért ment benne három kábel ( vagy legalábbis szerintem, mivel majd hétvégén próbálom ki, mivel itthon állandóan megy a sütő meg minden mikor itthon vannak ) szóval tuti, hogy ez lesz a probléma, mivel tényleg sokféle ként próbáltam már kötni. Az lesz a legjobb, ha szerzek egy régi fajta hálózati dugót.Köszi a gyors segítségért U are so BIG Belganarancshoz néhány szó: Igen az is megfordult a fejemben és az ott leírt első müködő kapcsolástól kezdve próbálgattam sorba őket és egyik sem ment. Viszont lenne egy másik kérdésem... A finomindítást hogy kell elképzelnem? valami alap kis kapcsolást tudna mutatni valamit? Előre köszi: Dave Idézet: „A finomindítást hogy kell elképzelnem? valami alap kis kapcsolást tudna mutatni valamit? Előre köszi: Dave” Google sokat tud neked mutatni
Szervusz!
Örülök, hogy segíthettem ![]() De aggódva szemlélem, hogy kötögetsz mindent mindenhova. Mintha hiányosságaid lennének villanyszerelésügyileg. Cáfolj meg, mert ez a nagyfesz nem játék! A MOT 50 Hz-en megy, ez nem a teslatekercs nagyfrekvenciája, ha ezt fogod meg, megöl. Segítünk, de engedd meg, hogy óvatosságra intselek. Kérj nyugodtan tanácsot villanyszerelő ismerőstől, vagy olvass utána a neten. Lágyindítót mikrósütőből is ki lehet termelni (az én csöves teslámhoz is ilyet használok). Kis nyák, néha együtt van az EMI-szűrővel (kis toroidtekercs, kondik és egy ellenállás), biztosítékok. Maga az indító egy kis kondi, többnyire elkó, egy dióda, néha diak is, egy pár ellenállás (ezek közül egy jó nagy méretű, 15-20Ohm, 20W), és egy relé. Visszarajzolva, a nagy ellenállást zárja rövidre a relé érintkezője. A biztosítékhoz menő kivezetés a betáp a hálózatról, az ellenállás másik fele a kimenet. De hogy miként néz ki, csatolok egy verziót a BSS oldaláról. Üdv!
Köszi, finom
![]() Jól láttam, hogy a lécre szerelt elektróda egy perforált alumíniumszalag? Ilyen volt anno egy gyerekjátékban, ilyen fémépítő készletben. Üdv!
Az valami krómozott vaslemez, ami ilyen készletből való.
Nekem alumíniumból vannak még ilyenjeim pár maradék.
Nem tudom srácok még eldől, mert még én sem hoztam egyet se,azért tudakolózam először felőlük ,ha esetleg tudok többet szerezni mint négy,akkor nem probléma,de az hogy[van belőle dögivel]még nem jelenti azt, hogy mind az enyém.Meg van még egy nagy probléma a távolság, ugyanis ukrajnában élek.
Igen ez a graetz-es megoldás sem rosz,csak ennek egy hátránya van, az ,hogy dupla annyi diódára van szügség,lehet mégis csak a trafók párhuzamos kapcsolása lenne egyszerűbb,mert az én esetemben négy trafóról van szó,ami egyben annyival is több diódahIdat is jelent.
De nem is tudom hogy kell-e diódákkal pepecselni,mert lényegében a diódáknak nagyrészt háromfázisú (vagy két f. két trafóval fázisonként)áramkörben vesszük hasznát, ugyanis ott elengedhetetlen a tekercsek egyidejű kihasználásában.
Szerintem hozd el, amennyi van, nem rossz befektetés hosszú távon
Lehet, hogy egy nekem is jó lenne, mert 10kV körül nincs nagyon trafóm, csak kisebb vagy nagyobb.
Különben még csinálok róluk egy-két fotót,ha leszek munkába.
|
Bejelentkezés
Hirdetés |




Az, hogy mennyit tud a dióda és mennyit kötsz rá, az két dolog.
.Próbáld ki,ha nem világos a leírásom akkor



