Fórum témák
» Több friss téma |
Fórum » Tesla tekercs építése
Ha jól megcsinálod, és egy zvs meghajtót teszel a sorkimenő alá, akkor 10-20 centis koronád is lehet.
Ha tudsz nagyobb teljesítményű elektroncsöveket szerezni (de akár 2 db. PL500-as is megteszi, ilyen volt anno az "újabb" csöves tévék sorkimenő fokozatában, vagy ilyen a PL36 is (régebbi csövesekből), és ehhez könnyebb foglalatot (oktál) szerezni), akkor kisebb feszültségen, de működőképes VTTC-t tudsz építeni. Nem is kell hozzá túl nagy szekunder. Viszont a primer tekercs mellé kell egy visszacsatoló is, ami nagyjából fele menetszámú, mint a primer - de kísérletezhető leágazásokkal. Elrendezéseket szintén neten találhatsz, illetve itt az én rajzom is valahol (GU81-es csővel, ez már nagyobb méretű, de a VTTC elve jól látszik rajta).
Ilyen, PL500-as csővel működő tekercsekről van videó is fent a neten, gondolom linket is ad mellé a készítője, hogy milyen kapcsolást használt (nem bonyolult, egy blocking oszcillátor). Ehhez nem kell neontrafó, egy párszáz wattos hálózati leválasztóról is üzemel, aminek a szekunder feszültsége 230V~. A PL500 fűtése 27 V 300 mA, ha kettőt (vagy többet) használsz, ezek a csövek fűtése sorba kötendő, tehát ahány cső, annyiszor 27 V a fűtés. Többnyire külön trafóról tudod fűteni. Előnye még a kicsi csöves teslának, hogy az alkatrészek terhelése is kisebb - főleg a primer kör kondenzátora esetében fontos ez. Csak a szükséges ellenállások legyenek sokwattosak, vagy ha nincsenek, kisebbek soros, illetve párhuzamos kötésével lehet a teljesítményt elosztani rajtuk, az eredő ellenállás figyelembe vételével. Azt meg azért illik tudni kiszámolni. A csövek adatait például itt is megtalálod. Üdv!
Ez nagyon gagyi, az áramot hanggá alakítja
Nem zvs-el szeretném meghajtani hanem az alábbi kapcsolással csak egy gyengébb tranzisztorral. A primerköri kondenzátort hogyan kell kiszámolni váltóáramu meghajtás esetén?
Sajnos elektroncsöveim nincsenek csak egy 3W-os.
Akkor a teslát felejtsd is el vele.
Idézet: „A primerköri kondenzátort hogyan kell kiszámolni váltóáramu meghajtás esetén?” Hát nem előző oldalon írtam le?? Bővebben: Link
Megtaláltam az én VTTC-m, gyakorlatilag hasonlót építhetsz, csak kisebb csövekkel. Ennyi szikraköz, magnetron meg mifene akkor nem kell és az izzó helyett is tehetsz kb. 5kOhm 20W-os ellenállást. A primer köri kondik is lehetnek kisebbek, mármint feszültségben. De ezek kapacitása "legkönnybben" kísérletezve állapítható meg, persze előzetesen számolni is lehet kicsit.
Üdv! Upd: látom, nincsen csöved, akkor ez itt ugrott... Ha netán mégis találsz megfelelőket, akkor itt az infó...
De most mi a célod? Mert szikrákat egy piezo kristály is adni fog. Pár mm-es koronáért pedig nem érdemes annyit szenvedni sorkimenővel.
Akkor majd szerzek anyagot és majd egy kicsit komolyabban nekilátok.
Szevasz Collector!
Láttam neked is van egy 35kV-os mérőtrafód,kicsit kíváncsiskodnék felőle ha nem baj,és egyben kérnék egy szívességet is,persze csak ha nem túl nagy kérés,no meg ha lenne rá egy kis időd.Szóval az adataira lennék kíváncsi,és hálás lennék ha feltennél (vagy belinkelnél) egy „íves” videót vele,ugyanis melóban is van valami hasonló(a képeken látható),35/0,1 kV 1200VA,kinn az esőn árválkodik egymagában szegény arra várván,hogy elvigyem. Azthiszem még működőképes,a szügséges méréseket elvégeztem rajta,és úgy látszik olajcserére szügség lesz meg némi szárításra,és hát külsőre sem egy szép látvány,de ez legyen a legnagyobb probléma.Szóval most nem tudom érdemes-e vele foglalkozni egyrészt azért is mert dögnehéz. Szóval ha megoldható akkor lédszi dobj fel egy videót róla.Kösz előre is! Idézet: „Szóval ha megoldható akkor lédszi dobj fel egy videót róla. Kösz előre is!” Ennek a kérésednek már 3 éve eleget tettem Bővebben: Link Adatok (FOSZ30): Teljesítmény (H 0,5 osztály) 120VA Teljesítmény (H 1 osztály) 200VA Határteljesítmény: 1000VA Primer: 30kV Szekunder: ![]() Méret: 480x420x922mm. Lehet teslához is használni, de szerintem nem érdemes. A feszültsége túl nagy hozzá. Ettől függetlenül viszont minden más nagyfesz cucchoz nagyon jó, ha van. Nekem a röntgenhez a 100kV-os táp erről indul. 0-100kVDC pedig sok mókás dologra jó
Úgy látom te is szépen fel vagy szerelkőzve.Amúgy én sem teslához tervezem használni,ahhoz vannak kissebbek bőven: 2db „НОМ-6” (6000/100V 400VA)mérőtrafó;4db „НОМ-10” (10000/100V 630VA) mérőtrafó,és a minap még szert tettem két db „НТМИ-10” (10000/100V 1000VA) földzárlatmérő trafóra is
,de majd teszek fel képeket is.A röntgennel majd lehet én is megpróbálkozom,röntgenmérőm és kenotronjaim épp vannak hozzá.Egyébként meg kösz a válaszod.
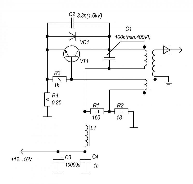
Ezt a kapcsolást hol találtad? A konkrétabb adatok nincsenek róla? érdekelne mire képes.
Szia!
Hodinka kapcsolása.
Szia. Én eddig még csak max. 3-4cm-es ívet tudtam kihozni belőle, igaz, hogy csak 30-50W-os tranzisztorokkal próbáltam.
Hali
Én is szereetnék egy nagyobb teslát épiteni . Szerintetek melyiket érdemes megépiteni , amelyel olyan 20-30cm es szikrákat lehtne csinálni ? Szivem szerint csöveset épitenék , de nemtudok honnan szerezni csövet hozzá . Ti milyet ajánlotok ?
Itt lejjebb (#780428) adtam választ, igaz, a kiemelt csőtípusokkal ekkora szikrát nem érsz el, csak max 10 centit talán - viszont kezdetnek ez se rossz. A "beszerzési" lehetőség is említve van (régi tévé). Amúgy meg hirdetési oldalakon, árverési oldalakon érdemes szétnézni. Meg minden ismerőst megkérdezni...
Én így szoktam ![]() Üdv!
Köszi a választ
Igen , láttam is , olvasgattam a topikban . Hát kezdetnek tényleg nem rossz , de már épitettem egy teslát , skori mini tesláját Hát azzal is megvan most a 10cm , de azér kösz Viszont épp ráakadtam egy oldalra, Bővebben: Link na és itt van egy állitolag jo minosegu zenelo tesla , lehet errol az oldalrol epitem meg azt a micro brute drsstc t , csak vannak furcsa alkatrészei ...
Ahh nem néztem meg eléggé , kapcsolást nem mutatnak , csak beultetései rajzot
Pedig azthittem , hogy lesz a pdf ben egy nyák vagy kapcsolási rajz is Hát utánanézek valami másnak.
Gondolod, hogy egy kit-árusító oldal csak úgy közzéteszi azt, amit el akar adni neked?
De ott van egy VTTC kapcsolás. Érdemes elgondolkozni rajta - más csövekkel, kiigazítva a lehetőségeidhez. Amúgy ezek az IGBT-k nem csak a teslában brutálisak, hanem némileg árban is... És ha valamit elkötsz-elszámolsz, azonnal az örök szilícium-mezőkre távoznak, szemben a csövekkel, amik legfeljebb a hosszabb túlterhelésre érzékenyek, meg ha elégeted a rácsot - amit azért nehezebb összehozni nagyobb csöveken. Üdv!
Hát , reménykedtem benne
Elgondolkodtató , és tényleg , a csövek azért ellenálóak , hát valószinu ,hogy maradok is ennél a megoldásnál , biztos elfustölnék pár igbt t mire elindulna , na akkor most kiderítem ,hogy honnan lehetne itt szlovákiában szerezni valami jo kis csövet .Így vákumcsővel olcsóbban kijon mint, egy neontrafoval , vagy valami nagyteljesitemnyu trafoval ? Más : Lefújtam még egy réteg lakkal a mini sstc-t és közelebb raktam a primert a szekunderhez , hát elég nagy a változás , már könyebben gyujtja a papirt Majd holnap rakok fel rola kepet. Üdv
Nem tudom, hogy olcsóbban kijön-e, mert ha valaki hozzád vág egy megfelelő trafót és jó kondikat és te nem hajolsz el, akkor egy szikraközös olcsóbb (inkább a szikraköz megbarkácsolása macera)
![]() Nézz körbe, ne légy türelmetlen. Én vagy 4 hónapot rászántam a kutatásra, tanulásra, információgyűjtésre és alkatrészek beszerzésére, mielőtt meg tudtam volna az első verziójú GU81-meghajtású teslámat építeni (jó, egy ilyen nem a legkisebb verzió már). Ez volt az első teslás próbálkozásom, szerencsére egy látványos (és hangos) kondenzátor-robbanáson kívül nem volt komolyabb problémám. (Kopp-kopp) De még most is találtam belőle repeszt, pedig ez egy éve volt... Sokba kerül így is, pedig a MOT-okat ingyen szereztem - kézenfekvő helyről, kidobott mikrókból. Azért is tértem át a magnetronos egyenirányításra (az is ingyen van, szintén ugyanonnan), mert ezek elpusztíthatatlanok, szemben a mikrosütő diódáival, amiből párat szintén eldurrantottam. Ne hidd, hogy csak összerakom és minden szép (csak ha beépítesz pár négylevelű lóherét is, akkor talán ). Kis hangolgatás és esetleg olyat visszaszól a szekunder a primer körre induktívan, hogy a fal adja a másikat. Nekem a GU81 két felső kivezetése között is bírt átütni (jó két és fél centit), szép jákoblétrát csinált oda, szerencsére a mikrótrafók bírták. Nem véletlen a kapcsolásomban a védő szikraköz és mégis...Szóval nézd meg, mid van, mit tudsz szerezni, olvass, informálódj, tágas a net és ez a fórum, meg a másik a "Tesla tekercs/generátor" is tartalmaz hasznos infókat. Én az egészet végigolvastam. Meg vagy 100 egyéb weblapot. Hidd el, hasznomra vált. Mert végül sikeresen építettem. Üdv!
MOT-os teslát is lehet ám csinálni, akár 1 darab trafóval +sokszorzó (bár inkább ajánlott 3 darab sorbakötött trafó, és szekunder oldali áramkorlát).
Nem veszélyesebb sokkal, mint a csöves változat, viszont kinyírni sokkal nehezebb.
Okés , kösz a tanácsokat , hát egy ideig még én is alakatrészeket stb. fogom beszerezni/ utánanézni a holmiknak , csak még elakarom dönteni , hogy milyet épitek , és milyen alkatrészeket gyujtsek rá .
Collector , tudsz kuldeni egy kapcsolást , vagy egy linket , ahol foglalkoznak vele ? Kösz üdv
Persze, hogy tudok : Bővebben: Link
De abból is sokat lehet tanulni, ha csak képeket nézel róluk, mivel a geometria az elsődleges szempont. Milliónyi leírás van (persze vannak hiányosak/hibásak is), youtubeon is van rakás videó, ahol kompletten be van mutatva, leírással együtt. De találsz egy rakás linket az előző oldalakon is. De még külön kiemelek egy oldalt : Bővebben: Link Jól dokumentált építés.
Kösz
Most ugyis keresgélni fogok egy ideig , de szerintem vákumcsöveset csinalok , bár sose lehet tudni, attol fugg melyikhez tudom beszerezni az alkatreszeket Addig is szorakozgatok a mini teslaval Meg persze nézegetem a kapcsolásokat .Üdv
Kösz , át is olvasom Meg nézegetem hátha akad valahol elado gu81 , vagy valami neontrafo .Meghát lassan iskola , lehet tudok onnan szerezni ezt azt . MOT ot is szerválok majd valahonnan , remélem sikerül majd mindent szerezni hozzá elöbb-utobb Üdv.
Nagyon szívesen.
A DeepFriedNeon már működik, számolni tökéletes. Richie Burnett meg sok olyan dolgot elmond, hogy miért is tud gallyra menni a betáp-trafó vagy a tank-kapacitás, ha rosszul van összehangolva, vagy hogyan lehet növelni az összteljesítményt, miként működik a rezonáns táplás, és ilyen veszélye van, stb. Nagyon hasznos, ha nem akarod rövid úton hazavágni a szikraközöst, ha azt építesz. Azt is elmondja, melyik szikraköz miért jó és miért kevésbé, illetve hogyan viselkednek, meg hogyan kell őket beállítani, meg mi a teljesítménytényező szerepe. Mindezt ábrákkal, grafikonokkal és szimulációkkal. A VTTC-ről meg tán mesélek én, ha lesz időm és még némi további tapasztalatom. Ugyanis a visszacsatoló kör állítgatása hatással van az egészre. De ennek kitapasztalásához nem a nagyteslát használnám, mert azért az kicsit veszélyesebb, meg nehezebb emiatt mérni is. Tehát építek egy kicsit... Üdv! |
Bejelentkezés
Hirdetés |





Azthiszem még működőképes,a szügséges méréseket elvégeztem rajta,és úgy látszik olajcserére szügség lesz meg némi szárításra,és hát külsőre sem egy szép látvány,de ez legyen a legnagyobb probléma.Szóval most nem tudom érdemes-e vele foglalkozni egyrészt azért is mert dögnehéz.
Szóval ha megoldható akkor lédszi dobj fel egy videót róla.






,de majd teszek fel képeket is.A röntgennel majd lehet én is megpróbálkozom,röntgenmérőm és kenotronjaim épp vannak hozzá.Egyébként meg kösz a válaszod.
Pedig azthittem , hogy lesz a pdf ben egy nyák vagy kapcsolási rajz is
Hát utánanézek valami másnak.
Kösz , át is olvasom 