Fórum témák
» Több friss téma |
Üdv mindenkinek! Egy tolatásjelzőt szeretnék építeni. Ha lehet ne tartalmazzon IC-t. A környéken nem tudok vásárolni Integrált áramkört. Egy IFA W50L típusú tehergépjárműre kellene. Nincsen valakinek egy kapcsolási rajza? A válaszotokat előre is köszönöm.
Mármint ha tolat az autó,akkor jelezzen?
Ha igen akkor egy kiszuperált autóriasztóval esetleg megoldhatod, ha a hangadó részét önálló működésre bírod a piezoval meg sorba/párhuzamosan kötsz egy ellenállás osztót,hogy ne legyen olyan hangos. Egyébbként nagyon jó tolatólámpa izzókat lehet kapni amikben ez a funkció benne van.
1.Mellékeltem egy rajzot. Sajnos van benne IC.
, de minden alktrész van a HE storeban. 2.Lehet esetleg multivibrátorral is, arra hirtelen nem találtam konkrét kapcsolást. Kettő darab kell, az egyik mondjuk 1Hz periódusidővel, a másik mondjuk 1kHz-cel, a nagyobbik periódusidejű szaggatja a kisebbiket, a kisebbik periódusidejű meg a hangszórót hajtja. (Én nem szenvednék vele, bár elég neki 4-6 tranzisztor) 3. Esetleg lehetne olyat, hogy autódudát rákötsz egy index villogtatóra. Az tuti észrevennék.
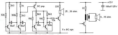
Tranyóval így csinálhatod pl...
Ha nincs valami kis kimenőtrafód, akkor kisebb a hang ( bal oldali verzió ). Ha van, akkor mehet a jobb oldal. Hangszóró valami csipogó, magassugárzó, stb...
Ahol dolgozom ott ha elromlik nem javítjuk csak kidobjuk!!!
Nem akarlak lebeszélni az építésről de kb 1000Ft bolti áron kapsz csipogót.
Hellotok!
Megépítettem a tranzisztoros verziót (trafó nélkül). Nagyon halk lett (beszereltem a suzukimba, és nyitott ajtónál is alig hallom :nono .De nem ez zavar leginkább engem, hanem hogy (szerintem) a motor visszatöltése nem "egyenletes", így folyamatosan változik a fesz. (1-2V-ot), ezzel együtt a csipogó hangja is változik. Arra gondoltam, hogy ha 555-ös ic-kkel csinálnám meg, akkor az "stabilabb" lenne? És még azt szerettem volna kérdezni, hogy a hangerőt hogy tudom növelni? Trafó, műveleti erősítő, tranzisztorok...? "Egy kép többet mond ezer szónál!" Köszönöm! JĐ
Felénk 5000 körül árulják azt, amit müszakin is elfogadnak.
Van 500-ért is, de az inkább arra valo, hogy jelezzen, ha ugy felejted a világitást.
Üdv. Vettem egy autó tolatás jelzőt a Hestore-ból aminek a hangja még egy kerékpárral való használatra is kevés. Abban kérném a segítségeteket ha lehet a hang erőt feljebb kellene emelni mert nekem egy kis teherautóhoz kellene. A segítséget előre is köszönöm.
Lehet kapni tolatásjelzőt ami járműre való. Van külön felszerelhető és tolatóizzóba épített. Ez aztán van sípolósban, vagy Lambadát is játszhat. Jellemzően valamilyen piezós hangsugárzó van bennük a megfelelő hangerő miatt, nem dinamikus hangszóró.
Nem írtad le!!!: A papír "fecnit" leszedted a csipogóról?
Szia. 32s4120lf 10A piezot adtak hozzá, természetesen a kis papiros le van szedve.
Ez egy "buzzer"...azaz bele van építve az oszcillátor (4000Hz). Ez ennyit tud.
Gyárilag hangosabb buzzerre lehetne kicserélni...
Szia. Tudnál esetleg ajánlani egy hangosabbat. És köszönöm szépen a hozzá szólásokat. Bővebben: Link Egy ilyen esetleg jó lehet.
|
Bejelentkezés
Hirdetés |




, de minden alktrész van a HE storeban. 

.


