Fórum témák
» Több friss téma |
Hello! Konkrét elképzelése az embernek akkor lehet, ha épített már ilyesmit. De..
- Az LM3914 alapvetően egyenfeszültséget tud kijelezni. Vagy is a bemenőfeszültségét összehasonlítja a belső referencia feszültség Ref-min és Ref-max közötti értéket bontja 10 felé és ennek eredményét jelzi ki. Így a 10 Led-et, voltonként kapcsolja be. Ha te 20db Led-et kapcsolnál (ha jól értem) akkor az alsó referenciája 0V és 5V, a felső-é pedig 5V és 10V, akkor 0,5V-onként fogja kapcsolni a Led-eket 0..10V tartományban. - A lényeg, hogy a bemeneti feszültség arányos legyen a fordulatszámmal, és a referenci a tartományába essen. (Vagy a referencia beállítását kell a bementi jel tartományához igazítani.) - A TDA 1085-höz induktív jeladó csatlakozik, annak az impulzusszáma (frekvencia) arányos a fordulatszámmal. A frekvencia-feszültség átalakító, benne van az IC-ben, amivel aztán a szabályozást végzi. Lehet hogy a TDA-ból is ki lehetne nyerni a fordulatszámmal arányos feszültséget, de akkor az egész kijelző a hálózati feszültségre kapcsolódik. - Ha optocsatolót vagy Hall jeladót használsz, akkor függetleníthető a hálózattól a kijelző. Cserében viszont a jeladó a fordulatszámmal arányos impulzusokat fog előállítani, ebből kell készíteni a fordulattal arányos egyenfeszültséget. (Gyakorlatilag ugyan úgy, mint ahogy a robbanómotornál teszik, csak ott nem a gyújtásjelből, hanem jeladód jeléből. - Maga a 15 ezres fordulat nem probléma, sem a jeladónak, sem az áramkörnek, mert ez frekvenciában a 60-ad részét jelenti, vagy is ez csak 0..250Hz-et jelent.
Szia! A Májkinak a készüléke jó lehet. Valami 10 ezres fordulatig jó. A pic/avr dolgok között van. Bővebben: Link
Üdv a Csapatnak! Egy áramváltót 30A/1V ezt szeretnék illeszteni egy 3914-hez. A segítségeteket kérem. A lenti rajzot gondoltam hozzá, itt a topikban találtam. Egy az egyben rálehet kötni vagy kel módosítani rajta? Segítségeteket előre is köszönöm. Tudtommal mind a két irányba mér az árammérő, hogyan lehetne, hogy csak az egyik irányba működjön a 3914-es ic? Napelem töltés figyelő lenne, ill. ezzel szeretném vezérelni a bojlert, csak akkor fűtene amikor van értékelhető termelés. A kijelző oldalán optócsatolóból készítenék egy "digitális poti"-t ami meghajtana egy ilyen SSR-t ami fázishasitó.
További szép napot! A hozzászólás módosítva: Jan 30, 2024
Valamire jutottál a projektel? Kellett volna neked egy 1Vac-10 Vdc erősítő, meg ez:
0-10V Voltage Monitor.
Hello! A feladat nem oly egyszerű, mint amilyennek tűnik. A váltóáram irányát csak úgy lehet megállapítani, hogy milyen fázisállapotban van az áram, a feszültséghez képest. Tehát fázisérzékeny egyenirányítóra van szükség.
A feladat másik része pedig szabályozástechnika.. LM3914 (EM50186 kit)Sziasztok!Az EM50186 gyakorló kit kapcsolási rajzát kellene elkészíteni - azaz inkább kijavítani, mert az eredeti rajz nem helyes. A megépített áramkör működik, így gondoltam, ez alapján visszafejtem a PCB-t kapcsolási rajzzá. Ezt meg is tettem (Tina), azonban ezen sem a valóságban mért értlkek jelennek meg (itt nem az ideális vs. valós eltérésre gondolok). Hogy ellenőrizzem a rajzot, a PCB-n lévő összes áramutat végigmértem fizikálisan is (sípolós ohm mérés). Valami még is hibás, vagy én néztem el valamit. Csatoltam az eredeti rajzot, a Tina fájlt (eredeti és visszafejtett) és a PCB elöl- és tükrözött hátulnézeti képét. A hozzászólás módosítva: Okt 22, 2025
Hozzáadom még a KiCAD-es pdf-eket. A projekt túl nagy, azt esetleg a drive-omta tudom feltenni.
Hello!
Én csak a két kapcsolási rajzot néztem. Az eredetináé, nem kap +12V-ot az Ic és az előerősítő. Az általad rajzolt megfelelőnek tűnik. Viszont a referencia beállítása nem jó. Mert az Ic az RefOut és RefAdj lábak között, a belső, kb. 1,2V referenciát állítja be. Így a köztük lévő R9 1k ellenálláson, 1,2mA áram folyik. De ha ez így van, akkor a referencia feszültséget beállító R10 9,1k ellenálláson, UR9=1,2mA/9,1k=10,9V feszültség lenne és ehhez adódik hozzá az R9 1,2V feszültsége. Vagy is a RefOut feszültség 12,12V lenne (durván). Nos ez 12V tápfesz mellett lehetetlen. Tehát, vagy növelni kell a tápfeszt 15V-ra és akkor lehetséges ekkora referencia, de ekkor meg 1,6W lesz a tok hőtermelése, ami nem egészséges.
Az első mondatod sokat segített. A képen, amit beszúrtam, kijelöléssel jelzem a hiányzó vezetékszakaszt. Ez hiányzott ahhoz, hogy a szintaktikai hiba megszűnjön, de a szemantikai megmaradt.
Amit a rajz 'Uref'-nek nevez, annak valóban 12,2V körül kellene lennie számítás szerint - ahogyan írtad is. A Tina szimulációja 10,54V voltot mutat és az én mérésem a PCB-n 10,3 V körüli. Az első meghajtott led a D11 sohasem világít, illetve a D10 sem, pedig polaritás szerint jól van beforrasztva. Kipróbálok majd egy IC cserért. A D10 azt jelzi, hogy meg van a táp és nincs az áramkörben zárlat - legalább is a kit leírésa szerint. Nem tudom, az okozha-e a két led tönkremenetelét, hogy méréskor az ujjam rövidre zárhatta? A trimmenr potméter nincsen skálázva, így nem lehet beállítani egy körüldelüli százalékos értékre sem. Mérni az ellenállását a trimmer egy adott állásában meg onnantól nem lehet, amikor már be van forrasztva. Így a valós mérést a Tina értékeivel csak 0% és 100% trimmer állásoknál lehet megtenni. Ötletetek van erre? Illetve az idegesít, hogy 4 órát belefektettem a visszafejtésbe és az a kapcsolási rajz nem jó - a Tina szerint.
Hello! A szintaktikai és szemantikai kifejezést hagyjuk meg a programozóknak..
Aki ezt az áramkört tervezte, sokat nem gondolkodott rajta. Inkább csak ollózott. A referencia áramkörnek van maradék feszültsége, tehát meg sem közelítheti a tápot. De nincs is rá szükség. Mert itt a referencia állításával, a látható kijelzést illesztjük a bemeneti jelhez. Mert ugye a 10. Led akkor fog jelezni, ha a bemeneti feszültség eléri, vagy meghaladja a referencia RefOut értékét. Annak pedig miért kellene 12V-nak lenni? Tehát ha a referencia osztóban a 9,1k-t kicseréled 4,7k-ra, akkor 7V körüli érték fog kijönni. (A belső referenciának is van toleranciája.) Így a P1 trimmerrel a referencia 0..7V-ig lesz állítható. (Mondjuk 1V alatt értelmetlen a dolog.) A trimmert is benézték. Mert a belső referencia osztó ellenállása 10kohm és ezt szabályozod a 100k trimmerrel. Ezért a szabályozás nem lesz lineáris az elfordulással. Itt pld. 0..50%-ig tekerve érjük el az 1V feszültséget, majd innen szinte négyzetesen a 7V referenciát. Pld. 6V és 7V közötti értéket 1,5% forgatással érjük el. A Led-ek árama is változni fog, kb. 1..20mA között a referencia változtatásakor. (Nem biztos hogy szemmel észre vehető.) Az erősítő fokozat maximális kimeneti csúcstól csúcsig mért feszültsége, nem haladhatja meg a tápfeszt. (Hogy beférjen a szinusz a tápba.) Nos ez 6V csúcsértéket jelentene. A valóságban ez sokkal kisebb, mert a tranyó munkapontja miatt, már 3V csúcsértékű bemeneti jelnél torzítani fog. Az egyenirányítónak is vannak a diódák miatt vesztesége. Így a DC kimeneti jel maximuma 3V lesz, akkor minek ide a 12V referecia? Egyébként is az erősítő "hiába erősít", a bemeneti 9,1k/1k osztó miatt a teljes erősítés kb, -1dB. Tehát tulajdonképpen az egész gyengít, nem erősít. Csak a bemeneti impedancia lesz 10kohm mint előny. De 3V-nál nem lehet nagyobb a bemeneti jel. A Q2 tranyó, egy impedancia növelő emitterkövető. Csak épp semmi szükség rá. Az Ic-nek nagy a bemeneti ellenállása, az R7 meg 18k, azzal össze sem mérhető. Tehát ha a tranyót és emitter ellenállását kihagyod, az ég világon semmi nem történik. AC kapcsolóállásnál és 7V referenciánál, a bemeneti 9,1k/1k osztó miatt, akár 70V is lehet(ne) a bemeneti jel csúcsértéke. Oké, de a kijelző, a váltófeszültség pozitív félperiódusát fogja kijelezni. A kijelzés így minden pozitív félperiódusban követi a bemeneti jelet. Vagy is a kijelző fel-le söpör a félperiódusban. Vagy is ebben az állásban a DOT kijelzésnek semmi értelme, nem fogja pontszerűen mutatni a kivezérlést, csak sávszerűen. És mivel csak a pozitív félperiódusban működik, a fényerő is csökkenni fog. Na, a többi dolog rendben van.. A Led-ek a tapizástól nem tudnak tönkremenni. Mivel az Ic kimenete áramgenerátoros, ha rövidre záros a Led-eket sem történik semmi. Akkor megy tönkre a Led, ha az Ic kimenetét a GND-re zárod, mert akkor nincs áramkorlátozás és kipukkad. Egyébként nagyfényerejű Led-ek használata esetén szokott az első Led halványan világítani, mert a belső áramkörök, vagy 100uA-t kajálnak és ez már látszik. Ilyenkor a Led-el párhuzamos ellenállás segít. De ez csak az első csatornán van így. A D10 is csak akkor pusztul meg, ha a katódját a GND-re zárod. Mit kellene ötletezni a trimmerrel? Hozzá állítod a referenciát a bemeneti jelhez, hogy maximumon az utolsó Led is jelezzen. A tina úgy sem lüktető hangfrekis jellel dolgozik.
Szia! Köszi a részletes ismertetést. Lenne néhány kérdésem. A referencia áramkör az mi lenne itt? Maga a R9, R10 és P1? Ezekkel tufom állítani, hogy a 10 ledből mennyi világít? Ahogy írtam, tekerem a trimmert, de a D11 sosem világít. Bocs, a rajzon már javítottam, az első piros led az véletlenül szintén D11-el volt jelölve, az helyesen a D10. A D10 csak akkor világít, ha a D10 katód-GND és a D10 anód-GND feszültség különbsége nagyobb mint 1,6 V? A D10 katód-GND feszültséget befolyásolja a P1 állása?
Az Imp (sk2) sorkapocsra egy funkciógenerátor lett csatlakoztatva 10Vpp 1 kHz-es négyszögjellel. Ez amúgy egy bemenet lenne, ahonnon jöhetne jel adott hullámformával, frekvencián? Ezt nem teljesen értem.
Hello! Úgy látom itt erős félreértések vannak. A működés megértéséhez meg kell nézni az adatlapon a belső felépítést.
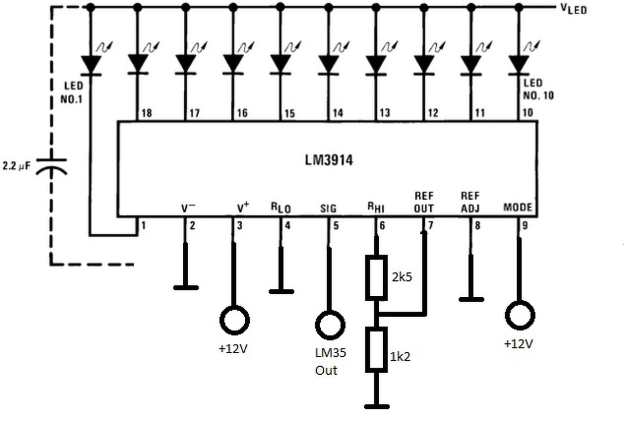
A Led-ek kapcsolása úgy működik, hogy a RefHi és RefLo pontok között van egy 10 tagú feszültségosztó. Ezek pontjait és a SIG bemeneti jel potenciáljait hasonlítja össze 10 komparátor és kapcsolja a Led-eket meghajtó ramgenerátorokat. Ha egy komparátor SIG bemenetén magasabb a feszültség, mit amit az osztó felől kap, akkor bekapcsolja a Led-et. Itt (és általánosságban) a RefLo pont a GND-n van. Ha a RefHi pontra mondjuk 10V feszültséget kapcsolunk, akkor a Led1 (itt Led11) 1V felett kapcsol a Led2 pedig 2V felett stb. 10V felett pedig már a Led10 is világít. Ennyi a működés oszlop módban. DOT módban pedig csak a legfelső világít a z alatta lévőket meg kioltja az Ic. Tehát az a lényeg, hogy a SIG feszültsége milyen arányban van a referncia osztók feszültségével. Vagy is ha az erősítő/csúcsegyenirányító felől maximálisan 3V feszültség érkezik meg (egy adott bemeneti váltófeszültség esetén) akkor a RefHi referencia értékét célszerű 3V-ra állítani. Mert ha 4V-ra állítod, akkor az utolsó Led-ek sosem fognak világítani. (Nem a Led1, mert az a legalsó, annak világítani kell.) Ha pedig 2V-ra állítod a RefHi feszültségét, akkor 2..3V bementi jel között, már világítani fog mind a 10 Led. Tehát azért lehet a referencia feszültség állításával a bementi jel nagyságához illeszteni a kijelzést. (Egyszerű ez mint a faék.) Maga a RefOut refrencia beállítása egy másik dolog. A működés alapja, hogy az RefOut és ADJ pont között az Ic mindig a belső 1,2V referencia feszültséget állítja be. (Persze ha nincs kint az üzemi működés tartományából.) Első lépésként a két pont közötti ellenállás értékét határozzuk meg. Ez azért szükséges, mert ezzel állítjuk be a Ledek áramát (vagy is az áramgenerátort). Mert az Ic az RefOut pontot terhelő áramnak a tízszeresére fogja beállítani a Led-ek éramát. Tehát ha ide egy 1kohm-t teszünk, akkor azon az áram 1.2mA, vagy is a Led-ek áramát az Ic 12mA-ra fogja beállítani. Ha van az ADJ és a GND pont között ellenállás, akkor azon is ez az 1,2mA áram fog átfolyni. Tehát ha mosz az ADJ és GND pontok közé egy 5,1k ellenállást teszünk, azon a feszültségesés UADJ=5,1k*1,2mA=6,12V. A RefOut feszültségéhez, még ehhez hozzájön a RefOut és ADJ láb közötti 1,2V feszültség. Így a RefOut ponton 7,3V feszültség lesz. Ezt kapja meg a P1 trimmer, ebből állíthatjuk be az RHi feszültségét. (A számítésnál elhanyagoltuk a referencia toleranciáját és az ADJ bementen kifolyó áramot) A Led-eket pedig áramgenerátor vezérli. Ha a 12mA áramra a Led nyitófeszültsége 1,6V. akkor annyi lesz rajta mérhető, ha világít. Ha 2 vagy 3 Led-et kapcsolunk sorba egy-egy kimenettel, az 12mA áram akkor sem változik, csak ha a Led-ek nyitófeszültségének összege meghaladja az Utáp-2V feszültséget. De a Led áram a Ledek árammérővel történő rövidrezárásával is megmérhető, nem fog történni semmi. (Max a Led nem fog világítani.) |
Bejelentkezés
Hirdetés |















