Fórum témák
» Több friss téma |
Köszi!
Ha jól értelmezem, nem a fejjel lehet probléma, hanem mechanikai hibája lehet, mivel be sem fűzi a kazettát. Érdemes rá költeni, kb. mennyiért orvosolhatják a problémát?
Azért így láttatlanban nem zárnám ki fejmotor driver hibáját se, de arról meg kellene győződni, hogy eljut-e a magnó a betöltési folyamatban odáig, hogy egyáltalán felpörgesse a fejet. Úgy tudom ez a fajta magnó már hibaüzeneteket ír ki, ha valami nem stimmel, nincs a kijelzőn ilyenkor valami kiírás pl. F03 vagy F04 stb. ? Hogy érdemes-e javíttatni és az árát azt nem tudom.
Szia!
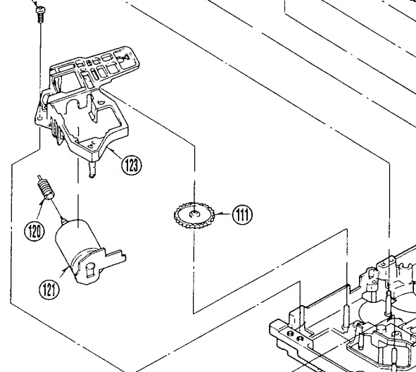
Szerintem a betöltő motoron lévő pulley repedt meg ez az első tippem. Ezért nem tudja a betöltést megcsinálni. Csatolásban lévő rajzon 120 pozíció számon láthatod ezt az alkarészt, olcsó, rendelhető, viszonylag könnyen cserélhető. Mechanikát kiemelve, az alsó nyákot le kell bontani, és már látható a ferdén elhelyezett motor, egy csavar rögzíti és egy patent, ez kiszerelve a műanyag házból, kiveszed a motort és a csiga belsejében találod ezt az alkatrészt. Szemmel is jól látható hosszanti repedés lesz rajta.
Ezt az alkatrészt nézd meg, ha repedt, mint a képen, akkor tuti, hogy ez okozza a hibát. Ennél a mechanikánál nagyon gyakori ez a probléma, kb. 200Ft
Köszönöm a segítséget.
Mellékelek pár fotót, segítséget kérek, hogy akkor hol is keressem először a hibát. Köszönöm
Nem jó helyen keresed, mechanika alján, másik oldal.
Betöltő motor tengelyén lévő csiga belsejében találod a pulley-t.
Így már talán jobban megtalálod. Mechanika másik oldalát is fotózd le ha kivetted.
Fontos!
Kazetta fészket azonnal tedd vissza, addig ne csinálj mást, mert nem lesz egyszerű. Ha a fogasléc nem megfelelő pozícióba kerül vissza, nem fogja bevenni a kazit. Kár volt kiszerelni, + problémád lehet (lesz) belőle..
Igazad volt. Már be sem veszi a kazettát. Eddig bevette, de nem fűzte fel. Szétszedtem, darabokra, ime a képek. Hol kell keresni a hibát. Most már f04 hibakód jelenik meg.
Attól tartok elcsesztem a videót végleg. Segítsetek, ha még lehet.
Nagy felb. a kép. A bekapcsolás után el kezdett motoszkálni a megjelölt területen a fogaskerék, magyarul mozgott, majd hibakód jelent meg. F04,...
Kazetta fészek levétele nem volt szerencsés, 2 képen bejelöltem mi okozhat problémát, az nem mozdulhat el, mert nem te tudod beállítani. Első lépés szereld vissza a fészket, lehetőleg az eredeti beállításba , fogasléc első foga illeszkedjen a megjelölt fém fogaskerékhez, ez fogasléc 2 részből áll ezt rugó feszíti, ezért kicsit hátrahúzva bepattintható a helyére..
Majd az 1 képen bejelölt motort szereld ki és megtalálod a keresett alkatrészt a csiga belsejében, ha repedt akkor valóban az volt rossz. Addig ne rakd vissza a motort, míg a fészek beállítását nem ellenőrizted. Motor nélkül kazetta be és a megjelölt fogaskerék (3 kép) kézzel forgatva beveszi a kazettát, majd vissza tekerve ki , ha minden ok , akkor csináljuk tovább.
Szia!
Ha jól értelmezem, ha a worm gear (pulley) repedt, akkor nem tudja befűzni a szalagot. (mivel a motortól, közvetetten pedig a fogaskeréktől függ, hogy elindulnak e a "babák" a kazetta behelyezésekor)
Nem, ebben van a feltételezett repedt alkatrész, nézd meg a képet amit előzőleg betettem. Közvetlenül a motor tengelyén található ez megy bele az általad bemutatott csigába. Repedés miatt a motoron megcsúszik és nincs elég ereje a befűzést végig csinálni.
Kazettafészek visszakerült? Ha nem és úgy bontod le a betöltő motort, akkor szétugrik a mechanika és nem fogod tudni visszaállítani. Ha valami nem világos inkább beszéljük meg, ne legyen több műhiba...
Szia!
Megnéztem a pulley-t. Hibátlan. Rendesen forog a csiga is együtt a motorral. Szeretném megkérdezni, hogy mi a következő lépés. Majdnem elfelejtettem a hibakód továbbra is f04.
Hibakód - panasonic esetén.
Kivetted és nem látszik repedés? Ne csak kézzel ellenőrizd, forogni akkor is fog , ha repedt, csak nagyobb erőt nem képes átvinni.
Kazetta fészek rendben visszakerült és működik? Hibakód is betöltési hibát jelez.
Kazetta fészket visszatettem, de továbbra sem fogadja el a kazettát, nem is engedi behelyezni, azonnal kidobja.
Elképzelhető, hogy a kazetta fészekkel lett gond, mert korábban beengedte tenni a kazettát, de nem fűzte fel. Most már be sem engedi tenni a kazettát. Attól tartok, hogy elcsesztem végleg a videót. Tegnapelőtt - először nem írt ki hibakódot - de beengedte tenni a kazettát, de nem fűzte fel a szalagot, nem indult el a fej sem), tegnap - már ír ki hibakódot f04, és már használni se lehet, pár másodperc után hibakód, és készenléti állásba kapcsol a video. Látszik, hogy ez nekem nehezen megy.
A megjelölt területen, közvetlenül bekapcsolás után, el kezdett a fogaskerék (fogaskerekek) mozogni. Itt nem lehet semmilyen probléma? És egy kis motoszkálás után, hamarosan megjelent az f04 hibakód.
Sajnos rossz pozícióban tetted vissza a fészket.
Ha figyelmesebben olvastál volna kevesebb problémánk lenne. Feleslegesen bontottál meg dolgokat, ezzel csináltál néhány műhibát. Kértelek, addig ne folytasd, míg a fészek pozícióját nem tetted az eredeti helyzetbe. Ennek megoldása nem lett volna akkora probléma, ha megbeszéljük.., mivel tovább bontottad a mechanikát, így nehezítetted a javítást . Kérlek olvass vissza figyelmesebben, lépésről lépésre mindent leírtam. Ha valami nem érthető, kérdezz mielőtt bontasz. Amíg a kazetta behelyezése nem működik, addig nem szabad más hibát keresni. A képen lévő alkarészek közül , csak a fém fogaskerékre figyelj, annak és a kazetta fészek bal szélén lévő fogasléc helyzetét kell megfelelő pozícióba hozni, figyelni a jelöléseket!. Ha nem érthető , kérdezz!
Félreérthetően fogalmaztam, fészek bal oldala alulnézetben értendő, felülről nézve jobb oldalon található a fém fogasléc.
Üdv. Mindenkinek.
Segítséget kérnék egy Philips VR-285/58 videóhoz, amit nemrég használtan kaptam, és a régi szalagaimat szeretném vele DVD-re átjátszani. (A TV-hez SCART-al csatlakoztam, de sajnos kézikönyvem sincs, így találgatva próbálom beállítani) A probléma az, hogy ha beteszek egy szalagot és elindítom a lejátszást, hallom, hogy matat valami benne, kiírja, hogy TRUE, majd leáll és kiadja a szalagot. Megpróbáltam a kézi installációt, de ott csak a dátumot és nyelvet engedi beállítani, azután kilép. Ekkor van videójel, s ez programból állítható. Volt egy régi AIWA magnóm, amin kivűlről lehetett állítani a szalag magasságot, s az ilyen problémákat meg tudtam oldani. Azt többszőr szereltem (tisztítás, görgő,- szíjcsere, stb.) sok macerával, de eredményesen. Ehhez nincs semmi leírásom, s nem szeretnék elállítani semmit. Kérdésem, hogyan tudnám a legegyszerűbben beállítani, vagy ha muszáj megjavítani. Előre is köszönöm a segítséget.
Egy kis kiegészítés.
A hiba egyformán fennáll saját felvételnél, és gyári kazettánál is.
Mégegy helyesbítés.
Nem TRUE-t ír ki, hanem TRACK-t. Elnézést, úgylátszik fáradt voltam. Kösz.
CTL fej tisztításával kezdeném, majd ellenőrizném a nyomógörgőt. Lehet, hogy megkeményedett és félretolja a szalagot, ami szemmel is jól érzékelhető, vékonyabb szalag esetén, főként a szalag elején. Ez esetben nyomógörgő csere.
Szia
Felfűztem manuálisan a szalagot, valóban a szalag befűzésekor probléma van. Egy hasonló panasonic video sd20 mechanikáját (k mechanic) megnézve tapasztaltam a hibát. Sajnos nem a pulley a hibás, kipróbáltam másik motorral is. A hiba azon a helyen van (amihez szét kell szedni az egész mechanikát), amit múltkor bejelöltem. Valahol átugorhatott a fogaskerék és emiatt szorul valami.
Ha a fém fogaskereket kézzel próbálom mozgatni,(előtte persze le kell venni a kazetta fészket, és a gyűrűt eltávolítani) nem tudom arrébb mozdítani (kiemelt motornál), vagyis itt lehet valahol a probléma.(panasonic nv hd 660) Viszont a panasonic sd20 videónál (szintén k mechanika, teljesen ugyanaz), ez a probléma nem áll fennt.
Amennyiben vállalnád a video javítását, nagyon örülnék neki. Szeretném megkérdezni, hogy mennyibe kerülne ez nekem, ha megoldható. Mivel én a fogaskerék rendszert nem merem szétbontani, így már csak benned bízom. Várom válaszod. Köszönöm előre is. Az eddigi és remélhetőleg az ezután való segítségedet is.
Még annyit szeretnék mondani, (mivel az előző hozzászólásomat már nem tudom módosítani), hogy a segítségként felhasznált panasonic sd20 mechanikánál, az öntvény fogaskereket mozgatva könnyedén megy, és az egymásra épülő fogaskerekek ennek megfelelőlen mozognak. Így találtam meg a hibát a panasonic nv hd 660 esetén, persze nélküled soha nem ment volna. Mégegyszer is köszi a segítséget.
Amennyiben lehetséges, a javítással kapcsolatos összeget írd meg privátban, ide a hobbielektronika levelező rendszerébe. Köszönöm. Várom válaszod.
Szia!
Hogy másoknak is hasznos legyen a panasoni k - mechanika pontos beállítása, chz-nak köszönhetően közzé teszem.
Nagy felbontásban, közelről a panasonic k-mechanika:
lsd. képek |
Bejelentkezés
Hirdetés |















































