Fórum témák
» Több friss téma |
Szia!
Egy kérdés, milyen mikrofont szeretnél illeszteni? Ha elektret betétet akkor szerintem nincs sok értelme az előerősítőnek, a PC mikrofon bemenete elég érzékeny méréshez elegendő jelszintet ad. Ha mégis szeretnél szintet emelni, bármelyik műveleti erősítő alapkapcsolás megteszi. Dinamikus mikrofon esetén (ami szerintem mérésre jobb) érdemes egy kiszajú műveletierősítőt használni szimmetrikus bemenettel, és egy második erősítő asszimetrizálja a PC felé. Tranzisztorok cseréjénél túlzottan ne ragaszkodj a megadott típusokhoz, általános kiszajú tranzisztorok megfelelnek hangfrekvenciás áramkörökben. Otthon fellelhető tranzisztorokkal szerintem nyugodtan összerakhatod. Üdv: Gábor
Ok, köszi!
Igen sima mikivel akarok mérni.
Hi
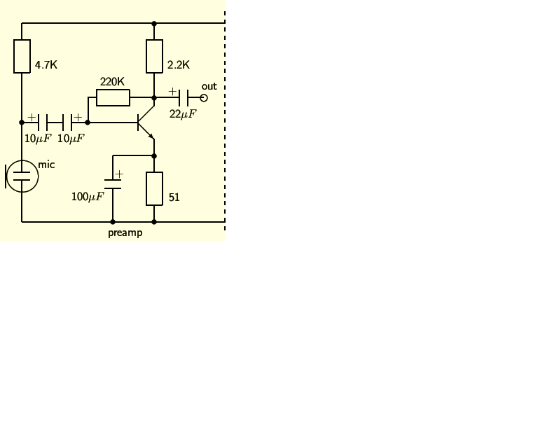
Csináltam egy itt talált miki kapcsolást, ami nekem nem megy ![]() 9v elemről 4,2mA eszik, "indulni" indul viszont pulzálva/lüktetve szól. Valakinek ötlet? Vagy el.... a nyáktervet? Segítséget előre is köszönöm.
Gerjed az erősítőd. Tegyél egy 470 µF .os kondit a 9 V -os elemre.
Lehet hogy hülye kérdés, de sorosan vagy párhuzamosan az elemmel?
Sajnos nem jött össze a dolog orvoslása. Így most már nagyobb frekin pulzál és a hangja is magasabb lett.
Az M1 jelű ellenállás 100kohm. A nyákrajzon 1Mohm van. Mit ültettél be?
Szia, mh akkor ez lehet a baj, azaz remélem. Igen Én a visszacsatolásokat simán 1M ohmosoknak olvastam nem pedig 100K-osoknak. Akkor mind a kettő csere 1M ről 100K ra?
Köszi a segítséget!
Na müködik, kösz a segítséget mindenkinek. Itta müködő nyák rajz.
A tanulság: a megaohm M-je, a kiloohm k-ja tizedes vesszőnek tekintendő. 1M5 -> 1,5M; 4k7 -> 4,7k.
Tudnátok mikrofon elöerösítöhöz erösítö kapcsolást küldeni? Vagy minegy hogy milyen erösítö kell hozzá.
Az előerősítőt mindegy milyen végerősítő követi. Szerencsés, ha az előerősítő kimenő feszültsége épp elegendő a végfok teljes kivezérelhetőségéhez.
Egy egyszeru erositot szerettem volna kesziteni ami egy PC mikrofon jelet erositi annyira, hogy szinten egy PC headset-ben legyen hallhato.
/* a PC mikrofon erositett jelet majd egy mixeren keresztul kevernem egy gitar eloerositett jelevel, csak infokep */ A lenyeg hogy kineztem egy eloerositot a PC mikrofonhoz ami ez lenne: Illetve ennek a kimeno jelet egy LM386 -os eoritovel akartam erositeni hogy a headsetben hallhato legyen: Egy 9V -os elemrol taplaltam meg de egy 5 sec-es ido utan csak ismetlodo kattogast hallok a fejhallgatoban. Megszakitottam az eloerosito kimenetet az erosito bemenetetol es rakotottem a headsetet az eloerosito kimenetere -> hallatszott, persze halkan ahogyan a mikrofonba beszeltem. Ha a headset az LM386 kimeneten volt ugy hogy az eloerosito le van kapcsolva akkor is hallom azt az 'egeszseges' alapzajt amit egy erosito bekapcsolasa eseten hallhato bemeneti jel hianyaban. Illetve ha piszkalom a bemenetet akkor hallatszik a felerositett zaj. Probaltam azt is hogyleszedjem a kondit az 1 es 8 pinrol a LM386 -rol hogy ne legyen akkora erositese. Akkor hallok valami torzitott zorejt amikor beszelek a mikrofonba (eloerosito rakotve LM386-ra). Az eloerosito es erosito kozt nem hasznaltam a potmetert hanem a 22µF -t kotottem egybol a LM386 3-as pinjere Mi lehet a gond ezzel a kapcsolassal ? Ket kulonbozo forrasbol vettem ugyhogy azert nem vagyok biztos benne hogy igy egyutt mukodnie kene vagy valami tuning szukseges meg. Koszonom elore is a tippeket !
Szia!
Az LM386 nem az egytranzisztoros erősítő kategória. Hétvégén csináltam egy olyan LM386-os erősítőt én is, engem a bontott kimenő kondi tréfált meg. Halk volt és torz, kicseréltem és majd lerepült a fejhallgató a fejemről. Óvatosan érintsd meg az ujjaddal a 3-as lábat, hogy búg-e a hangszóró. A másik, hogy szerintem 200-as erősítésnél nem kell a PC-mikrofonnak előerősítő, próbáld ki úgy, hogy azt kihagyod. Természetesen a mikrofon ellenállásával (4,7k) és a csatoló kondijával együtt.
Szia Teddysnow !
Koszi szepen ! A 'bontott kimeno kondi' alatt melyiket erted ? Az LM386 5-os labara kotott 1000µF -osat ? Az en esetemben az talan 100µF vagy valami hasonlo, biztos nem 1000 mert mas kapcsolasi rajzbol vettem az ertekeket de a kapcsolas ugyanez. Illetve mirol mire cserelted ? A kapacitassal volt baj vagy a kondi minosegevel ? Azt hogy direktbe kossem a PC mikrofont a LM386 probaltam de a 2x10µF -os es 4,7K -s ellenealas nelkul. Talan egy 0,1µF -os kondival sorba kotve probaltam, de majd kiprobalom a 2x10uf + 4,7K -val Koszi ! Illetve ahogy mondtam az egeszet azert csinalnam hogy tudjam osszekeverni a mikrofon illetve egy gitar jelet. Az altalam valsztott mixeralkalmas lehet erre? Arra gondoltam hogy R1 -re menne a preamp out 22µF kondija illetve R2 -re a gitarjel es a mixer C2 -jet meg a LM386 3 -as labara kotnem.
Szia!
A kimenő kondi az 5-ös lábról megy a hangszóróra. Az én esetemben azért bontott, mert használt, rossz volt, nem működött. A "PC mikrofon" nem működik ellenállás és tápfesz nélkül. |
Bejelentkezés
Hirdetés |














