Fórum témák
» Több friss téma |
Sziasztok!
Segítségeteket szeretném kérni!! Hogyan tudnák átalakítani egy 300W-os ATX-es tápot , hogy tudjak róla hajtani 2X100W-os erősitőt aminek tápfesze 2X50V egyenfesz. Minden megoldás érdekel. Válaszotokat előre is köszönöm. Roland
A keresés gombbal.
Locking thread in... 5 4 3 2
Át kell tekerni a trafót, ami nem egyszerű,mert impregnálva van. Csak akkor fogj hozzá, ha van benne némi gyakorlatod...
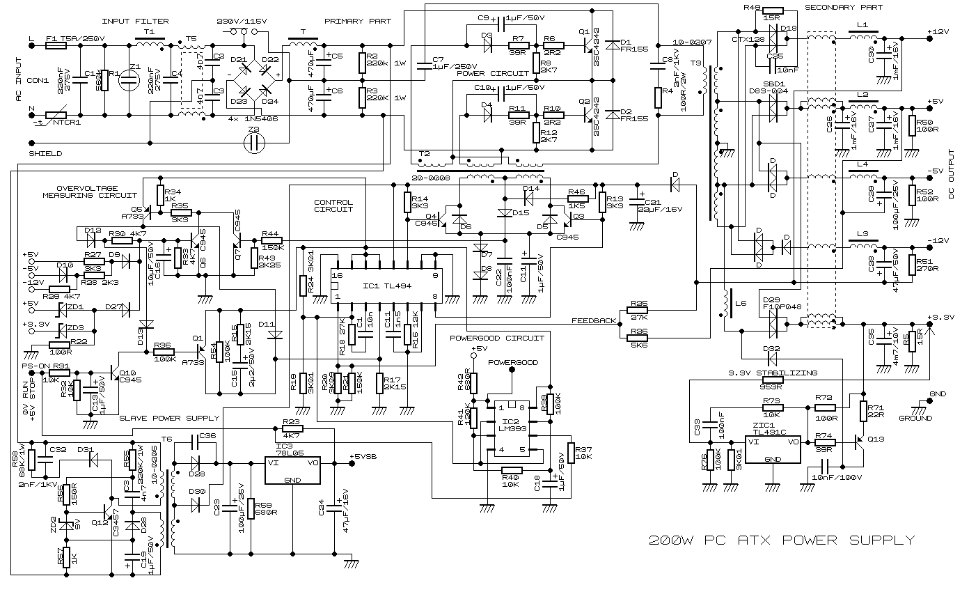
Igen, de kell hagyni rajta egy 5V-ot szerintem, mert azt figyeli a táp.
A visszacsatolást át kell kötni az 50V-ra megfelelő ellenállásosztóval, akkor nem kell az 5V-os ág.
Nemcsak a trafó a gond, a kimeneti diódákat is ki kell cserélni, mert a 100V+tranzienst az eredeti diódák nem szokták birni.
a primer menetszáma jó (30), a szekunder-t kell kb 20 menetre áttekerni, nagyon szorosan mer sípolni vagy zörögni fog. 5V -nak meg elég kb. 2 menet
És ahogy előttem írták a kettősdiódákat ki kell cserélni erősebbre, és ha nem akarsz egy 5 voltos tekercset akkor a visszacsatolsánál lévő ellenállásokat kell módosítani. és akkor 50 voltot figyeli... üdv
Ja, és a primer és a szekunder legyen alaposan elszigetelve egymástól mert külömben átkerülhet a 230VDC a szek. oldalra és az sok kárt tud okozni
Így igaz. Ha meghagynánk az 5V-ot, hogy arról szabályozzunk, akkor nem lesz stabil a kimenet, hiszen MINDIG A LEGNAGYOBB terhelésű kimenetről KELL a feszültséget (leosztva) visszavezetni a szabályzókörbe (általában TL494 1-es láb)
Sziasztok!
A tápomhoz a gyári kapcsolást nem találtam meg csak 1 hozzá hasonlót. A vissza csatoló ellesnállások az R25,R26 ellenállásokat kellene kicserélnem??És az egyenirányitó diódákat?? És kb mekkora keresztmetszetű vezetékkel kéne megtekerni a trafót??
Igen, azokat mindenképp, meg ha jól látom, az R20 és az R21 is cserére szorul majd. Ha tévednék javítson ki valaki.
az értékeket nem tudom... üdv
Szerintem meg ne is fogj hozzá mert meg lehet oldani de a tápod az átalakítás után már negyed annyi teljesítményt sem fog leadni legalábbis ugyanazon magméretű és ugyanazon kapcsolótranyóvan szóval át kellene tervezni az egészet és némileg nagyobb méretű trafót de ez már bonyibb.
Ha megnézed a táblázatot egy szg táp mindíg a legkissebb feszen adja le a legnagyobb áramot. A másik ami fontos maradj csak egy toroid trafónál erősítő ügyben. Lehet hogy létezik kapcsolóüzemű táp erősítőben de az jóval nagyobb áramra van tervezve nem elég csak a trafót meg a diódákazt lecserélni. Szerintem ha van ilyen azt is inkább kis teljesítményű erősítőkben alkalmazzák. De utószó ként egy pc tápot nem éri meg átalakítani a mérete meg nem igazán lenne kissebb mint egy toroidé, ha már csak a panel méretét nézzük. maximum sújra könnyebb. Idézet: „Szerintem meg ne is fogj hozzá mert meg lehet oldani de a tápod az átalakítás után már negyed annyi teljesítményt sem fog leadni legalábbis ugyanazon magméretű és ugyanazon kapcsolótranyóvan szóval át kellene tervezni az egészet és némileg nagyobb méretű trafót de ez már bonyibb.” Le tudja adni ugyanazt a teljesítményt átalakítás után is. Az egy dolog, hogy a kisebb feszültségen tudja a nagyobb áramot a táp eredetileg, de csak azért, mert így tekercselték meg a trafóját.
lehet hogy igaz de ez próba kérdése.
Bár ha ez ilyen egyszerű lenne már mindenki átált volna erre a verzióra. Ám legyen. Ha sikerül valakinek és hiba nélkül megy a 2x 100-as erőlködő akkor én is ezt fogom tenni . Kíváncsian várom az eredményeket. Magán jellegű megjegyzés (szerintem halott az ötlet) Bár ne így legyen.
A trafó szétszedése és áttekerése kürölményes, ezért szerintem is eléggé halott ötlet, de nem lehetetlen.
Megpróbáljuk azt lesz ami lessz.
Szerintem működni fog vagy legalábbis remélem. Azér ezt a megoldást választottam mert sehol se találtam toroid trafót az erősítőmhöz és mivel othon porosodott egy táp gondoltam átalakítom. A másik megoldás amire gondoltam hogy egy autóba való kapcsolo üzemü trafot alakítok át 230V-ra,mert ebbe tényleg nincs annyi alkatrész tehát kisseb a hiba lehetőség is.
A kapcsolóüzemű tápok hálózati oldalával van a legtöbb macera, mire az ember belövi stabilra a működést. A primer oldalon egy kis rendellenesség rögtön a félvezetők halálát okozza. A szekunder oldal ebből a szempontból kevésbé problémás. Hacsak nem akarsz egy marék tönkrement félvezetőt dísznek, ne nagyon állj neki a hálózati oldalának. Inkább próbáld szétszedni a trafót.
Én csak azt tudom mondani hogy sok sikert hozzá, DE:
Olvasd el a kapcsolóüzemű táp 230V-ra című topicot, láthatod hogy ez nem olyan hogy összerakom és kész típusú project, az első ránézésnél sokkal bonyolultabb.... A trafó szétszedhető könnyen, mikrohullámú sütőbe rakással, szépen meglangyososdik és széthúzható. De erre már nem fog ráférni annyi menetszám hogy kiadja az 50V-ot. Ráadásul illene a skinhatással számolni, tehát több vékony huzalból álló tekerccsel illene megtekerni a minimum a szekundert. (a vékony huzalokat össze lehet sodorni akkus csavarozóval...) Tehát kell új vasmag is. Ez mondjuk lehet az ETDxx sorozatúból valamelyik. ezeket szokták használni kapcsolóüzemű alkalmazásokban. Mivel más a vasmag, és sokkal nagyobb a terhelés (meg a frekvenciát is módostani kell a vasmag igényei szerint) emiatt ki kell cserélni a trafóval párhuzamos RC-tagot és a primeroldali tranzisztorokat erősebbre, vagy FET-re. Ha viszont kicseréljük, akkor meg a vezérlést kell átépíteni erősebbre, illetve másra. Szóval gyakorlatilag körbeértünk a tápon, ha valamelyik nincs normálisan megméretezve, kivitelezve akkor könnyen csatt lehet a vége....
Szerintem rá fog férni a magra. 50V 6A-hez kevesebb anyag kell, mint 5V 60A-hez, mert a melegedés az áram négyzetével arányos, ezért a veszteség jelentősen kisebb lesz a szekunderen, lehet vékonyabb vezetéket használni.
És kb. mekkora keresztmetszetü vezetékből kéne tekercselnem?
Három esetleg négy szál 0.5 négyzetmilliméteres drót elég lenne.
félreértések elkerülése végett potyo mm^2 et írt .
tehát nem 0,5mm es CuZ hanem gyök(4*0,5/pi) =~ 0,8mm es ből kell 4 darab!! szerintem a 0,8mm az túl vastag 0,5mm vagy alattiből kellene ... csá
Szekunderen ez 2X20 menet vagy 2X10 menet?
sziasztok
én egy nem tudom milyen, de annál inkább tápból szeretnék csinálni labortápegységet. Mivel egy olyan ugye van neki: Föld, +- 5 ,+-12 meg még asszem van valami de nem jut szembe ![]() Mit lehet ebből szerintetek kihozni?
Sok mindent lehet, de van konkrét elképzelésed mit szeretnél? Egy PC táp feszültségét maximum 25Voltig lehet átépítés nélkül tuningolni, labortápként max ennyit tudna leadni. De ahhoz ezt a tápot maximum a trafó helyett tudnád használni, a labortáp áramkörét meg kéne építened.
Üdv!
Hi
Láttam már ilyen labortáp áramkört egy párat. azok viszonylag egyszerűek voltak. Állt egykát feszültség stabilizátor ic-ből, tranyókból meg ellenállatokbol. azokat azért seperc alatt megcsinálom. csak akkor vannak gondok mikor nagyobb méretű nyákot kell csinálni filcel ![]() tehát ha tudsz segíteni a megépítésében akkor nagyon hálás leszek! Ja tápegység még nincs, de hamegmondod milyet vegyek és hány wattosat beszerzem! kössz előre is
Hali!
Nevessetek ki de én talán a legegyszerűbb, de nem feltétlen a legjobb megoldást próbáltam ki. Semmit sem csináltam, alakítottam át a tápon, csak kihoztam belőle a két (+,-) 12 volthoz kelendő négyszögjelet és egy másik tápból kimentett ugyaolyan EI33-as trafó primer oldalát tekertem át + egyenirányítottam meg. 2x50w-es műhely erősítőmet kiválóan kihajtja...
Hali!
Az lenne a kérdésem, hogy egy régebbi tipusu ATX-es tápnál, hogy lehetne növelni az a határt aminél túlzott áramfelvétel esetén lekapcsol? Vagy nekem még az is jó lenne, hogy lekapcsolás után kis idővel induljon újra, mert ez csak ha kihúzom a hálozatból akkor indul újra! Aki tud segítsen! Köszi!
Senki sem tud ezügyben segíteni nekem?
Ja és még az is érdekelne, hogy lekapcsolás nélkül hogy tundám felhúzni a feszt olyan 15 volt környékére, mert a potit lecseréltem, de 14 volt elött nemsokkal lekapcsol! Valahol olvastram itt az oldalon róla, de sajna nem találom a topicot!
Haliho, Találtam egy linket sok leírással és rajzokkal, remélem újat mutatok:
http://www.chirio.com/switching_power_supply_atx.htm |
Bejelentkezés
Hirdetés |














