Fórum témák
» Több friss téma |
Az az igazság, hogy nekem két 4es molexről megy adapterrel a grafikus, ahogy összeraktam a konfigot, azóta. Két 12Vos köre van, de hogy mi mire van kötve, azt nem jelölték. Szóval nem tudom biztosra, hogy most összezártam vagy sem, az elmúlt években nem panaszkodott.
Írod, hogy nem valósan független a két kör. Valószínű, hogy külön egyenirányítva és szűrve van, lehet, de nem biztos a külön tekercs a trafón. Ha terheled mind a kettő, nem volna szabad hogy legyen különbség a feszültségekben. Visszafolyás nem lehet, esetleg átfolyhat a másik ágra akasztott egyéb fogyasztóra. Ha valamit jobban terhelsz jobban esik a feszültség, több fog a másikról folyni, nem két elemet kötél össze, hogy egymást merítsék
Köszi,
én is úgy gondolom ahogy írtad a végén, hogy elvileg közösíthetem a 2db 12Voltos ágat, lehet már a tápon a nyákon össze cinezem a 2 csonkot. Pont az a gondom, hogy nem tudom az általad írt módon molexekről rádugni az áramot a VGA-ra mivel nekem a VGA-n nincs külön áram csatlakozó azt gondolták hogy minek az oda az alaplapról jön majd elég...Így az alaplapi 8pines CPU 12Volt csatlakozóról tápolja a VGA-t is meg a CPU-t is, arra meg full terhelés alatt kevés lesz a 160-180W az tuti, a molexes kör meg nem islenne nagyon terhelve csak 10-20wattal... Nekem sem írták rá, hogy hogy van a két kör és nem is jelölték, ezért belenéztem a tápba és akkor vettem észre, hogy az egyik kör 12Voltos vezetékei sárgák vékony fekete csíkkal, ugyanoda beforrasztva a másik kör a síma sárga máshova beforrasztva. Kimérni is kimértem multiméterrel. Eddig még nem mertem közösíteni, de ahogy instabil lesz a rendszer vagy nem engedélyezi mind a 4 magot stb. kipróbálom hátha jó lesz közösben. Most még az integrált VGA-val szerintem nem lesz gondom, de ha megjön a PICe VGA már figyelni kell a körökre. Itt van egy mérés, hogy igazából mennyit is esznek ezek, nem csak annyit amit az ember itt ott olvas: Bővebben: VGA fogyasztás chart A hozzászólás módosítva: Jan 31, 2013
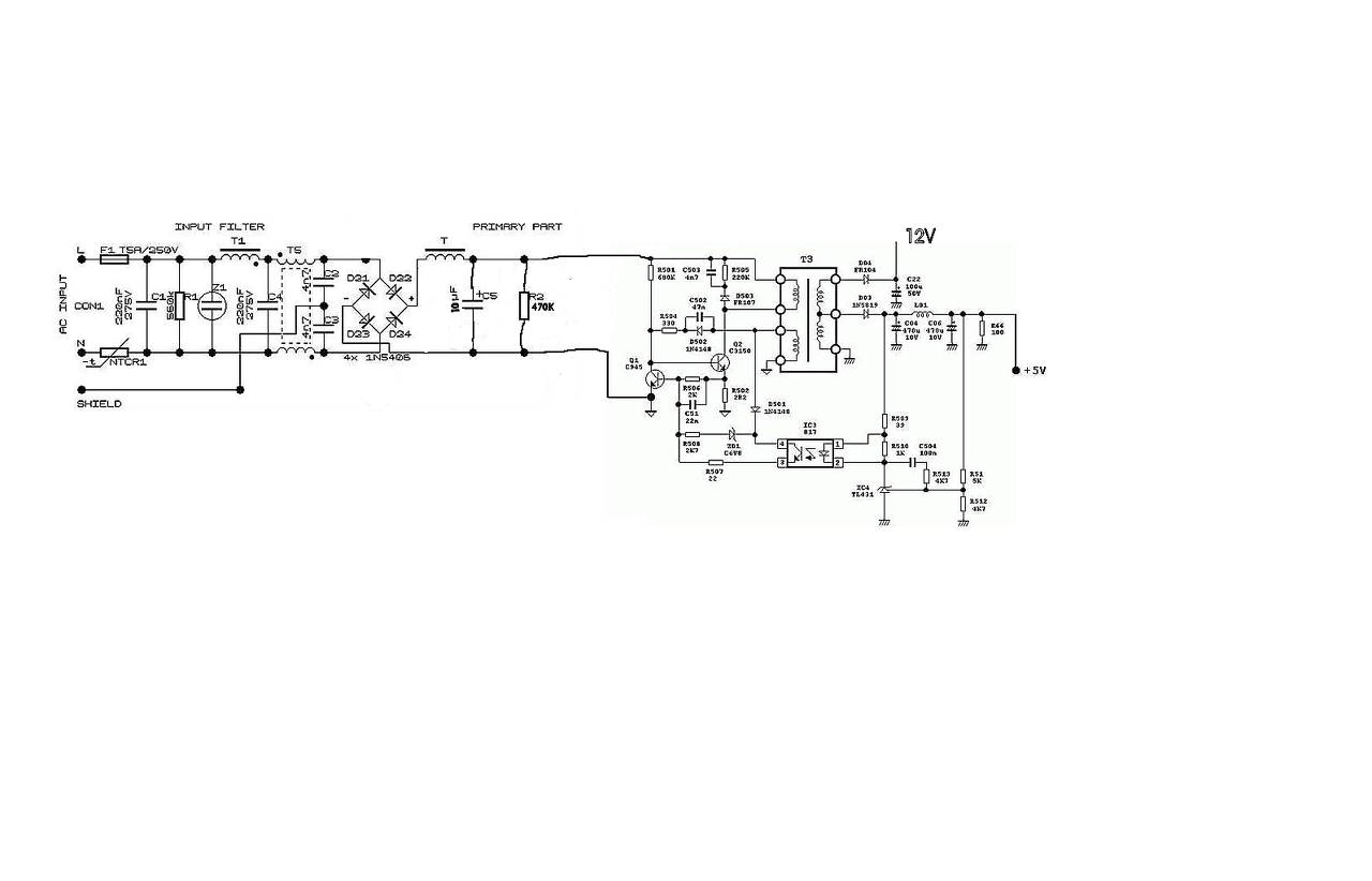
EZT találtam véletlen. Aki tudja mit kell hozzá vennem feltétlen írja le
vagy hogy egyáltalán meg lehet-e csinálni.
Üdv Mindenkinek!
Az alábbi ATX Táp-hoz ( SKY HAWK CTX-230WCE ) szeretnék kérni átalakítási segítséget. A lényeg: stabil +12V kéne tartósan, változó áram erősségben ( 0,5A - kb 8A ig ), s hát itt van ez nagyszerű működőképes táp, s ezt szeretném használni. ( Ha esetleg kis átalakítással van rá mód váltózó (manuálisan) feszültség elő állítására pl.: +1-12V, akkor esetleg arra is várok ötletet. ) Igaz javítottam, mert egynéhány kondi ki volt száradva, de lassan majd az összest kicserélem benne, ha szükséges még. Az IC benne ami látszik: 16ARJ2M TL494CN Azt szeretném megkérdezni, hogyan tudom rávenni a tápot, hogy tartósan adja majd váltózó terhelésnél a +12V-t (-12V nem szükséges) . Ha esetleg még a +5V, és +3,3V -t is tartósan adja majd amennyit tud az is jó lehet. Mit kell módosítani, és hol? Ha be van kapcsolva ( Zöld-test) akkor szépen beindul, s mindenütt stabil fesz van. Köszönöm a segítséget, és az ötleteket. valamint egy esetleges kapcsolási rajzot, is megköszönök. A hozzászólás módosítva: Ápr 21, 2013
Mivel ez egy PC táp, így tartósan adja a 12V-ot, akár 8A-en is és változó terhelés mellett is. Az 5 és 3,3V-ot is. Mit akarsz ezen még változtatni?
A megfelelő topik: Bővebben: Link és cikk: Bővebben: Link A PC táp 230V-os hálózati feszről működik és kapcsoló üzemű, ezért inkább csak akkor nyúlj hozzá, ha értesz is ehhez, mert átküldheted az örök vadászmezőkre a tápot és magadat is. A hozzászólás módosítva: Ápr 21, 2013
Valaki épített e már ehhez hasonlót? Ezt egy ATX kapcsolásból ollóztam. 230V-ról 12V 1-2A -re volna szükségem. A Standby trafóról jön le +5V és +12V. A +12V-os rész tud 1 A-t? Vagy át kell tekercseljem vastagabb huzallal?
Hello
Avval a kérdésel fordulok hozzátok, hogy hogy lehetne AT-s vagy ATX tápbol akumulator töltö? Ami kell nem zselés de a zselés is érdekell!? És most itthon ATX tápom van!
Szia! Tutira nem tud 1A-t. Átalakítani meg nem érdemes annyira pici és figyelni kell nagyon a szigetelésre.
Sziasztok! Van egy ATX tápom, amit egy 2003 nevű IC vezérel, ismeri valaki?
A -12V os oldalát a tápnak akartam erősebbé tenni, kicseréltem a gyári 3 darab diódát, helyette raktam 2 erősebbet, raktam másik folytót (rossz PC táp +12V os oldalából), illetve nagyobb értékű LOW-ESR kondit. Kapunyitó elektronikához kellene a táp és 24V-os motrokat vezérelne, a kapunyitó elektronika 12V-ról megy. És az volna a kérdésem, hogy a +5v standby részből nem lehet valahogy 12V-ot kinyerni? Mert én tranzisztorokkal kiegészítettem már a kapunyitó modult, hogy ha megnyomom akármelyik gombot(2 kaput kapcsol külön, 4 relés), nem csak a relét húzza be a motroknak, hanem adna GND-t a POWER-ON résznek az ATX táp bekapcsolásához. A hozzászólás módosítva: Ápr 7, 2015
Hello!
Van egy WTX tápegységem. Az lenne a kérdésem, hogy ebből hogyan lehetne egy állítható áramkorlátos, állítható feszültséggel rendelkező tápot csinálni?
Ezt már megtaláltam. Engem az áramkorlát átalakítása érdekelne.
Ez esélytelen, a -12 sehogy sem lesz jobban terhelhető, inkább a szabályzást kellene átalakítani, hogy a 12V legyen 24V, de kapnyitóhoz ez nem valami stabil megoldás. Javaslom, hogy szerezz be valami rendes tápegységet hozzá.
A PC táp átalakítós topikban találsz rajzokat, leírást. Nem mindegy hogy milyen vezérlő van benne, illetve mire akarod használni. A 494-est a legegyszerűbb átalakítani, akár labortáppá is (nekem 3 is van belőle, kb. 1-26V / 40mA-7,5A). Illetve kivehető belőle akár 100V is, de azt már nem fogod tudni nulla közelébe leszabályozni. Viszont az induktív terhelést (pl. motor) egyik sem fogja tolerálni, mivel ezek hagyományos pwm vezérlők és nem árammódúak, vagyis a túláram csúcsok szépen tönkreteszik a teljesítmény félvezetőket.
Kérdezném ATX tápot alakított már át valaki 65 vagy esetleg 80 V-osra?
Elektromos kerékpárhoz kellene töltőnek. Azzal tisztában vagyok, hogy a trafó szekundert át kellene tekerni...
Sziasztok!
Van elfekvőben egy MS Industrial Platinum MS 400 ATX P4 tápom. Azt szeretném megvalósítani, hogy legyen egy fix 5V-os, egy fix 12 V-os és egy 0-12 V-os változtatható feszültségű kimenetem. Valamint szeretnék a változtatható kimenetnek egy fesz mérőt is. Ezen felül mindegyik kimenethez, ha megoldható egy áram határ jelző LED-et, hogy véletlenül se terheljem túl. Érdekelne, hogy a fesz szabályzást milyen alkatrészekkel oldhatnám meg (a poti egyértelmű), illetve a kapcsolásban kérném még a segítségeteket. Ha van hasonló bejegyzés, akkor kérlek linkeljétek. Köszönetem. A hozzászólás módosítva: Feb 23, 2018
Szia! Szerintem kapcsold be a tápot a zöld és fekete összeérintésével és voila: van fix 5V és 12V. Túlterhelés esetén a táp kikapcsol, a zöld és fekete újra összeérintésével lehet ujraindítani. Valahol a feedbackban tuti lehet olyan feszt leosztani, hogy a táp túlterhelés kikapcsolása előtt felvillanjon egy LED. Ha változtatható feszültségű kimenetet szeretnél, akkor úgy emlékszem a túlterhelés elleni védelmet hazavágod. de javítsatok ki ha tévedek.
|
Bejelentkezés
Hirdetés |




azt gondolták hogy minek az oda az alaplapról jön majd elég...
vagy hogy egyáltalán meg lehet-e csinálni. 











