Fórum témák
» Több friss téma |
Sziasztok !
Szeretném a segítségeteket kérni egy 6V-ból 12-14,5V feszültség előállítására alkalmas inverter építésében. Eléggé kezdő vagyok a témában ,ezért szívesen fogadok bármilyen segítséget(esetleg komplett kapcsrajzot is ) Válaszokat előre is köszönöm ! Ui.: Tudtok ajánlani az elektronika támakörébe tartozó könyvet ?
Hány amperra kell? amit csatoltam az kb fél ampert tud
A kimeneti oldalt kb 7-8 A-val lehessen terhelni. Motorkerékpárra kell ,az első fényszórót szeretném róla meghajtani.
ihh, akkor nem tudok segíteni, vegyél 6V-os izzót...olcsóbb és egyszerűbb
Az a baj ,hogy nem kapni olyan izzót ,ami nekem megfelelő lenne. A 6V 45/40W-s izzó helyett szeretnék egy H4 12V 60/55W-s izzót(esetleg R2 12V 45/40W-s halogént ) Azon a kapcsolási rajzon ,amit belinkeltél , mit kéne módosítani ahhoz ,hogy nekem megfelelő legyen ?
Hali!
Milyen motorban lesz ez? Nem lenne egyszerűbb a tekercset kicserélni/újratekerni?
szerintem tranyókon, szerintem ne akarj bele mást tenni, gyáit tegyél, nem nagyobb égőhöz van az tervezve, ha gyári és működik hagyd úgy, haslogénnek megint nem látom értelmét
, nagyobb értelme van egy ledes hátsólámpának
Miért is nem látod értelmét a halogénnek?
Sokkal tisztább, fehérebb fényt ad mind a normál bilux. Ne mond, hogy a halogénnel nem látsz jobban!
Na ja ,csak a gyári fényerőt keveslem
Már a feszültségszabályzót is átállítottam. Meg a halogén ugyan akkora teljesítményfelvétel esetén jóval nagyobb fényerőt tud
csak a szemben jövőt elvakítja
Ha jól állítod be, akkor nem vakít.
szia!
azt a rajzot építsd meg amit Idézet: linkelt be csak a 7812-es stabilizátort lökd ki onnan és a helyére ezt„variszabi” tedd be a 78XX helyére ha 7812-est raksz akkor 12V-od lesz szentem ez így működne de ha nem akkor valaki mondja meg üdv! UI.: és ha kb 15V kéne neked ha pl 1 ledet berax a 7812-es GND lába és a föld közé akkor a led nyitófeszültségéve mekemelkedik a kimeneti fesz pl ha 12(stabilizált) + 1 led (3V-osnyitófesz) = 15V(stabilan)
Kipróbálok minden kapcsolást
Az általad módosított kapcsolás kb hány A-t tudna leadni ?
Azzal a BD246-tal 10A lehet a max. Érdemes inkább BD250-et használni, mert az 25A-t bír.
Persze hűtés mindkettőre kell.
A belinkelt kapcsiból az életben nem szedtek ki 8A-t. Nem a stabilizátoron bukik el a dolog, hanem előtte..
szia!
de minek kell 7-8A nekünk van 12V/55W-os halogén és csak 3A-el világít
szia!
ha párhuzamosan kapcsolja a tranyókat akkor kiveheti nem?
7-8A azért kell ,mert minden elektromos alkatrészt bizonyos szintig túl kell méretezni. Meg azért is ,mert késöbb lehet ,hogy bővítem a rendszert
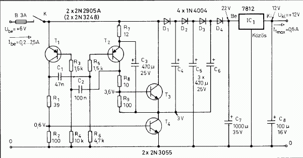
Az egyik előző hsz-emhez mellékeltem egy általam átkokányolt kapcsolást
Megszakértenéd ?
Ez sem jó...
1., nagyon fel kellene nyomatni a feszszabályzót, hogy elbírja a diódák veszteségeit is; 2., ezek a diódák hamar elfüstölnének; 3., a stabilizátor megint elvinne belőle, de annak kellene is tudni ezt az ampert (!) üzembiztosan; 4., a kondis megoldás 4 amperre nem szerencsés; 5., H4 12V 60/55W ?? a + energiát meg is kell termelni a dinamónak, meddig bírná, ha nem erre tervezték? Pl. ~7 voltról kellene égőtől függően 55-80 watt bemenő a hatásfok miatt, ez 8-12 amper... Keress az oldalakon step-up invertert , találsz biztos, max. más megfogalmazással.. így nem kell utószabályzás, hanem az átalakítás közben van beállítva a kimenőfesz. Az igazi az lenne, ha egy trafós ( inverteres ) megoldással csinálnál kb. 5 volt DC-t és azzal megfejelnéd a kb 7 voltos bemenőt, így csak a + 30-35 wattot kell "átalakítanod".
Az Mz dinamóját oldakocsiüzemre méretezték ,emiatt eleve többet tud ,mint amennyinek egy szóló motornak szüksége van. Ráadásul nagyon túl van méretezve ,120W-t simán le lehet róla venni tartósan. Eddig a szbályzó átállításával sikerült kihozni belöle 150W-t is ,de azt már nem nagyon honorálta a D+ szénkefe vezetéke.
Csak a reflektort akarod üzemeltetni 12 voltról?
Mint már írtam, keress egy neked tetsző inverteres megoldást... kondis többszörözőt felejtsd el.
A sima stabilizátoros dolog felesleges is meg minek... az +15-20 watt legalább és oda először meg kellene csinálnod pl. 14 voltot 8 amperre... Idézet: „Mint már írtam, keress egy neked tetsző inverteres megoldást” Na igen ,de éppen azért kérem a segítségeteket ,mert ehhez süsü vagyok Tudnál ebben segíteni ?
Írd be a keresőbe, hogy "inverter", találsz 50 oldalt, olvasd végig és ha semmi jó nincs, akkor szólj... de nem lesz egyszerű.
Én most tekertetem egy fűkasza motort álló és forgó részt 7500Ft. (azért nem csináltam, mert a forgórészt ki kell egyensúlyozni)
És azért írtam, nem lenne egyszerűbb, a dinamót át tekerni? Mert akkor az akkumulátort, égőket, feszszabályzót, és a gyújtó trafót cserélni kell. De nem kellene keresni helyet a inverternek, ami a hűtő bordák miatt elég nagy lenne, és a alkatrészek rázkódása is gond lesz majd, és a vízről ne is beszéljek. Elvileg bármelyik 12V/230V/150W lehet használni, csak a trafón a 12V-ra adott menetszámot felezni, a vezeték vastagságot növelni, a 230V adott menetszámot 16-od részére választani, és a vastagságát növelni. A kapcsoló FET, vagy tranzisztor áramát ~24A kitolni és kész. Árba az inverter, ha egyébként nem cserélnél, akkumulátort olcsóbb. Hosszú távon, márt nem vagyok biztos benne. Több meghibásodási, lehetőség. |
Bejelentkezés
Hirdetés |





, nagyobb értelme van egy ledes hátsólámpának






