Fórum témák
» Több friss téma |
Sziasztok! Hozzám került a megnevezett oszcilloszkóp és sajnos nem működik benne az eltérítő fürészgenerátor. Ha külön X bemenetet adok neki akkor minden működik. Ha valaki kapcs rajzzal vagy ötlettel tudna segíteni azt megköszöném. Google-el nem találtam rajzot hozzá meg sajna nem tudok oroszul
Szia!
Ez a kör, vagy a szögletes képcsövű? Mert a szögleteshez van valahol rajzom. (Sajna tipusszám szerint most nem ugrik be a kép )
Ez a szögletes képcsövű. A benne lévő alkatrészdátumok alapján 88-as gyártmány. Szerencsére szilicium félvezetős. Olyan zsúfolt a belseje mint egy VL-100 de nem annyira szerelhető ezért kapcs rajz nélkül nem nagyon merek benne garázdálkodni. Gondolom az elkókat alapból lehet cserélni mert gyárilag is rossz minőségűek meg már öregek is.
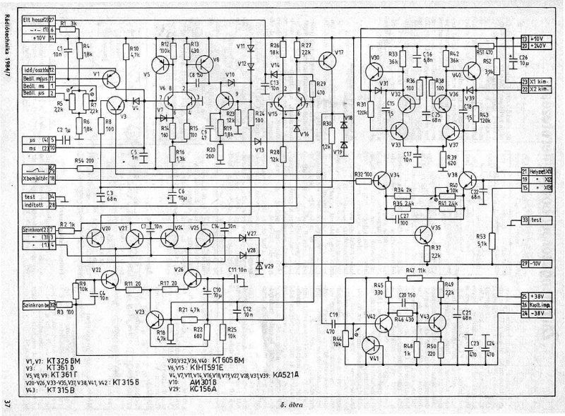
Hello, a 84 jún-júliusi RT leközölte az OML-2M-et. Ha jó ez is, elküldhetem az egész cikket....
De nézd csak mit találtam! Ötlet: ellenőrizd az időalap és a külső-belső eltérítés kapcsoló kontaktját.
Köszi a doksit, látom rajta vannak a mérőpontokon a feszek is. Gondolom nekem csak a jelgenerátor rész rossz mert külső jelről működik a vízszintes eltérítés. Talán lessz időm ma ránézni.
Mire megkerestem, beszkeneltem, megelőztél
!
Mérőpontokon az egyenfeszek rendben vannak. És a tranyókon is. A kapcsolók is jók. Ez külön tudomány az orosz cuccok javítása
Itt van leírva a fűrészgenerátor működése...
Ugyan még nem működik de van egy gyanú hogy mi a rossz. Kimértem az összes félvezetőt és mind jó de találtam egy alagút diódát amin mindkét irányba 10mv-ot mutat a diódavizsgáló. Ellenállásmérővel pedig 11ohm mindkét irányba. Szerintem ez nem természetes! Most egy munkatársamhoz került a szerkezet, az övé lesz majd de együtt javítjuk. Milyen másik alagút diódát tehetek bele? Ez nem egy gyakran használt alkatrész ez a spec. dióda.
Már nálam van ez a szkóp. Már van eltérítés, de közel sem működik megfelelően. Alacsonyabb frekivel nem térít ki teljesen, magasnál nem hagyja magát indítani, szabadonfutó lesz. Szinkron sincs. A freki szabályzó szabályozza az amplitúdót is (vagy fordítva, nem tudom eldönteni azt sem, hogy eredetileg mit kéne szabályozzon, de a kettőt egyszerre biztos nem.), és egyéb működési anomáliák is vannak. Jani a tunneldiódára gyanakodott, nekem is gyanús az áramköri elem. Mivel lehetne pótolni? Sajnos itt "minden összefügg mindennel" típusú áramkörrel találtuk magunkat szembe.
Üdvözletem!
Vettem egy ilyen "csodát" én is,viszont meggyűlt vele a bajom:Ha a vízszintes pozíciót állító potit teljesen balra tekerem,a vonal csak a 2-3 raszterig hajlandó elmenni,a függőlegeset pedig teljesen fel,akkor csak a 0-1 raszter között áll.Ebben az állapotban is lehet vele mérni,de ez nyilván nem normális! Egyébként nem mindig tanusítja ezt a viselkedést,van amikor teljesen normálisan működik.Mi lehet a probléma? Köszönettel:Máté. |
Bejelentkezés
Hirdetés |




(Sajna tipusszám szerint most nem ugrik be a kép
) 
!

