Fórum témák
» Több friss téma |
Üdv! Van nekem egy pentium 2-es 200w-os ATX tápegységem és az a gondom vele hogy csak az alaplappal tudom bekapcsolni.Hogy lehet bekapcsolni ezt a tápot alaplap nélkül? Egyszerű megoldással? Erősítő stb meghajtására kéne.
Szia, nekem is itt segitettek par hsz-al korabban es mukodik. Beforrasztottam a zöld kábel szabad végét egy fekete helyére. (en mondjuk kivettem 2 kábel kivételével az összeset) Meg az izzó se kellett, elindult magatol szepen.
remelem neked is mukodik, de olvass vissza, mit valaszoltak nekem, en azt csinaltam nagyjabol, es jo lett. Itt ragadnam meg az alkalmat, hogy megköszonjem, a projekt mukodik, a borok hűlnek, minden ugy van ahogy irtatok, nem kellett 2 óra hogy teljesen elkeszüljön a táp. Csendes a venti, (habar azt hiszem, csak 5V-ot kap, annak ellenere h piros-sarga kozott van) Nincs izzó sem, ami jó. A Peltier siman par masodperc alatt lefagyasztj a ráspriccelt vizet. Uh köszönom mindenkinek! Örülök, hogy nem a kisebb peltiert valasztottam ugyanennyiert.
Örülök, hogy megy!
Tudnál bővebben tájékoztatni a projektről, szerintem lenne másnak is affinitása italhűtőt készíteni, nemcsak bornak, hanem egyéb üdítőknek is. A képeket is megköszönnénk. A hideg "bambi"-t kortyolgatni a számítógép mellett nem egy rossz dolog. Tapasztalatok a hűtésről? Mekkora a "kisebb peltier"? Miből csináltad? stb.
Szia, kepek meg nincsenek, mert a fa doboz meg keszul, egyelore csak hoszigetelo lapok vannak, ami persze bűnronda, de tesztelni jó.
Felteszem a 3D tervet amit csinaltam hozzá. Kepek lesznek, amint vállalható a kinézete is. De a elektronikai reszt szivesen leirom. Mint irtam, nem vagyok elektromuszeresz, meg a hobbim sem ez, hanem inkabb a famunkák. De mivel szeretem a borokat es tonkrement a borhűtőm, elkezdtett tetszeni a boros téma, és kilyukadtam a peltiernel, amit a kisebb otthoni borhűtők használnak. Itteni és mas forumbeli társak adtak a lokest, hogy belevégjak. Az egész elektronika fő egységei számítógép alkatrészek. Maga a peltier egy 136W-os 40x40 mm-es lapka, ezt a vateran vettem 3000ért.Ehhez a meleg oldalon csatlakozik egy xilence procihűtő ventivel valamint a belső oldalon egy xilence VGA hűtő 40x40 mm-es bordával és ventivel hogy keringtesse bent a levegőt. Az egészet egy univerzális hőfokkapcsoló vezérli, mely max. hőfokon kapcsol be. (azaz ha tul meleg van, bekapcsol) Mivel minden 12Vról működik szereztem egy 12V-os tápot ami 18A-t tud (400w-os ATX) ezt a fentebb leirtak szerint leegyszerűsítettem és igy halkan pörög a venti, és ad 12V-ot, semmi mást. A könnyebb szereléshez csináltam egy pici kapcsolást egy NYÁK-ra, hogy a termosztát megkapja a 12V-ot, valamint a 2 venti és a Peltiert a termosztat kapcsolja. Fontos volt, hogy ne egy kábelköteg legyen, hanem szépen minden egyes alkatresz lehuzható csatival legyen szerelve. Ugy igényesebb. Rájöttem sajnos, hogy a 12V-n hajtott ventik azonban jó hangosak, igy be kellett tennem egy LM317 es Feszszabalyzot, amit szinten itt a projektek kozt talaltam, es nagyon egyszeru volt megcsinalni igy utolag. Igy mar potival "hangolható" a venti, hogy ne zugjon. Innentől már csak össze kellett dugni a dolgokat, és beszerelni. Nekem a fa majd 16mm-es tölgy lesz, nincs hőszigetelése, mert a fa sztem elég, nem lesz ez egesz nap jaratva, csak ha vendegek vannak. A peltier amugy is sokat fogyaszt, nem gazdasagos. Lehetne parafával szigetelni, ugy sokkal jobb lenne, de nekem tetszik a tölgy belső. ha sok a veszteség, akkor utólag kibélelhető majd. A szerelést ugy oldom majd meg, hogy a peltier közvetlenül a procihűtőre van illesztve és az egészet kivulrol felcsavarozom a hátlapra. a peltier alatt vágok egy 40x40es lyukat. Ezt lefedem egy rézlemezzel hogy elválasszam a kul es belteret. a peltier hideg oldala erre a lemezre van tapasztva és a proci tartócsavarjai tartják a helyén az egeészet. belülről igy a 16mm mély lyuk látszik ami le van zárva a rézlemezzel. Erre tapasztom a VGA hűtőt ami átveszi a hideg oldal hőfokát. A termosztát hőérzékelője egy pici valami, amit 2 vezetékkel vezettem be a hűtő térbe, jo messze a ventitől, igy a legmelegebb pontot méri. Mivel áramlik a levegő, gyorsan egyenletes lesz a hőmérséklet. Nekem egyelőre a hőszigetelő lapokkal jó működik, és nincs is, csak pár csepp kondenzvíz. hogy mennyire hatékony, még nem próbáltam. Csak egy-egy üveg bort tettem bele. még ki kell tapasztalni, hogy hol az ideális hőfok, mert a termokapcsolón csak 1-10 skála van, nem hőmérséklet. AMire eddig rájöttem, hogy a peltier hideg oldala annal hidegebb, minel jobb a meleg oldal hűtése. azaz ha feltekerem a venti sebességét, joval hatékonyabb.
Köszönöm!
Ha jól látom fekvő lesz a "nagy mű", az egyenletes hűtés miatt szerintem az álló kivitel célszerűbb, de cáfoljatok meg az ellenkezőjéről. A meleg levegő a kisebb fajsúly miatt felfelé áramilik, a doboz tetején levő peltier lehűti, a lehűlt levegő lefelé törekszik, ezzel megvalósítva a folyamatos levegőmozgást. Gondolatébresztőnek: ezt nézve, akár kiszuperált PC szerver dobozból is építhető lenne hűtő. Régebben voltak a mostani 17-18 cm-nél szélesebb dobozok.
valoszinuleg igazad van. nálam fontosabb szempont volt a design, és hogy beférjen egy fiókba, ha nem akarom allandóan elöl hagyni. másrészt a igy a teteje szépen faragható felületet ad. Viszont az sem rossz poén, ha valaki az asztala mellett tart egy kiszuperált ATX házat, abba minden elfér, és onnan elővenni a málnaszörpöt se rossz gag. régebben készítettem gitárból bárszekrényt az is jol mutat a falon, aki nem figyel, elsore fel se tunik neki a turpisság.
Hello!
Van itthon 2-3 régi PC tápom és szeretnék belőle csinálni egy forrasztóállomást egy egyszerű 12V-os forrasztópákához. Csak annyit szeretnék,hogy mutassa,hogy kb hány fokos a páka.Azért gondoltam a PC tápra,mert ahhoz már csak 1-2 alkatrész kellene. Valaki tudna ebben nekem segíteni? (Vagy ha hülyeséget mondtam,akkor bocs...)
Sziasztok!
Uj ATX projektem keszul (egy labortáp 24V-tal) igyekeztem mindennek utananezni, es tanacsotokat kernem, hogy jol gondolom-e. az ATX alapbol ad -5V, +5V, GND, -12V, +12V-ot.arra gondoltam, hogy a következő kimenetekkel keszitem el:5V, 12V, és 0-24V. a fix értékek egyszerűek, azzal nincs gondom. a kérdésem az lenne, hogy ha itt a kapcsolások közt leírt venti szabályzót LM317-tel megépítem és rákötök -12V-ot és +12V-ot, akkor valóban 0-24V-os szabályozót kapok? egyaltalan ez a fesszabalyzó elbírná? szerencsére nagy áramokra nincs szuksegem max 2-3A lenne. Köszönöm előre is.
Elméletileg lehet, de ha neked 1V kell 3A terhelhetőséggel, akkor számoljunk csak. A táp előállítja a 24Vot, te ezt terheled 3Arral, az 72W, ebből te 3Wot használsz, végeredmény a szerencsétlen ICnek 69Wot el kell fűtenie. A másik a PC táp az aszimmetrikus terhelést leállással díjazza.
SZia, köszi a választ. elég szélsőséges példát hoztál, de gondolom hogy megmutasd, hogy nem ideális a megoldas.
Első labortápnak készülne, mert szeretnék pár dolgot készíteni, es többféle feszültségre van szükségem. Amihezt biztosan használnám, az egy CD-rom meghajtása, amit tuti elbírna (az ugye nem is menne a LM317ről, hanem direktben a tápról), valamint egy TDA 2030-t szeretnék tesztelni, amig készül, hogy ne kelljen a 230Vtal bajlodni keszites alatt. (marmint a sajat trafoval) erre megfelelne? persze kihagyhatnám a lm317et is, de arra gondoltam, hogy ha mar hozzakezdek, jo lenne ha állítható lenne. Van esetleg arra megoldasod, hogy kenyelmesen elbírja? ja es ezzel mire gondolsz? Idézet: hogy egyaltalan nem mukodik majd, vagy csak vigyazni kell valamire? „A másik a PC táp az aszimmetrikus terhelést leállással díjazza.” köszi szepen!
Figyeltetned kell a -12Vot is hogy stabil legyen, de ha nem nagy terhelést kapcsolsz a szabályzóra akár maradhat is. Ha egyszerre terhelsz arányosan mindent akkor jó lesz. Az 5 és 12Vos rész van nagyon figyelve, ha ezeket nagyjából arányosan terheled akkor nem lesz gond. De ha csak ezeket használod, akkor a negatív ágon megjelenő esetleges túl nagy feszültségre is képes lekapcsolni. (Ha több mint 100Wot akarsz kivenni, akkor a negatív részre is tegyél egy kis terhelést)
SZiasztok
elkezdtem a tápot kialakitani, de sajnos keves a hely a dobozban. emiatt ki szeretnem venni, ami nem kell. a képeken lévő kapcsolas nekem fura. a barna-kek vezeték egy 110/230V-os átkapcsolobol jön, a fekete piros pedig a nyákban tunik el. van eg rajta egy graetz hid azt hiszem. a graetz hid gondolom kell, meg meg vmi kondi hozza sztem. a ket tekercs es a tobbi alkatresz nem csak a 110V-hoz kell? mert akkor ki tudnam venni az egeszet, es visszatenni a graetz hidat es a kondit hozza (vagy ami kell még) Szerintetek ez kiszedhető, ha sose kell majd 110 V? Es hova kössem be Graetz hidat? köszönöm
A panelon zavarszűrő, lágy indító és egyenirányító célú alkatrészek vannak
Értem, köszi szépen, ugy akkor maradnak.... ha jol latom a helyzetet, akkor ezen bizony 230V futkarozik...
köszönöm szépen!
SZia
sajnos nagyon utban van az a panel ![]() az egyeniranyiton kivul mennyire problemas, ha a zavarszürő és a lágyindító nelkul hasznalnam? vegulis nem szamitogepbe lenne, hanem labortapba. kivennem az egyeniranyitot meg a kondikat, bekötnem mas helyen, ahol nem zavar, es a többi menne a kukaba. mit veszithetek ezzel? Köszönöm!
Legjobban jársz, ha a tápot a saját dobozával együtt rakod bele a labortáp dobozába. Inkább azt méretezd nagyobbra!
A lágyindító nem zavarszűrő, hanem védelem. Ha kidobod, dobd utána a tápegységet is! ![]() A zavarszűrő nem a számítógépet védi a zavaroktól, hanem a környéken használt rádiókat, TV-ket, telefonokat a besípolástól. Na meg az erősítőt, amit próbálni akarsz róla.
Szia.
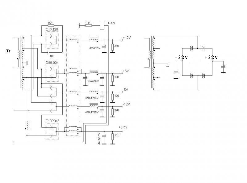
Meg lehet oldani,de csak +/-32V-ra. Mindent,hagy ahogy van a tápban, és a 12V-os dupla dióda elé rá forrasztasz két vezetéket és onnan egy Shotky dióda híddal egyenirányítod és szűröd,a közöst a táp közöséről veszed le és így lesz +/-32V és elég nagy áramerősség. Ez a feszültség már elég a TDA7294S IC-nek mi e feszültség mellet hídba kapcsolva 150W 8 ohm terhelés mellet. Itt van a rajz. Remélem tudtam segíteni. Jó építést!
Nekem egy Deer táppal gyűlt meg a bajom. A vez IC egy BAX47070310A típus jelet viselő IC de sehol nem találok rá hivatkozást a neten, és nem vagyok benne biztos hogy melyik láb mi rajta. Valsz hogy a KA7500 vagy a TL494 átnevezett verziójáról van szó. Van valami lehetőség rá hogy beazonosítsam. Vagy tudja valaki hol keresgéljek a táp kapcsolási rajza után?
Sziasztok!
Hatalmas kérdés, hogy egy ATX tápegységből hogyan lehet kb 15V feszültséget kiszedni, úgy hogy az 5VSB megmaradjon (stand by célra). Átalakítani egy LPK2 típusú 400w-os tápegységet szeretnék. Egy esetleg később kettő TDA1558Q meghajtásához használnám majd. A segítséget előre is köszönöm! Üdv McDeath
A SB-t nem érinti az átalakítás általában. (Tudtommal...)
Szia köszönöm válaszod örülök hogy nem érinti
![]() Viszont hogyan is kellene átalakítani hogy azt a bizonyos 14-15V körüli feszültséget ki lehessen húzni belőle?
Sziasztok!
Segítségeteket kérném! Csináltam egy páramentesítőt (peltier elem 92W). Ehhez jelenleg van egy 12V 5A es tápegységem. A dolog működik, de arra gondoltam, ha 15Vos táp hajtaná, akkor jobban kihasználhatnám. És itt jön a bibi, ehhez nem nagyon értek. Van néhány PC tápom, őket felhasználva lehetne építeni egy 15V 7Aes tápegységet (nem átépíteni kellene, mert fontos lenne a minimális méret)? Vagy ha nagyon bonyolult esetleg valaki nem vállalkozna a megépítésére? Előre is Köszönöm a segítséget!
Üdv.
Van egy 300W-os ATX tápom, nem akarom variálni a kimenő feszültséget, nekem a 12- és az 5V-ra van szükségem, de nem mindig egyszerre. Pl. az egyik 5V-os ágra szeretnék egy USB aljzatot rakni amivel USB-s cuccokat lehet tölteni. A saját csatlakozóitól sem akarok mindtől megszabadulni mert Winchestereknek is szeretnék tápot biztosítani, mert van egy IDE-USB átalakítóm amivel a belső Winchestereket külsőként is lehet használni. A lényeg az lenne, hogy hogyan tudnám leterhelni annyira, hogy bármikor tudjam használni, mert ha az 5V-os ágon töltök egy tabletet akkor lehet, hogy elegendő a terhelés, de ha csak sima 12V kéne valamit kipróbálni akkor valami terhelést meg kéne oldani egy kapcsolóval pl. az 5V-os ágra egy kapcsolóval kötni valamit. Nem bánnám ha nem égő, meg ilyesmi lenne. Ha valaki tud segíteni, írjon! Köszönöm! Gábor
Szia!
Az ATX tápot nem kell pluszba leterhelni. Felesleges a plusz terhelés, mert az automatikus feszültségszabályzó miatt nem tud túlfutni a feszültsége egyik ágán sem. Ergo egyszerűen bekapcsolod és működik. Üdv McDeath
Sziasztok! Van egy ATX-es Tápom és azt szeretném átalakítani, hogy léptető motorokat tudjak róla hajtani. Sajnos ez a táp más IC-vel van szerelve, mint amiket olvastam az átalakításokban.
elvileg a motorokat minimum 12v 2-4A kéne terhelnem, de ha rákötöm, rögtön beindul a zárlat védelem és leold. elvileg a motorokat maximálisan 35v és 4A lehet terhelni. én olyan 24v környéki áramot szeretnék belőle kivenni A Táp típusa: Chieftec ATX-410-212 (ATX 2.0) Az IC típusa: Bővebben: Link Ebben szeretnék segítséget kérni.
Sziasztok.
Az a nagy kérdésem, hogy verjem át ezt a tápot, hogy legyen 16V, és a védelem ne pofázzon bele, és tudjam is terhelni. Az sem gond, ha a védelmet ki tudnám iktatni. Én már sok mindennel próbálkoztam, de semmi sikerrel. Nagyon jó lenne, ha minél hamarabb tudnátok segíteni ebben. Előre is köszi.
Sziasztok!
Van egy CHIEFTECH gps-400aa-101a tápom: Bővebben: gps-400aa-101a kimenet táblázat Ezt a tápot jó tápként tartják számon, mert 2db 12voltos kimenő körrel rendelkezik, az egyik kör 168W a másik 180W max teljesítményű névlegesen a felirat szerint. A kérdésem már így előre az lenne, hogy később ha kell nekem 12Volton 240VA akkor lehet-e a 2db 12Voltos kör ereit közösíteni? (A GND-k eleve közösek úgy láttam.) Ha kell itt lentebb leírom a részleteket miért kellene nekem közösíteni a 2 kört majd: Most veszek új gépet új alaplapot stb., de az első gondom az, hogy ezen a tápon nincs 8pines alaplapra menő CPUhoz 12V csatlakozó, csak 4 pines. Utánanéztem mi a kölönbség és a bekötés és itt csak azért alkalmaznak 8 vezetéket, hogy több ampert bírjon a kábel és ne olvadjon meg a szigetelés. Megnéztem a 12Voltos köreimet, van egy kör amelyiknél a 12Volt kábelek vastag erűek, sárga mindegyik egy fekete csíkkal, ezek ugyanoda vannak bekötve, ez a két kábel a 4pines proci alaplapi áram dugasz és a 6pines VGA aux áramdugasz. A föld (GND/fekete) mindenütt közös, ki is méregettem multiméterrel. Az egyik körön tehát van összesen gyárilag 5db vastag 12voltos vezetékem és 6db föld vezetékem (a 4pines CPU és a 6pines VGA), ezekből símán kijön az alaplapi 8pines CPU-hoz a 4db 12voltos vezeték és a 4db föld vezeték. Csatlakozóvéget találtam is másik ATX tápból pont úgy vannak az alakzatok, hogy egy 20 pines ATX standard csatlakozóból pont 2db 8pines 12V CPU dugasz és 1db 4pines CPU 12V dugasz jön ki (ha roncsolás mentesen sikerül 3ba vágni persze) mert pont úgy állnak az alakzatok rajta. A csatlakozó mármegvan és a bekötés is és van elég vezetékem is, ha mindjuk levágoma 6pines VGA csatit és arra forrasztom a 8pinest amit gyártottam persze ügyelve apolaritásra. Ez eddig nagyon szép és jó terv és működhet, mivel most integrált VGA-val megy majd az alaplap, a CPU 100Wattot fogyaszt túlhajtás nélkül, de majd szeretném néha bekapcsolnia dinamikus turbó módot így számolhatunk 120Wattal is, meg még az alaplapi vezérlők, portok és a memória az benne kellen legyen 150Wattba, tehát bármelyik 12Voltos kör el fogja bírni. A probléma csak akkor áll fent, ha veszek videókártyát is mert az alaplapivak dualban tud működni és az a cél a későbbiekben. Sajnos az egyetlen VGA ami ezt tudja nem rendelkezik 12V bemeneti csatival mert csak 75Wattot vesz fel és úgy gondolták az alaplap el tudj alátni annyival. Itt már érezhető, hogy egydb 12Voltos kör ami a 8pines CPU csatin keresztül meghajtja az nem lesz elég a 200+Watt terhelésre. Ezért gondoltam rá, hogy közösíteni kellne majd akkor és a mésik kör 12 voltos ágaiból is már eleve belekötni a 8pines CPU csatira. Ebből amásik 12Voltos körből síma sárga vezetékek jönek nicns rajta fekete csík és a MOLEX perifériális csatikba meg az alaplapi ATX csatiba vezetika 12 voltot. No azt nem tudom, hogy ami 12Volt ebböl a másik körből az ATX csatin át megy az alaplapra az eleve közösítve van-e a CPU 12Volt csatlakozóval, mert akkor elvileg nem lenne gond ha én is közösateném. Mit tudnátok erre mondani? Köszi a válaszokat! A hozzászólás módosítva: Jan 31, 2013
Ha már eddig senki nem írt választ, megosztanám amit eddig kinyomoztam és majd az okosak rendbeteszik:
1) a 2 körös tápok nagyrésze nem is igazi 2körös csak current limiter van benne azaz 16-18 amper környékén leold 2) ha közösítem egy tápon belül a 12Volt-os köröket akkor elvileg működőképes marad csak 2 dolog szól ellene: - feszültségszint kis különbségei, kábel hossz stb. miatt lehet pici visszaáram ez egyik körből a másikba ami a táp élettartamát csökkenti - a terhelés elosztása nem garantált, lehet hogy közösítve az egyik körön 18ampert vesz fel a másik csak 4ampert és hiába lenne még vagy 16amper tartalék amésik körben az első kör crrent limitere leold és leáll a gép. (Ha a terhelés hatására csökken a fesz akkor szerintem mondjuk kiegyenlítenék egyást így az is lehet ez a jelenség mégsem annyira gyakori, de ki kellene próbálni.) Nem lenne jó, ha az egyik ágamon max terhelés lenne a másikr ameg egy max 10wattos winycsesztert kötnék meg a 24pines atx alaplap csatlakozót mint most ahogy van mert így aztán hamar leold majd a rendszer. Azért megnem vennék 600wattos tápot hoyg egy ágon 240Wattot terhelhessek, ez röhej lenne, de erre akarják az embereket kényszeríteni újabban, mert van benne üzlet. Végezetül egy link amiben tesztelték a tápomat is és egykörön nem t...tt jól A hozzászólás módosítva: Jan 31, 2013
|
Bejelentkezés
Hirdetés |











valoszinuleg igazad van. 










