Fórum témák

» Több friss téma
Fórum » Elektronikában kezdők kérdései
- Ez a felület kizárólag, az elektronikában kezdők kérdéseinek van fenntartva és nem elfelejtve, hogy hobbielektronika a fórumunk!
- Ami tehát azt jelenti, hogy a nagymama bevásárlását nem itt beszéljük meg, ill. ez nem üzenőfal!
- Kerülendő az olyan kérdés, amit egy másik meglévő (több mint 17000 van), témában kellene kitárgyalni!
- És végül büntetés terhe mellett kerülendő az MSN és egyéb szleng, a magyar helyesírás mellőzése, beleértve a mondateleji nagybetűket is!
Lapozás: OK   1357 / 4047
(#) vagnerjazon válasza proli007 hozzászólására (») Jún 5, 2011 /
 
Köszönöm szépen a választ, nincs TINA-m, így nem tudom szimulálni. Igazából a megoldandó probléma az, hogy 12V-ból kéne 5V-ot előállítani valahogy, stabilizátor nélkül, mert az nagyon veszteséges. Már közben vetődött fel olyan is, hogy AVR csinálna PWM-et, ami FET-et hajtana meg, de ekkor nem biztos hogy egyenletes lenne az előállított 5V. Ezután lett az, hogy az előző módszert alkalmazva 7V körüli feszültséget állítanék elő, és arra menne a feszültségstabilizátor, mert annyi veszteség még beleférne.
És ekkor ajánlották az MCP1703-at, csak itt akadtam el, de azt hiszem, maradok a második megoldásnál, hogy 6,5-7V + stab IC.

Viszont így meg egy olyan kapcsolás kell amiben FET-et PWM-mel vezérelve 6,5-7V-ot csinálna 12V-ból. Megpróbáltam rajzolni egy ilyet, ez így jó? (A kapcsoló a PWM-et szimbolizálja.)

proba2.png
    
(#) proli007 válasza vagnerjazon hozzászólására (») Jún 5, 2011 /
 
Hello!
Ennek így semmi értelme.. Bár mit teszel is a 12V és az 5V közé, azonos lesz a veszteség. Akár előszabályzol, akár nem. Tehát a megoldás, a kapcsoló üzemű feszültségszabályzó. Annak vesztesége lesz a legkisebb, mint írtam Persze azt hajthatná, az AVR is PWM módban, de mi van bekapcsoláskor, Azt azért erősen át kellene gondolni. Mitől fog "kijönni" az első PWM jel, ha még nincs is táp?
Az MCP-nek ott van értelme, ha az AVR szunyál, és szinte semmit nem fogyaszt. Akkor a normál stabi a szabályzásához megeszik néhány mA áramot, míg az MCP csak 2uA-t. Tehát hosszú táv kis telep-re jó.

pld..
üdv! proli007
(#) kerdes10 hozzászólása Jún 5, 2011 /
 
hellosztok!
olyan kapcsolót keresek ami így néz ki :

ami így néz ki (ez fontos )

de a működését tekintve ha lekapcsolom zárja az áramkört 0.2-ed sec ideig,majd elenged,,ha felkapcsolom akkor ugyancsak zárja az áramkört egy kis ideig,majd megint elenged.

GYAKORLATILAG olyan a működése mint egy mezei nyomógombnak, csak nem gombot nyomok,hanem egy kapcsolót kapcsolok.

remélem érthető,és köszönöm a választ
(#) Zed válasza vagnerjazon hozzászólására (») Jún 5, 2011 /
 
Nem követtem a témát. Úgyhogy megkérdezem: miért fontos a minél kisebb veszteség? Illetve mekkora lenne az áram, amire szükséged van? /Ha már ismertek ezek az adatok, akkor elnézést./ Nos, ha mondjuk 500mA elegendő és nagyon olcsó megoldást keresel, akkor MC34063. Beépített kapcsolótranzisztora van, minimális körítés kell hozzá. A saját fogyasztása is alacsony. Ha jól tudom, jóval 100HUF alatt van az ára. /Már, ha ez szempont./ Ha "nem szimpatikus",akkor LM2575. (És 'társai', az áramigénynek megfelelően.)
(#) proli007 válasza kerdes10 hozzászólására (») Jún 5, 2011 /
 
Hello!
Akkor össze kell kötni a kapcsoló két szélső lábát (így akár fel, vagy le kapcsolod, zár az érintkező), és egy monostabil 555-ös kapcsolást hajtani vele. Míg "átrepül az érintkező, indítja a monostabilt.
üdv! proli007
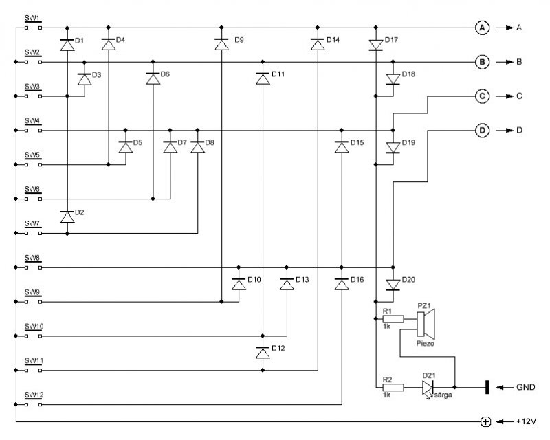
(#) blackdog hozzászólása Jún 5, 2011 /
 
Sziasztok!

Azt hiszem kevéske tudásom erős végére értem.
Készülő kapcsolásomhoz kell egy 12 gombos billentyűzet. Eddig 12db nyákba ültethető nyomógombbal szimuláltam próba panelen és tökéletesen is működött.
Majd bontottam egy régi vezetékes telefont, kivettem a gumilapot és a gombokat. Ennek készítettem egy nyákot.
"Megjegyzem, hogy BDC kódolású a billentyűzet amit diódákkal kódolok és CD4067 IC-vel dekódolok."
Nos azóta semmit sem működik úgy ahogyan kellene.
4013 IC-ket vezérel a billentyűzet AND kapukon keresztül. Mégis most össze vissza működik és Pl.: ha megnyomom a 1. gombot akkor ott a kimeneten a 12VDC, de pl. a 2. gomb kimenetén megjelenik valamekkora feszültség 0,01-1 VDC és ez teljesen összezavarja a vezérelt IC-t. Ha leveszem a gumilapot és egy darab dróttal adogatom a feszültséget akkor jó minden.
Hogyan kell ilyen billentyűzetet elkészíteni és hogyan kell szűrni? Akár mit is csinálok minid kihatással van az egyik gomb a másikra.
(#) kerdes10 válasza proli007 hozzászólására (») Jún 5, 2011 /
 
köszönöm , ez lesz az!
(#) proli007 válasza blackdog hozzászólására (») Jún 5, 2011 /
 
Hello!
Első körben elfelejtettél, az ABCD bemenetek és a GND közé, egy ellenállást tenni. (100..100kohm) így nem korrekt logikai szintek alakulnak ki.
üdv! proli007
(#) blackdog válasza proli007 hozzászólására (») Jún 5, 2011 /
 
A mellékelt rajzon még nem szerepel, de a valóságban az ABCD pontokon van 10k ellenállás és mivel kb. 5 méter kábel köti össze a billentyűzetet a feldolgozóval (jelenleg csak 30cm a teszt miatt) a másik oldalon is van 10k ellenállás és 10 nF kondi is.
De próbáltam ezek nélkül is és ugyan az volt a jelenség.
(#) vagnerjazon válasza proli007 hozzászólására (») Jún 5, 2011 /
 
A bekapcsolást úgy gondoltam, hogy addig egy sima feszstab-ról menne, és amint meglenne a tápfesz, az kikapcsolna. A helyzet az, hogy a mA-ek egyáltalán nem zavarnak, kizárólag annyi, hogy a 12V-ból amikor elő van állítva az 5V, és az áram 3-4A, akkor ne fűtsön el a stab IC 7V*4A=28W-ot. Szóval azt kéne megoldani hogy 7V-ról csak 2*4=8W elfűtés legyen, és ez már megfelelne, mert nem zavar különösebben ha elfűt egy keveset, csak ne kelljen rá hatalmas hűtőborda.

Esetleg tudsz mutatni olyan kapcsolást, amin az van amit le próbáltam rajzolni (mármint a PWM-es FET-es dolog)?
(#) vagnerjazon válasza Zed hozzászólására (») Jún 5, 2011 /
 
Köszönöm a választ, a kis veszteség nem olyan fontos, az áram 3-4A lenne, szóval nem lenne túl jó amit linkeltél, de azért köszönöm.
(#) proli007 válasza blackdog hozzászólására (») Jún 5, 2011 /
 
Hello!
Akkor nem sok ötletem van, de nyilván a vezető gumilapban van a kutya elásva.
De a közvetlen nyomógomboknál 1-2-8.. nincs dióda. Az nem gond? És ha valamelyik gomb átvezet, akkor helytele kódok alakulnak ki.

Egyébként miért van ez az ide-oda konvertálás? Én a 4067 bemenetére kötöttem volna a gombokat, a BCD-t meg pörgettem volna egy számlálóval. Ha megtalálta a nyomógombot leáll a számlálás, és megvan a gomb BCD kódja. És ráadásul mindig a legelső amit megtalál, és annak már prioritási sorrendje is van ahogy bekötötted a 4067-re.. De ez csak ötlet.
üdv! proli007
(#) blackdog válasza proli007 hozzászólására (») Jún 5, 2011 /
 
Azért van az ide-oda konvertálás mert több billentyűzet is lesz és így elég a 8 eres vezeték. Különben kellene a 12+2 ér/billentyűzet.
Ezt a számláló dolgot nem értem!?
Lassan ott tartok, hogy nem érdekel a sok vezeték csak az a baj, hogy akkor a bemeneten sok csatlakozási pont kell.
Nem értem ezt a gumilapos nyomógombot.
Már agyon tisztítottam, hogy a koszt kizárjam mint hiba lehetőség. Össze-vissza szűrtem, de mindig kihat az egyik gomb a másikra.
Nem lehet, hogy a diódák miatt van ez? Persze akkor vezetékkel 'böködve' sem lenne jó.
(#) Dániel X válasza blackdog hozzászólására (») Jún 5, 2011 /
 
Üdv!

A gumilap érintkezőfelületének nincs ellenlássa ami befolyásolná a működést?
(#) djadji hozzászólása Jún 5, 2011 /
 
Hello!

Van néhány áll ventilátorom, ami a leggyengébb fokozaton is túl erősen fúj (röpködnek a papírok). 220Vos , tesco-s ventik. Hogy lehetne lejjebb szabályozni a fordulatszámukat? Mennyire lenne ez bonyolult? Szétkaptam egyiket, de nem láttam benne érdemleges elektronikát (amibe bele lehetne piszkálni...)
(#) bbalazs_ válasza djadji hozzászólására (») Jún 6, 2011 /
 
Koss sorba vele egy masik ventilatort vagy egy 230-as izzolampat.
(#) janikukac hozzászólása Jún 6, 2011 /
 
Milyen tokozású a TDA2003-as IC? Nem jövök rá.
Sprintben szeretném használni...
(#) kadarist válasza janikukac hozzászólására (») Jún 6, 2011 /
 
Pentawatt tokozású
(#) janikukac válasza kadarist hozzászólására (») Jún 6, 2011 /
 
Aha, csak olyan nincs a Sprintben..
(#) kadarist válasza janikukac hozzászólására (») Jún 6, 2011 /
 
Használd a TDA2030 tokozását a tervezésnél. Bővebben: Link
(#) blackdog hozzászólása Jún 6, 2011 /
 
Sziasztok!

Ezt a kijelzőt mivel érdemes meghajtani, hogy betűket is megjeleníthessek AVR/PIC nélkül? Marék dióda?
(#) spepe válasza blackdog hozzászólására (») Jún 6, 2011 /
 
Meghajtó IC?

Bővebben: Link
(#) janikukac hozzászólása Jún 6, 2011 /
 
Valaki leellenőrzi ezt? Erről? Bővebben: Link

tda2003.lay
    
(#) vicsys válasza janikukac hozzászólására (») Jún 6, 2011 /
 
Viszont aki keres, az talál! Bővebben: Link (a tokozása ugyanaz)
(#) janikukac válasza vicsys hozzászólására (») Jún 6, 2011 /
 
Köszi, most épp javítjuk a rossz nyákrajzomat.
(#) blackdog válasza spepe hozzászólására (») Jún 6, 2011 /
 
Nem rossz, de szerintem ezt az IC-t már nem lehet beszerezni.
(#) Zed válasza vagnerjazon hozzászólására (») Jún 6, 2011 /
 
Aha, így már értem. Akkor inkább LM2676. Adatlapja: LM2676 Datasheet Bár ha jól tudom, eléggé drága jószág. Illetve a "kistestvére", az LM2576 is szóbajöhet, ebben nem FET, hanem bipoláris tranzisztor a kapcsolóelem, így kicsit nagyobb a vesztesége (és így a disszipáció).

Ha jobban szereted a "marék diszkrét alkatrész" megoldást, akkor TL494, mint vezérlő, IR2110 FET meghajtó + 2 db N-csat. FET. (Ehhez tudok küldeni rajzot, bár nálam kisség melegedett a felső oldali FET.)
(#) janikukac hozzászólása Jún 6, 2011 /
 
Sziasztok ! Itt a rajzon levő cx muszáj, hogy 39nF legyen? mondjuk 100 nem lehet? Bővebben: Link
(#) kadarist válasza janikukac hozzászólására (») Jún 6, 2011 /
 
Inkább egy közelébe eső, gyakori értéket válassz, például 47nF-ot.
(#) janikukac válasza kadarist hozzászólására (») Jún 6, 2011 /
 
Azom van, de a lábtávja nem akkora, hogy oda illeszkedjen. :S
Következő: »»   1357 / 4047
Bejelentkezés

Belépés

Hirdetés
XDT.hu
Az oldalon sütiket használunk a helyes működéshez. Bővebb információt az adatvédelmi szabályzatban olvashatsz. Megértettem