Fórum témák

» Több friss téma
Fórum » 12V-ból 6V min 5A DC-DC átalaktó
Lapozás: OK   2 / 3
(#) saba válasza Peter02 hozzászólására (») Máj 22, 2011 /
 
Esetleg ez a PWM megoldas? A FET sem melegszik es jo az IRF540-es is ide.

Motvez.JPG
    
(#) mgy válasza saba hozzászólására (») Máj 22, 2011 /
 
Szerintem is a PWM-es megoldás a legegyszerűbb.
Egy 555-ös 50%-os kitöltési tényezőre beállítva, és egy FET.
Az elektromos gokart topicban hasonló problémát írogattam csak PIC-kel megoldva.
(#) szendi001 hozzászólása Máj 22, 2011 /
 
Szia! A nyomaték miatt az izzó nem lesz jó megoldás. Az egyik legegyszerűbb megoldás az 50 % kitöltésű négyszög feszültség adása lenne pl egy 555- el. Még jó tranyóval a végén is 500 Ft, és tekercs mentes. Jók a kapcsolós dolgok de legalább egy szkóp kell a bemérésnél, míg ennél nem.

MOD: Saba válasza ugyanezen az elven működik, természetesen a komparátoros megoldás ugyan ilyen jó!
(#) Peter02 hozzászólása Jún 2, 2011 /
 
Sziasztok.

Megvannak az anyagok, kivéve nyáklemez . Ez valahogy kimaradt
Milyet kell vegyek? Látom van rengeteg fajta, és elég nehéz a választás. Mind a 2 megoldáshoz ( PWM , és a LM338 -as ) van anyagom.
Lehet befektetnék egy tesztnyákra is, abból milyet érdemes? Suliba majd úgyis kell ( mechatronika) ezért olyat szeretnék ami kitart egy darabig.
(#) szucsip válasza Peter02 hozzászólására (») Jún 3, 2011 /
 
Üdv!

Minden képpen 1 oldalas nyáklemezt javaslok, mert a kétoldalasak fóliái nagyon vékonyak szoktak lenni. Javasolt az üvegszálas (bakelit nyákot úgy sem nagyon árulnak már), és abból is az, aminek a hordozórétege 1,5mm vastagságú. Egy 160*100mm -es NYÁKlemezből bőven ki tudod hozni mind a két féle variációt (disszipatívot, és a PWM megoldást is)

Tesztnyákból semmilyent nem érdemes, bár ez csak az én véleményem. Ha strip panelra gondolsz, akkor az más. Azzal el lehet játszogatni, hálás kis jószág. De túl nagy abból sem kell, teljesítmény tranzisztorokat/IC-ket úgy sem tudsz beledugni.
(#) Peter02 válasza szucsip hozzászólására (») Jún 4, 2011 /
 
Én erre gondoltam.

Bővebben: Link

Ilyen a jó ?
Ebből van kisebb nagyobb. És nem kell forrasztgatni.
(#) szucsip válasza Peter02 hozzászólására (») Jún 7, 2011 /
 
Igen, én az ilyen fajta próbapanelt javaslom (megjegyzem, hogy én nem használok ilyent, csak ha rá vagyok kényszerítve a suliban)
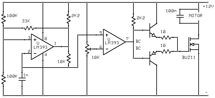
(#) Peter02 válasza saba hozzászólására (») Jún 7, 2011 /
 
Helló.
A rajzról kérdeznék, amit csatoltál.
A dióda utáni ellenállás fölötte egy 10 -es. 10 ohmos ellenállás, vagy 10K akart lenni, csak lemaradt,
BC - feliratot pedig végképp ne tudom hova rakni.
(#) Peter02 hozzászólása Jún 8, 2011 /
 
Helló!

Az első megoldás kész, így le tudtam mérni pontosan mennyit fogyaszt a szerkezet. Motor indulásnál, 4,9 Ampert mér a multiméter, utána gyorsan visszaesik 2,1A -re , és ezen halad . Nem melegszik annyira az lm338 -as, de azért fél óra használat után nem szívesen fogdosnám.
Lehet 70-80 fokos.
A második megoldásnál picit elakadtam, választ várok egyenlőre. Nem tudom mi az a Bc felirat. Amúgy addig kész.
Időközben össze illesztettem 2 rajzot, kiváncsi vagyok ehhez mit szólsz, vagy szól bárki.
Az egyik egy referencia rajz ((NE555) 50% kitöltésű) , és ezt összefésültem Saba megoldásával.

Működőképes lehet ez?
(#) pucuka válasza Peter02 hozzászólására (») Jún 8, 2011 1 /
 
A BC felirat, egy BC típusú komplementer pár felhasználását jelenti. Mivel nem kritikus elvileg bármelyik lehet. Pl. BC635/636

BC635.pdf
    
(#) Peter02 válasza pucuka hozzászólására (») Jún 8, 2011 /
 
Köszi a választ.
Azt is meg tudnád mondani hogy tudom a helyére rakni?
Gondom az hogy ezt elágazáshoz írta, és 2 darabot. Tehát ( T elágazás, és erre rakjak 2 db 3 lábú npn tranzisztort ) . Pedig azt hittem van fantáziám )
Ötlet??
(#) kadarist válasza Peter02 hozzászólására (») Jún 8, 2011 /
 
Ezt még egyszer érthetőbben írd le, mert egy kukkot nem lehet érteni. Milyen t-elágazásról van szó és mit kell helyére rakni?
(#) Peter02 válasza kadarist hozzászólására (») Jún 8, 2011 /
 
Nos . Csatoltam képet, és bekarikáztam azt a részt ami nem világos.

kerdes1.JPG
    
(#) kadarist válasza Peter02 hozzászólására (») Jún 8, 2011 /
 
Az a 10k egy potenciométer, méghozzá 10 kiloohmos ellenállású. De ez az áramkör neked még nagyon bonyolult, úgyhogy nem ezzel kellene kezdened az elektronikával való ismerkedést.
(#) Peter02 válasza kadarist hozzászólására (») Jún 8, 2011 /
 
Nagy köszi.
Valóban így van, csak a jelöléseket most tanulgatom.
Időközben találkoztam egy tv -szerelővel is, és rávetettem magam. Szóval ő is azt mondta, a bc felirat meg odébb volt írva, ezért nem tudtam mire vonatkozik.
De most már minden o.k. , ismét jó irányban vagyok.
(#) Peter65 válasza Peter02 hozzászólására (») Jún 8, 2011 /
 
A "BC" felirat nem a csomópontra vonatkozik, hanem a csomóponttól jobbra fent és jobbra lent lévő tranzisztorokra. 1db NPN (felül) és 1db PNP tranzisztor van berajzolva. A tranzisztorok emiter kivezetése csatlakozik 1-1db 10 ohmos ellenállásra, amik a fet bemenetére vannak kötve, a fetet hajtják meg.
Pucuka fentebb írta, hogy nem kritikus a tranzisztor típusa, nagyon sok típus felhasználható. Ha nincs otthon semmilyen, és vásárolsz, egy nagyobb áramút javaslok; BC337/BC327.
A motor mellett lévő szabadonfutó diódát ne hagyd ki, nélküle tönkre megy a kapcsoló félvezető (BUZ11), és a motoron sem tud rendesen kialakulni az áram. Nem fontos az MBR1645-t beszerezned, de gyors diódát kell mindenképpen beraknod.
(#) Peter02 válasza Peter65 hozzászólására (») Jún 8, 2011 /
 
A motor mellet lévő az nem, kondenzátor?
Az irodalomban azt olvastam erről a jelről hogy az egy rögzített értékű kondenzátor , és oda egy 100n értékűt vettem.
(#) Peter65 válasza Peter02 hozzászólására (») Jún 8, 2011 /
 
Nem kondenzátor, hanem dióda. Kommutátoros motorok kivezetéseire szoktak kis értékű kondenzátorokat tenni, a kommutátor zaj csökkentésére. Itt most nem szerencsés az alkalmazása, mert túlságosan igénybe venné a kapcsoló félvezetőt. A rajzon egy úgynevezett szabadon futó dióda van berajzolva.
(#) Peter02 válasza Peter65 hozzászólására (») Jún 10, 2011 /
 
Helló.

Tegnap elmentem venni MBR1645 -öst, de csak MBR2045 -öst kaptam. Az ember azt mondta ugyanolyan jó, csak ez 40A -es. Most meg hogy figyelem ez, 3 lábú, nem kettő.
Be lehet ezt rakni valahogy?
Ha nem van nekem egy 2 lábú, diódám itthon : 5TUZ47 , esetleg ezzel, megoldható?
(#) kadarist válasza Peter02 hozzászólására (») Jún 10, 2011 /
 
Abban a tokban két dióda van, azért van három lába. Kösd párhuzamosan (pin 1-3 összekötve)a két diódát és használd úgy. Adatlap
(#) Peter02 válasza kadarist hozzászólására (») Jún 10, 2011 /
 
kész a nyák, kipróbáltam, de ugyanannyi áramot ad, mint a bemeneten.
A második lm393 , 7-es kimenetén nem jön ki semmi.
Remélem a félelmem, hogy nem csak azért van 2db lm393 a rajzon hogy szemléltetőbb legyen, indokolatlan.
Mert picit fura, hogy pont azokat a kimeneteket hagyták ki az elsőn, amit a 2.-on használtak.

393.jpg
    
(#) kadarist válasza Peter02 hozzászólására (») Jún 10, 2011 /
 
Ezt az IC-tokot így kell értelmezni. Tehát kettő az egyben, és ezért csak egy IC-t kell használnod az áramkör megépítéséhez.
(#) Peter02 válasza kadarist hozzászólására (») Jún 10, 2011 /
 

Ilyen ám a kezdet kérem szépen.
(#) kadarist válasza Peter02 hozzászólására (») Jún 10, 2011 /
 
Semmi gond, csak tessék nagyon körültekintően és kellően tájékozottan belevágni a megvalósításba.
(#) Peter02 válasza kadarist hozzászólására (») Jún 10, 2011 /
 
Hiba orvosolva, és mintha csodát látnék , működik.
Bár a hangolása a potméterrel szörnyű, hatalmasakat ugrik ( 5V .. 7V ..12V. stb) gondolom mert ez is egy "olcsójános" kínai darab, de majd kicserélem.
Melegedése töredéke az előző tranzisztoros megoldásnak, tehát örülök.
Még megcsinálom az 555 -ös ic-vel is, kiváncsi vagyok.
Szerencsémre azon csak 1db ic van a rajzon :
(#) kadarist válasza Peter02 hozzászólására (») Jún 10, 2011 /
 
Szép munka, csak így tovább!
(#) Peter65 válasza Peter02 hozzászólására (») Jún 10, 2011 /
 
Gondolom közben már rájöttél, hogy azért van három lába, mert egy tokban 2db dióda van. Az adatlapján megtalálod a belső elrendezését. A két szélső lábát kell összekötödnöd, ezzel közösíted a kettő anódot, a középső lába pedig a közös katód. Szerintem az MBR2045 jobb választás, mint a 5TUZ47, de az is megtenné.
(#) Peter02 hozzászólása Jún 10, 2011 /
 
Ezekről a kondenzátorokról megmondja valaki, hogy milyen értékű?
A baloldali tudtommal 1n 400V
Jobb talán 1,5n 400V
Középső lehet 0,01 ľF ?????

SAM_6575.JPG
    
(#) hapro válasza Peter02 hozzászólására (») Jún 10, 2011 /
 
1nF 400V, mellett 1µF 100V és a másik szélén meg 1,5nF 400V
(#) kadarist válasza Peter65 hozzászólására (») Jún 10, 2011 /
 
Nem rájött, hanem megmondták neki
Következő: »»   2 / 3
Bejelentkezés

Belépés

Hirdetés
XDT.hu
Az oldalon sütiket használunk a helyes működéshez. Bővebb információt az adatvédelmi szabályzatban olvashatsz. Megértettem