Fórum témák
» Több friss téma |
Fórum » PIC - Miértek, hogyanok haladóknak
A 10Fxxx sorozat az az un. baseline csaladba tartozik, es nem fogja automatikusan felismerni a PicKit2, de a programjaban kivalaszthatod, hogy az a chip van rajta neked.
GP2-re latatlanban nem tudok mit mondani, kelllene latni a forrast meg a kapcsolasi rajzot.
A T0CKI ha jól emlékszem nyitott kollektoros kimenet, gyakorlatilag vagy a GND-t kapcsolja a kimenetre, vagy semmit.
Szia,
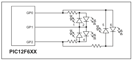
Vegre volt egy kis idom adatlapot bongeszni. Szoval ha ez meg mindig a 10F200, akkor a GP2/T0CKI nem nyitott kollektoros (nem OD vagy OC). Azonban nehany regiszter befolyasolja a mukodeset. Az elso dolog, hogy a CMCON0 regisztert 0-zni kell, hacsak nem hasznalod a comparator modult. A masodik, hogy az OPTION-ben a T0CS-nek 0-nak kell lennie, kulonben T0CKI-kent lesz hasznalva nem pedig I/O-kent. A harmadik pedig, amit sok ember elfelejt, hogy ha az OSCCAL regisztert irod, akkor az also bitet torolni kell. Tehat sokan ugye egyszeruen csak bele masoljak a powr on reset-kor W-be kerulo erteket az OSCCAL-ba (ugye akkor a W tartalmazza a kalibracios erteket, amit az 1FF cimen elhelyezett utasitas masol be). Nade, ha ez a kalibracios ertek valami folytan azt a legalso bitet 1-be teszi, akkor az a kontroller mukodeset ugye befolyasolja, es nehez a hibat megtalalni. Emiatt sokan az OSCCAL-ba masolas elott egy AND muvelettel azt a bitet kinullazzak a biztonsag kedveert... Amugy 6 db LED-et a mellekelt kapcsolas alapjan tudsz a 10F2xx sorozattal meghajtani.
Sziasztok ide is írok hátha bejön!
Remélem tud valaki segíteni. Lényegében a következő a bajom van egy pic 16f871-em és valamiért csak a pickit 2 programozóval indul el. Amikor külső táppal akarom elindítani akkor semmit nem csinál. Arra már rájöttem hogy a mclr lábnak ehhez nem lehet köze mert lekötöttem a programozóról és akkor nyomok egy indítást a gépről és elindul. A 16f628a-nál ilyen gondom nem volt.... Amúgy HS 4MHz oszcillátort használok és mindkét oldalról ráadom a tápot. Most az a kérdés, hogy ez konfigurációs gond vagy pedig nincs valami jól bekötve?? Egyébként a 16f887-el is ez a gondom van. Várom a segítséget Addig is köszönöm
Szia!
- A 4MHz a HS / XT mód határára esik, próbáld meg XT oszcillátorral is, - A táp feszültése nem esik le a BrownOut határára? Ha a PICKit2 táplálja, stabil, szűrt tápfeszültséget kap. - A tok minkét oldalán van 100nF kerámia kondenzátor a táp és a föld lábak között? - A fordításkor az önnálló futtatáshoz a Release módot kell beállítani.
Nos annyi tényleg gond volt hogy Release-be kellett állítani. Sajna nincs most XT-m ezért beraktam a 20MHZ-s kristályt de azzal sem csinál többet...
Az mclr láb Vdd-re van kötve egy 4k7es ellenállással és egy diódával A configom így néz ki: __CONFIG ( DEBUGDIS & LVPDIS & BOREN & WDTDIS & PWRTEN & HS & WRTEN); Van még valami ötlet?
MCLR-t 10k-val kell Vdd-re húzni! (Adatlapot jó lenne elolvasni!!!)
Jó lenne, ha nem 2 helyen kérdeznél meg egy dolgot! Itt az tilos...
A 10k-s ellenállás sem segített. Egyébként nem értem mi a gond ha 2 helyre írok mert ha már van 2 topic amibe bele illik a problémám akkor miért ne írjam oda? Egyiket egy csapat olvassa a másikat megitn egy másik több fej többet tud......
Van még valami ötlet?
Sziasztok azt szeretném megkérdezni, hogy mi az a Boot Block ill. , hogy a következő bitek mit állítanak:
CCP2 MUX bit Low-Power Timer1 Oscillator Enable bit(talán azt, hogy le vagy pedig felfutó élre haladjon a timer1?) Stack Full/Underflow Reset Enable bit Single-Supply ICSP Enable bit Extended Instruction Set Enable bit Background Debugger Enable bit Esküszöm ádáz csatát vívok a 18f2321-es adatlapjával. de szegényes angoltudásom miatt nem igen jutok előrébb.
Szotar. Aztan majd belejossz. Nem fog artani.
Egyebkent szerintem hagyd oket defaulton, ugysem kellenek. Majd ha belekeveredsz valami speci periferiaba, akkor elolvasod,ami oda valo az adatlapbol.
Igen, igen igyekszem. A google fordító elég nagy hülyeségeket ír ki úgyhogy most az Országh féle szótár lapjait koptatom. Lassan már kiugrik a szemem.:wow1:
Másrészről pedig az is gond, hogy valószínüleg akkor se lennék teljesen képben ha magyarul lenne az adatlap. :nemtudom:
Hosszú szenvedés után rájöttem, hogy az adatlapban csak a Single-Supply ICSP és az Extended Instruction Set működése van leírva.
Ha jól veszem ki az elöbbi a Low Voltage Programming, az utóbbiról fogalmam sincs. A többi micsoda? Mire jó? Hol lehet utánuk nézni?
A Low-Power Timer1 Oscillator Enable bit tudomásomszerint azt befolyásolja, hogy kisebb vagy nagyobb árammal hajtsa a másodlagos oszcillátor a 32 kHz-es órakvarcot. A nagyobb teljesítményű mód a stabilabb, tehát azt ajánlom használni!
A CCP2 MUX bit az állítja be, hogy a CCP2 egység kimenete RC1 vagy RB3 legyen. A normális működéshez DEBUG bit 1 legyen (a negatív logika miatt így van letiltva). Máskülönben kisajátítja az BB6, RB7 lábakat a debugoláshoz. A normális működéshez az XINST bit 0 legyen (kiterjesztett utasításkészlet letiltva). C18 fordító esetén csak a fizetős változat támogatja a használatát. A BOOT blokkal egyelőre ne foglalkozz! Bootloader használata esetén lehet írásvédetté tenni azt a területet, amit a bootloader használ. Az írásvédelmi biteket se aktiváld egyelőre (csak magaddal tolsz ki, ha babrálod). Ajánlott olvasmány: Angol-magyar informatikai szótár (a szótár nyitólapjának alján a megfelelő kezdőbetűre kell bökni).
Köszönöm a válaszodat.
Még azt meg tudnád mondani, hogy mi az a CCP2 egység? A Low-Power Timer1 Oscillator Enable bit-tel gondolom nem kell foglalkoznom-ha belső oszcillátort használok, ugye?
CCP2 a második Capture-Compare-PWM egység.
A Low-Power Timer1 Oscillator Enable bit-tel nem kell foglalkoznod, ha Timer1 külön oszcillátorát nem használod.
A CCP egység a Compare/Capture/PWM egység rövídítése.
Compare: összehasonlítás: TMR1 TMR3 regiszterek összehasonlítása, TMR1/TMR3 és CCPR regiszterek összehasonlítása, egyezés esetén egy esemény következik be(egy láb szintje alacsonyra/magasra áll, vagy megváltoztatja a logikai állapotát, és mindezek mellett beáll a CCPRxIF interrupt flag-bit). Capture: fel/lefutó élek között eltelt idő mérése. PWM: impulzusszélesség moduláció. A Low-Power Timer1 oszcillátorral a Timer1 időzítő/ számláló egységet tudod hajtani a rendszerórajeltől függetlenül aszinkron módon.
Nagyon szépen köszönöm ezt a nagyon értékes és tartalmas választ.
üdv: 'n'
Köszönöm a válaszokat. Most már majdnem mindent tudok hála nektek. Még megtudnátok mondani mit állít a Stack Full/Underflow Reset Enable bit?
Ha engedélyezed, akkor a veremtár túlcsordulása/alulcsordulása újraindítja (RESET) a mikrovezérlőt.
Értem és köszönöm.
Sziasztok!
Az első PIC-es munkámhoz szeretném a segítségeteket kérni. Mindent az oldal leírásai alapján csináltam, megépítettem a WLPT VPP mini v4-et, felprogramoztam a PIC16F877-et a WPB_F18_F16_F12_x.xxb-vel (Mindkettőt ezúton is köszönöm Watt-nak!!!), és összeraktam a tesztáramkört is, amit a cikkek között találtam (http://www.hobbielektronika.hu/cikkek/nullarol_a_robotokig_-_pic_mikrovezerlok_i_resz.html?pg=9). A nyomógombot mondjuk nem raktam bele, mert valahogy nem ment rá a breadboard-ra. Először amikor ráadtam a PIC-re az 5V-ot, meg sem szólalt. A LED-eket van hogy fordítva kötöm be, ezért megfordítottam a LED sor utolsó LEDjét, hogy lássam mi történik. Erre elindult a futófény rendesen, de a LED amit megfordítottam fordítva is viselkedett: tehát folyamatosan égett, és amikor rá került a sor a futófényben, akkor elaludt. Nem tudom elképzelni hogy ez mi lehet, ilyesmire egyáltalán nem számítottam. Van valami ötletetek hogy mi lehet a gond?
Hát a LED-es futófény a 19,20,21,22,27,28,29,30-as lábakon van, és ma kipróbáltam, bármelyik LED-et, (vagy LED-eket) kötöm be fordítva, ugyanaz az eredmény. Tehát ha egyet sem fordítok meg, akkor nem indul el a futófény, ha egyet megfordítok, akkor elindul a futófény, de amelyiket megfordítottam, az "fordítva" viselkedik: folyamatosan ég, és akkor alszik el, amikor épp rákerül a sor a futófényben. Azt is kipróbáltam hogy mi van akkor ha több LED-et is fordítva kötök be: a megfordított LED-ek folyamatosan világítanak, de ha bármelyikre rákerül a sor a futófényben, akkor elalszik az összes, ami meg van fordítva.
Komolyan így csinálja, nem tudom mit ronthattam el. Égetéskor visszaolvastattam a WPB-vel a beégetett tartalmat, és rendben volt...
Jó reggelt!
Néztem ma de nem tudom az OPTOIN-ban állítani a dolgokat mert ahogy néztem címe sincs, éppen úgy COMCON0 regisztere sincs. Az lenne a kérdésem,hogy hogyan állítsam az option-t ? Mert arra rájöttem hogy nemúgy mint a többi pic-eknél
Sajnos a megszakításkezelő regisztert sem találom. Az option meg a trisgpio-nak meg nincs címe.. Akkor hogy állítom a bitjeit?
Szia!
A 10F200.. 10F222 típusokban (sajnos) nincs megszakítási lehetőség. Az eljárások hívására is oda kell figyelni, mert a Stack is csak 2 szintű. A GPIO lábak iránya a TRIS utasítással állítható be.
Szia!
A led-ek közös vezetéke hova van kötve?
OPTION regiszter nincs kivezetve address space-be, az egy csak irhato beallito regiszter, amit az OPTION utasitassal lehet irni. Hasonlo ahogy a TRIS utasitas mukodik ezeken a baseline chipeken.
|
Bejelentkezés
Hirdetés |





Ha jól veszem ki az elöbbi a Low Voltage Programming, az utóbbiról fogalmam sincs. A többi micsoda? Mire jó? Hol lehet utánuk nézni?
Komolyan így csinálja, nem tudom mit ronthattam el. Égetéskor visszaolvastattam a WPB-vel a beégetett tartalmat, és rendben volt... 




