Fórum témák
» Több friss téma |
Persze, hogy működik. A zenerre kicsit "allergiás", de válogatással könnyen beállítható. Illetve én 2db 7.5V-osat használok sorosan, ezeket sosem kellett válogatni, mindig 14-14.4V közötti töltőfeszt eredményezett.
Én is meg szeretném építeni ezt a kapcsolást, de nem tudom hogy kéne bekötögetni. Babetta gyújtásom van, testfüggetlen, és rajta egy Graetz-híd. Hogy kéne bekötnöm, hogy az aksit is töltse, de az izzókat ne lődözze ki, valamint hogy az első világítás ne aksiról menjen?
Ugyanúgy kell bekötni, mint ahogyan itt leírtam: Bővebben: Link
Akkor én is ezt fogom megépíteni,és ahogyan írtad én is inkább két7,5V-os zenert fogok használni
![]() Milyen töltőáramra(akkumulátorhoz)jó a kapcsolás? Esetleh ha két világító tekercset kötnék be?
"Elméletileg" hagyományos savas akkumulátorhoz való. De gyakorlatilag, személyszerint az én Simsonomban a gyári elektronikával már lassan 2 és fél éve duruzsol zselés akkumulátor mindenféle probléma nélkül.
Köszi hogy megosztottad a tapasztalataidat!
Amugy az alacsony fordulatra azt találtam ki hogy kivezetem a takercsek testelését is és alacsony fordulaton sorba kötöm a két tekercset(igy lessz feszültség),magasabb fordulaton meg párhuzamosan csak ezt is vezérelni kéne ![]() Nem tudom menyire használható ez az ötlet,mi a véleményetek?
Igazából, már gondolkodtunk sokféle megoldásban, aztán arra jutottunk, hogy végülis minek nyúljunk bele a Simson profi mérnökeinek elgondolásba.
Viccet félretéve, létezne sokféle megoldás, a Tied is egy adott írányú megközelítése a dologna. De egy komolyan megfontolandó kérdés, hogy megérné -e, ebbe annyi munkát és időt beleőlni, amikor már van egy jól müködő megoldás. Inkább szerintem a fáradozást arra kellene fordítani, hogy a már jól müködő megoldást egyszerűsíteni esetleg minél egyszerűbben megépíteni, némi fejlesztést tervezgetni, esetleg korszerűsítést végrehajtani rajta. Ha meg már úgye tételezzük fel, hogy akkumulátorról menne a világítás, akkor már beleillene az "összképbe" egy aksis vezérlésű gyújtás önindítóval megspékelve. De az önindítónak az akár 100A feletti áramfelvétele, végleg elégtelenné tenné a töltés mennyiségét. Én amondó vagyok, hogy halgassuk meg a Többiek (esetleg tapasztaltabbak) véleményét is ezügyben, hogy mit gondolnak ezekről a dolgokról.
Idézet: „Egyébként nem muszáj 2 darab 7,5-ös zénert sorosan beiktatni. Lehet kapni 15V-os Zénert, legalábbis felénk.” Felénk is tartanak a boltok, de azért arra is gondolni kellene, hogy egyúttal hőfokkompenzációs szerepük is van. Persze mindig az adott kapcsolás dönti el, hogy milyen mértékű kell legyen, és ennek alapján kell megválasztani a szóbanforgó diódát.
Így van, az adott kapcsolás dönti el a zéner méretét, telejesítményét. Vagyis pontosan, hogy az áramkör hogy van kalibrálva, méretezve. Nagyobb ármaok esetén, ki van egészítve a dióda valamilyen átersztő tarnzisztorral vagy tirisztorral stb... Továbbá van egy előtét ellenállás a diódával sorbakötve, ami áramerősség függvényében több W teljesítményű is lehet. Ha ezek az alkatrészek jól vannak méretezve, akkor a dióda nem fog túlzottan melegedni, ezért tudja tartani a stabil feszültséget. Rossz alaktrész méretezés esetén, a zéner dióda túlmelegedik, a stabilzált feszültség elmozdul, majd tönremegy a zéner. Alapos méretezést igényelnek ezek az áramkörök, ami nem egyszerű dolog.
Tehát, arra akrtam kitérni, ha jól van méretzve minden alaktrész akkor elméletbe elegendőnek kellene lennie 1 db zéner diódának.
Nem értetted meg amit mex írt neked! Nézz utána a különböző feszültségű zener diódák hőfok függésének.
Sziasztok!
Olyan kérdésem lenne, hogy 12V-os simson-ban bekötöttem a töltést, graetz-ig ugye megy a két töltőszál, egy test, és kijön egy egyenírányított áramszál, ami megy az ELBA lábaira, a test, és az index mellé. Valamint lenne egy kijövő szál az ELBA-ból, ami töltene...de itt kezdődik a probléma, ugyanis semmit nem tölt. Befele még megy áram, ki viszont semmi. ELBA cserélve lett, akkut töltöttem töltővel is, mert mint olvastam csontra merült akkura, ill. üresen nem ad áramot, de semmi különbség sajnos. Több ötletem nincs sajnos, így gondoltam megkérdezem, hátha járt más is így, és van a hibára valami megoldása.
Üdvözöllek!
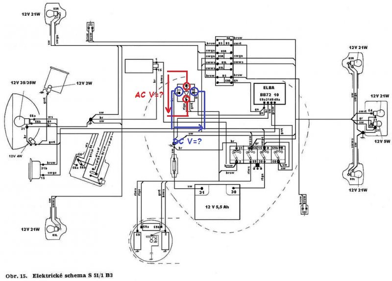
Nos akkor a lehetőségek. Az ELBA mint írtad cserélve lett, tehát akkor annak tökéletesen jónak kell lennie. Akkor nézzük tovább. Tekercs és greatz-híd ellenörzése, illetve müködőképeségének vizsgálata: Kapj elő egy multimétert és mérd meg: -AC V állásban az egyenírányító bemenetén eső feszültséget alapjáraton, illetve max. fordulaton. Ezeket jegyezd fel. -DC V állásban az egyenírányító kimenetén eső feszültséget alapjáraton, illetve max. fordulaton. Ezt is jegyezd fel. Ha tökéletesn müködik a tekercs és az egyenírányító, akkor az egyenfeszülségnek kb. 1.2V-al kevesebbnek kell lennie a váltófeszültségnél. Utánna, ha ez rendben van és megfelő, akkor elvileg minden tökéletes, tehát csak 3 variáció maradt: -Vezeték elkötés -Vezeték szakadás -Valamilyen érintkezési hiba. Ezeket mind mérni tudod multiméter szakadásvizsgálójával, illetve megnézed az álltalam mellékelt kapcsolási rajz alapján, hogy minden jó helyre van e kötve. Várom a fejleményeket. Kistotti
A bekötés jó, esetleg a graetz-ra menő tekercs szálai lehetnek megcserélve. feszültség nem ingadozik a zöld szálon, ami az elba-ba megy, de ki semmi nem jön. most néztem az akkut, első dudanyomásra lehervad... az lehet a baj? mert az elba meg ugye védi magát nem?
Hümm érdekes eset...
Nos az a kérésem, hogy végezd el a méréseket amiket írtam. A hibakeresés eszköze a mérés. Az előbbiekben leírtam, hogy mit mérj, de ha nem volt egyértelmű, akkor most bejelöltem kék, illetve piros színnel. Mint írtam minimum, illetve maximum értékek kellenek. Nem kell semmit se megbontanod a méréshez. Szépen leveszed az oldaldeknit, aztán a greatz-hídon mérni tudsz. Idézet: „esetleg a graetz-ra menő tekercs szálai lehetnek megcserélve.” Mivel ott váltakozó feszültség van, ezért nem tudod felcserélni. Nos egy dudanyomás egy aksinak meg se kottyan. Ott más problémák lesznek. Ha elvégezted a méréseket, tudunk továbblépni a hibakeresésben. Mivel akkor tudni fogjuk, hogy a tekercs és az egyenírányító jó e, az ELBA meg ugyebár új, tehát nyert ügyünk lesz. :yes: Továbbra is várom a mért értékeket...
őszintén mondva nem igazán értek a műszerhez...ilyen körbetekerő-gombos digitális cucc, és az ACv-DCV állásoknál van sok szám20, 200, 1000...stb. de ha jól mértem akkor csak 10,1, 10,6 ot tölt az akkura, a régi fajta fesszabályzóval, graetz előtt csak villog minden, akárhogy tekerem(ugye a hozzáértés) az elba-val meg semmit nem mértem.
Ha teszel fel egy képet arról a műszerről, vagy megmondod a típusát, akkor megmutatom rajta melyik méréshez hova állítsd be.
Rendeben van. Akkor most már megtudod mérni a dolgokat amiket írtam. A greatz- hídnak ugyebár 4 kivezetése van. Ebből kettő a bemenő váltakozó feszültség a tekercsről. Kettő pedig a kimenő egyenírányított feszültség. Ez eddig gondolom tiszta sor. Nincs más dolgod, hogy a bemenő oldalon tehát ahova a tekercsről jövő vezeték megy ott mérned. A greatz-hídon van 2 kivezetés így jelölve: ~ A pirossal jelölt részre állítod a műszered, és mérsz alapjáraton, illetve a motort megpörgetve amedig csak lehet. (De azért szét ne pörgesd
) A fordulatszám növekedésével a feszültségnek növekednie kell. A mért értékeket feljegyzed. Következő lépés. A műszeredet a feketével jelölt pontra állítod. A piros mérőzsinorodat a greatz + kivezetésére, a fekete mérőzsinorodat (com) pedig a greatz - kivezetésére teszed, és szintén mérsz alapjáraton és a motort jól megpörgetve. A mért értékeket írd meg ide nekem és akkor már okosabbak leszünk, hiszen ki fog derülni, hogy az egyenírányítód illetve a tekercsed müködőképes e.
AC 0,04-0,05 (a tekercs 2 szála között)
DC 1,5-1,9 (Másik két lábon) de a kábeleket nem húztam le sehonnan(Graetz-on és fesszabályzón is fel volt dugva
Rendben. Akkor ez annyit jelent, hogy valószínűleg a tekercs rossz. 80%-ba tekercs hibára gyanakodok. De menjünk 100%-ra biztosra. Nézük meg a motoron kívűl az egyenírányítót. Ez úgy kellene kivitelzni, hogy keresel otthon vagy kérsz valakitől egy mindegy hogy mekkora és milyen feszültségű hálózati trafót csak biztosan mükődőképes legyen. Kiveszed a motorból a greatz-hídat és rákötöd a trafó 2 kivezetésére. (Érintésvédelemre nagyon figyelj!) Aztán mérsz ugyanúgy a greatz-hídon váltó és egyenfeszültséget, és leírod ide a mért értékekt.
Sima adapterre vagy ilyesmire tegyem csak, úgy jó lesz?
Mindegy, hogy mire teszed, csak váltakozó feszültséget adjon ki, hogy ki tudd probálni a greatz-híd müködőképességét. Mivel mint már méréseidből kiderült a tekercsed valószínűleg rossz lesz (de még ne kiabáljuk el), ezért az egyenírányító hídat is le kell tesztelni, hogy jó -e...
Tiszteletem!
Először is kellemes húsvéti ünnepeket mindenkinek! A témát folytatva:A Graetz is kinlódik, elveszi az áramot... Ha a sima régifajta 5 szálas(2szürke;2zöld;1piros) fesszabályzót teszem be ahhoz nem kell graetz ugye? Csak a 2 zöldre rá a tekercs, pirosra meg az akku, ha jól emlékszem, a szürke meg csak a hátsó lámpához korlátozza csak a feszt 5w-ra.
Tudom, csak sima töltőm meg van itthol, azért gondoltam.
Igen de az ELBA 12 voltos a tekercses meg 6 volt.
Ez 12v-os, a régi motorban volt. úgy tűnik ezzel jó lesz, mondjuk fél gáz kell, hogy 14V meglegyen!
Akkor probáld meg azzal a másik fesszabályzóval fesszabályzóval. Legalább kiderül a tekercsed müködőképessége.
Sziasztok valaki felismeri -e ezt a fesz szabályzot és netán tudná a bekötését és elmondaná megköszönném négykerekü robogohoz akarom bekötni.
Sziasztok!
Én a csatolt kapcsolást akarom megépíteni. Csak kicsit más itt a helyzet ugyanis 2 töltőtekercs van a motorba...ezeket párhuzamosan akarom összekötni, hogy nagyobb árammal tudjak tölteni, ugyanis elég nagy Ah -s akksit teszek bele, mivel szükségem van rá egyéb okok miatt... Egy töltőtekercs 21W leadására képes ami 12V fesz mellett ugye cca. 1.75A max. na most mivel ezek párhuzamosak lesznek így ugye 3,5A lenne a max töltőáram...a kérdésem az lenne, hogy ez a kapcsolás elbír annyit, vagy 2x -rezzem meg, és a két szabályzót közösítsem, ne a tekercsek végeit? |
Bejelentkezés
Hirdetés |














