Fórum témák
» Több friss téma |
Sziasztok. majdnem hogy mindent kicseréltem a Videoton végfokban 220 Ω-as ellenállásokat 0.16 Ω -at is és a Te 1820 tranzisztor párt BD243C párra. Vissza raktam a végfokot és csak búg nem reagál semmire , semmi mást nem csinál. Előzőleg elégtek a 0.16 ohm-os ellenállások és a 220-ok na meg gondolom a tranzisztor is tönkrement mert rövidzárt okozott.
A némítással és a tápoldal rendbetételével is megoldható a "koppanás" eltüntetése, mert az többnyire nem a végfok, hanem a szabályzó felől jön.
Üdv mindenki felújítottam az erősítőmet a teljes baloldali végfokmodult újragyártottam illetve a jobboldaliba a kondikat. tökéletesen működik, viszont úgy veszem észre hogy haldoklik a balance potim :S bár 30 éves erősítőnél nem meglepő szerintem.
Azt kérdezném hogy milyen potit vegyek bele? ha jól láttam 2x22K illetva az milyen log, vagy lineális köszönöm előre is a segítségeteket.Ja * kontaktal kezeltem egy ideig jó is volt de újra elgyengült a baloldal.
Szia nekem vannnak gyári vidi potik egyenes a gyárból
ha kell szólj
Sziasztok!
Nekem olyan problémám van ezzel az erősítővel, hogy bármilyen végfokkal is próbálnám hajtani. Az eredeti vagy a B5 akkor csak max hangerőn szól egy kicsit az erősítő. Mintha nem tudna elég teljesítményt biztosítani trafó. Egyszer ki lett szedve a helyéről, de mindent elvileg vissza helyeztünk bele, ahogy volt. Nah most azt nem tudom, hogy pontosan mi okozhatja ezt a problémát pontosan. A táp feszültség rendben van +-35V. Előre is köszönöm a segítséget.
Ha csak kis hangerővel szól, akkor nem trafó hiba, főleg, ha a tápfeszültséged rendben van.
Inkább a némítással lesz gond, vagy előfok hiba. Vagy egyszerűen rosszul lett bekötve.
Végfokkal hajtani??? Ez önmagában végfok már, erre csak hangfalat kell kötni, a bemenetére pedig kb. vonalszintű jelforrást.
Nemigazán értem, hogy mi a problémád, kicsit érthetetlenül fogalmazol.
Na * megoldódott a probléma. A fülhallgató kimeneten elrontotta az a kimenet hangját. Annyi kérdésem lenne még, hogy 4ohm-os hangszórót kötöttem az erősítőre és így mono rendszerű az erősítő. Tehát egyszer 100W. Ez így ezzel a trafóval működhet e, egészséges lenne e neki? Csak, mert 35-40 °C-os a vasmagja és nem tudom ez normális e.
Hát szerintem nem a legjobb, eleve hogy az erősítő 8Ohm-ra van tervezve és ha az eredeti tranyók vannak benne ( BD809 810 páros) az nem nagyon szereti azt.
Meg én kezdő úgy gondolom ha annyira meleg a tápod ott valami baj kell h legyen nekem majdnem teljes kivezérlés mellet 1-2 óra után sincs olyan meleg . A mono dolgot meg hogy értetted a két kimenetet összekötöd vagy mi ? Bocsi ha hülyeséget írogatok
Nem az eredeti végfokok nincsenek benne. 1db(ezért mono) B5-ös végfok van benne 100W/4-ohm.(BD249-250-es párossal) Elvileg elégnek kell pedig lennie szubra 60W tartaléka maradna. Csak a Puffer kondikat kell cserélni majd nagyobbra.
Hát végül is e hőfok fölé nem megy a trafó(35-40°C) teljes kivezérlés mellett sem.
Szia azóta újraépítettem az egész végfokmodult és sima fémréteg ellenállást tetem bele ilyet
Sziasztok!
Van egy ilyen tipusú erősítőm! Az a gondom,hogy bekapcsoláskor erős bumm jön a hangfalakból,és félek,hogy kiütöm őket! Hogy lehetne ezt megszüntetni? Ja és a kivezérlésjelző színét hogyan tudnám mondjuk kékre változtani? Ledcserére vagy ilyesmire gondoltam,csak nem tudom pontosan milyen belülről!
Sziasztok!
Én még új vagyok az oldalon, hát elég sok érdekes dolgot lehet olvasgatni. Lenne 1 kérdésem hozzátok, aki tud segítsen légyszi. Nemrég szereztem 1 Videoton 6383s erősítőt. A problémám az hogy az előző tulajdonosal ki próbáltuk és jól működött! Haza hoztam és ahogy szokás ki portalanítottam a belsejét kompresszor segítségével. A gond a bekapcsolás után kezdődött mivel, a jobb oldali hangszóró elkezdett pattogni, sercegni úgy hogy közben normálisan szól a zene rajta. A jelenség akkor jön elő ha a potmétert 1/2 pozíció körüli értékre tekerem(hangszín szabályzók 0 állásban), vagy ha fullra vannak állítva a hangszín szabályzók. Ilyenkor kb. már 1/4 hangerőn lehet hallani a hangszóróból a zajokat. Természetesen a loudnes be van mindig kapcsolva! Nem melegszik sehol sem. Már a kontakt spray-s dolgon túl vagyok.(amúgy jobb a hangjamint sok mai erősítőnek!) Mi okozhatja a problémát szerintetek? Segítséget,válaszokat várok. Köszönettel: istvanka.
Szia!
Lehet hogy hülyeséget írok de nem biztos, az tény hogy nem teszel túl nagy kárt ha a végfok panelen kicseréled az elkókat, meg egy próbát az is megér ha kicseréled a jobboldali lapot a baloldalira és fordítva, majd jelentkezik e a baloldalinál is e ez a gond ha jobb oldalt van. Érted mit akarok FONTOS a végfok tranyók szigetelésére figyelj semmiféleképpen ne érjen a hűtőbordához csillámlemezzel és szilikonzsírral lásd el, ha csak nem tűzijátékot akarsz! ![]() Ha ugyan úgy megmarad akkor leszűkítve a kör és nem a végfok csinálja hanem lehet hogy a hangszín okozza a gondot. De az tény ha kicserélnéd az összes elektrolit kondit az erősítőbe jobb lenne én is ezt tettem sokkal szebben szól mit azelőtt a régi kiszáradt kondikkal ![]() Linkelem a kapcsolási rajzot amit a fórumon amúgy megtalálni.
Szia.
Köszönöm a tanácsokat, a végerősítőket már kicseréltem még a múlt héten de ugyan az!!! Meg próbálom a két panel cseréjét is és majd meglátjuk hogy mit muzsikál! A kondikat már hozta a futár a tranzisztorokkal együtt amit már beleraktam. Csak annyi a probléma a kondikkal hogy nem kaptam csak állókat belőlük Nem tudom hogy probléma-e ez? A másik pedig hogy 40V helyett nincsen csak 50V értékű belőlük.
Szerintem meg ne költs rá feleslegesen, abból kell kiindulni, hogy elhozatal előtt jó volt, hazaszállítás és portalanítás után meg nem. Ez már eleve gyanús, hogy nem alkatrész hiba lesz, hanem valami érintkezési hiba.
Mozgatásra, rázkódásra előjövő hibára kell inkább gondolni szerintem. Az a baj, hogy nem sokat értesz hozzá, mi meg látatlanban nem sokat tudunk mondani, mert most méregetni, vizsgálódni kellene a készülékben, hozzáértő, tapasztalt szemmel. A leírás alapján ELEVE nem végfok hiba, mert a hangerő potméter állása és a hangszínszabályzó is befolyásolja a hiba hallhatóságát. Ezeknek meg nemigen van köze a végtranzisztorokhoz, vagy a végfok panelhez. Próbálj meg érintkezési hibát keresni a modulok csatlakozóinál. Van sok belőlük, okozhatnak ilyen hibát. Sokszor az is segít, ha csak annyit csinálsz, hogy kihúzod/visszadugod párszor a modulokat. Az aljuknál a csatlakozó közepén mindegyiknél találsz egy rögzítő csavart, meg a modulok tetejénél egy biztosító műanyag pántot. Ezeket vedd ki a modul ki/be húzogatása előtt, és figyelj arra, hogy félre ne dugd egyiket sem. Persze, mindezt csak feszültségmentes állapotban csináld, de gondolom, ezt nem kell külön leírni... Nem csak ezek okozhatnak ilyen hibát, hanem egyéb csatlakozók is, így nem árt mindet "megjáratni", meg a kapcsolósort szintén, kontakt spray befújása után. Én elsősorban ilyen hibákat keresnék a leírt előzmények után.
Hali!
Lehet hogy igazad van mert nemrég megcseréltem a két panelt és ugyan az a jelenség fordítva is a bal teljesen jól működik a jobb oldali helyén! Viszont a jobb oldali panel a bal helyén is ugyan azt produkálja! Üzem közben meg mozgattam és néha elmúlt a recsegés is! Még megpróbálom az összes érintkezőjét át tisztítani és meglátom hogy mi lesz!! (Mind a két panelt elkezdtem méricskélni és nincs különbség a műszer szerint!) Köszi a tippet!
Szia!
Ami a kondikat illeti nem baj ha nem axiális kondi van benne, nekem is radiális van benne. Kb az a különbség hogy az axiális drágább ez az én véleményem
Szia.
Szerinted melyik kondikat kellene cserélni? Azokat amelyek a vég panelen vannak? Vagy talán a szabályzó panelen lévőket is? Ha jól sejtem akkor ezek a furcsa zöldes sárga (liba...os) színűek ugye? Valamint észre vettem hogy a jobb oldali panelen a kis tranzisztorok közül 1-2-nek nem az a számozása mint a bal oldali ugyan azon a helyen levőnek!!! Lehet hogy már cserések vannak benne, ezek közül okozhat-e valamelyik hibája ilyen jelenséget???
Szia
Szerintem nem teszel rosszat ha van módod rá h mindegyik elcót kicseréled ugyan olyanra mint ami benne van persze újakra ![]() Megérdemel ennyi törődést, nem mai gyerek már. Az a sistergés recsegés meg valószínűleg mint előttem is írták valami kontakt lesz. Próbáld meg a potikat befújni kontakt spray-el. A recsegéshez még annyit hogy ugye írtad hogy cserélted a paneleket, és ha megmozgattad akkor olykor megszűnt a hiba akkor nagy valószínűséggel valami érintkezési hiba lesz tisztítsd meg jó alaposan a tűket és a foglalatot is. A nem egyező tarnyók nem feltétlen jelenti azt hogy rossz is helyettesíthető is ha az értéke közel azonos, összetudod hasonlítani ha pl megkeresed őket pl itt adatlapot is találsz hozzájuk.
Szia.
Már meg fújtam a potikat is, sőt a hangerő szabályzót is kicseréltem gyár újra és mégsem. Ilyen elkókat honnan lehetne rendelni mert a HQ-nál nincsen!? Még próbálkozom a csatlakozókkal, ahogy elnézem őket tiszta feketék, lehet hogy melegedés meg oxidáció?
Nekem sok gyári kondim van meg tudok is szerezni ha meg írod milyen kell megézem van e
Üdv mindenki
Építettem pluszba 2db végfokpanelt tartaléknak, de úgy döntöttem hogy ha már megvan akkor készítek egy erősítőt belőle ![]() Nos olyan kérdésem lenne hogy van nekem egy rosz szétbelezett Sony TA-F100-as erősítőm aminek a tápja hibátlan 220V 50/60Hz 85 Watt ez sok lenne neki ? Letekerni nem szeretnék róla meg macerás is, én arra gondoltam hogy pl izzóval levenni a teljesítményéből vagy nem szerencsés ötlet ?
Az izzós megoldást remélem nem gondoltad komolyan.. Amúgy nehéz megmondani, hogy sok lenne e neki, mert nem írtad, hogy mekkora a feszültsége.
Szia! belegondolva nem gondoltam komolyan
Nem tudom mennyi a fesz amit lead a trafó mert nincs nálam és sajnos nem tudom így kimérni se. Annyit tudok róla amit írtam illetve hogy 4700µF/63V-os a puffer kondi, illetve ha minden igaz 2N3055 tranyó volt benne és újraépített volt a végfok, úgy vette régen tesóm
Üdv.mindenkinek!
Az EA 6383S erősítőmmel volna egy kis gondom. Mégpedig,hogy a kijelzője nem egyformán világít. A 0.01-7W-ig halványan a 10W erősebben a 30W még erősebben és a 100W a legerősebben,szerintem a 100-as a normál fénye,az ismerősömé az végig úgy világít mint nekem a százas. Ezalatt a számokat értem! A két csatorna kijelzésében is gond van,mindkét csatornán az első három ( úgymond kocka ) 0.2W-ig halvány és utána erősebb. Ha viszont növelem a hangerőt az első három mindkét oldalt halványodik és a többi mindkét oldalt erősödik. Mi lehet a gond,mit kellene cserélnem,hogy minden része egyforma erősséggel világítson? Válaszokat és a segítségeket köszönöm!
Mivel az erősítő élete során a kijelzőnek javarészt az első fele világított (alacsonyabb hangerőn üzemeltették) ezért a kijelző ezen a szakaszon elgyengült. Az egész kijelző egységet kéne cserélni.
Üdv. "köbzoli és cruisher"
Köszönöm a válaszokat! Részben egyet értek veletek,de akkor a számoknál hogy lehet ez a jelenség amikor azok mindig egyformán és ugyanannyi időt világítottak,még is csak a vége világít megfelelően,ez mivel magyarázható? Egyébként tudnátok olyan helyet ahol még beszerezhető volna?
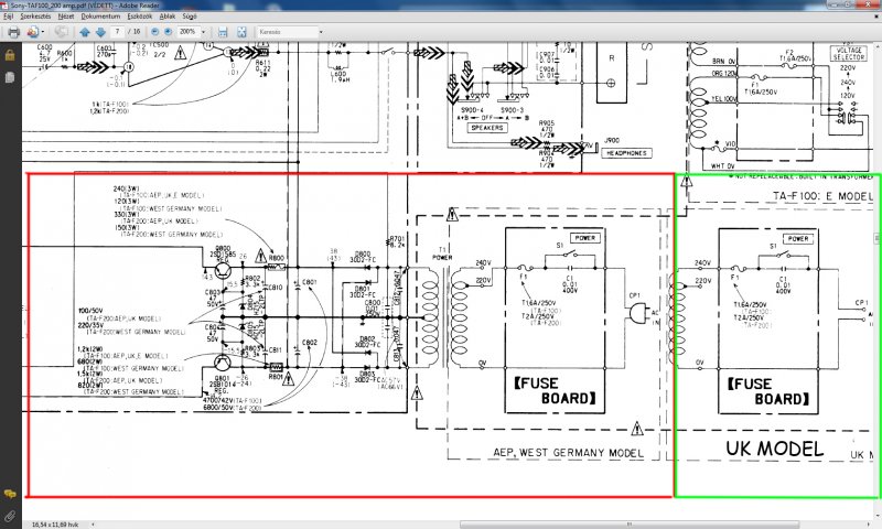
Szia! most van egy kis időm és rá is találtam sok sok google-val eltöltött idő után a kézikönyvére a TA-F 100 Sony-nak. Na most ennek a trafójából szeretnék maximum +-40V DC az oké hogy egyenirányítom az AC-t egy graetz híddal és utána ?
Köszönöm előre is a válaszokat. |
Bejelentkezés
Hirdetés |




köszönöm előre is a segítségeteket.
Nem tudom hogy probléma-e ez? A másik pedig hogy 40V helyett nincsen csak 50V értékű belőlük.






