Fórum témák
» Több friss téma |
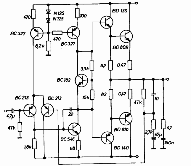
Leradíroztam a végfokról a némítást és a rövidzárvédelmet, meg a számomra zavaró sallangokat, + átrajzoltam a végtranyókat a helyükre. Megnézné valaki hogy jó-e így ? Illetve jól látom hogy ez egy darlington kimenet valójában ? Nem lehetne valami mai jófajta darlington tranyókat betenni a bd139/140-bd809/810 helyett ? Hátha jobb lenne.
Lehetne darlington komplementert alkalmazni.
Na megcsináltam, sőt továbbmentem és még jópár alkatrészt kivettem, és most sokkal jobban szól, van olyan jó mint egy jó nyugati erősítő. Az előfokot teljesen kiiktattam, csak a bemenetválasztó, a phono fokozat, és a hangerőpoti maradt meg. Ami nagyon érdekes volt hogy kiderült hogy a bekapcsolási puffanást nem a végfok okozza, az önmagában nem csinálja. A hangszín-fokozat okozza. Először csak azt vettem ki és a be/kimeneteit átkötöttem és máris nem volt bekapcsolási nagy bumm. Ja és kicseréltem a bd139/140 párokat újra, + a bemeneten és a visszacsatolásban a 82k-sokat 47k-ra cseréltem.
A vedelmi aramkort kiszedni ebbol az erositobol veszelyes atalakitasnak tunik. A Videoton tervezoi ugyanis valamilyen megfontolasbol (talan a konnyebb szerelhetoseg miatt
) a meghajto es a szinteltolo tranzisztorokat nem szereltek a vegtranzisztorokkal kozos hutofeluletre. Ez alapvetoen hiba, hisz nagy kivezerlesnel konnyen tonkremehet az erosito ha a vegtranzisztorok meghalnak a homegfutas jelensege miatt. Ez egyebkent az ilyen (darlington emitterkovetos) vegfokokra jellemzo jelenseg ha rosszul vannak osszeszerelve. Viszont az erosito (es azon belul a vedelem) feltehetoen ugy lett megtervezve, hogy a homegfutas jelensege ne kovetkezhessen be vagy az eselye minimalis legyen; talan ezert is lehetseges, hogy nem szereltek a meghajto es szinteltolo tranzisztorokat a hutobordara. Mindenesetre en a vedelmet nem szednem ki az erositobol. Normal, szobahangeron hallgatva az erositot valoszinuleg nem lesz semmi problema vele, de nem vagyok meggyozodve arrol, hogy ha az erositot komolyabban kivezereljuk alacsony impedancias terhelesre akkor hosszu ideig tuleli azt. Mayan! Egy erosito tervezesekor, epitesekor vagy atepites, modifikalas eseten nem csak a vak szerencsere, a megerzesekre es probalgatasra kellene hagyatkozni, hanem erdemes gondolkodni is elotte mit miert csinal az ember, milyen valtoztatasnak milyen hatasa lehet az erositore es olyan valtoztatasokat, olyan tanacsokat adni masoknak amik muszakilag is indokoltak, kiprobaltak es minden korulmenyek kozott jol is mukodnek. Nem vagyok meggyozodve arrol ugyanis, hogy a valtoztatasaid utan ez az erosito ugyanolyan biztosan es biztonsagosan mukodik mint az eredeti valtozat! Szerk.: Tovabba kiszedtel 2 miller kapacitast is, az erositest kb. a felere csokkentetted illetve a visszacsatolo ellenallas es a vele parhuzamos 10pF-os kondi altal alkotott RC kor toresponti frekvenciajat feljebb toltad kb. 140kHz-el. Nyilvan tudod, hogy ezeknek milyen hatasuk van az egesz erosito mukodesere ...
Hello!
Megtudná-e mondani valaki, hogy Lineális vagy Logaritmikus hangerő szabályzó kell ebbe a fajta erősitőbe? Köszi elöre is!
Ha új kerül bele, akkor log.
Köszi a gyors választ. Méregetem épp a régi potit... 100Kohm-os?
100, ha jól emlékszem. Viszont a loudness nem fog működni.
Talán nem is hátrány.
Szia EA6383 s hez vékfokpanel rajzod nincs? megköszönném
Hali feltudna rakni vki egy normális és pontos alkatrészlistát az új panelhoz megköszöném nagyon
Szia Ha a rossz végfok modulokra nem tartasz majd igény kérlek gondolj rám én szívesen lennék az új gazdájuk ... Előre isköszi
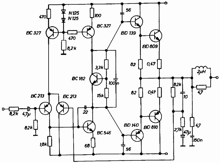
sziasztok van egy Videoton Ea 6383 S erösitöm semmi baja csak lenne egy kérdésem hogy a végtranyók benne BD809 és BD810V ezeket érdemes lenne BD249 és BD250 lecserélni??? meg a meghajtóka milyenre kéne kicserélni mert ugy rémlik BD139van benne vagy mi már nem jut eszembe...
![]() aki tud kérem szoljon hozzá köszönöm infókat várom
Ha működik, miért kéne cserélni?
Szerintem is tök felesleges kicserélni ha működik. Semmivel se lesz jobb.
Üdv.
Van egy ilyen vidim és csak annyi kérdésem lenne hogy a VR07-es ellenállásom elfüstölt azt tudom h 470 ohm, csak azt nem tudom hogy Fémréteg ellenállás kell e bele az olyan 0,6Watt vagy huzalellenállás? Illetve egy olyan kérdés van rá esély h ha ez kiment akkor kaphattak valamit a végfoktranyók is ? És ha igeb akkor a BD911-912 páros ugye jó bele a lébkiosztása ugyan az ? vayg ha nem van valakinek leírása róla ? bocsi csak még kezdő vagyok
Üdv mindenki
olyan kérdésem lenne hogy a Videoton Ea 6383 S típusú erősítőmbe keresek Tranzisztor méghozzá a BF244A (vt03) illetve a BC213B (vt06, vt14) tranzisztorokat, de nem találtam a hesore-n tudna valaki adni tippet h hol keressem ? illetve ha nem kapható akkor helyettesítésre mi lenne a legmegfelelőbb ? Köszönöm előre is a segítséget
Köszönöm a segítséget
Jobban jársz, ha a végekre MJ2955T-MJ3055T párost teszel!
Tiszteletem Uraknak! Érdeklődnék, lenne-e valaki, aki elvállalja az ilyen típusú erősítőm javítását? Én nem vagyok hozzáértő, ennek ellenére hajtott a kíváncsiság, napokig olvasgattam az interneten, aztán szétkaptam a cuccot, de nem sikerült megjavítani. A környéken a szerelők azt mondták, miután már belekontárkodtam, nem vállalják a javítást.
A problémák a következőek: úgy kezdődött minden, hogy kölcsönadtam, és úgy kaptam vissza, hogy a bal oldala nem volt benne (mint később kiderült az egész végfokozat panelt kivették belőle). Aztán a maradék végfokozat ic-k közül az egyik kettétört használat közben. Elpukkant v mi. Én kicseréltem, de semmi... Aztán még buherálgattam... A kérdésem: valaki elvállalná a felújítását, és a bal oldali végfokozat panel megépítését? A választ, válaszokat előre is köszönöm.
Sziasztok van egy EA 6383 S erősítőm bekapcsoláskor koppannak a rájuk kötött hangfalak.... Mitől lehet ? lehet e orvosolni? köszönöm
Hát koppanásgátlóval orvosolni lehet mindenképp, de ha régebben ezt nem csinálta akkor bele kellene merülni a lelki világába az erősítőnek.
Koppanás gátlóm nekem is van. Régebben hogy csinálta e vagy nem nem tudom használtba vettem. Egyik ismerősömnek van ilyen állítása szerint az övé nem koppan.... hiába vagyok műszerész nem jöttem rá mi okozhatja a hibát
épp kapcsolási rajzot böngészek valami csak lessz
Szerintem nem találsz olyat Videoton-ba ami ne koppanna. Az újabbak már nem koppannak mert van bennük relé. Ilyennek kell elfogadni vagy marad a koppanásgátló.
|
Bejelentkezés
Hirdetés |









) a meghajto es a szinteltolo tranzisztorokat nem szereltek a vegtranzisztorokkal kozos hutofeluletre. Ez alapvetoen hiba, hisz nagy kivezerlesnel konnyen tonkremehet az erosito ha a vegtranzisztorok meghalnak a homegfutas jelensege miatt. Ez egyebkent az ilyen (darlington emitterkovetos) vegfokokra jellemzo jelenseg ha rosszul vannak osszeszerelve. Viszont az erosito (es azon belul a vedelem) feltehetoen ugy lett megtervezve, hogy a homegfutas jelensege ne kovetkezhessen be vagy az eselye minimalis legyen; talan ezert is lehetseges, hogy nem szereltek a meghajto es szinteltolo tranzisztorokat a hutobordara. Mindenesetre en a vedelmet nem szednem ki az erositobol. Normal, szobahangeron hallgatva az erositot valoszinuleg nem lesz semmi problema vele, de nem vagyok meggyozodve arrol, hogy ha az erositot komolyabban kivezereljuk alacsony impedancias terhelesre akkor hosszu ideig tuleli azt.
A problémák a következőek: úgy kezdődött minden, hogy kölcsönadtam, és úgy kaptam vissza, hogy a bal oldala nem volt benne (mint később kiderült az egész végfokozat panelt kivették belőle). Aztán a maradék végfokozat ic-k közül az egyik kettétört használat közben. Elpukkant v mi. Én kicseréltem, de semmi... Aztán még buherálgattam... A kérdésem: valaki elvállalná a felújítását, és a bal oldali végfokozat panel megépítését? A választ, válaszokat előre is köszönöm.




