Fórum témák
» Több friss téma |
Fórum » Labortápegység készítése
Ha az én tervemet építed, akkor várd meg a hétfőt, és vegyél nyákot, mert a TO3-tokos tranyókat nem lehet "kifordítani".
Ha másik tervet építesz, akkor is az előbbiek szerint járj el, mert 200 Ft miatt nem érdemes rondát és átláthatatlant építeni. Ha egyéb verzió van, tehát mondjuk huzaloznád a tranyókat (még kimondani is borzalom), akkor azt ne tedd. Ilyesmit ma már nem illik csinálni, hiszen csúnya, tele van hibalehetőséggel, nagyobb az egész. Egyszóval csak hátránya van, előnye meg nincs.
Üdv, a Pionner féle labortápban(a nyákterv szerint) hogy kell bekötni a 2N3055-öt?
Kérdés hogy ennél a kapcsolásnál mit jelent a tp 1 tp 2 tp3 mert nem nagyon világos d szerintem a tp egy a nulla tp2 a trafó egyik ága a tp 3 meg a másik mert csak úgy van értelme nem? Bővebben: Link
Egy 2*12 V -os transzformátor középleágazásos szekunder tekercsének kivezetései. A két szélén tp1; tp3 a tekercs két vége, a tp2 a közepe.
Nekivágtam az Alkotó vs. Proli007 előválasztó megépítésének.Íme pár kép a kimart, szitázott panel(ok)ról.
Szia.
Gratula a panelekhez szépek lettek.Szitához honna vetted a feliratot mert nekem beültetési van meg de azon rajta van (zöld szin gondolom a fóliát jelöli)?Illetve csatoltam egy panel beültetést ehez szerinted szintén lehet szitát csinálni,azért kérdezem mert szitázással még nem foglalkoztam! Köszi a segítséget.
Nos.
Foxit pdf editor-t és "fotó bolt"-ot hívtam segítségül. Bár lehet egyszerűbb lett volna Alkotótól kérni egyet .Megjegyzem a utóbbi programot utoljára vagy kb 6 éve "próbálgattam". Kérdésedre a válasz igen ha mérethelyes az ábra.Némi szín csere ill. eltávolítás és átméretezés és megoldható.
Alkatrész feliratot azért nem tettem fel, mert nem kérted. A szitázás bonyolult, és kimondottan gazdaságtalan technológia néhány darabos gyártás esetén. A vasalásos feliratkészítés általában tökéletesen beválik ilyen célra.
Nem értek egyet az ilyenfajta "megoldásokkal". Azt sugallja a többieknek, hogy a tisztességes elkérés helyett, van más lehetséges megoldás is. Ez NEM JÓ!
Javaslom, inkább Pioneer-rel beszélj!
Sziasztok!
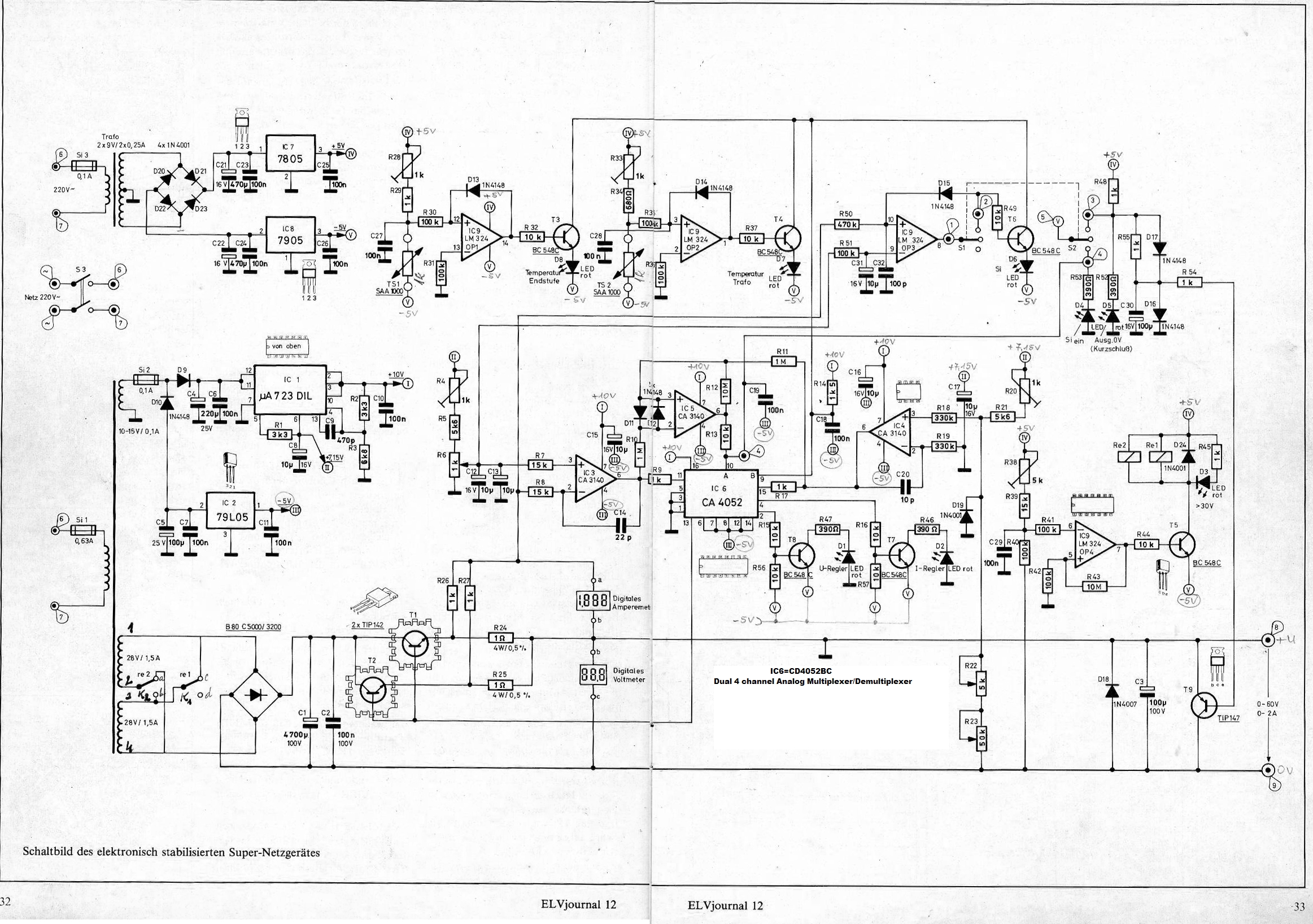
Nemrég a kezembe került egy régi (talán 86-os) német Elektor újság, amelyben a következő labortápot találtam, teljes dokumentummal, leírással, nyáktervvel, és persze (az akkor még elmaradhatatlan) fólia nyákkal. -0-60V/0-2A -relés előválasztó (leddel jelezve) -hő érzékelők (led) -DC on/off kapcsoló -feszültség és áramgenerátos visszajelzés (led) -fesz durva és finom szabályzó -digit amper és voltmérő -kereskedelmi forgalomban ma is kapható alkatrészek (talán a hő érzékelő elemet -SAA1000- nem kapni) Elég jól néz ki, de nem igazán értem a lényeget, mit keres (mint csinál) egy labortáp központi elemében egy Analóg Multiplexer/Demultiplexer? (lehet hogy meg kéne tanulnom németül) Mivel az Elektoros leírásokkal nem szokott gond lenni, biztos vagyok benne, hogy ez egy jól működő kapcsolás, és (majdnem) minden benne van ami az itt is tárgyalt és készülő tápokat illeti. Addig is fölteszem, mint érdekesség.
Na ne.Idáig azért nem fajulnék, még legkevésbé sem.
Csak gondoltam ha már van egy kis időm akkor miért is ne próbáljam meg össze hozni.Az csak a metódus felvázolva volt,hogy mivel hoztam össze.De még a végén én kérek elnézést.
Szia!
Parancsolj, itt van hozzá az alkatrészoldal a szitázáshoz.
de ha nekem nem 2* 12 voltos trafóm van akkor mit csináljak és hogyan lesznek a vezetékek
S megis milyen feszultseggel bir a transzformatorod?
Ha a 2szekundered (kozel) azonos feszt (es kozel 12V-ot) es aramot tud leadni, akkor a az egyik tekercs veget a masik tekercs kezdetevel kosd ossze, s ez lesz a kozepleagazas akkor.
bocs ezt nagyon elszúrtam nem kettő hanem csak két kábel jön ki a trafóból amúgy meg 8 ampert bír
Azzal sincs semmi baj!
A 8A az szep kis aram , s mekkora feszultseg merheto a szekunder ket vege kozott?[Van a forumban olyan tapegyseg is ami megelegszik a 2 kivezetessel is.
Ez nem melegszik és nagyon csöndes és 12 V
Kedves baratom!
Az nem melegszik, hanem megelégszik .Viszont a 12V az lehet keves lesz. Bar ha nem kivansz kb 9V-nal tobbet kivenni a labortapodbol, akkor..
Nos eben az esetben van egy 24voltos is 3 amperrel az akkor jó lesz?itt csak 12volt van irva
Szia!
Köszönöm szépen magam és mindenki nevében segítséged és fáradozásodat.
Szívesen.
Szia Alkotó.
Akkor szeretném megragadni az alkalmat és a mellékletben szereplő táphoz ill panelműszerhez szeretném elkérni a beültetési szitázást az alkatrészoldalra.Természetesen neked is szeretném előre is megköszönni fáradozásodat és munkádat magam és mindenki nevében.
De a linkelt rajzodhoz, szinten a kozepleagazasos tarfo kell!
Ha a 24V-t tudo trafod nem ilyen akkor keres masik rajzot ami csak ~24-26V-t ker, es eleg neki az egy szekunder is. Van ilyen, hasznalj keresot. Alkoto / Proli / Pionner alkotasai kozul pl.
Hello!
Elég érdekes megoldás, de hogy ennyi hozadéka van, azt csak próba alapján lehetne eldönteni. Minden esetre, a 4052 szerepét, csak akkor lehet megérteni, ha kirajzolja az ember az IC kapcsolását, mert a rajzról csak azt lehet látni, melyik lábát hova kell kötni. - A 4052-őt ne nevezzük itt MPX-nek, inkább egy két-áramkörös négy-állású kapcsolónak, melynek állását az A és B pont logikai feszültsége vezérli. - A kapcsoló egyik fele, a végtranzisztorok bázisáramát kapcsolja, a következő szerint: Ha A pont szintje alacsony, akkor a bázisokat az IC4 feszültség szabályzó vezérli. Ha A pont magas, akkor a bázisokat az IC3 áramkorlát szabályzója vezérli. Hogy éppen a feszültség vagy áram szabályzó működjön-e, az IC5 komparátor dönti el, IC3 és IC4 kimeneti feszültsége alapján. Hiszen ha az 1ohm-os Shunt ellenállásokon eső feszültség alacsonyabb, mint az R6 potin beállított áramkorlát értéke (nincs túláram), akkor IC3 kimeneti feszültsége magas szinten van, ehhez képest IC4-nek csak alacsonyabb szintje lehet. Tehát az A pont feszültsége alacsony szintű. Ellenkező esetben (ha a terhelő áram meghaladta a beállított értéket) akkor magas szinten áll. Ez a két állapot között az A pont feszültsége választ, mind addig, míg a B pont feszültsége magas szintű. - Mert a B pont logikai állapotát, a bekövetkező "hibák " állítják be. Ha nincs gond, a B pont magas szintű. Ha TS1 vagy TS2 hőmérséklete magas (ez egy PTC lesz), vagy IC9 túláramot érzékel, vagy DC-Off van stb. akkor B pont szintje alacsony értékre vált. Ekkor a kapcsoló, a két végtranzisztor bázisát, -5V-al lezárja. (ekkor A pont feszültsége hiába változik, mert a kapcsoló mind két bemenete a -5V-ra van kötve) - Tehát a kapcsoló 0 és 1-es állásában ki van kapcsolva a tápfesz, 2-es állásban feszültség, míg 3-as állásában áram szabályozás van. A másik négyállású kapcsoló, nem tesz mást, mint kapcsolja az üzemmódnak megfelelően D1-D2 Led-eket. Tehát 0 és 1 állásban ki vannak kapcsolva a Led-ek, míg 2-es állásban D1 (feszültség szabályozás) illetve 3-as állásban D2 (áram szabályozás) jelez. Ennyi az egész üdv! proli007
húúú..ez nem volt semmi.Köszönöm!
Ha a 4052 egyfajta kapcsolóként működik, akkor kíváncsi lennék mit csinál a könyökpontban, épp akkor amikor átmegy feszültség generátoros módból áram generátoros módba..fogja magát és egyszerűen átkapcsol, egyfajta vagy kaput képezve? És ha igen ezt nem érezni vagy nem látni a kimeneten? És mi az előnye ennek a megoldásnak? (nálam még mindig sok a szürke folt..bocs)
Helló.
Találtam trafót a labortáphoz. Azt szeretném kérdezni hogy a Pionner féle tápban hogy kell bekötni a 2N3055 -ös tranyókat [a tranyóm melyik a kimenet, bemenet és a gnd]
Ezt a kérdést nem értem, hogyérted, hogy a tranzisztor kimenete, bemenete, GND-je...
Egy tranzisztornak nem kimenete, bemenete, GND-je van. Hanem Emitter, Bázis és Kollektor kivezetése (lába). Nem linkelted, hogy konkrétan melyik tápról is van szó, mert itt már rengeteg féle táp napvilágot látott, de egy biztos, hogy az összes kapcsoláson egyértelműen vannak jeölve a tranzisztotok kivetetései. Továbbá, ha a nyákra rá van tervezve a TO3 tok, akkor annak a beültetését nem lehet eltéveszteni, úgyanis rosszúl betéve nem passzol bele.
Üdv.
Ezt építem. Az a gond hogy a nyákra NEM TO3 tok van tervezve... és még csak az sincs odairva hogy melyik az Emitter, Bázis és a Kollektor. Azért kérdeztem a ki/bemenetet mert ugy meg tudom állapítani magamnak a bekötést a nyák alapján...
Pedig nem bonyolult.
Egy kis rajzolvasasi gyakorlat. Megnezzed, hogy az eszkoz melyik labara megy pl az R13-ra. Aztan vegig koveted, hogy a 3felvezeto melyik laba kapcsolodik a C1 kondihoz. Kizarasos alapon a 3lab mar kikovetkeztetheto. Sorry... de a segitsegnek ez is egy formaja. |
Bejelentkezés
Hirdetés |






.


, s mekkora feszultseg merheto a szekunder ket vege kozott?


Egy tranzisztornak nem kimenete, bemenete, GND-je van. Hanem Emitter, Bázis és Kollektor kivezetése (lába). Nem linkelted, hogy konkrétan melyik tápról is van szó, mert itt már rengeteg féle táp napvilágot látott, de egy biztos, hogy az összes kapcsoláson egyértelműen vannak jeölve a tranzisztotok kivetetései. Továbbá, ha a nyákra rá van tervezve a TO3 tok, akkor annak a beültetését nem lehet eltéveszteni, úgyanis rosszúl betéve nem passzol bele. 




