Fórum témák
» Több friss téma |
- Ez a felület kizárólag, az elektronikában kezdők kérdéseinek van fenntartva és nem elfelejtve, hogy hobbielektronika a fórumunk!
- Ami tehát azt jelenti, hogy a nagymama bevásárlását nem itt beszéljük meg, ill. ez nem üzenőfal! - Kerülendő az olyan kérdés, amit egy másik meglévő (több mint 17000 van), témában kellene kitárgyalni! - És végül büntetés terhe mellett kerülendő az MSN és egyéb szleng, a magyar helyesírás mellőzése, beleértve a mondateleji nagybetűket is!
Használd a LED előtét ellenállás (soros LED) kalkulátort és figyelj arra,hogy több nagy fényű led is van ami több mint 3V-ról müködik és az esetben nem jó a 9V csak ha másképp kötöd őket be.
igen rájöttem inkább párhuzamosan kötö őket mivel a fehér lednek 3,4V kell proteusban lesimuláltam és jó !
Ilyen eredmények jöttek ki piros led elé :120R kék led elé:100R fehér led elé : 91 R Össsz fogyasztás 170mA
Na én most lépek,de a többiek biztosan segítenek még ha kell.
Üdv!
Tudna valaki ajánlani egy olan minél egyszerűbb kapcsolást ami figyelné egy 9voltos elem állapotát és kb5-6 voltnál egy leddel jelezné, hogy merült az elem? Előre is köszönöm!
Van hozzá topik. Keresőt használd ! ! !
Kerestem. Megtaláltam, nekem ennél egyszerűbb is jó, annyi kell, hogy ha lesesik a fesz 5-6volt körülire, akkor világítson 1db led. Mivel ez egy zsebben elférő szerkezet lenne, fontos a kis méret, ezért is kellene egy egyszerűbb.
Szia.
Egy 5V1 vagy 5V6 zéner, egy tranzisztor és két-három ellenállás. Hirtelen egyszerűbb nem jutott eszembe. Külön táp se kell neki.
Üdv!
Az 5,6 os jó lenne, esetleg levázolnád nekem hogyan is kellene összekötni őket?
Értem. Ez eszembe jutott, de félő, hogy a szenzor
másodpercenkénti több 10 táp elvétele nem segít a dolgon. Élettartam nagyon lecsökken?! Holnap kipróbálom.
Szia!
Kicsit elsiettem a dolgokat. Elsőre egy tranzisztorral is kivitelezhetőnek tűnt. Sajnos most nincs sok időm gondolkozni rajta ezért hamar előkerestem inkább egy kapcsolást. Annyi a dolgod, hogy a buzzert led-re cseréled megfelelő előtét ellenállással (Led-től függ).
Sziasztok!
Megépítettem EZT A kapcsolást. Annyi a probléma, hogy egyik led folyamatosan világít , még a másik normálisan villog. 47 mikrofarádos elektrolit kondik vannak benne. Segítsetek nekem , mi lehet a probléma ? Köszönöm
Ellenőrizd hogy nincsen e valahol elkötés vagy zárlat. Ellenőrizd a tranzisztorok bekötését és hogy nem e mentek tönkre.
Az alkatrészek újak . Elkötést nem találtam :l
Rendben, várom és köszönöm!
Cseréld ki nagyobbra az elkót, hátha.
próbáltam , ez sem működött :O De azért köszönöm a tippet
Az ellenállások értékei olyanok mint a kapcsolási rajzban?
A LED-ek nincsenek fordítva bekötve? Mérd át multiméterrel hogy tényleg nincsen e zárlat.
Ellenállások ok , rövidzár nincs.
A boltos BC 183 ast adott ,azt mondta azzal is működni fog. Lehet hogy az a baj ?
Az nem baj mivel a lábkiosztásuk megegyezik. nem égetted el a tranzisztorokat amikor forrasztottad őket a panelre? Érzékenyek a hőre ezért is kell őket gyorsan forrasztani. A LED-eket ellenőrizted hogy egyik nincsen e fordítva kötve mert elméletileg az is meggátolhatja az áramkör működését.
Hali. Lenne egy kérdésem tranzisztorral kapcsolatban. Van egy lego technic távirányítós autó, ami nem kanyarodik ha nyomom a távirányítóján a kormány kapcsolóját csak az egyik irányba. Na szétkaptam. A távirányitó jónak tünik. Kondik, vezetékek ellenállások végignézve. Szétkaptam az autó részét. Találtan egy gyanús smd tranzisztort. A kollektor és az emittere között megugrik a feszültség 943körül majd visszaáll 0-ra a multiméterem amikor ellenörzöm.Amikor fölcserélem a polaritást a kollektor és az emitter között ez a jelenség játszódik le egyszer. Még nem forrasztottam ki a nyákból. A bázisról(+) kollektor és emitter irányba müködik szépen 640 körüli értékeket kapok.SMD-s cucc jelölése L Y . A Q1 helyen a nyákon.
Ö lenne az Bővebben: Link Nekem gyanús a kollektor és az emitter között felbukkanó 943 körüli szám dióda teszter módban.
Hát nem lefelejtettem!?
Elnézést.
Hello mindenkinek!
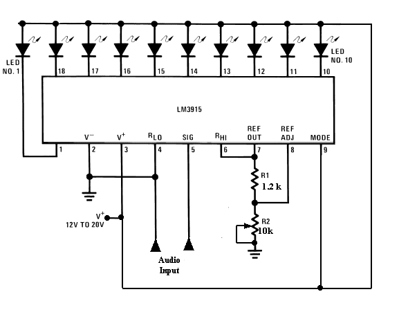
Van ez a kapcsolás már egyszer megépítettem normál fényű ledekkel de most átalakítanám teljesen úgy hogy nagyfényerejű ledeket raknék bele! kell e ellenálás a ledek után vagy csak kössem a 12v ra mert a rajzon nincs jelölve?
Attól függően hogy a LED-eknek mekkora az áramfelvétele kell ellenállás amit ki kell számolni. Az az áram ami egy led ágában fog folyni függ attól is hogy ez az IC mekkora maximális áramot visel el a kimenetein.
hát aszt tudom hogy 20 mA bír a kimenetei zöld ledet raknék bele 1-1 lábanként
100R ellenálást raktam normál színű ledek elé tökéletes működött
Szerintem jó lesz bár ha azt nézzük hogy 12V-ról üzemelteted akkor ez egy kicsit kevésnek bizonyul. Mekkora az IC kimenetén levő feszültség? A 100R-es ellenállással max 2V lenne mérhető ohm törvénye alapján.
Üdv!
Összerakom, remélem jó lesz, köszi szépen a segítséget!
Igazán szívesen. Tranzisztoroknak szinte bármilyen pnp BC is megteszi. Nem kell ragaszkodj a rajzon levőkhöz. Akár az R ellenállást potira is cserélheted, hogy a kívánt értéket egyszerűbben beállítsd. Azután meg ha akarod szimplán helyettesíted egy ellenállással.
Üdv!
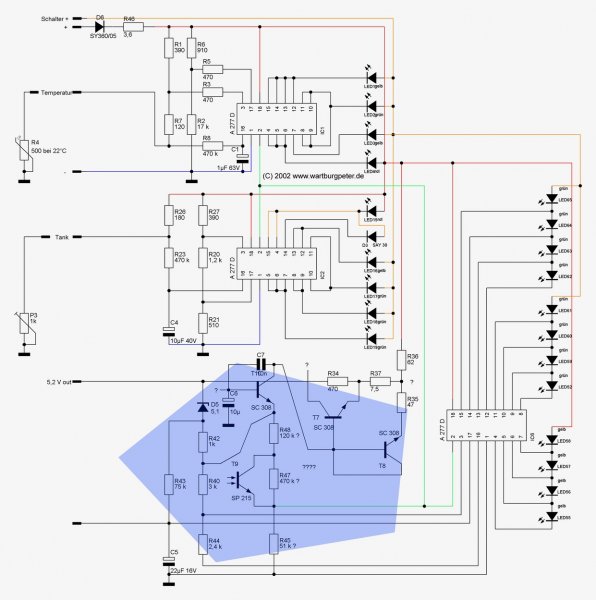
Remélem jó helyre írok. Nem találtam olyan topicot ami kapcsolásirajz-értelmezéssel foglalkozik, ha nem jó, valaki pakolja át a megfelelő helyre. Adva van a következő kapcsolás. Konkrétan a 2ütemü Wartburg műszeréé. A kérdés: az IC6 milyen jelre világitja ki a ledjeit? 0-5 V ra semmi reakció nem volt, pedig elvileg az átfolyásmérő elvileg fordulattal arányos feszültséget ad ki. |
Bejelentkezés
Hirdetés |





Elnézést.







