Fórum témák
» Több friss téma |
Fórum » Keverőpult építése, javítása
köszi a segítség nyújtásodat de nekem nem ilyen kellene hanem olyan amilyennel lehet mixxelni rendesen mondjuk a az egyik zene szól az erősítőn keresztűl a másikba meg bele lehet hallgatni és így ezzel a módszerrel lehet egy tempójura állítani a zenét és persze egy ritmusra nekem olyan keverő kellene amellyel bele lehet hallgatni a másik zenébe amúgy köszi a segítséget a hangszín szabályzó jó lesz olyan kapcs rajz nincs amiben lehet állítani a magas,közép,mélyet?
Üdv mindenkinek
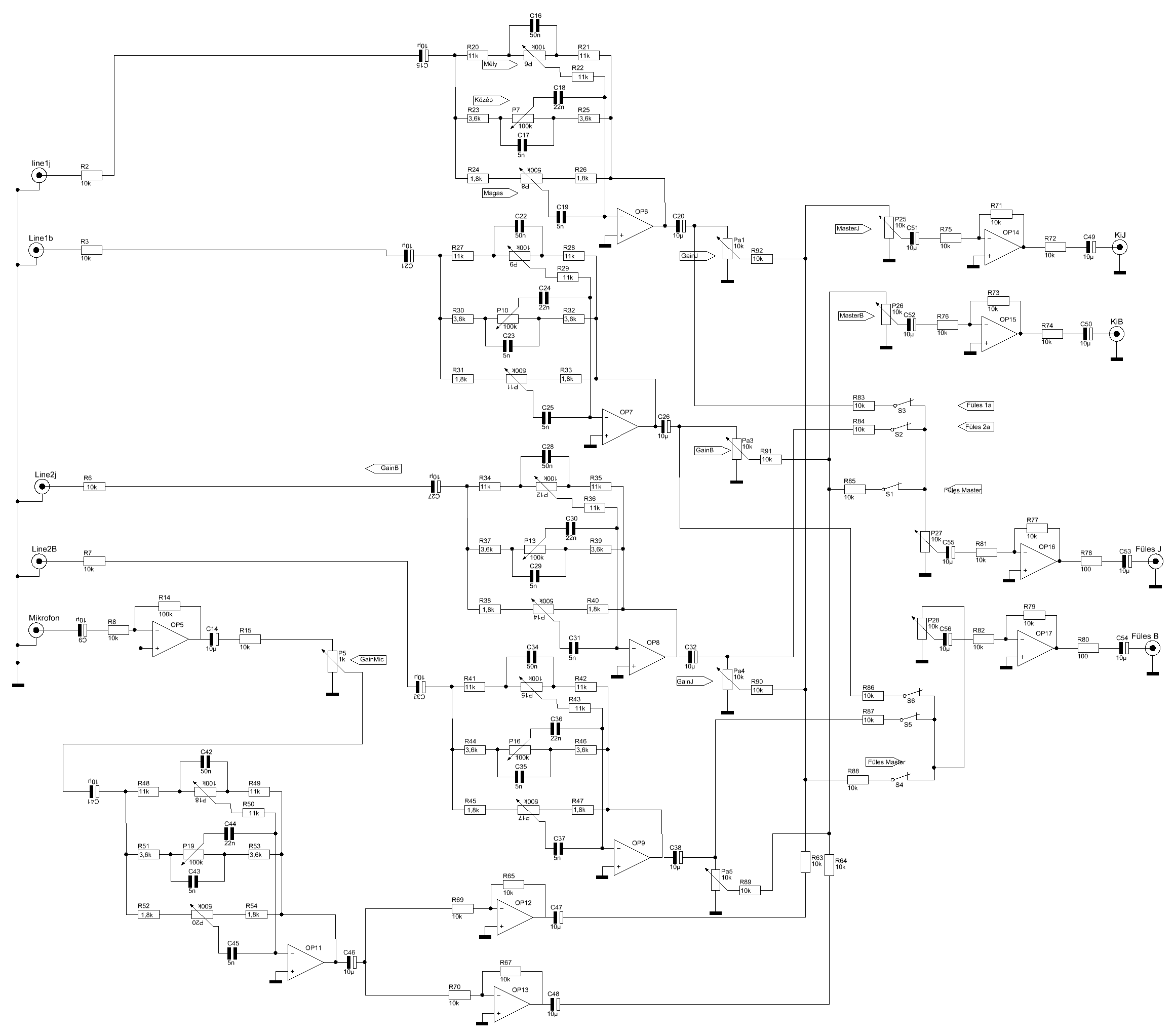
Szia! Kiindulásnak az én verzióm.
köszi a segítséget de ehhez még kezdő vagyok
![]() Ha tudnál nekem olyan kapcsrajzot szerezni ahol nincs phone/line kapcsoló, crossfaider,mikrofon erősítő-dugalj azt nagyon megköszönném
Crossfader nélkül hogy akarsz rendesen DJ -zni?
Átúsztató poti mindenképpen ajánlott, anélkül egyszerre két potit kell húzogatnod, ha egymás után akarsz keverni két számot egymásba úsztatva. Egyik potit lefelé, másikat meg közben felfelé kellene toligálni...
igazábol én csak a saját szórakozásomra djzek nem szereték olyan komoly keverőt van vkinek crossfader meg mikrofon nélküli kapcsrajza és NYÁK terve?
Előbb-utóbb úgyis eljutsz oda, hogy kellesz egy jobb, komolyabb...
Építve nem biztos, hogy olcsón megúszod. Előrébb ajánlottak 5000 -ért egy kétcsatornásat. Annyit bőven megér szerintem. Annyiból nem hozod ki...
Most jön az, hogy még ez is bonyolult...
Nembaj van másik
![]() de még ennél is tudok egyszerűbbet amihez még ic se kell, úgy hívják passzív keverő.. saját célra elég az is ha csak játszani kell.
Szerintem egy tl074 amiben van 4 erősítő rész az nincs 100 forint.. ellenállások 2 forint kb de abból sok kell
kondik 10 alatt.. a potik viszont olyan 450 körül mozognak..Szóval én nem az ic-k miatt aggódnék, mert abból 2 kell az egyszerű verzióhoz.
Helló! Próbálnék segíteni, de arra jutottam, hogy az amatőr keverő építés drága mulatság. Az elektronika ára nem tétel, viszont ha boltban veszed a dobozt, a táp alkatrészeit, potikat, kapcsolókat, csatlakozókat akkor túlléped egy használt készülék árát. Nem beszélve a minőségről és a megbízhatóságról.
Amennyiben a szórakozás, esetleg szórakoztatás a célod akkor érdemesebb egy DJ-controllerre spórolni.
Így van! Vaterán már 6000 ért találtam komoly keverőt ( monacor) igaz használt de mindent tud amit leírtál sőt annál többet is.
Egy egyszerű passzív keverő az unalmassága miatt a kukában végezné. Az a legdrágább
sziasztok ezekről tudnátok ekem nyák tervet kászíteni?
Legyetek szívesek a keverőhöz rakjátok be a hangszínszabályzót és a fejhallgató erősítőt meg a belehallgatási lehetőséget Köszönöm
sziasztok az lenne a kérdśem hogy kinek van meg innen
A NYÁK terve meg a tápegységnek a terve
Viccelsz ? Ehhez minek a nyák terv ? Még a szerző is próbapanelen dobta össze...
kb. 20 perc alatt meg lehet rajzolni azt az 1 IC-t meg a néhány alkatrészt.
Szia! Szívesen csinálna bárki neked nyáktervet csak 1 baj van vele nem tudjuk milyen potikkal akarod megvalósítani, nem tudjuk az elrendezést és azt se hogy mekkora dobozba szánod..
Sziasztok!
Hobbi szintű felhasználásra szeretnék egy keverőt építeni. Tudom,érdemesebb lenne venni,de az erre szánt pénz amolyan tanuló pénz lesz. Szóval amit szeretnék: 2 csatorna,1 mikrofon és még egy PC bemenet. A PC bemenet egy D/A átalakítóval lenne megoldva,onnantól simán sztereó jelként menne tovább. Továbbá fülhallgató kimenet,amit az 1-es, 2-es, vagy mindkét csatornára rá lehet kapcsolni (belehallgatás és rész kereséshez). Kapna még pár kiegészítőt, mint például kivezérlés jelző, BPM számláló (bár erre még csak PIC-es megoldást találtam). Még ez a sztrereo-mono dolog nem teljesen tiszta. Mikor szükségeltetik sztereó jelet használni, és mikor elegendő a mono jel?
Szia!
Monó Egy csatornás rendszer. Nem ad térélményt, hordozható rendszerekben (zseb-, táskarádiók), vagy háttér zene hallgatáshoz megfelelő. Álsztereó Két hangszórós rendszer, azonban mindkét hangszórón ugyanaz a csatorna szól. A látszólagos térhatást a két hangszóróra jutó hangok szétválasztásával (például: frekvencia szerint) érik el. Sztereó Kétcsatornás, két hangszórós rendszer. Olyan érzetet kelt (megfelelő beállítások esetén), mintha a színpad előtt hallgatnánk a zenét. Ez azonban csak egy pontban élvezhető. 2+1 csatorna [szerkesztés] A 2+1 csatornás, azaz sztereó, bal-jobb hangszórós rendszereket egy mélysugárzóval egészítették ki, hogy ne kelljen egy dobozba építeni a bal-jobb dobozzal, ezzel csökkentve az akusztikai interferenciákat. Kvadrofon Négy hangszórós rendszer (quadrophonic): első-hátsó sztereó. Nem terjedt el, mivel megjelenésekor költséges volt előállítani négy csatornát kezelő hanghordozót. Audiokazettán rendelkezésre áll 4 sáv, bakelitlemezen azonban bonyolult módszereket dolgoztak ki – több, egymással inkompatibilis szabvány született, amik nem tudtak elterjedni. Rontotta az esélyeket, hogy a többszöri lejátszás során a ráadás két csatorna adatai hamar lekoptak, így sztereóként szólalt meg a lemez. Voltak kvadrofón rádióadások is Magyarországon: A 4 sávot egyszerre közvetítette a Kossuth és Petőfi rádió 2-2 felosztásban. 4+1 csatorna Dolby Stereo: A Dolby Laboratories cég a mozik számára négy csatornát vitt fel a sztereó sávra: jobb, bal, közép, surround (környezet). LFE (Low Frequency Effects), vagyis mély csatorna is előállítható a mély hangok kiszűrésével. 5+1 csatorna Hat hangszórós rendszer: első sztereó, hátsó sztereó, valamint center (elöl középen) és mélysugárzó hangfalak veszik körbe a hallgatóságot. A center szerepe leginkább a filmek prózai részén van, tehát a filmben lévő beszédhangok sugárzása a center sugárzó szerepe, eltekintve a speciális effektektől. 2+1 csatorna nem gond de a pc-t miért nem kötöd már bele akkor a lineout kimenetéről? mert akkor nem kell d/a átalakító se, és akkor 3+1 csatornát kellene építened..
Szóval,ha jól értem bulikhoz nekem elég lesz a mono is,amiből az erősítő csinál álsztereót?
Idézet: „2+1 csatorna nem gond de a pc-t miért nem kötöd már bele akkor a lineout kimenetéről” Ezt úgy érted,hogy a lejátszó bemenetére lenne kötve a pc kiemenete? Ha jól vettem ki, ez a kapcsolás olyan amit én szeretnék.
Bulikba illik sztereót csinálni.. Úgy értem hogy a keverőd 3+1 sávos lenne és az egyik line bemenetére köthetnéd a számítógép hangszóró kimenetét amit átállítasz line out kimenetre ( vonal kimenetre). Az a kapcsolás még többet is tud mint amit te leírtál ugyanis abban sávonkénti hangszín szabályozás lemezjátszó bemeneti előerősítő Fader pori is van. De amelyik nem kell azt nem kell beleépíteni és akkor egyszerűsödik sokat.
Mindenképpen érdemes a sztereóra törekedni. Igaz, hogy alkatrészileg a duplája, de a zene mégis csak sztereó, mononak nem is érdemes nekiállni, hacsak nem kifejezetten ez a cél.
A kapcsolás amit linkeltél jó, de ha neked lemezjátszó bemenetre nincs szükséged, akkor feleslegesen bonyolult. Mit szeretnél a bemenetekre kötni? A PC ugyebár adott, a D/A átalakító azonban felesleges, be van építve a hangkártyába is, csak plusz munka, inkább akkor legyen 3db analóg csatorna, plusz a mikrofon. A PC-n kívül mi lenne a másik két jelforrás? CD lejátszó vagy "bakelit"?
Akkor sztereó.
![]() Természetesen szeretnék bele hangszín szabályozást is és Fadert is,csak elfelejtettem odabiggyeszeteni. Eleinte pc-ről és/vagy CD lejátszóról lenne hajtva. Igazából csak ki akarom próbálni magam,mert örök szerelmem a zene, csak eddig úgy voltam,hogy inkább hallgatom,a keverést pedig hagyom a a hivatásosakra. De egyre többen kérdezgették,hogy "miért nem próbálod ki,lehet,hogy jól menne..." Nemrégiben komolyabban kezdtem foglalkozni elektrotechnikával is és úgy néz ki a jövőm is szoros kapcsolatban lesz vele,úgyhogy megpróbálom összehozni a kellemest a hasznossal. Na de vissza a tárgyhoz! Nem lenne bonyodalom a D/A átalakítóval sem,mert a PCM2706 adatlapjában van egy kapcsolás amit-hála saraha-nak- már szinte el is készítettem. Az USB-n keresztül vesz fel áramot,a jele erősített és rá lehetne kötni az egyik csatorna bemenetére. Lényegében pc-t csatlakoztatsz a használaton kívüli lejátszó csatornájára. Legalábbis elméletben. Ennyire nehéz lenne azt a +1 csatornát hozzáépíteni? Egyébként ha lenne még valami,amit kellene tudnia egy keverőnek,de nem írtam,szóljatok! Szeretnék minél komolyabbat összehozni,hogy ha mégis ráharapnék,ne kelljen azonnal újat építeni.
Bármit bele lehet tenni egy keverőbe kérdés meg éri e.. Például effekteket hangrögzítőt talkovert (beszéléskor magától lehalkítja a zenét a szöveg végekor meg vissza), hangszínenként kill funkció efekt sávok,monitor sávok.. lehetne sorolni még sokáig, de szerintem nem ezeken múlik.. Magyarul akkor neked elég lenne egy alap keverő amit később ki lehet bővíteni szerintem a pc-t akkor is egyszerűbb rákötni egy keverőre a lineout kimenetéről mint bármilyen kütyü beiktatásával, ugyanis minél több minden van a rendszerben annál nagyobb a hibalehetőség nem beszélve a zajról. De ez nem azt jelenti hogy nehéz lenne bármit is hozzátenni, nem a sávok száma a bonyolítja a dolgot mert ugyanaz az elektronika kell egy 2 sávoshoz is meg egy akár 20 sávoshoz is.
Igen! Efektek! Na még ez a lista végére és pont! (Csak azt ne mond,hogy ebből is tengernyi van, mert nem fogok tudni nemet mondani rájuk.
Azért vagyok ennyire a D/A mellet,mert pölö a saját gépemben sincs hangkártya,csak az alaplapi zajkeltő,ami nagyon zavaros. Magyon gyenge minőséget présel ki magából. "Monitor sávok" -Ez mit takar?
Effectek:
flanger, filter, pitch/zip, echo, pan, jet, vocoder, trans, wah, fuzz, delay, modulator/ring stb szóval ebből is rengeteg van a monitor sáv meg olyan mint a fejhallgató kimenet csak azt kötik pl a kontrol hangfalakra felvevő eszközökre. ha nagyon gagyi a hangkártyád akkor tényleg jobb egy jó minőségű d/a átalakító és az ha 2 sávban gondolkodunk lehetne az egyik sáv amit át lehet kapcsolni line / d/a átalakítóra így ha lesz 2 cd-d akkor nem kell semmit átalakítani csak a kapcsolót átkapcsolni
Valld be,hogy szándékosan csinálod ezt velem!
De Zoltán,lesz itt egy nagyobb probléma! Én elektrotechnikát még nem tanultam,amit tudok azt is csak Tőletek. Szóval az egy dolog,hogy én itt már képzeletben kevergetek,de se a kapcsolást,se a NYÁK-ot nem tudom megtervezni. Ebben is segítségre lenne szükségem. Megoldható lenne a keverő rész és az efektek összecsatolása,ha most az efektek kihagyásra kerülnek,és majd később valamikor egy külön egységben kerülnek megépítésre?
A legtöbb keverő modul rendszerű.. tetszőlegesen lehet bővíteni szinte mindet.. Akkor konkrét kérdéseket teszek fel úgy egyszerűbb lesz
Elég 2 sáv? kell a sávonként hangszínszabályozás? elég 1 mikrofon? a mikrofonnak kell hangszín? Gain (bemeneti jelkiegyenlitő) szabályozó kell? fader kell? Ezen kívül kell e nagy teljesítményű fejhallgató erősítő( Nagy hangerejű helyiségekben nem árt)? Ezenkívül lehet játszani még a sávonkénti kivezérlés jelző gondolatával is, amit ismét meg lehet valósítani több módon is..
A két sáv elég,úgy,ahogy írtad,hogy kapcsolni lehet D/A és a CD kozt. Egy mikrofon elég és ha már ott vagyunk mehet a hangszín szabályozás is.
Gain,Fader igen. Erosíto mehet,csak még nem tudom,hogy milyen. A sávonkénti kivezérlésjelzés. Ha már lúd,legyen kovér. És gondolom kapna a kimeno jel is.Beat számlálóra nem tudsz valami megoldást,amit meg lehet úszni programozás nélkul? |
Bejelentkezés
Hirdetés |













a monitor sáv meg olyan mint a fejhallgató kimenet csak azt kötik pl a kontrol hangfalakra felvevő eszközökre. ha nagyon gagyi a hangkártyád akkor tényleg jobb egy jó minőségű d/a átalakító és az ha 2 sávban gondolkodunk lehetne az egyik sáv amit át lehet kapcsolni line / d/a átalakítóra így ha lesz 2 cd-d akkor nem kell semmit átalakítani csak a kapcsolót átkapcsolni 




