Fórum témák
» Több friss téma |
Sziasztok!
Tervem a következő, van egy váltóm(vw polo 1.1) 4seb előre 1 hátra és üres. Gondolom tudjátok mi a lényege az easytronic váltóknak( nem mechanikus bowdenek, rudak állítják az áttételt, hanem motorok léptetik a villákat a váltóban, de nem benne hanem kívül). Nekem egy hasonló megoldásra lenne szükségem, mert nem igazán van hely arra hogy a váltótól előre menjen rúd bowden vagy hasonló, viszont közvetlen mellette elférne egy mechanika ami mozgatná a villákat. Így azt ötlöttem ki hogy oda felszerelek 2db motort, X és Y tengelyen mozgatnák a váltó tengelyét. Addig oké hogy 2 potival vagy kapcsolókkal figyelném hogy mikor, hogy áll, 2db H -hiddal vezérelném egy avr-en keresztül, de valahogy mérni kéne, és figyelni hogy mekkora áramot vesz fel a motor, mert ha valamiért véletlen nem tud rendesen beváltani és megszorul akkor inkább ne is próbálkozzon hanem álljon le és jelezze hogy nincs jól. Szeretnék segítséget kérni tőletek abban hogy hogy lehetne ezt a vezérlés megoldani, üzem biztosra és megbízhatóra. A két motor 2db ablaktörlő motor lesz megfelelő áttétellel, és rudazatokkal. Köszi!
szia
Tegyél egy shunt -öt a motorral sorban (H híd elé) és ADC vel nézd a feszültséget rajta. Ha megszorul a motor felmegy az áram és vele a feszültség is amit le tudsz kezelni az AVR -el. Timert is kell alkalmazni az indulási áram kiküszöbölésére! Én hajó trim motornál használom ezt a megoldást.
Hasonló a gondolatom nekem is, de még semmi kiindulópontom nincs se rajz se gondolat az alkatrészekről.... a H-hidoz nem tudom milyen tranzisztort kéne használni mekkora lesz ott az áram.
Rakd össze és meg kell mérni , 12Volton jó néhány amper lehet az áram! Nekem a trim motort relék kapcsolják nem híd.
Szerintem 10Amper alatt megúszod úgyhogy nem kell komoly félvezető. Simán mérd meg az üzemi áramot a motoron ebből ki tudsz indulni.
Szia!ezt megpróbálhatnád. Én már használtam többször is, ablaktörlő motorokat vezéreltem vele.
Igen, mi tudjuk hogy mi az az Easytronic váltó, de ezt a nevet az Opelek használják, hiszen ez Opel fejlesztés.
De remélem, hogy Te pedig azt tudod, hogy ilyen barkács beavatkozás veszélyes is lehet, és engedélyt valószínűleg sohasem kapsz majd rá, ha pedig csak úgy önkényesen ilyesmiket barkácsolsz az autódba, és a műszaki vizsgán elbuksz vele, az nagyon súlyos magyar forintokba fog neked kerülni! Az ilyen berendezéseket külön engedélyeztetni kell, ami irtó hosszú procedúra, nem beszélve a kötelező tesztről, ami különböző körülmények között teszteli az ilyen berendezések megbízhatóságát. Csak képzeld el a szitut, hogy állsz a zebránál, és egészen véletlenül túráztatod a motort, és a barkács elektronikus váltód beugrik egyesbe, és szépen ráhajtasz az éppen a zebrán, anyjával átballagó kisgyerekre, és szétlapítod a fejét. A példa ugyan szélsőséges, de pont ezért sem fogsz rá engedélyt kapni, mert a lehetősége fennáll, ha pedig engedély nélküli beépítéssel történik ugyanez, akkor meg aztán jó sokáig vághatod a centit a rácsok mögött, az tuti! Úgyhogy én azt javaslom, hogy hagyj fel az efféle kísérletezéssel, inkább vegyél olyan autót, amiben gyárilag elektromos váltó van.
Helló! Igazad van! Én is egyet értek veled. Elég hajmeresztő ötlet egy váltót így megpiszkálni. Ugyan akkor Tetye ezt írta: "mert nem igazán van hely arra hogy a váltótól előre menjen rúd bowden vagy hasonló" Ebből arra következtetek, hogy nem utcai autóba lenne a dolog, hisz ott nagyon is van hely. Várjuk ki a végét.
Tetye: Én a helyedben próbálnék szerezni egy gyári easy tronic váltót, és azt felhasználni kiindulásnak. Esay tronicnál mi van a kuplunggal? Az, hogy működik, erről tudsz valamit?
Igaz, egy szóval sem monda,hogy autóba kell......akár lehet sebességváltós kútfúró is
.......várjuk ki mi is ez
Nincs ebben semmi hajmeresztő, de örülök hogy van aki belegondol hogy miről is van szó. A váltó túl drága mulatság lenne és úgysem kompatibilis a 2 váltó sajnos.
Kérdésedre a válasz: A kuplung automata, egy motor fogaskerék áttéttel mozgat egy dugattyút és az csinálja a az olajnyomást amit más kép a lábad a pedállal, persze ez is a váltón van.
Helo!
-Bocsáss meg, hogy opel elnevezést használok, igaz a BMW, Merci, Audi sokkal régebb óta gyártják használják.... más néven. No mind1. -Valszeg sosem kapnék engedélyt rá, de nem is kell. Vizsgán meg kb a kutya nem nézi. -Őszintén, ki az a nemnormális aki azzal játszik hogy a zebrán a motort turáztatja? És ha mégis ahhoz hogy akárhogy is beugorjon 1esbe ,nyomni kell a kuplungot, ha nyomom oda ugrik ahova akar, nem megy sehova, mellesleg ha zebránál állok nem a gázzal szórakozok hanem a féken állok hátha valaki hátulról megtol és az lesz amit mondtál. -Ha kicsit is értesz az autókhoz te is tudod hogy amit leírtál nem fedi a valóságot. -Köszönöm a javaslatod de nem fogadom meg. Nincs szükségem olyan autóra. Csak némi elektronikai segítségre amit kértem(hogy a témánál maradjunk). Amúgy ha elolvastad volna amit írtam te is tudnád hogy nem utcai használatú cuccról van szó "váltót előre vinni. VW polo 1,1". kösz
Itt egy kép arról hogy mibe kell hogy mindenki megnyugodjon hogy nem ütök el vele senkit lámpánál a zebrán.
A 2T trabi motor kevés volt kapott egy 1,1 es polo-t csak a váltót elektromosra kell csinálni mert a rúd alul túl sokat kapna bowden meg esélytelen. Ennyi a trükk. Kérdésem újra, tud segíteni valaki az elektronikában?
Bocs a link: Bővebben: Link
Üdv. Így már értem. A kuplung az marad a sima, vagy az is easy tronic módra lenne csinálva? Ha igen akkor azt is elkéne érni, hogy szép lassan engedje rá a kuplungot, valamint egy védelem is kéne bele, hogy ha nincs "kinyomva" a kuplung,akkor ne engedjen váltani. Olyankor mi van, ha pl 5-ből kell vissza váltani 2be?
Sajna csak 4 sebis ami nem is baj annyira, de ugyan úgy lehet majd rakosgatni terveim szerint. Kuplung magad manuális, de olajos. Annyi hogy majd mágneses vagy optika érzékelők lesznek hogy tudjam hogy épp hol áll, ill ha sebességben van akkor reteszelje ki azt a motort ami mozgatná azt a tengely ami a váltogat a R, 1-2, 3-4 közt, hogy amíg nincs üresben ne is próbálkozzon ilyen mozgással.
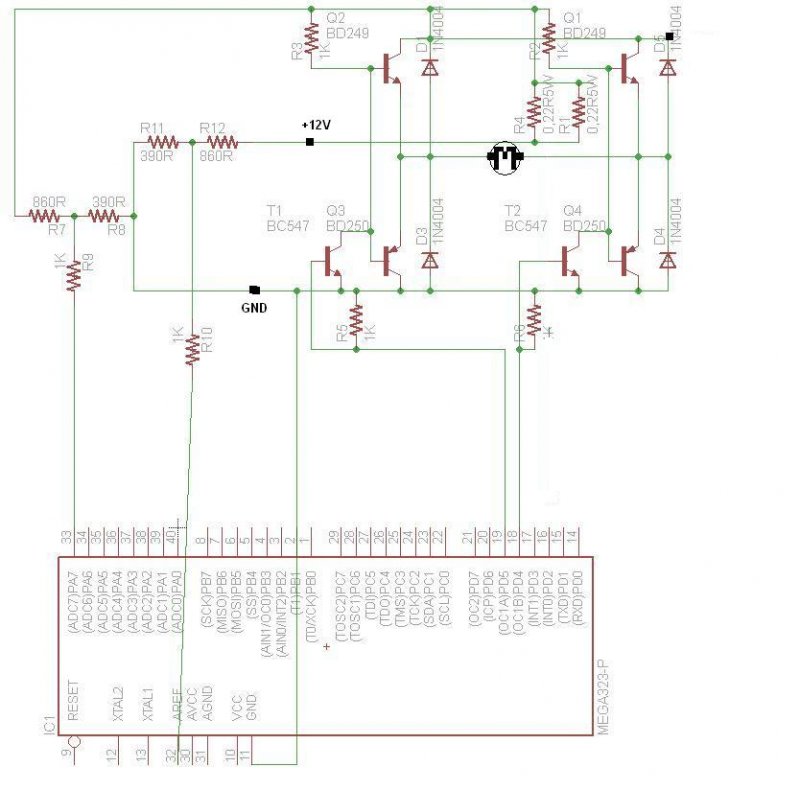
A h-hidat meg lehetne csinálni BD249-250 ből? Végülis 25A-t bír, 40et csucsban. 13-14Von szerintem nem jó lehet. Mi a véleményetek? Milyen védő diódát kéne még rá tennem?
Elektronikával eddig jutottam hogy találtam egy csinos kis alu dobozt, bele nyákcsatit, próbanyákot azon lesz minden belül. Ma kipróbálom hogy BD249-250 bírja-e, teszek elé 1n4007 es védődiódát, 2db párhuzamos 0,22R ellenálást, azon mérem a feszültséget ha megszorulna.
Tegnap feltettem a nagyobb mozgató motort rudazatokkal, könnyen mozgatja a szorosabb részt is, a másikat még faragnom kell az kisebb motor is lesz. De nem kell nekik sokat fordulni mire ugrik egyet a váltó. Lehet hogy valami impulzusokkal kell végül majd csak bombáznom a motorokat.
Szerintetek ezzel a kapcsolással működne ha a tip helyett bd-t használok és uC ről kapná a vezérlést?
Valaki mondana véleményt a rajzról hogy működőképes-e? Pwm vezérelné a tranyókat, és a két párhuzamos 0,22R-en mérném a feszültséged az adcvel a 12v hoz képest mennyit esik, pl ha megszorul a motor.
Kipróbáltam ma hogy egy irányba viszi-e bírja-e a BD páros a motort, de lassan forgott csak és a 249 es melegedett. Így próbáltam ahogy a képen van.
|
Bejelentkezés
Hirdetés |




.......várjuk ki mi is ez 











