Fórum témák
» Több friss téma |
Fórum » Keverőpult építése, javítása
Megrajzoltam a te verziód kapcsolási rajzát, és mellékelem a hangszín szabályozót külön és a nagy teljesítményű fejhallgató erősítő kapcsolását is. BPM számlálót meg szerintem csak programozással lehet megoldani.
Szuper! Köszönöm szépen!
Még a bemeneteknél lenne egy homályos folt. A "line" a D/A bemenete,a "Phono" pedig a lejátszó? Az S1,...,S6 kapcsolók ha jól gondolom kapcsolják a jelet a fejhallgató és a végfokok közt. Műveleti erősítőből mindegy milyet használok?
Szia! a Bemeneteket elfelejtettem átnevezni de bármelyik lehet a line és bármelyik a D/A.. Opa lehet tl072 ne5532 ezekben 2 opa van egyszerre a jobb minőségű az NE5532 de drágább is.. S1-S6 ig jól gondoltad a fejhallgató kimenet kapcsolója de ezt is meg lehetne oldani másképp ha más igényeid vannak.. pl egyik oldalon a fülesban a master szóljon a másikban a kívánt bemenet.
Ezt a kapcsoló dolgot mégsem értem. Mire kell 6 darab?
3 db, 2 áramkörös. A jobb-bal oldal miatt.
Belehallgatásra van...
Elég 2*2-es is csak akkor nem lesz master behallgatás..
Megvilágosodtam! Köszönöm!
Azt hiszem minden kérdésemre kaptam választ. Zoltán köszönöm fáradozásaidat! Egyszer majd meghálálom valahogy. Már csak NYÁK-ot kellene hozzá tervezni... Esetleg egy önkéntes?
Nem tudjuk a keverőd elrendezését,mármint hogy hogy szeretnéd hogy kinézzen először azt rajzold le következő probléma az hogy nem tudjuk hogy milyen potikat kapsz mert ugye rengeteg féle van ha ezeket beszerzed akkor sokkal egyszerűbb lesz, mert így hiába tervezek neked 1-et ha a fele alkatrész nem olyan lesz mint amilyen kellene.. Én úgy szoktam csinálni hogy megveszek mindent és utána tervezem a panelt meg és így tuti jó lesz.. csinálj először egy anyag listát hogy meg éri e egyáltalán mert a potik elég drágák és sok kell belőlük, az én tippem alapján 10000 felett lesz az anyag hozzá plussz a saját munkaidőd.. lehet hogy megérné szétnézni vatera környékén hogy nem e véletlen találsz megfelelőt ugyanannyiért.. Valamelyik nap ennyiért már elég komolyat láttam és az gyári bevált kapcsolással.. De ez természetesen nem helyettesítheti az építés örömeit! Tehát én nem beszéllek le róla mert én is építettem magamnak egyet a saját igényeimnek megfelelően..
Ha megtervezem az elrendezést és az alkatrészek is meg lesznek, megterveznéd nekem?
Köszi a tanácsot,de mint azt már írottam tanulni szeretnék az építésből (nem mellesleg imádok építeni is ),úgyhogy maradok ennél.
Meg.. De azt nem akarod megtanulni?
![]() Itt egy kiindulási pont hogy kell csinálni. Ez az én keverőm hangszín panel rajza nekem ebből van 4 darab mert 4 nekem 4 sáv kellett..
Holnapra meg van a terv és az alkatrészek! (Nyugi,csak viccelek.
)De megszertném! Nemrégiben el is kezdtem az Eagle-vel szórakozni,de nem jutottam sokra. Ismerőseim közül senki sem foglakozik elektrotechnikával (legalábbis nem ilyen szinten),így nincs senki aki legalább az alapokat megmutassa.
Én sprint Layout 5-el rajzolgatok, egyszerű kezelni és ilyenekre bőven elég és a neten sok tutorial is van róla.
40 eurót pöppet sokallok érte kezdőként...
Sziasztok!
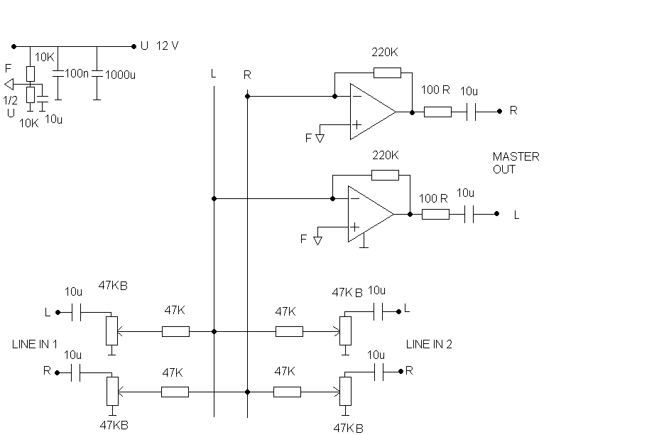
Építettem egy keverőt NE5532-vel annyi lenne a gondom hogy a képen a line in 1 hez 22kB-s potim van a line in 2 höz pedig 470kB -s a 2es csatornát próbáltam ki először működött ha az 1es csatorán nincs a poti ha pedig rákötöm csak zúg ha a földelés leveszem a bemenetekről akkor szól de a potik nemcsinálnak ugye semmit nemveszik le a hangot teljesen.. a rajzon ugye eredetileg 47kB-s potik vannak és ugye a 470kB- sal is működik a 22kB -s potit kicserélem 47kB-sra vagy nagyobbra akkor megszűnhet a baj? Mert arra gondolok hogy a 22k kevés neki
Hello!
Nem a poti kis értékével van a baj, hanem vélhetően a rossz GND ponttal. A keverő fokozat erősítését, a 220k/47k ellenállások határozzák meg. De ez a 47k ellenállás, egyben a bementi ellenállása is az összegző fokozatnak. Ha a poti ellenállása 470k, akkor azt terheli a 47k bementi ellenállás, ettől csak a felső végállás közelében fog szabályozni. Vagy is a szabályozás jellege változik. A 47k poti helyett, viszont ha 22k potit alkalmazol, különösebb változás nem lehet, annak megfelelően kell működnie. Tehát valami másban van a hiba. (Feltéve, hogy tényleg a rajzon lévő IC-s kapcsolást építetted meg, nem valami passzív keverést készítettél. Valamint amit rákötöttél, annak kimeneti ellenállása alacsony volt.) üdv! proli007
Egy végfokot kötöttem rá(10k a bemeneti ellenállása) mindkét oldal működik a 470K-s potival de mivel csak egy van belőle ezért az egyik csatornát szabályzom vele, de mihelyt bekötöm a 22k-t a másik oldalra akkor a működő oldal is elnémul a 22k-t kicseréltem egy 50k-sra ígysem volt jó. Amúgy én rajzoltam le ezt ugyanígy építettem meg, egy másik kapcsolásból szedtem ki ezt mert volt még néhány dolog ami nemkell efx, mikrofon stb..
Amúgy köszi a válaszod!
Hello!
Hopci! most néztem meg tüzetesen a rajzot. A hiba, az, hogy Te féltápot használsz. De az IC meg így nem csak a váltót, hanem az egyenáramot is erősíti így elmegy a munkapontja. Az egyenáramú erősítés 220k/(47k+22k)=3,18. Ha meg 470k-t használsz, akkor 220k/(47k+470K)=0,42. Ekkor a munkapont sokkal kevésbé tolódik el, és még szól. Egyszóval a két bemenet elé kondi kell. Ekkor az egyenáramú erősítés egyszeres lesz, a váltóáramú, meg 220k/47k=4,68. Viszont a potik előtt a 10µF-ok feleslegesek (bár bajt nem okoznak). üdv! proli007
Köszi a választ mihelyt kipróbáltam írok is!
Van egy keveröm, kihagyták rólla a füles váltót. Nem is baj mert csak 1 eszközt akarok monitorozni, hogyan oldhatom meg hogy csak 1 cstit monitorozzak?
Szia!
Csinálsz egy fejhallgató erősítőt ajánlanám hogy olyat keress aminek a feszültsége megegyezik a keverőd tápjának feszével ( tehát ha 12 voltos a keverő tápja ne 24 voltosat csinálj és fordítva). ezek után az erősítőd bemenetét kösd rá egy 10k-s ellenállás és ha nincs az erősítőd bemenetén kondi akkor egy 1-10µF kondin keresztül a kívánt sáv potijának bemeneti lábához, ha később mégis csak szeretnéd a többi sávot is behallgathatóvá tenni kell sávonként egy kapcsoló ami a potik bemeneti feszét sávonként egy gyűjtősínre kapcsolja és a gyűjtősín megy a füles erősítőjéhez. Remélem jól írtam!
Sziasztok!
hogy tudnék egy sztereo vonalszintű jelhez egy mono mikrofon jelet keverni úgy, hogy kifele sztereo maradjon?
Hello!
Fából vaskarika nem lehet. De szerintem arra gondolsz, hogy a mono mikrofon mind két csatornán szóljon. Ekkor készítesz egy mikrofon erősítőt, ami vonal szintű jelet ad, és azt rávezeted a jobb és bal csatornára egyaránt. Van olyan, hogy "panoráma szabályzó". Ez a mikrofon jelét súlyozottan helyezi el mind két csatornán. Vagy is míg egyik csatorna hangerejét növeli, a másikat csökkenti mint a balansz szabályzó, de csak a mikrofonra hat. üdv! Gábor
Nekem tulajdonképpen egy 2 csatornás sztereo keverő kéne, arra rákötöm a sztereo jelet és a másik csatornára meg a mikrofont (mind 2 oldalra ua.-t a jelet)
Hello!
Ha erre gondoltál, összetákoltam a BSS rajzból amire szükséged van. A tápfesz, +-12V. üdv! proli007
Igen ilyesmire, de nekem elég lenne egy bemenet, de nem ott a baj, hanem nekem az erősítőbe nincs -os tápfeszem
sajnos
Hello!
Az sem nagy gond. - Akkor a most még negatív tápfeszültség lesz az új GND. - A tápfeszültségből két 10kohm-os ellenállással készítesz egy feszültségosztót. Ezen a féltápfeszültség lesz mérhető, amire egy 10µF-os kondit kötsz a féltáp és a GND közé. (féltáp +, GND - ) - Ezt a féltápot vezeted a műveleti erősítők neminvertáló (+) bemenetéhez. (Nem a GND-t ahogy a rajzon van.) - Minden bemeneti kondi polaritását megfordítod. (Plusz legye az IC felé) - Egy bementet úgy készíthetsz kettőből, hogy egyet elhagysz. üdv! proli007
oké, félig értelek, de az hogy hogy is csinálom meg a féltápot megrajzolnád külön?
Szia! lerajzoltam neked! a nyíl megy az ic-d nem invertáló bemenetéhez!
Üdv: Dani
Hello!
Akkor berajzoltam Dani segítségét is.. üdv! proli007
Köszi mind2-nek
és lenne még egy kérdésem, elméletbe összeraktam magamnak egy nagyon egyszerű bemenetválasztót, és le is rajzoltam, megnéznétek hogy működőképes megoldás-e? (a legfelső bemenet az a mikrofonnal együtt él, a többin nem lehetséges mikrofon alákeverése) |
Bejelentkezés
Hirdetés |







),úgyhogy maradok ennél. 



sajnos 






