Fórum témák
» Több friss téma |
Forgasd meg a dinamód a próbapadon. Begerjed-e? Nehogy egy nem, vagy egy nehezen megoldható módon tudod begerjeszteni. Egy deszkára szerelj egy ismert fordulatú villanymotort és azzal forgattasd meg. Amennyiben sikerül begerjeszteni és az eredmény tetszik, közöld velünk is.
A dinamó kísérletekhez még nincs meg minden,de ha meglesz a próba közlöm az eredményt.Nem kötöm az ebet a karóhoz ha nem működik.Konkrétan mit javasolnál helyette ami könnyen beszerezhető és nem drága úgy 12 voltra mint 230-ra?
Még nem csinálltam ilyen tekercset de van egy elképzelésem.Majd kiderül mennyire kivitelezhető.A lényeg hogy tekercselés közben műgyantázom a meneteket.Hogy a zsir mennyire segit azon hogy a műgyanta ne tapadjon a sablonhoz még nemtudom.Ki kell próbállni többféle anyagot.Pl.:szilikon.Véleményem szerint igy száradás után ugyanolyan széles marad mint a sablomban.Vélemény?
B verzió.:16 mágnes 12 tekercs.Igy elvileg elfér 76 menet úgy hogy a légrés előreláthatóan bőven 6mm-er alatt marad.Igy lényegesen kevesebb fordulatnál eléri a töltési feszültséget.Kérdés az hogy ebben az esetben elegendő e az 1mm-es huzal vagy kevés ehez az elképzeléshez?És hogy összejön e annyi mágnes. Na még alszok rá egy párat,meg készitek egy tekercselősablont.
Látod, egész jól haladtál előre a generátor témában. Egy kicsit a szélkerékkel is kellene foglalkoznod, aztán a kettőt valahogy összeilleszteni. Mert most csak tippeled, hogy kisebb fordulat kellene a töltési feszültséghez. Az is lehet hogy kompromisszumot kell kötnöd, eggyel kisebb méretű huzal és több menet. A tekercselés előtt én még azt is igyekeznék megtudni egy pillepalack forgóval, vagy egy játék szélgéppel, mekkora szélre számíthatok.
Én nem csináltam ilyen generátort, nem tudok a gyártási technológiáról semmit sem mondani.
Nem akartam új topicot nyitni, ezért itt érdeklődnék a komolyabb szélgenerátorok fellelhető irodalmáról.
Egy ismerősöm ismerőse révén megnéztem egy "kintről " leselejtezett és itthon telepített szélgenerátort. Mechanikailag kész, de az elektronikája és vezérlése szét van bombázva. ( 80-as évek szinvonala) 24 méter magas oszlopon van 2 db kb. 50 kW-os generátor. Nyilván se szakmailag, se tudásban nem állok olyan szinten, hogy akár vezérlési, akár erőátviteli szempontból meg tudnék oldani egy ilyen problémát. Igazából szakembert keresnék a témához, de szívesen utánna olvasnék a problémakörnek.
Ahhoz, hogy beindítsd egy – két próbára, nem kell sok minden. Egy motor, ékszíj, egy billux égő, amelyik lehet, hogy kiég, esetleg egy mérőműszer, no meg a Polski dinamó.
Arra a kérdésedre, hogy mit javasolok, kitérő választ adnák. Romániában élek, egy kis faluban, távol a várostól. Ebben a helyzetben mások a lehetőségek, mint a városban. Jobb, vagy rosszabb, nézőpont kérdése. Én is csak tapogatózok a sötétben. A Hobbielektronika ebben az estben, rengeteg dologra kész megoldást szállít. Nem úgy, mint amikor kezdtem a kisérletezést, a faluban néhányan nem is néztek normális embernek. Pénzt csak nagyon keveset költenék, hanem használnám azokat az anyagokat, amit eddig összegyűjtöttem. A 220 voltos dinamót egyik havertól kaptam, adtam érte egy mosógép motort. A 12 voltos dinamóknak az eredetére már nem is emlékszem. Most már könnyebb lesz kísérletezni, mert kaptam lehartól, két kerékpár fordulatmérőt és egy multimétert, amelyikkel frekvenciát is lehet mérni. Köszönet érte. Az egyik sebességmérőt kalibrálom szélsebesség mérőnek és felteszem magasra. A másik egy hordozható fordulatmérő lesz. Sokkal több információ birtokában könnyebb a kísérletezés és a kivitelezés. A frekvenciamérő a váltó áramú generátorom fordulatát fogja mérni. Egy fordulat hat hertz. Ahány hertzet mutat a mérőműszer, elosztom hattal és megkapom a fordulatot másodpercként.
Hát ha ennyi elég a próbához akkor igen,csak mivel arról volt szó hogy elektromágneses gerjesztéshez kellenek a gerjesztőkör alkatrészei meg az akksi a betápláláshoz és ez az ami hiányos ezért nem kísérleteztem eddig,viszont ha az általad leírtak alapján generálódik a 12 volt mindenképpen megpróbálom úgy.Egyébként a feleségem Erdélyi néha mi is ellátogatunk Kolozsvárra,Marosvásárhelyre és körzetébe.
Krisz
Nézd meg, és valószínű, hogy két szál jön ki a dinamóból. Nem ismerem egyáltalán a Polski dinamót, csak úgy általában a dinamókat. Az álló tekercsek egik vége a testre van kötve, a másik kivezetve. A forgó résznek a keféi is ugyanúgy, egyik testen, a másik kivezetve. Amikor a motor forgatja a dinamót, a két kivezetést összekapcsolod, vagy összeérteted, szikrázik egyet és az egész rendszer hangja megváltozik. Jelentése: begerjedt a dinamó. A két összeérintett szál a pozitív sarok, míg a test a negatív. Egy mérés a voltmérővel és mindenki boldog.
A dinamodbol 2 szál(csavar) jön ki,az eggyik, a vastagabb,a +-t veszi ki a dinamobol,a második,vékonyabb,az pedig a gerjesztés.Ha nem kapsz eredeti diszzsunktort(dinamo szabályozot),akkor épithetsz eggyet te is,nem nagy büvészet.A vastagabb szálra kell egy jó nagy amperü dióda,amit a dinamó,és az akkumulátor közé teszel.Ez arra jó,hogy amikor nem termel a dinamod,akkor az áram ne folyhasson vissza az akkubol a dinamodba,A vékonyabb szálra pedig tehetsz.egy sima,alternátor töltésvezérlöt(olyan régebbi tipust,amit az alternátoron kivül helyeznek el),ez fogja biztositani a gerjesztést,és egyben a vezérlést is,fontos,hogy a töltésvezérló + kapcsát az akkura tedd,igy automatikusan kompenzálja a diodán fellépő feszültségesést.A negativ pedig,természetesen a dinamo fémháza.
Nem igazán jó közvetlen az akkura kötni a töltésvezérlőt, mivel álló dinamó esetén az fogja "szívni" az akkut. Én a generátor kimenetére tenném egy másik diódán keresztül, így a töltő dióda nyitófeszültsége is kompenzálva van, és az akkut sem terheli az álló dinamó.
Másfelől meg vannak olyan elektronikus töltésvezérlők, amik potival állíthatók.
Mivel a töltésvezérlők ,,,célja,,, az akku,ezért mindig az akkurol kell levenni a Referencia feszültséget(+),és hogy ezt esetleg,valamilyen kapcsolon keresztül tesszük,az más,pl.lehet egy valamilyen centrifugális kapcsoló,ami,csak egy bizonyos fordulaton felül kapcsolja a gerjesztést,vagy másféle kapcsoló,az most mellékes.
Helló!
Van egy fesszabályzónak nevezett külső egységem a dinamóhoz a sajátja,ezenkívül tartozik egy kioldó is ehhez a rendszerhez gondolom túlfesz ellen amit beszerzek ha érdemes.A töltésvezérlőt amit említettél miből lehetne kimenteni esetleg?Köszönöm a részletes leírást mindannyiótoknak,mostmár rajtam a sor.A jövő héten cserepet cserélünk a házon azt követően ha addig minden meglesz akkor elvégzem a kísérletet.Lassan minden összeáll.Szeretnék készíteni az adott paraméterekhez mérten egy tervrajzot papíron vagy CAD-en,ha az is megvan kezdem az építkezést van egy tuti négylábú acél állványom amit megszeretnék toldani és erre megy majd rá a Savonius amit lehet hogy négytollúra fogok gyártani.Ha megvan a tervrajz azt is megmutatom nektek hogy mondjátok el a véleményeteket.Mégegyszer köszi.
Na igen ezen töröm a fejem én is hogy miféle kapcsoló mechanizmust kellene gyártani erre a célra.Erre még nem kaptam ötletet senkitől valószínű megvan az oka.Bízom benne hogy létezik valamiben ilyesfajta kapcsoló mert akkor nem kellene fabrikálni.
Ellenben ha beválik a dióda az akkumulátor és a dinamó között akkor lehet hogy nem is fog merülni viszont a töltés
végbe megy azon keresztül így gondoltad?
A dioda(jó izmos legyen)az a generátor és az akkumulátor szétválasztásához kell,a szélkapcsoló,pedig a töltésvezérlö ki,be kapcsolására,amikor a generátor már nem tölt,(tul alacsony a fordulata)akkor kapcsolja le a töltésvezérlöt is,mert az is fogyasztja az akkut.A töltésvezérlöhöz legkönnyebben egy röpsulyos kapcsolo lenne a legjobb,mivel az csak egy bizonyos fordulat,felett kapcsol.amikor már megvan a töltéshez szükséges fordulat.Töltésvezérlönek használhatsz régebbi,Dacia,Lada,Zsiguli,stb.vagy egyébb ehhez hasonló töltésszabályozot.
Ha felgerjed magától, lehet,hogy elég egy dióda. ha megfelelően nagy az akku akkor nem valószínű a túltöltés, (csak több napi tomboló szél esetén)
Üdv!
Belefogtam egy villanymotor átalakitásába.A motor 6 polusú. A forgorész megoldásnál arra gondoltam hogy lepréselem a gyári forgót a tengelyröl majd ráhuzok egy aluminium tömböt ami meglesz munkálva mágneseknek fészek marva majd a mágnesek kapnának egy vas sarut hogy így már közel lehessen esztergálni az állórészhez.A saruk tul lognak a mágneseken és a két végén az alu tömbbe lenne csavarozva persze süllyesztve. Végeztem már próbát ugy hogy egy neodym mágnesre tettem sarut akkorát amekkorából éppel ki lehet képezni az ívet, és a tapasztalat hogy a sarun keresztül szinte semmit nem veszít erejéből a mágnes! Tehát reménykedem a sikerben hogy ezzel a megoldással kellö mágseses erö lesz az indukciohoz. Ami mégis elbizonytalanít hogy valaki említette már itt a forumon hogy az nem jó ha a mágnes másik fele ami a tömb felé néz az aluban vagy más nem mágnesezhetö anyagban van mert akkor nem zárodnak az erövonalak. Na ezt én nemértem hogy ez miért fontos.Hiszen a saru pár tizedre fog elhuzni az állórész elött és oda kellene hogy koncentrálodjon minden erövonal. Ha valaki jártas ebben kérem segítsen.
Üdv! Én is elgondolkoztam ugyanezen a megoldáson, a gépi munka sem okozna gondot, csak tapasztalat híján nem tudom mekkora mágneseket lenne érdemes bele tenni, és hány darabot. És hogy mi lenne a vég eredmény.? Ha bele fogsz mindenképp érdekelne a tapasztalat, mert aránylag egyszerű megoldás, nem kell tekercselni stb. Szerintem az erővonalaknak az állórész vasmagján keresztül kellene záródni, így jó lehet az alu. Valahol olvastam lehet,hogy itt ezen a fórumon, hogy ugyanezen megoldást vasból csinálták, fele annyi mágnessel. Minden mágnes azonos pólusát ragasztva a forgórészre, így a másik pólus maga a vas ha jól értelmeztem..
Szerintem meg ha a vasmagban záródnak a pólusok,akkor több indukciót kapunk,mert minden mágnesnek 2 pólusa van.Tehát a nem használt pólus "elvész" De a vasmag közvetíti az elvesző energiát a szomszéd mágneseknek.Én így értelmezem.
Igazad lehet, ezt sem megerősíteni ,sem cáfolni nem tudom.
Hali.
Mivel hosszasan nem tudtam megegyezni a darussal, meg nem ér rá, meg ilyenek, nekiálltam kézi erővel oszlopot állítani... Itt egy kép, ennyit haladtam egy nap... reményeim szerint holnap állni fog, és mehet rá a tengely, a 3 bronzgyűrűvel.(2. kép) Az 1. kép a rotor tengelye, a két vastányérral, amik közé jönnek a fa lapátok...
Egy ilyen oszlopot törtünk el mi is a leengedésnél. Nem is jelezte, hogy el akar törni, csak letört belőle egy darab. Egy 10 m – es oszlopból maradt 6,7 m.
Nem gondoltam hogy el tud törni... Én láttam ezeket tesztelni nagyfater régi munkahelyén, volt amikor csak x erővel húzták addig míg megreped, de nem törik. Soha nem gondoltam volna, hogy egy betonoszlop ekkora hajlítást kibír. De volt amikor el is törték őket...
Ez egy vadiúj oszlop, remélem nem sikerül eltörnöm, mert akkor még pár évig elhúzódik a szélgenerátor projekt...
Nézd meg a mellékelt képet, és egy kicsit jobban vigyázz. Te nem fogod eltörni. Amúgy ha eltörik, akkor sem kell pánikba esni, mert javítható, csak a sodronyok ne szakadjanak el. Egy kis betonnal vissza lehet javítani. Jól haladsz, kár lenne megtorpanni.
Köszi, remélem az éven lesz már valamennyi termelés is.
Bár nem akarok célokat kitűzni határidőre, mert eddig nem jött be, ahogy lesz időm, csinálom... A lapátokat is el kellene hozni haver műhelyéből és befejezni, nem sok van hátra belőlük... Csak fontos lesz mind a 6db-ot ugyanolyanra alakítani és a súly is számít, elég macerás meló. De megoldom... Amint lesz látványos fejlődés, jelzem!
Leszimulálom az esetet, majd meglátjuk, hogy mi sül ki.
Ha megadsz konkrét értékeket, akkor azt használom majd. (állórész pakett vastagság, átmérők, horony magasság, oszlopszélesség (középen, és a fejénél), mágnesek vastagsága, felülete). Holnap valószinű ráérnék.
Köszi!
Adatok: Állórész teljes vastagsága: 30mm. Belsö átméröje: 97.9mm Állórész hossza: 60mm Horony magasság: 14mm Horony legszélesebb pontja:6.5mm Horony legkeskenyebb pontja:4.5mm Forgórész: Anyaga aluminium. Átmérö: 97.7mm Hossza: 80mm( 1-1 cm tullógás hogy a saruk lecsavarozhatók legyenek) Alutömb 6 szögre lapolva lapok felülete 60mm hosszú és 40mm széles.Erre vannak csavarozva a két végükön, 60mm hosszú 40mm széles, 5mm vastag laposvas. Majd esztergában besimitva a 97.7 mm es átméröre.Így a laposvas saruk legvastagabb pontja középen 5mm onnan jobbra balra csökken nullára. A laposvas saruk alatt az alu tömbbe fészek van kialakítva a mágnesek számára. A mágnes neodym N35, mérete:60mm hosszú, 20mm széles és 6mm vastag. A mágnes a saruhoz képest minden irányban pontosan középen helyezkedik el az alatt. A saruk között a paláston kb 10mm es távolság alakult ki amit az alu tölt ki. Kb 5és fél hornyot fed át 1 saru. A motor 6 polusú!
Sziasztok!
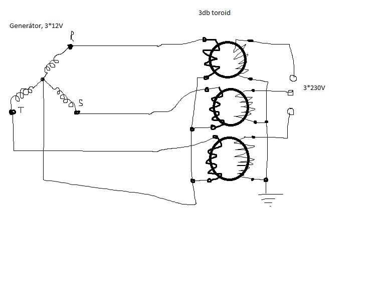
12v-os 3 fázisú váltakozó áramot szeretnék 200-220v-ra transzformálni. (Egyenirányítás után egy windyboy-ra menne) Azt a tippet kaptam hogy 3db toroid trafóval meg lehetne oldani. (230V/12V/150W) Működhet ez? Hogyan kell összekötni? (és hogyan tudom megkülönböztetni a toroidokat, mert ha jól tudom vannak nagy frekvenciásak amik erre a célre nem alkalmasak. ) Előre is köszönöm a segítséget!
Szerintem lehetséges! Ha a generátorod 3*12v csillagba kötve, akkor a trafók 12v ill 230v tekercseit is csillagba kötöd, a 12Vos részre a 3*12v, a 230as részen pedig leveszed a 3*230v-ot. De elég komoly lehet a cuccos, ha ilyet akarsz csinálni...
Ja, a nagyfrekis toroid: vastag huzal, néhány menettel, kis méretben. Ebből a 150w néhány cm átmérőt jelent(5-6). 50hz-re jóval nagyobb, a primer véknyabb, sok menet, szekunder vastag huzal.(nagyon leegyszerűsítve)
Gyanítom hogy nem deltában vannak a generátorod tekercsei, ezért ezt a rajzot dobtam össze.
Én így gondolom, de ha valaki jobb megoldást tudna, úgyis szól... Most így belegondolva: a windyboy szereti a bemenő dc 300V-ot?? Nem semmi |
Bejelentkezés
Hirdetés |








De megoldom... Amint lesz látványos fejlődés, jelzem!

