Fórum témák

» Több friss téma
Fórum » Erősítő mindig és mindig
Mielőtt kérdezel, a következő két dolgot ellenőrizd! I. A helyes tápfeszültségek megléte. II. A kimeneten van-e egyenfeszültség. Élesztés.
Lapozás: OK   876 / 2570
(#) .colin válasza dave500 hozzászólására (») Aug 6, 2011 /
 
A végfoknál. Ha kicserélem és bekapcsolom abban a pillanatban lángra kap. ha nincs benne akkor minden működik csak nem erősít.
(#) dave500 válasza .colin hozzászólására (») Aug 6, 2011 /
 
Amikor forrasztottad nem csináltál véletlenül zárlatot ónpacával? Amikor ment egyszer.csak elhallgatott és azóta nem jó?
(#) .colin válasza dave500 hozzászólására (») Aug 6, 2011 /
 
Nincs zárlat. Átnéztem. Az áram eljut odáig. Itt van pár "jobb" minőségű kép. Müködés közben lángolt füstölt és búgott a hangszóró de csak pillanatig, amig ki nem kapcsoltam.
(#) dave500 válasza .colin hozzászólására (») Aug 6, 2011 /
 
Akkor nem tudok segíteni.
(#) .colin válasza dave500 hozzászólására (») Aug 6, 2011 /
 
Azért köszi.
(#) dave500 válasza .colin hozzászólására (») Aug 6, 2011 /
 
Nincs mit.
(#) .colin válasza dave500 hozzászólására (») Aug 6, 2011 /
 
Az a panel ami a végfokon van az nem az eredetije mert az porrá égették. De ez is nagyon rossz állapotban van.
(#) csikben hozzászólása Aug 7, 2011 /
 
Sziasztok!
Van egy trafóm, amiből egyenirányítva és pufferelve +-60V távozik.
Szeretnék csinálni egy erősítőt, egy 100Wos hangszóróhoz, lehetőleg legyen sztereó, mivel a hangszóróm duplatekercses.
Tudna valaki ajánlani valamilyen kapcsolást, megoldást erre?
(#) Robi85 válasza csikben hozzászólására (») Aug 7, 2011 /
 
VF2. VF2 topic
(#) zoli0078 hozzászólása Aug 8, 2011 /
 
Sziasztok,

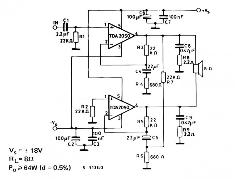
Összeraktam az első erősítőmet TDA2050-el, de sajnos van valami gond. amikor bekapcsolom és rajta van a hangfal egyből elkezd hangosan "búgni". Bemenő jelet még nem adtam neki, gondoltam először csak simán kipróbálom. Mind a két csatora (sztereó erősítő) ezt csinálja. A táp egy 150VA-es toroid trafó és az erősítő kapcsolását az IC adaplapjáról csináltam meg. Tápban oldalankét +/- 3 db 4700u kondi van és a kondik lábán 100n smd kondik vannak beforrasztva (ajánlották, hogy jó hatással van a zavarszűrésre a 100n-os kondi).
Mi lehet a gond?
Estleg fodhurok? Minden földelés egy pontra van bekötve (ezt olvastam ez egyik erősítős oldalon, hogy ajálott így csinálni a földhurok elkerülése érdekében).

Segítségetket előre is köszönöm.
(#) kadarist válasza zoli0078 hozzászólására (») Aug 8, 2011 /
 
Szia!
A rajzot és a nyáktervet is jó lenne látni.
(#) matyusz válasza zoli0078 hozzászólására (») Aug 8, 2011 /
 
Üdv.
És rövidre zárt bemenetnél is búg? Bár az már elég baj ha semmi darab rákötött vezeték nélkül búg ha nincs a bemenetén vezeték, nem szabadna búgnia.
(#) reloop válasza zoli0078 hozzászólására (») Aug 8, 2011 /
 
Szia! A kimeneten (IC 4-es láb) mekkora egyenfesz mérhető?
(#) zoli0078 hozzászólása Aug 8, 2011 /
 
Szasztok,
Készítettem egy gyors rajzot az erősítő felépítéséről és berakom azt a kapcsolást amit megépítettem.
közben kipróbáltam úgy is, hogy adtam beneetre jelet, de sajons a helyzet nem változott, hang nincs és csak búgás van.

Segítségeteket köszi.
(#) zoli0078 válasza reloop hozzászólására (») Aug 8, 2011 /
 
Szia, A kimeneten nem mérek semmit.
(#) kadarist válasza zoli0078 hozzászólására (») Aug 8, 2011 /
 
A tápról vidd a testet az erősítőhöz és ne kerülőúton.
(#) reloop válasza zoli0078 hozzászólására (») Aug 8, 2011 /
 
Már annyiszor leírtuk, hogy az ugrock hibás :no:
(#) emersys válasza zoli0078 hozzászólására (») Aug 8, 2011 /
 
Szia.
Ezt a kijelölt földelési pontot nem tartom célszerűnek., már csak azért sem mert az elkok közti nagy áramú földpont -nak kéne lennie a helyes csillagponti helynek.
Így most aztán végképp lehet földhurkos a végfokod, mivel a földkábelek körbebikázzák a doboz belsejét.
Én javasolnám hogy a csillagpontod a nagy áramú elkók földpontja legyen.
TDA ic-k nél a bemeneti jelföldet el kell különíteni a nagy áramú jelföldtől mert begerjesztheti, de attól még szólna ha a bemenet jelet kapna.
Fusd át azért szerintem még egyszer, hogy mindet helyesen ültettél-e be , és a nyáktervben sincs-e gond.
(#) zoli0078 válasza kadarist hozzászólására (») Aug 8, 2011 /
 
Szia,
A földelés átalkítása hatásos volt, így csak nagyon picit lehet hallani, hogy van egy kis alaphang, de lehet az a rossz PC hangszoóró miatt van.
Addig nincs semmi gond amig a bemenetre rá nem rako egy vezetéket. Eddgi hanszoró kábellel volt a hangerőszabályzó és a erősítő között ahogy kivettem egyből megszünt a nagy hangú búgás.
Most átalakítom a hangerőszabályzót utánna meglátom mi lesz.
(#) zoli0078 hozzászólása Aug 8, 2011 /
 
Sziasztok,
A javasolt átalakításokat megcsináltam (földelés és hangerőszabályzó) valamint a hangerőszamályzó és a VF között kicseréltem a kábelt árnékoltra és máris szól az erősítő és még hangerőt is lehet állítani. Még újrakábelezem az egészet és talán teljesen jó lesz és még pluszba leföldelem a hanegő potit is.
Fejleményekről később beszámolok.
Segítségeteket köszönöm.
(#) reloop válasza zoli0078 hozzászólására (») Aug 8, 2011 /
 
Az előerősítő 4,7k (R1) ellenállását célszerű alkalomadtán nagyobbra pl. 22k cserélni, mert túl sok az erősítése.
(#) zoli0078 válasza reloop hozzászólására (») Aug 8, 2011 /
 
Oké köszi, lehet ezért van még egy kis alaphang?
Vagy még a földelésen kell javítani?
(#) reloop válasza zoli0078 hozzászólására (») Aug 8, 2011 /
 
A TDA2050 bemenetét válaszd le, zárd rövidre. Ebből kiderül mennyi zaj érkezett a végfok bemenetére, érdemes-e vele foglalkozni.
(#) hbandy hozzászólása Aug 8, 2011 /
 
Üdv!

Először is bocs, ha OFF vagyok, de sürgősen kellene a segítség, és most tényleg nincs idő visszaolvasni 800 oldalt...

Szóval a szomszédnak megment a panasonic autórádiója, amiben C1EA-0041 IC volt. Ennek a megfelelője TDA7386, ha jól tudom, viszont azt nem tudom pik-kak beszerezni, TDA7384 pedig van a fiókban! Szerintetek be lehet tenni helyette?
(#) zoli0078 hozzászólása Aug 8, 2011 /
 
Szaisztok,
Mindenkinek köszönöm a segítséget, a hangerőszabályzó és a földkábelek átalakítása után működik az erőszítő a kis alaphangot meg valószínű a poti hibája miatt lehet mert ahogy tekergetem néha jobb néha rosszabb a helyzet (valószínű poti csere). Ettől függetlenül működik mind a két csatorna .
Viszont a következő probléma adódott: a szereó erősítőbe be lenne építve egy sub erősítő is TDA2050 hídban egy az előbb említett hangerőszabályóval és egy hangváltóval. Az átalakítások után ez a csatora sem búg és az alaphgang is nagy kicsi éppen csak hallható, de csak közelről viszont egyálltalán nem szól . a hangváltó lehet a ludas vagy a régi PC hangfalból kiszedett hagszóró (4ohm 3W) nem képes megszólalni?
A további segítségeket előre is köszönöm.
(#) hbandy válasza (Felhasználó 13571) hozzászólására (») Aug 8, 2011 /
 
Köszönöm, rápróbálok!
(#) tamitsrob hozzászólása Aug 8, 2011 /
 
Üdv.
Szert tettem egy Kenwood KA-7020-as erősítőre.

A kérdésem az lenne hogy a hangdobozaim (CAT LEB 401, 3 utas)-ek bírják-e ha a hangerőt feltekerem.
Az erősítő az adatlapja szerint 175W RMS teljesítményt képes leadni.
A hangfalakra az van írva hogy 180W szinusz-t tud meg hogy 310W zenei teljesítményt, és 400W impulzus teljesítményt.
Nem tudom mi ez a sok teljesítmény adat de az biztos hogy a legkisebbet kellene nézzem...

A szinuszteljesítmény megegyezik az RMS teljesítménnyel?
Egyáltalán minek az a sok teljesítmény adat csak paraszt vakításnak?

Ha felteketem maximumra az erősítőt a hangfalak "elszállnak" ?
(#) nagy_david1 válasza tamitsrob hozzászólására (») Aug 8, 2011 /
 
Üdv!

2*115W-ot tud leadni 8ohm-on az erőlködőd. A hangfalakon meg ha elhiszed amit ír akkor ezt elviselik de szerintem ez nagyban függ a márkától is, hogy mennyit hazudtak az adatlapokon. A sok teljesítmény meg valóban parasztvakítás. Amit érdemes nézni az RMS, THD, frekvencia, impedanica összefüggések. A többi zenei, max, csúcs, pimpo és hasonlók nekem nem mondanak semmit. Biztos úgy van ahogy írja de ki a fenét érdekli. Én is átszámolom a mérföldet kilométerbe és máris jobban hangzik a nagyobb érték. Mellesleg ez egy félelmetes erősítő ha leadja ezt a teljesítményt.
(#) tamitsrob válasza tamitsrob hozzászólására (») Aug 8, 2011 /
 
Az erősítőm adatlapját mellékeltem...

kenwood.JPG
    
(#) tamitsrob válasza nagy_david1 hozzászólására (») Aug 8, 2011 /
 
Nincs valami módszer a teljesítmény átszámolására?
Szinusz teljesítményből RMS-t?

Amúgy meg a felénél tovább nem tekertem fel az erősítőt mert már ez is elég volt.

Szombaton egy házibuliba vittem a cuccokat és elszált mindkét hangfalban a magassugárzó...

A kérdés az hogy eme Boltban szereplő magas sugárzók közül melyik lenne jó a rossz helyett?
Következő: »»   876 / 2570
Bejelentkezés

Belépés

Hirdetés
XDT.hu
Az oldalon sütiket használunk a helyes működéshez. Bővebb információt az adatvédelmi szabályzatban olvashatsz. Megértettem