Fórum témák
» Több friss téma |
Fórum » Kapcsolási rajzot keresek
Témaindító: Kallai Csaba, idő: Márc 11, 2006
Témakörök:
Pontosan mit keresel?
A mellékelt kapcsolás szerintem szabályozható áramgenerátor power LED-hez. Skori oldalán többet is találsz. Ha csak biztosíték pótlására akkor multifuse.
Igazából a multifuse nem jó mert lassú.Lényegében áramkorlát kellene egy táphoz. Van többfajta is de nem tudom melyik ami már bevált mert nincs leírva hogy kinek vált be vagy nem.
Az a kérdés, milyen tápegység után szeretnéd kötni...
Ha valami nagyon egyszerű - pl.: sima pufferkondis - tápról van szó, akkor bonyolultabb a dolog, mint egy "normális" (analóg-disszipatív, vagy kapcsolóüzemű) módon felépített konstrukciónál. Ez utóbbi esetben célszerűbb az eredeti áramkörbe belenyúlni és a meglévő szabályzó elemet "rávenni" az áramgenerátoros üzemmódra. Így megspórolható a plusz hűtőborda, teljesítmény-félvezető, miegymás. A linken látható áramkör feltehetőleg kapcsolóüzemű, álítható áramgenerátor - leginkább LED-ek táplálására. Az írás szerint neki is kell hűtőborda, eddigi tapasztalataim szerint a kimenete nem sima egyenáram, tehát más készülékek működtetésére, kísérletezésre nem igazán jó.
2 db LM350-nel:Bővebben: Link
Üdv.!
Kaptam egy meghívót az elektrotanya.com nevű oldalra. Sikeresen regisztráltam is, írták, hogy jön a visszaigazoló e-mail. Ez volt 2 héttel ezelőtt. Csak arra tudok gondolni, hogy elgépeltem az e-mail címem. Hogyan tudnék egy adminnal kapcsolatba lépni az ügy érdekében? Nagy szükségem lenne rá. Tudom, lehet, hogy a kérdésem nem ide illik, de más helyen nem kapnék segítséget.
Szia!
Én innen kapom a leveleket: Email. Próbálj nekik írni, bár azt találtam az oldalon, hogy a meghívó 2 hét után lejár.
Szia!
Esetleg a levelezorendszered nem minositette SPAM-nak, s ezen oknal fogva tette a levelszemet fiokjaba azt?
Üdv!
Hoppá! Amit néztem adatlapot abban ez nem volt benne. Köszönöm.
Üdv. Korábban kerestem kenwood ka-880sd kapcsolását. Nos google 1. Találat... Ezért elnézést. Azonban lenne egy új kérdés. Mivel a vég- és előfok még működőképes (TA2030. TA2040 hibrid ic) ezért ezt szeretn?m ?jjáépíteni. Google 4órás böngészése után gondoltam megkérdem itt hátha tud ebben segíteni vki.
Az erősítő komplett kapcsolása megvan azonban én nem tudom kivenni az erősítőr?szt. Annyi lenne hogy a 2 végfok részt összerakni hangszínszab. nem lényeg hangerőszabályzás kell. Minden eredeti alkatrész megvan. Ha ehez valaki tud kapcsolást vagy segítséget nyújtani megköszönném. Nem feltétlenül kell az eredeti kapcsolásnál maradni. Minden ötletet szivesen fogadok és előre is köszönöm. Az eredeti kapcsolási rajz: Bővebben: Link (A duplikátum hozzászólást töröltem. Frankye)
Szép estét.
Azt szeretném kérdezni,hogy tudna-e valaki segíteni egy Skoda Fabia 1.4mpi 2002-s autó elektromos kapcsolási rajzzal kapcsolatban. Ha van valakinek ilyen kapcsolási rajza legyenszíves segítsen ki vele, vagy egy linket ha tudnátok adni az is jó lenne, ahonnan letudnám tölteni. Köszönöm.
Sziasztok!
Keresgélem egy ideje, de nem bírok ráakadni sehol technikai dokumentációra egy Siemens RV300-as erősítőről. Ez egy ezüst előlapos hifi erősítő. Ha tudtok valami doksit, szervizkönyv, kapcsolási rajz, technikai dokumentáció, akármi, szívesen venném. Köszi!
Sziasztok !
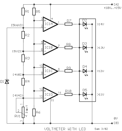
Töltés szint jelző kapcsolásra lenne szükségem Lm324 re gondoltam de ne 11-14V között mérjen nekem 0-7.4V kéne hogy mérjen .Mivel Modell akkuhoz kéne. Hogyan odjam meg ellenálás csere ? ?
Az R5- R6 feszültségosztó értékeivel kellene játszani . Akár egy trimmer poti is jó lenne a két ellenállás helyett
Modell akkuhoz se kéne 0-ra lemenni, hanem az akkumulátor minimális feszültségéig.
Jobban megnézve a rajzot még egy lehetőséget látok , a zeener dióda cseréje is szóba jöhet 5,6v -ról mondjuk 3,3 ra
de a ledek fényereje is csökkenni fog ,az előtét ellenállások is lehetnek alacsonyabb értékűek . Az ic adatlapját is nézd meg mekkora a minimális tápfeszültsége (azt is a mérendő akku szolgáltatja)
Hello!
A referenciát célszerűbb egy TL431-el kiváltani, korrektebb eredményt kapsz. Pld. a következő módon.. üdv! proli007
Tiszteletem mindenkinek!
Opel Vivarohoz keresnék kapcsolási rajzot 2003-as 1.9 TDI. Kezelési útmutató van de abban nincsen kapcsolási rajz. Előre is köszönöm!
Sziasztok!
Szeretném a segítségeteket kérni!Olyan kapcsolásra lenne szükségem a lehető legegyszerűbben összeállítva,ami a következőt tudja: bemenet 12V DC kimenet 1,5-2V DC, max 150-200mA terheléstől függetlenül. Köszi előre is!
Év eleje óta tanulom az elektronikát, sőt annyi se és máris egy 1 digites 7 szegmenses kijelzőnek a léptetését kellene megvalósítani(kapcsolókkal, logikai kapukkal stb...).Olyan kapcsolási rajz kellene nekem ami egy 1 digites 7 szegmenses kijelzöt kapcsolókkal léptet 0-tól 9-ig... Mindenhol néztem, de nem találok róla...Valaki tudna küldeni róla egy kapcs. rajzot?Sürgös!
Egy prellmentes nyomógomb, egy számláló (74LS90 vagy hasonló) egy 7 szegmenses dekóder (74ls47) 7 db áramkorlátozó ellenállás...
Bővebben: Link
S mi az amit szeretnel STABILAN tartani? Az aram vagy a feszultseg?
Sziasztok,keresnék egy kapcsolási rajzot a Grundig C-6200-eshez ha tudtok segíteni megköszönném.szétszerelve kaptam de jó állapotban van.
sziasztok RFT SC 1810 keresek kapcsolási rajzot előre is köszönöm
Torok72, Zegibaba!
Sziasztok! Mindkét rajz fenn van az Elektrotanyán, Kattintsatok az oldal alján - kisvártatva megjelenő - Get Manual -ra. |
Bejelentkezés
Hirdetés |




? ? 






