Fórum témák
» Több friss téma |
Helló. Most egy kis gondba ütköztem a programozóval kapcsolatban. Letöltöttem a frissített firmware verziót a programozóhoz és a benne levő README fájlban azt írja a csávó hogy ez a hardver csak atmega8-as vezérlőt támogassa valamint 18.432MHz-es kristályt használ. Ez nagyon furcsa mivel te is említetted, hogy az atmega8-as vezérlők 16MHz-ig működnek. Ebben az esetben mit lehet tenni? Itt a link a readme fájlhoz.
A readme fájl linkje a Te "C" meghajtódra mutat!
Lehet működik túlhajtva is... pl az igorusb eredeti változata at90s2313-al is 12MHz-n ment, pedig az gyárilag csak 10MHz-ig van írva, hogy működik... állítólag az Atmega128 is megy valamivel magasabb órajelen is, mint amit az adatlap ír...
Hello!
Azt nem említettem hogy túlhajtva nem működne, csak azt hogy az adatlap 16MHz-et ír. Egyébként nálam a mega8 20MHz-en is ment, illetve a Doper változatomban 8L-es mega8(max: 8MHz) megy 12MHz-el hajtva... A mega88-at pedig azért említettem mert a korábban belinkelt rajzon az is ott volt mint opció. Szóval: tegyél rá mega8-at 18.xyz MHz-es kristállyal és ha mindent jól csináltál akkor működik.
Sziasztok!
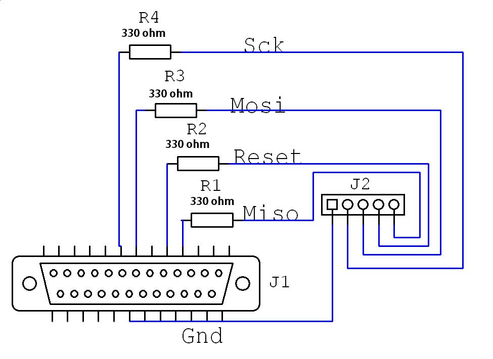
Építettem egy egyszerű USBASP égető-áramkört, de nem bírok életet lehelni bele... Az rx és tx nincs bekötve, és programozó adapterrel próbáltam, több AVR-rel. Az adapter sorosporti égetővel hibátlan. Az adapterrel való összeköttetések 100x ellenőrizve lettek. Az XP feismeri, megjelenik az eszközkezelőben, de az ExtremBurner, a Khazama, stb. nem tudják valamiért kezelni. Több *.hex-et is kipróbáltam (hasonló égetők firmwarjeit) de mindíg ugyanaz a hiba. Lehetséges, hogy a mega8 nem jó? Mellékelek néhány képernyőmentést: schematic pcb extremburner hiba khazama hiba
Helló. A hibaüzenetek alapján a Khazama és az Extreme burner is tudja használni a programozót csak annyi a gond hogy nem ismeri fel a cél mikrovezérlőt. Tehát ellenőrizd hogy jól e kötötted össze a programozóval a kontrollert valamint hogy kap e a programozandó vezérlő tápot. Az is gond lehet hogy nincsen kristály az XTAL lábakon és kizártad magad az avr-ből. Ekkor kell építened egy jelgenerátort vagy 1MHz-es kristállyal próbáld meg feléleszteni.
Köszi a gyors választ.
Az összekötéseket már sokszor ellenőriztem, az adapter foglalatán megvan a táp, és úgy van kialakítva, hogy a kizárások elkerülése végett van rajta egy 4 megás rezonátor. A soros égetővel továbbra is tudom írni-olvasni az AVR-t. Rámértem az smd mega8 lábaitól az adapter IC foglalatáig az összeköttetésekre, nincs szakadás. Éppen ezért nem értem a történetet. Viszont az első próba után derült ki, hogy az sck és a reset kivezetések fel vannak cserélve, ez kinyírhatta a programozóban levő mega8-at?
Szia!
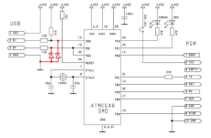
Nekem is volt hasonló hiba az USBASP-vel, de a kapcsolási rajzból látszik, hogy hiányzik 2 zéner dióda az USB adatvonalairól. Mellékeltem a helyes bekötést, a zener 3.3 vagy 3,6V-os legyen. Remélem segít.
Elnézést, rossz helyre rajzoltam a diódákat. Mellékelem a helyes bekötést, és egy másik rajzot is, ami én is megépítettem (Atmega8-al).
Sajnos ez sem segít...
Már ott tartok, hogy feladom,(kb 1 hete szenvedek vele) és összerakom sziva mester első AVR programozóját, csak nincs kéznél mosfet, majd a jövőhéten tudok rendelni. Vajon tranzisztorral életképes lenne ?
Akkor sajnos nem tudom mi lehet a hiba. Én konkrétan a csatolt kapcsolást építettem meg erről az oldalról, és kifogástalanul működik (WIN7 64bit alatt is). A Tx, Rx vonalakat ki lehet hagyni, nem lesz annyira zsúfolt a NYÁK.
Helló. Azok a zener diódák nem olyan fontosak oda hogy ne ismerje fel a gép és ne tudj vele programozni. Próbáld meg azt amit írtam a PROGRAMOZÓDDAL SZERINTEM SEMMI GOND NEM LESZ! és ha lesz is akkor az valami elkötés vagy forrasztási hiba amit könnyen kideríthetsz egy multiméterrel. Programoztad már azt az avr-t amit most is szeretnél programozni vagy teljesen új. Tettél kristályt az XTAL lábakra?
Azok a zenerek nem a programozót védik, hanem a PC 3.3V -os USB csatoló áramköreit - Vannak olyanok, amik tönkremennek az 5V -os jelszintektől és lehetnek olyanok, amik hibásnak vélik a csatolt eszközt. A lényeg, hogy a diódák nem hagyhatók el következmények nélkül.
Feltámadás!
Köszi a segítségeket, de végül is az avrdude-t cseréltem másik verzióra, és azóta működik a programozó. Úgy gondolom, megérte több mint egy hetet szenvedni vele... Igaz, a nyákot kissé megviselte a sok próbálkozás
Programozásilag semmi nincs közöttük. Más benne a mag (újabb), 2.7-5.5V-ig megy, míg a régi csak 4.5-5.5V-ig ment. Lényegében összevonták a mega8 es mega8L típusokat.
Köszi szépen a segítséget! Másik topicban is ugyanezt írták, szóval köszönöm a megerősítést!
Legközelebb légyszíves ne tedd fel ugyanazt a kérdést egyidőben két topikban, szerintem mind a kettőt ugyanazok az arcok olvassák.
Az én tapasztalatom az, hogy az A-sok teljesen kompatíbilisek. Most, az átmeneti időszakban mindig onnan veszem ahol a legolcsóbb, így néha a sima, néha az L-es vagy A-s kerül fel a paneleimre és eddig semelyikkel sem volt gond. Sőt, az A-s mega8 nekem szépen elműködik 24MHz-en(és 5V-on), míg a sima csak 20-at bírt...
Üdv!
A mellékletben csatolt AVR égetőt használnám, de nem működik se BASCOMban, se WinAVR-ben, se PonyProgban, nem ismerik fel. A mikroproc. ATMEGA8-A PU, az égetőt stk200-nak állítom be, a kábel kb.1m,mi lehet a baj?? Biztos valami egyszerű dolog, de még nagyon kezdő vagyok, ez lenne az első AVRes kapcsolásom. :no:
Pedig én is használtam ezt az egyszerű égetőt a PonyProg alatt, de be kell állítani melyik kimenet hova megy:
Idézet: „AVR ISP (STK200/300) parallel port interface The best way to perform AVR ISP programming. It works even in low voltage systems (3V). To select it choose "AVR ISP I/O" or "AVR ISP API" from the Options - Setup menu and the parallel checkbox. ” A második probléma lehet az 1 méter kábel. Az nagyon hosszú, inkább 30 centit javasolnék.
Az 1 méteres kábellel SEMMI probléma nem lehet: nekem 2 méteres, és egy 5 méteres toldóval is ment.
Egyszerűen rosszul építetted meg a programozót, ezzel soha nem fog működni! Ugyanis kifelejtettél két átkötést! Ezeket is össze kell kötni a nyomtatóporton: 2-12; 3-11; A rajz pedig - bocsánat - fércmunka. A nyomtatóportos bekötés korrekt(leszámítva a két átköés hiányát), de egy számozást is megérdemelt volna. Így elég könnyen össze lehet cserélni a két végét, és akkor mehet az indián-kommunikáció. Csatolom a sajátomat. Ez tuti menni fog STK200-ként!
A Pony Progban
Idézet: , de „Test ok” Idézet: . Mi lehet a baj? „Device missing or unkown device (-24)”
Tápot kap az AVR? PonyProg lett kalibrálva?
Nem lehet, hogy olyan avr-t próbálsz használni, amiben a fusebitek már átállításra kerültek, és így külső oszcillátor nélkül nem érhető el?
1.Igen,kap stab. 5v-ot
2.Igen kalibráltam
Az AVR vadonatúj, a boltos akkor rendelte.
A programozót úgy építetted meg ahogy a #1057832-ben írtam? Biztos nem cseréltél fel semmit?
Méregess a programozólábakon programozási kíérlet előtt-közben-után.
Teljesen ua.
|
Bejelentkezés
Hirdetés |







:no:







