Fórum témák
» Több friss téma |
Fórum » Kapcsolóüzemű táp autóba Hi-Fi-hez
En talalatam masikrajzot is. Egy torok oldalon fent. Kompletten mindennel egyutt, itt bogarasztam ki a forumon valahol, ott 2*32 voltot irtak kimenetnek ezzel a trafoval, ha erdekel beszkenelheten neked, meg van egy fel nyak tervem is hozza, en ezt szeretnem megcsinalni majd, kicsit kisebbre mint ahogy ott van, 70*120 mm esre.
Okés, a kimeneti feszültség gyakorlatban is biztosan elvihető 70V-ig, ez tapasztalat. Amúgy 21/3 (menet) az áttétel. A tervet megköszönöm, bár nem hiszem, hogy megépítem. Most már szeretnék a saját naivitásom után menni. Viszont ötleteket lehet belőle meríteni, és ami mégfontosabb: minél több NYÁKtervet lenne jó átnéznem, mert az nekem nem megy.
Az elozo nyakomat en terveztem, kulon panelre a vezerlest, ami egy tl494 volt, a nagyaramu panelt kulon nyakra raktam csillagpontosan full szimmetrikusra, es igy is meghalt az egyik fet, mert a trafomat nem birtam jol megtekerni, de mukodott csak terheles hatasara megpurcant, sajnos....na mindjart megkeresem a rajzokat.
A kepetk.
Majd egy ket vegfokot akarok rolla hajtani a kocsiba, tda7294 es meg egy masik tranyosat vagy feteset szeritem, egy VF3-at .
Köszi, ez jópofa. Az elvi kapcsolási rajz nekem egy kicsit átláthatatlan, főleg ott a 3-as láb körül az a sok dióda. Kicsit nagyobb felbontásban nem tudnád feltenni?
Ha végfokot akarsz hajtani róla, akkor szerintem érdemes lenne stabilizálni a feszültségét. Én úgy látom, hogy nincs visszacsatolás a kimeentről.
A visszacsatolast te hogyan oldanad meg, egy opto csatoloval. ? Vagy egy feszultseg osztos megoldassal, aminek az egyik fele egy trimer , amivel a kitoltesi tenyezot lehet aligatni ?
Feszültségszabályzásnál nem a kitöltési tényezőt kell állítgatni, mert azzal inkább a kimeneti teljesítmény maximumát tudod stabilizálni. Nem kell optocsatoló, csak "simán" a kimenet leosztott feszültségét kéne visszavezetni a hibajelerősítő nem invertáló bemenetére.
Ennél a kapcsolásnál nem lenne azt olyan könnyű alkalmazni. Ez a kapcsolás számomra még átláthatatlan. Valami független változó van benne, amit figyelembe vesz a vezérlés, de nem tudom, hogy mi az...
Hello mindenki!
Kicseréltem a vezérlő IC-t. Hallgatva emmzolee -ra, kivettem a dupladiódát a kimenetről, és multiméter diódavizsgálójával jónak "mértem". Viszont snubbert tettem a primer oldalra. 10nF + 10ohm. Az ellenállás semmit nem melegszik. Meg is néztem a jelalakot a 10nF os snubber kondin. A meghajtás tápját BY138 -as diódával választottam le a tápbemenetről. Ezen kívül kicseréltem a meghajtás pufferét 47µF-ra, és a brutál kondit pedig betettem a trafóhoz. Meghagytam a csiki-csuki krokodilcsipeszt, hogy bármikor levehessem a trafó középkivezetéséről a tápfeszt. A TL494 kapott a 12-7 lábaira egy 10nF kerámiát, és a FETmeghajtó is kapott még egy 100nF-ot. Ezen kívül kicseréltem az időzítő kondit, és most kb. 75kHz-en megy a TL494 oszcillátora. Van valami furcsa belengés az Ugs jelalak lefutó éleinél, és van még egy pici belengés, gondolom azt a másik FET zárása okozza. Semmi nem melegszik, a nyugalmi áramfelvétele pedig nagyon kicsi. Majd a szekunder oldalra is szeretnék tenni snubbert.
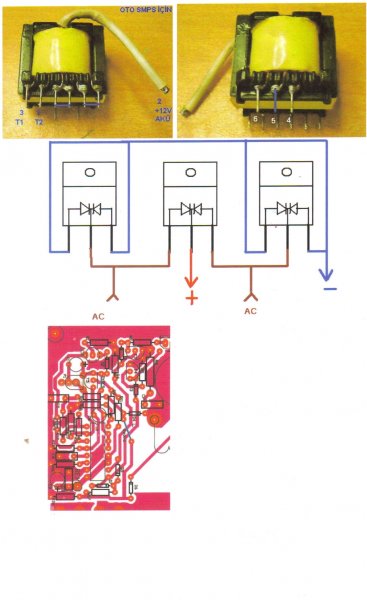
A többi kép. A trafó prim. oldalának középkivezetését elláttam 12V-tal.
Már csak azt nem tudom kiszámolni, hogy a snubber ellenállásán átlagban mekkora teljesítmény disszipálódik. :hide:
A remotét átrajzoltam.
Akkor TL és környéke is lehet teliföldes, egészen a trafó alatt a szekunder kivezetésekig? Közbe javítottam a nyákot. Dehogy akartam szálanként beforrasztani... fúróval kimartam volna.Itt vannak a módusult fájlok. A remotét így gondoltad? A nyák jó lesz így? Ha úgy megcsinálnám a kimeneti puffereket ahogy mondtad akkor k*rva nagyra nőne a panel. A max méret amit itthon tudok csinálni az A4.
pfffiiii ha nekem ilyenek lettek volna a jelalakjaim
![]() Vagyis ezek sokkal jobbak mint az enyémek voltak
A REMOTE tranyó bázis-emmittere közé tegyél bele egy 22kohmos ellenállást.
Persze, lehet mindenhol teliföldes, de szerintem ne kösd össze a szekunder oldal negatívját a bemeneti oldal GND-vel. Esetleg földhurkos lesz, ha mégis kell, akkor kívülröl is átkötheted, vagy csinálhatsz a panelra egy jumper szerűséget. ( Ha így nézzük, akkor felesleges a szekunder oldalon a baloldali nagy negatív terület. Nem fontos az összes pufferelkónak a táp paneljén lennie, de valahova kell tenned őket, akkor már legyenek egy kupacban, bár, én a végfok panelre is tennék legalább egy 470µF-ot, én azt tapasztaltam, hogy kisebb a torzítása. ( Legalábbis D osztályban, mérve ) Nem kell ennyi ellenállás a snubberbe, én csak arra gondoltam, hogyha van felesleges hely, akkor célszerű ott helyet hagyni nekik. Itt viszont látszik, hogy emiatt is nagy a panel. Ha nincs csak 2-2 ellenállás, akkor azt a hosszú sor pufferkondit be tudod tenni a trafó mellé és így keskenyebb lesz a panel. Ezeket az ellenállásokat fel is állíthatod, mint a primer oldali snubberben. Attól, hogy egyformák a kondikhoz vezető fóliák, még nem lesz nagyobb a panel. Gondold úgy, hogy egy sorban vannak a kondik, összekötve. Bemegyünk a fojtóról a kondik plusz végébe, a fólia megy tovább és az utolsó kondi plusz lábáról megyünk a kimenetre. Ugyanennek a kondinak a negatív kivezetésére kötjük a trafó közepét, a fólia most is végigmegy és annak a kondinak a negatívja lesz a kimenet negatívja, amelyikre a fojtóról megy a plusz. Így tulajdonképpen keresztbe van kötve a konditelep, de mindegyik kondi ugyanolyan hosszú fóliával van bekötve. A lényege az, hogy a fojtóról bemegyünk a kondiba, és onnan továbbmegyünk a terhelés felé. A negatív ugyanez. A keresztbekötés meg azért kell, hogy a fóliák egyforma hosszúak legyenek mind a betáp oldalról, mind a terhelés oldaláról nézve, tehát a kondikon egyforma legyen az áramterhelés. A kimenetre nagyobb gamókat rakj és többet. Nem tudom, akarsz e valami csatlakozót feltenni, de ha beforrasztott dróttal mész el, akkor inkább több gamó legyen, biztosan több helyre is elviszed a feszt. Egész jó már a nyák.
Ok. Örülök neki.
Ha beszámolsz a fejleményekről akkor tegyél be képeket is, hogy milyen lett.
Mi az a gamó?
kampó. a juhászok jellegzetes, hosszú → pásztorbotja, amelynek az egyik végén természetes fa- vagy ráhelyezett fémkampó van.
Tényleg. Katt.
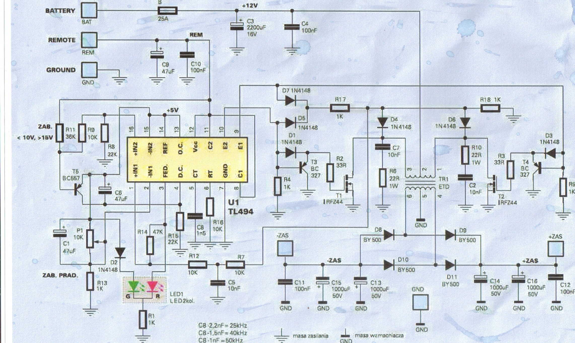
Neked mi a véleményed arról a rajzról amit thedespot0 betett?Nekem meg van jobb minőségben beteszem alulra. Hogy működik az pontosan? Én sem látom át, hogy mi a szarepe a D5, D7, R17, D4, D6, R18, R7 alkatrészeknek? Kössz.
Bocsi hogy belepofátlankodok de szerintem a tlnél a felső hibakel erősítő az uvp,lvp az alsó meg amelyikre mennek az alkatrészek amit írtál áramkorlát lehet. Csak azt nem tudom hogy hogyan működik
az látszik hogy a referencia van leosztva egy potival.
Hát, amibe bedugod az alkatrész lábát és leforrasztod...
R17 R18 egy feszültség osztót képez. Vagyis pontosan a táp felét. Viszont itt csak akkor van táp fele ha a TL valamelyik kimenete tápon van vagyis D7-en vagy D5-ön keresztül az osztóra a pozitív is rákerül. Az osztó közepén látszik D4 ésD6 állásából hogy az osztó feszültségét csak lefelé tudja rángatni. Vagyis kb 6V a max ami ott lehet. Azért kb mert a pozitív az osztóra mindig egy diódán keresztül megy amin esik egy kis feszültség.
A hibajel erősítőnél látszik hogy az invertáló bemenetre 0,5Vtól 5Vig lehet szabályozni a refet. Viszont tételezzük fel hogy a ref poti maxon áll. 5V akkor a nem invertáló bemenetre nagyobb fesz jut mint 5V ezért a TLnek csökkentenie kellene a kitöltést. Viszont mondom azt nem tudom hogy a fesz osztó közepét mi függvényébe húzza lefelé a trafó a 2 diódán keresztül. Szaal e van én sem lehetek mindentudó
Gondolom, valami szabályozókör lehet, hogy stabilabb legyen a kimeneti feszültség, ne függjön annyira az aksi fesztől. Az R7 baloldali lábán van egy kondi, ez, meg az R7 aluláteresztő szűrőt képez, az alsó opamp arra törekszik, hogy a gate-ek feszültségének átlagértéke akkora legyen, mint amit a potival beállítasz. De ez nem szabályozza ki a trafó droppját, meg nem elég pontos, hiszen az opampnak alig van erősítése. Nem kell mindent átvenni a netről...
Ha nem kötöm össze a GND-t a szekunder negatívjával akkor nem tudom visszacsatolni a kimeneti feszt. Optót kellene használni? És mi lenne akkor a bemenetre menő audio jelvezetéken, az árnyékolást ami GND-n van, nem kötném be mind2 végét? Akkor nem alakulhatna ki földhurok.
Igen, a vcs-hez össze kellene kötni, hogy kialakul e földhurok vagy nem és, hogy ez okoz e problémát, nem hiszem, hogy így ki lehet találni. Az optocsatolós visszavezetés megnyugtatóbb lenne. Ki kell próbálni a mostani verziót, lehet hogy jó, lehet, hogy nem, nagyon sok mindentől függ.
Na igen, de ha a 10-es lábon magas szint van, akkor a D5 vezet. Az R17, és R18 között megjelenne egy nagyon rövid ideig a fél tápfesz. Egészen addig míg a T1 fet ki nem nyit. Akkor a D4 katódja a negatívon lesz, és igy az ic irányába már csak a D4 dióda nyitófeszültsége jut. aztán egy Dead time időnyi szünet, és kezdődik a másik periódus. Ezt nem tudom hova tenni, hogy mi lehet. Csak a trafó dropjára tudok gondolni kikapcsoláskor. Lehet azt a csúcsot figyeli a cucc, ami ugye terheléstől függően nő. Nem?
Ok, hogy nem kell átvenni amit a neten lát az ember, de jó lenne megérteni.
Láttam olyan rajzot ahol a GND és a negatív között egy 1K és vele párhuzamosan egy 100nF kondi volt. Gondolom ez hivatott megakadályozni a földhurkot és mégis vissza lehet csatolni opto nélkül. Mind1 meghagyom a helyét a panelen és majd meglátom.
Igen, van ilyen, tegyél be egy ellenállásnak helyet. Amiket én láttam, ott 10 ohm volt az ellenállás, de végül is a lényege az, hogy a földhurokban ne tudjon nagy áram kialakulni.
Azzal nem lesz gond hogy ha a tl kimenetei nem egyforma hosszúságú vezetősávon megy a 2 fet meghajtóhoz? Lehet jobban járok ha egy kis panelen állítva teszem be a TL-t.
PCB a keresztkötéssel
Nem jó. A szekunder oldalon a középkivezetést ( negatív ) a C45 negatívjára tedd. A C14 csatlakozóhoz a negatívat pedig a C50 negatívjáról kell elvezetni. Csak így lesz az összes kondihoz vezető fólia egyforma hosszú. Ha ez nem megy, akkor legalább a C45-ről vedd le a fóliát és tedd a C43-ra. A CS14-re meg továbbra is C45-ről menj el. Még megnövelhetnéd a kondikra menő fóliát olyan szélesre, mint maguk a kondik átmérője.
Nem probléma, nem folynak ott akkora áramok, hogy aszimmetriát okozzanak.
Lehet kis panelen a TL, de csak feleslegesen bonyolítanád. Én csak akkor használok ilyen megoldást, ha kicsi a hely, ahova be kell férni az alkatrészekkel. Esetleg még valami. Az nem tetszik benne, hogy nem szimmetrikus az elrendezés, mert a TL ic valahogy külön van. Nem férne be a bal oldalra, a hűtőborda alá? Mintha ott lenne hely a borda kiképzése miatt, persze, lehet, hogy rosszul emlékszem. Nem is a TL kimenetek különböző hosszára gondolok, hanem hogy a GND nem szimmetrikus a két gatemeghajtóra nézve. Talán azt is lehetne, hogy a kimeneti kondikat, meg az L1-et jobbra eltolod, akkor lenne ott annyi hely, hogy alulról fel tudnál menni a telifölddel a TL ic-ig. Ez a nyák egyoldalas lesz? És átkötéseket jelölnek a piros fóliák? Ez így nem túl szerencsés, mert a gateellenállásokhoz menő fólia miatt kell egy csomó átkötést csinálni és pont a teliföldön. Inkább fordítva kellene, mert így nem lesz elég kis impedanciás a teliföld. Szóval, inkább a gatevezeték legyen átkötésekből, ne a nagyáramú rész. |
Bejelentkezés
Hirdetés |















fúróval kimartam volna.






