Fórum témák
» Több friss téma |
Fórum » B5 és B8 végerősítő
Szia! Igen valóban ha az MJL-ek melegek a nyugalmi áram is 5-8mV al feljebb megy. Mikor visszahül a hűtőborda, akkor az is visszamegy (nálam 24-28mV ra). Szóval kb 70-80mA körül működik üresjáratban, hőtől és a hálózati feszültségtől függően. Ez nem sok meg amúgy is így szól szépen. Viszont ez a 2V helyetti 4.5V a 270 ohm és 2.7K ellenálláson nem teljesen tiszta.
Nézd meg, szerintem a nyugalmi áram beállító feszültség generátortól indul a történet. Ha nem sajnálod, tekerd el és mérj rá a 270 ohm -ra.
Nagyon sokat szórakoztam vele, de mondjuk az offsetet nehéz inkább beállitani. Holnap valószinűleg kipróbálom...
Ha nehezen jött össze el ne csavargasd.
A darlingtonok tipusa, kollektor-emitter ellenállásai azonosak KD mester tervével? Valaki már eltért a 3,9 ohm-tól és sikerült belátni, hogy itt erősen összefügg minden-mindennel.
Nagyon érdekelne a BD139 CE feszültsége. A mérésed alapján a 12k ellenálláson folyó áram nem hanyagolható el.
Nekem az sajnos 5 ohm lett ,mivel csak 2 10 ohm ossal bírtam megoldani. Vagyis olyan ellenállásból a legkisebb 10R. De hidd el amíg 4.9R volt benne ugyan így melegedett. Annyi volt a különbség hogy a nyugalmi áramot feljebb kellett tekerni mikor 5 ohm került bele. Amiről én tudok, persze gondolom más is változhat még. De előtte is ilyen meleg volt szóval...
Jólvan holnap megmérem.
Ne haragudj ,de alig van hely nem merem bedugni a műszert. Mostmár nem melegszik annyira mert 3V ra lecsökkent miután 2.2 és 220 ohm ot cseréltem a rajz szerint. Az 5.6K maradt, de az lehet jobb is így. Viszont a hálózati földelést szeretném mégis bekötni.Arra a diódás leválasztásra gondoltam ,de nem tudom pontosan hogy hogyan néz ki. Tudna valaki segíteni? Köszi !
Ok. A kép bal alsó sarkában találod.
Milyen célból kívánod földelni az erősítőt?
Köszi, erre gondoltam
Teljes hangerőn zúg. Ha rádugom az aktív subot, akkor halkabb az 50Hz es búgás. Azon meg a hálózati föld is bevan kötve. Kipróbálom...
A rendszer lehetőleg csak egy ponton kapjon védőföldet, mert földhurok forrása lehet. Az aktív sub rádugásától csökkenő búgás inkább illesztetlenségre utal.
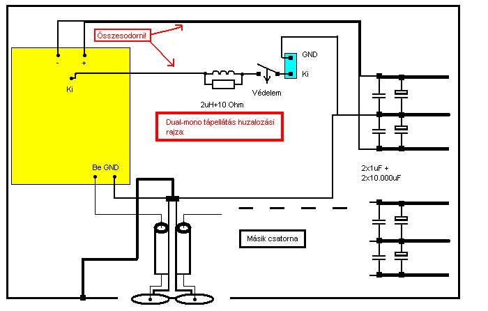
Erre gondoltam én is úgyhogy lehet a subról kikötöm. És az illesztetlenséget hol lehet megoldani? Vagy azt már nem is lehet...Dual monoban van, a két oldal GNDje csak a jelbemenetnél van összekötve és kb 5cm re onnan a dobozhoz van erősítve. Ahogy az a huzalozási rajzon is van. GND-t ezen kívül megkapja külön külön a tápegységről is.
A bejövő kábelt kellően alacsony ellenállással kell lezárni, hogy a felvett zajokat minél jobban el lehessen nyomni.
Ha jól értem a bemeneti pontra vittél GND-t a táptól. Nem tenném :no:
Igen van a bemeneten GND ,mert akkor a panel nem kapna testet. Akkor így olyan megoldás lehetséges, hogy a két táprészről (kondiktól) a GND-t közös csillagpontra vezetem a fémdobozra. Így a végpanel a doboz és a bemeneti árnyékolt vezetéken keresztül kapná meg a GND-t. De majd képeket is rakok fel hátha úgy kreatívabbak leszünk.
Úgy értelmezem KD Mester rajzát, hogy a bemeneti GND az a virtuális föld, ami a zener diódák közös pontján jön létre. Ez, és csak ez megy a bemeneti csatlakozókhoz, illetve a fémházra.
A végfok panelen lévő szűrőkondik GND-je értelem szerűen az adott tápegység csillagpontjára van kötve.
Ja igen bocsánat, nekem nem a dual mono panel lett legyártva. Akivel csináltattam az összekeverte így most kínlódhatok vele. Akkor a panel alján lesz ráforrasztva. Csak azt nem értem, ha a tápról nem kötök a fémházra csak a szűrőkondikhoz, akkor a kimenet mihez képest fog dolgozni. A hangszórók is a táp kondiktól kapják a GND-t. Egy kicsit magas nekem hirtelen, de lerajzolom vagy valami hátha jobban átlátom...
A B5 cikk fotóin látom, hogy dual mono -nál a bemeneti és a kimeneti föld a nyák alatt át van hidalva (sárga vezeték). A hangszóró GND a kéttrafós képen a panelről jön, míg a dupla szekunderesen a puffer kondenzátorokról. Mindkettőt jónak tartom. Amivel nem értenék egyet az az, hogy a bemeneti csatlakozóra még egy vezeték jöjjön a táptól. A cikk huzalozási rajzába paintold bele az eltéréseket. Bővebben: Link
Pontosan így van kötve a hangszórókimenet ,bemenet és a dobozra is.
Értelek. Jó megoldás. Visszatérve a zajra: hol szabályozod a hangerőt? Milyen értékű potival?
2x50K stereo poti és ezzel párhuzamosan van egy egy 47K ellenállás így kb 23K ohm os a potméter. Azért van így mert szebben szól mint a poti magában. Lépcsős potinak meg nincs hely. Jön a jel a potira ahol nincs összekötve a GND mert akkor nagyon zúg az egész. Onnan meg persze megy tovább a panelra (fémdoboz+hangkártya testtel) és ez a GND találkozik a panelon a tápegységével is. Ahogyan lerajzoltam. De képeket csinálok majd ,megpróbálok normálisat...
Ok. "Jön a jel a potira ahol nincs összekötve a GND". Fotóról biztos könnyebben megértem.
Így nincs az L/R test összekötve. Képet majd holnap, mert nincs gépem csak kölcsön. (ha van)
Ha jól tudom, Rolitechno-nak duál-monó kialakítása van. Biztosan szentségtörés, de én egyáltalán nem gondolom jónak KD-mester rajzát, ilyen esetre. Pontosabban én már a panelon összekötném a GND-t (a saját paneltervemen így is van), és akkor már használható -és üdvözítő- az én rajzom szerint huzalozni. Egy előnye biztosan van, mégpedig egyáltalán nincs benne 50-100Hz-es zaj, vagy ha van, akkor az a hallható határ alatti.
A rajzon egyetlen trafó van, de azon dupla tekercsrenszer, tehát teljesen egyenértékű a duál-monó kivitellel a huzalozás szempontjából. A bemenetek GND-i csak a szabvány miatt vannak összekötve, illetve a közös védelemhez szükséges látszólagos GND is itt találkozik a két csatornánál. Végül egy gonosz megjegyzés, de jó szándék vezérel. Rolitechno-t nem lehet értelmesen követni. Ezreket költ felesleges ellenállásokra, és "űberfajin" kondikra meg kábelekre, de közben nem törődik a munkapontokkal, és huzalozási anomáliákkal küzd. Szerintem ez durván rossz megközelítés, de nekem nem sikerült jó irányba terelni.
Megpróbálom (jó) fotókkal átadni valahogy a dolgot. Valóban ígyvan Alkotó, a munkapontok már nagyjából rendben vannak csak ez hurok maradt. Most akkor nem is tudom már hová írjak...
Köszönet a precíz ábráért! Duál-monóval fölhurkot készíteni nagy varázslat. A másik topicban azért megpróbálnék a végére járni.
nem tudom jó helyen teszem fel a kérdésemet, legfeljebb ha nem majd elirányítotok. B5 elé szerettem volna bekötni egy analog tv tunert. szólni szól de nagyon nagy az alapzaja(búg). A tápja külső 12v nem földelt dugós. az antenna kábelre tettem egy galvanikus leválasztót. ki fogytam az ötletekből. kellene egy kis segítség.
Ennyi információból a táp a leggyanúsabb. Szűrés, vagy primer-szekunder elválasztás. Kizárható a hiba, ha megpróbálod másik táppal, elemmel, akkumulátorral. Amennyiben nem táp, marad a földhurok. Bővebben: Link
ja azt nem írtam ,hogy a b5 zárt bemenettel, teljesen süket illetve ha a dac van előtte akkor sincs zaja. egyértelműen a tvböl jön. holnap teszek elé egy másik tápot, próbára.
Kicsit off de azért a B5-höz tartozik , az egyik fórumtársunknak az erősítőjéhez egy előlap kiegészités , remélem ez így már kellő képen megörökíti az erősítő nevét és hírnevét!
Sziasztok !
Megépítettem a KD Mester féle B5-öt és olyan gondom van vele,hogy az MJL21194 nagyon melegszik, mitől lehet ez? |
Bejelentkezés
Hirdetés |




Teljes hangerőn zúg. Ha rádugom az aktív subot, akkor halkabb az 50Hz es búgás. Azon meg a hálózati föld is bevan kötve. Kipróbálom... 






