Fórum témák

» Több friss téma
Fórum » LM1036 sztereo hangszínszabályzó áramkör
Lapozás: OK   41 / 91
(#) poros válasza blackdog hozzászólására (») Szept 8, 2011 /
 
Tényleg neked szántam. Bocs Reloop! Nem a felfogásoddal van a probléma. Csupán nem szeretném ha ismét lenne egy olyan ember aki nincs megelégedve az LM1036 al. E-mail ment.
(#) blackdog válasza poros hozzászólására (») Szept 8, 2011 /
 
Én már előre tudom, hogy elégedett leszek.
(#) reloop hozzászólása Szept 8, 2011 / 1
 
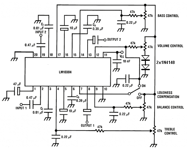
Egy bevált módosítást szeretnék veletek megosztani. Zavart, hogy a hangerő szabályzó alacsony szintnél nagy holtjátékkal rendelkezik. Két diódával egészítettem ki a kapcsolást (légszerelve). Most már a 10-ig skálázott poti minden egységére esik változás.
(#) blackdog válasza reloop hozzászólására (») Szept 8, 2011 /
 
Na akkor ezt alkalmazom is.

Egyébként, ha SMD félvezetőket használnék az nem lenne gond?
(#) reloop válasza blackdog hozzászólására (») Szept 8, 2011 /
 
Nem okozhat problémát.
(#) kissadam válasza blackdog hozzászólására (») Szept 8, 2011 /
 
Idézet:
„Az mennyi gondot okozhat ha a potikat nem forrasztom a nyákra hanem csatlakozón keresztül vezetékkel van összekötve a poti és nyák?”


Kivezetheted a potikat a nyákból, de a vezetékeit forrasztva kösd be és ne csatlakozókkal. A csatlakozó idővel kilazulhat vagy kontakt hibás lehet.
(#) blackdog hozzászólása Szept 12, 2011 /
 
Sziasztok!

Megépítettem az LM1036+NE5532 szabályzót.
Az a gondom vele, hogy kb 30% hangerőnél elkezd recsegni. Próbáltam két külön tápforrásról és úgy is, hogy a potikat levettem, de mindig recseg.
Mi lehet a gond?
(#) reloop válasza blackdog hozzászólására (») Szept 12, 2011 /
 
Nem tapasztaltam még ilyen problémát. Mások voltak, de azok megszűntek miután LM7812 stab. IC-t tettem elé.
(#) blackdog válasza reloop hozzászólására (») Szept 12, 2011 /
 
Annyi, hogy az LM1038 kicsit meleg. A kapcsolás áramfevétele 50 mA krül van.
(#) reloop válasza blackdog hozzászólására (») Szept 12, 2011 /
 
Az enyém is melegszik rendesen. Az 50mA áramfelvétel úgy emlékszem egybe vág az adatlappal.
(#) blackdog válasza reloop hozzászólására (») Szept 12, 2011 /
 
Az lehet gond, hogy most csak a bal csatorna van bekötve?
Szerintem nem.
Irtózatosan recseg.
(#) reloop válasza blackdog hozzászólására (») Szept 12, 2011 /
 
Próbáltad a másik csatornát? Lehet pl. kondi hiba, kontakt.
Kis hangerőn amúgy minden rendben, balansz, mély magas?
(#) blackdog válasza reloop hozzászólására (») Szept 12, 2011 /
 
kis hangerőn nincs gond. Minden megy szépen. Kb. 30% felett kezd recsegni.
(#) blackdog válasza blackdog hozzászólására (») Szept 13, 2011 /
 
Az az érdekes, hogy ha kiveszem a potikat és a jelforrás (számítógép) emelem a hangerőt akkor is jelentkezik a recsegés.

Olyan jelenség is van, hogy mikor ráadom a tápot akkor egy éles csippanással indul ami lassan elhalkul.

Melyek a kritikus alkatrészek?
- 1µF alatt fólia kondikat használtam, felette elkó
- az 1µF bemeneti kodik multilayer
- Szűrőkondik 100nF Kerámia
- 4db 22 pF kerámia
- A 2db 10 nF kodi az olajpapír mert nem volt fóliám.
- Ellenállások 1% tűrésűek.
- A 7805 bemenetén van egy 100 µF puffer is.

Tanácstalan vagyok.
(#) poros válasza blackdog hozzászólására (») Szept 13, 2011 /
 
Szia! Szerintem így első olvasásra kondenzátor hibának tűnik, de még nem nézte át a nyákot. Próbáltad csak az LM1036 ra kötve, kihagyva az NE5532 ? Ott ahol nagy jelszint bekötése ajánlott.
(#) blackdog válasza poros hozzászólására (») Szept 13, 2011 /
 
A magas jelszint bemenetet elhagytam.
Én is kondira gyanakszom, de nem tudom melyik lehet az. Azt sem tudom merre induljak.

Bővebben: Link

Ilyen elkók vannak benne.
(#) poros válasza blackdog hozzászólására (») Szept 13, 2011 /
 
Azt kérdezte már Reloop is ,hogy külön külön próbáltad?
egyik majd a másik felét lekötni, de nem látom a választ.
(#) blackdog válasza poros hozzászólására (») Szept 13, 2011 /
 
Azt majd délután kipróbálom.

Annyi van, hogy most csak a bal oldalát használom. A jobb oldali bemenet és kimenet "üres".
(#) poros válasza blackdog hozzászólására (») Szept 13, 2011 /
 
Próbáld ki a másik felét is külön ha az a fele nem produkál ilyen jelenséget le lehetne szűkíteni azt a kőrt ahol a hibát kell keresni.
(#) reloop válasza blackdog hozzászólására (») Szept 13, 2011 /
 
A csippanás nekem is megvolt, egyéb gerjedésekkel együtt. Mint írtam a 7812 használata teljesen megszüntette. Próbáltam más fesz. stabilizátorral is, volt amelyik nem vált be. Nálad milyen kialakítású a táp?
(#) blackdog válasza reloop hozzászólására (») Szept 13, 2011 /
 
Próbáltam külön tápegységről és 7812-ről. Mind két esetben megvan a csippanás.
(#) poros válasza blackdog hozzászólására (») Szept 13, 2011 /
 
Nálam is van 12voltos stabilizátor onnan kap feszültséget az 5voltos stabilizátor is. A stabilizátorok bemenő is érdemes tenni egy 10uf és 100nf kondenzátort valamint a kimenő oldalra 4,7uf és 100nf kondenzátort. Valamint ha van nagyítód nézd át vele tüzetesen a nyákot, fólia maradványokat keress. Az én "csodaszerszámom" egy félkemény rézkefe amivel forrasztás után kíméletlenül át kefélem a forrasztási oldalt. Volt amikor nagyítóval is több óráig keresgéltem a nyákon mire észre vetem a hajszálnál is vékonyabb rézmaradványt ami gondot okozott.
(#) poros válasza blackdog hozzászólására (») Szept 13, 2011 /
 
Ezt a csippanás dolgot nem értem, még egyiknél sem volt ilyen tapasztalatom. A földet rendesen bekötötted ? Mindegyik eszköz közös föld potenciálon van?
(#) blackdog válasza poros hozzászólására (») Szept 13, 2011 /
 
A stab IC-k előtt és után is van 100 nF ill. előtte 100 uF.
Most átforrasztom a fotikat.
A jobb oldali bemeneten a bemenő kondit kicserélem elkóra. (lássam ill. halljam a különbséget)
Még egyszer átpucolom a panelt.
Teszek majd fel képet.
(#) poros válasza blackdog hozzászólására (») Szept 13, 2011 /
 
Eddig mi volt a bemeneten? Ott a kis és nagy szinteknél is 10uf elektrolit kondenzátor van előírva. A képeken levő nyákodon is elkó van stilizálva a bemenetnél.
(#) blackdog válasza poros hozzászólására (») Szept 13, 2011 /
 
igen beültetési képen elko van, de 1 µF multilayer került bele. C3, C8
(#) reloop válasza blackdog hozzászólására (») Szept 13, 2011 /
 
Szia! Még egyszer fussuk át az eddigieket. Annyit tudunk, hogy kis hangerőn működik, tehát áramköri hiba (zárlat-szakadás) nincs.
Amit nem tudunk, hogy mekkora jelet küldesz át az LM1036-on. Mint írtam, a műveleti erősítő erősítését a jelforráshoz kéne igazítani. A rajz szerinti 5x erősítést legalább a felére csökkenteném. Lehet, az NE5532 kimenő jele már túl nagy. Adatlap szerint 1,3Vrms van megengedve, 1V-nál nem küldenék többet az LM1036-ra, illetve annyit amennyi a végfokot kellő tartalékkal kivezérli.
Első lépésként próbáld meg ebben az állapotában kisebb jelről hajtani, és írd meg hogyan viselkedik a jobb csatorna.
(#) blackdog válasza reloop hozzászólására (») Szept 13, 2011 /
 
Az lehet gond, hogy fém potit használok?

Bővebben: Link

Most nem indul csippanással csak egy hupp van a ki és be kapcsoláskor. Gondolom ehhez kell a koppanásgátló.

Első pillanatra jól szólt majd megfogtam a hangerő poti vezetékeit és állítani akartam. Ekkor ismét meghülyült.
Elment a hang, felugrott elkezdett recsegni...
(#) qvasz2 válasza blackdog hozzászólására (») Szept 13, 2011 /
 
Akkor ez gerjed! Szkópod nincs? Mert azzal kéne vizslatni!!
(#) blackdog válasza qvasz2 hozzászólására (») Szept 13, 2011 /
 
De. Épp most nézem szkóppal.
Gyakorlatilag a bevitt színuszból az előerősítő kimenetén mindenféle jel van színusz nincs. Ahogyan tekerem a potit van, hogy nincs jel majd beugrik valami torz izé.
Következő: »»   41 / 91
Bejelentkezés

Belépés

Hirdetés
XDT.hu
Az oldalon sütiket használunk a helyes működéshez. Bővebb információt az adatvédelmi szabályzatban olvashatsz. Megértettem