Fórum témák
» Több friss téma |
Nem szabad figyemen kívül hagyni a részleteket, abban rejlik a lényeg! Nem azért kell "akár" 485-re tenni, mert messzire megy, hanem azért mert olcsó és tuti jó.
A "mind járható út" elég erős, ha azt nézem, hogy 10m-re akarod elvitetni az USART-ot, mikor elvileg 20cm-re lehetne normál ajánlások szerint! Lehet, hogy neked működik, de ne vegyél rá mérget, hogy minden körülménynek megfelel, és arra se, hogy kapásból belefutnál egy ilyenbe és nem győznéd kitalálni, mitől nem megy az másnak, ami neked simán! (JDM effektus! )
Ellenszenve uszítása nélkül, Watt véleményét osztom, a JDM effektus tényleg a legjobb példa rá. Biztos átkoznak még páran érte...
![]() Nem lehetne átnevezni a témát, hisz nem is vezeték nélkül akarjuk átvinni, nem igaz andpet?
Üdv!
Egy-két kérdésem lenne az RS-485-tel kapcsolatban. Jó néhány kapcsolásban látni, hogy felhúzó és lehúzó ellenállásokkal látják el a vonalakt. Erre miért van szükség? Értéke mi lehet? 100 és 510 ohm között láttam már mindent. Ez azért kell, amikor átváltunk tx-ből rx-be akkor a vonal lebeghetne és hibákat vinne bele? Ezt csak egy helyre a "master"-hez kell rakni, vagy mindegy, hogy hol van? A másik kérdésem pedig az lenne, hogy a busz lezárást (120 ohm) ugye csak a vonal legvégére kell rakni? Eszembe jutott még valami. A két egységet hajthatom külön tápfeszről, de a GND-nek 100-100 ohmon keresztül össze kell lennie kötve. 422 and 485 Standards Overview - 32-s ábra 25. oldal alja.
A fel és lehúzók pontosan azt csinálják, amire gondolsz, megakadályozzák a vonalak mászkálását, amikor mindegyik kimenet le van választva. Én még nagyobbakat tennék, inkább 2k2-t.
A lezárást a vezeték két végére kell tenni, máshová nem kell. A lezárásra van olyan trükk (hogy minimális legyen a fogyasztás), hogy nem sima ellenállással, hanem soros RC taggal zárják le a vonalat. Így egyenáramú komponens nem folyik a lezárásokon, amikor a felhúzók állítják be a szintet. Kondenzátort akkorát és olyat kell tenni, hogy a kommunikáció frekvenciáján ne képviseljen nagy impedanciát, tehát inkább valami keráma vagy blokk kondenzátor való oda.
Válaszodat köszönőm.
Akkor már értek mindent...
Hello!
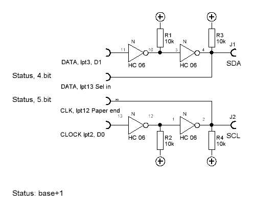
Van egy TDA 8421 ic-m ami egy hangprocesszor és I2C buszal lehet vezérelni. Nos én találtam egy egyszerű kapcsolást az LPT portra való vezérléshez, de nem tudom jó e? Az a lényeg hogy pcről vezérekjem.
Elektromosan talán jó, leglább is bajt nem okoz, viszont az hogy működik-e, a PC programtól függ, amivel vezérled.
Hello, én ilyet használok. Láttam már a linkedhez hasonlót, de véleményem szerint ajánlott az OC-s kimenet.
Abszolut egyetértek!
Azt se tudom, milyen programmal vezéreljem, illetve a kapcsoláson milyen IC van? Nekem olyasmi kéne amit megtok építeni a bontásaimból, ne kelljen várjak a rendelésre. és a kapcsolásnak milyen feszultséget kell adni?
74HC06, de szerintem bármelyik 74(LS)06-al elmegy, esetleg 74(LS)05-el, vagy 74(LS)07-el. Más nem jó! A táp 5V.
Ha tudsz programozni, akkor bármely egyszerűen kezelhető nyelv alkalmas, ha az hozzá tud férni az LPT bitjeihez. Ha nem akkor Google, van pl a Serial IC tester and explorer, még nem próbáltam, de igéretes a felülete.
Sajnos még programozni nem tudok, de elkezdtem a tanulását. Esetleg MS-DOS parancsokat tudok csinálni.
Dos rendszer alatt baromi könnyű kezelni az LPT portot parancssorból, de amúgy borland c++ környezetet tudom ajánlani ha programot is akarsz írni, régebben szórakoztam ilyennel.
Windows alá egy "io.dll" nevű letöltendő fájl segítségével lehet megoldani a dolgot, elég sok írás van róla.
Inkább keresek valami készet, én most a c nyelvet tanulom, eljutottam odáig, hogy csak szöveget tudok kiirni.
Mi az a parancs, ami DOS parancssorból kiír egy bájtot, vagy beállít egy bitet az LPT-porton?
Ha más nincs, itt van egy, ha érdekel, megbeszélhetjük a használati utasítását (a sok megjegyzés ne érdekeljen, univerzális, de csak kimenet, egyelőre) A fájl exe!
Kiadsz egy "debug" parancsot majd "-O cím érték". Pl: -O 378 FF. ide nem kell a h betűt írni, mert hexadecimálisként értelmezi.
A beolvasás értelemszerűen "-I" A lehetséges regisztercímek: A port báziscíme--Adatregiszter címe--Státuszregiszter címe--Vezérlőregiszter címe 378h--378h--379h--37Ah 278h--278h--279h--27Ah 3BCh--3BCh--3BDh--3BEh 2BCh--2BCh--2BDh--2BEh 37Fh--37Fh--380h--381h 27Fh--27Fh--280h--281h
Milyen jó, hogy mindent megőrzök
![]() Amint említettem jó pár éve szórakoztam LPT porttal, egy 8*8 as ledmátrixot csináltam, 2 dekóderrel aminek így 6 bit kelett. Nem is ez a lényeg, megtaláltam az XP alá írt programot. Mivel elég gagyi, legalább jól átlátható. Ezen el lehet indulni. Ha jól emlékszem visual c++ 6.0 val fordul.
Az oldalamon találsz egy LPT-s futófényt. VB6-ban íródott, XP-n jól fut. Forrás, minden...
|
Bejelentkezés
Hirdetés |




) 





