Fórum témák

» Több friss téma
Fórum » USB-s hangkártya PCM2902 IC-vel
Lapozás: OK   27 / 34
(#) sirály12 válasza janikukac hozzászólására (») Okt 7, 2011 /
 
Lehet most nagy hülyeséget mondok, de nem az outra kellene kötni, hangot akarsz hallani róla?
(#) janikukac válasza sirály12 hozzászólására (») Okt 7, 2011 /
 
Basszus, mekkora idióta vagyok ! Tányleg hülye vagyok, igazad van. :O Én se vagyok normális..
(#) janikukac válasza janikukac hozzászólására (») Okt 7, 2011 /
 
Csak a jobb hangszóró szól. Miért?
(#) janikukac válasza janikukac hozzászólására (») Okt 7, 2011 /
 
Ezt is megoldottam, köszi mindent ! Minden tökély ! Üdv !
(#) janikukac hozzászólása Okt 7, 2011 /
 
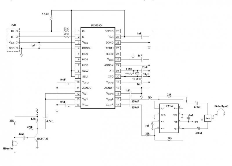
Sziasztok ! Mivel tud többet egy PCM2906 , mint a többi, illetve a bemenetet a 2900/2902-n lehet mikrofonnal használni?
(#) neogeo2 válasza janikukac hozzászólására (») Okt 7, 2011 /
 
A 2902 és 2906 között az a különbség, hogy a 2906 2.0-ás USB-vel rendelkezik. Amúgy csereszabatosak.

A bementre nem jó mikrofont kötni közvetlenül, mert a mikrofonnak túl kicsi a jele. Kell oda még egy erősítő is.
(#) janikukac válasza neogeo2 hozzászólására (») Okt 7, 2011 /
 
Áhá, értem. És az erősítő milyen kapcsolással oldható meg? Én amúgy nem tudom, milyen USB van a gépembe, de ez megy vele, meg mással se volt gond. Ez csak a sebességre utal, hogy 2.0?
(#) janikukac válasza janikukac hozzászólására (») Okt 7, 2011 /
 
Egy ilyen? Bővebben: Link
(#) petemazi válasza janikukac hozzászólására (») Okt 7, 2011 /
 
A szabvány CD minőségű átvitel valahol 1 és 2 mbit/s között van, ha jól tudom, azt pedig bőven hozza az usb 1.1.
(#) janikukac válasza petemazi hozzászólására (») Okt 7, 2011 /
 
Akkor jó. Mostmár csak egy jó műv. erősítő kell, 5 voltról, mivel 5 v jön az usbn.. Üdv. ( ha esetleg van rajzod... )
(#) petemazi válasza janikukac hozzászólására (») Okt 7, 2011 /
 
Nem hiszem, hogy tudsz olyan opa-t keríteni, ami sima 5 voltról eljár. Pl az NE5534 minimum +-5v.
Bővebben: Link Talán ez? Bár a hangjáról fogalmam sincs.
(#) janikukac válasza petemazi hozzászólására (») Okt 8, 2011 /
 
Akkor ez jó lesz? A mikrofon meg sima 1000forintos Genius mikrofon..
(#) frecsko válasza janikukac hozzászólására (») Okt 8, 2011 /
 
Egyszerű és nagyszerűű
(#) janikukac válasza frecsko hozzászólására (») Okt 8, 2011 /
 
Tehát a kimenetre illesztett előerősítőre tervezzek nyákot, és építsem meg? Köszi
(#) frecsko válasza janikukac hozzászólására (») Okt 8, 2011 /
 
Hát mivel nem tervezted az alap panelre így kénytelen leszel.
(#) janikukac válasza frecsko hozzászólására (») Okt 8, 2011 /
 
Nem gond, neki is állok ! Üdv
(#) janikukac válasza janikukac hozzászólására (») Okt 8, 2011 /
 
A tranyó nem kapható.. Mivel helyettesíthetem?
(#) Ricsi89 válasza janikukac hozzászólására (») Okt 8, 2011 /
 
Szinte bármilyen npn tranyóval. BC182, BC546, stb...
(#) janikukac válasza Ricsi89 hozzászólására (») Okt 8, 2011 /
 
Ok, ilyen lesz, köszi !
(#) janikukac válasza janikukac hozzászólására (») Okt 8, 2011 /
 
Elkészült, jó lesz?
(#) frecsko válasza janikukac hozzászólására (») Okt 8, 2011 /
 
képet plííízz..
(#) janikukac válasza frecsko hozzászólására (») Okt 8, 2011 /
 
Oké.
(#) frecsko válasza janikukac hozzászólására (») Okt 8, 2011 /
 
Igen jó.
(#) titi válasza janikukac hozzászólására (») Okt 8, 2011 /
 
Nem hagytál le valamit? 4,7µF kondi?
(#) janikukac válasza titi hozzászólására (») Okt 8, 2011 /
 
frecsko: köszi. Titi : direkt, az már a másikon rajta van...
(#) titi válasza janikukac hozzászólására (») Okt 8, 2011 /
 
Vagy úgy?
De akkor meg nem kellene még egy forrszem, ahonnan megy a jel arra a másik nyákra?
(Az 1,8k a 220k és a tranyó kollektorának találkozásába?)
(#) janikukac válasza titi hozzászólására (») Okt 8, 2011 /
 
Igazad van, köszi az észrevételt !
(#) solti_imre válasza janikukac hozzászólására (») Okt 12, 2011 /
 
A helyedben én inkább így próbálnám...

nosmoke.jpg
    
(#) janikukac válasza solti_imre hozzászólására (») Okt 12, 2011 /
 
Miért, félrekötöttem? Köszi..
(#) solti_imre válasza janikukac hozzászólására (») Okt 13, 2011 /
 
Egy kicsit... Ha megnézed, a te rajzodon a 27k és az 1,8k sorba van kötve, a tranyó kollektora pedig közvetlenül a +5V-ra megy.
Következő: »»   27 / 34
Bejelentkezés

Belépés

Hirdetés
XDT.hu
Az oldalon sütiket használunk a helyes működéshez. Bővebb információt az adatvédelmi szabályzatban olvashatsz. Megértettem