Fórum témák
» Több friss téma |
Lecseréltem R1 1kOhm, R2 100Ohm, C1 2.2µF 545Hz 92% kitöltés...
Ez nem segített.
Multiméterrel mérsz? Terhelés van rajta? Mellesleg van egyszerűbb PWM előállítási módszer is 555-el.
Igen multival mérek. Csak erre volt keret.
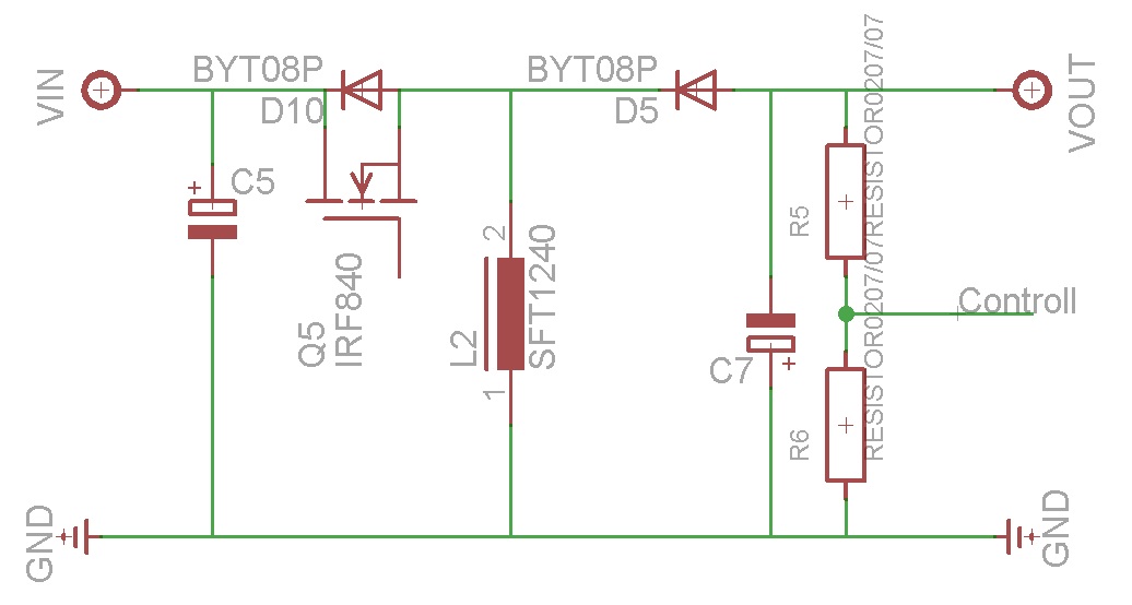
Az IC1 kimenetére 10k-sat raktam, az IC2 kimenetére meg 1k-t. Ha van egyszerűbb, tudnál egy kapcsolási rajzot beilleszteni? Ja mielőtt elfelejteném, olyan kellene, ami "önszabályzós, automata". Azért is próbálkozok ezzel, mivel úgy értelmezte, a kapcsolást, hogy ha az IC2 kontroll bemenetén változik, a feszültség úgy változik a PWM kitöltése is. A táblázat szerint, mivel kisebb a kontrollon a bemenő feszültség, annál kisebb lesz a PWM kitöltöttsége is. Mivel nekem pont fordítva kell, ezért egy invertert raknék a PWM kimenet után, így logikám szerint már jó lenne. Elméletileg... SB
Ez az egyik legelterjedtebb 555 pwm kapcsolás a neten. Ugyanakkor egy normálisabb buck boost topológiához elengedhetetlen egy tekercs is. Persze lehet cselezni kondenzátorokkal is. Az önszabályzás alatt a visszacsatolást érted? Én nem érteném jól. Mellesleg ha sok elvárásod van a kapcsolástól egy 494 jobb választás.
Persze van induktivitás is az átalakítóban. Mellékeltem a kapcsolási rajzát is.
Az önszabályozás alatt úgy értettem, hogy a kimeneti feszültséget azt fixen tartsa, még ha a bemenő feszültség ingadozik is, ill. széles feszültségi skálán is üzemelhessen. Tehát 1,5V-tól egészen 24V bemenő feszültségig működjön és stabil 5vot adjon a kimeneten. SB
A kimeneti feszültséget stabilan szeretnéd tartani 5V-on vagy változtatni szeretnéd? Ragaszkodsz az 555 IC-hez? Honnan ilyen nagy tápfeszültség ingadozás? Lassan a problémád szerintem már a DC-DC konverter topikba illene. Ha az átalakítás nagyobb feszültségről kisebbre történik az már nem buck-boost.
Megjegyzem, hogy a legelső hozzászólásodhoz képest csak most kezded el igazán kifejteni szándékod.
Jobban járnál, ha a pwm helyett fix frekvencián működne az 555, és egy komparátorral figyelnéd a feszültséget, a meghatározott szint fölött pedig a reset bemenettel leállítaná a működését.
Mindenesetre ha egy tápfeszültség áll csak rendelkezésedre akkor az 1.5V nagyon kevés , mert az 555 kb 4V felett hajlandó működni, a fet gatefeszültségéről nem is szólva.
Ennél igen, stabil 5Vot szeretnék a kimeneten.
Ha van a célomnak jobban megfelelő IC is az 555nél, akkor válthatok. Pl van TL494-es nálam. Persze szívesebben kísérleteznék most a fent említett 2 ICvel, mivel ezek vannak nálam kéznél. Azért kezdtem el az 555össel "játszani", mert azt adatlapja egész érthetőnek tűnt nekem, kezdőnek is. A 494-es adatlapján igazából nem igazodtam ki. Azért szeretném, ha széles bemeneti feszültség skálán üzemelhetne, hogy bármivel használhassam: dynamo, napelem, 1,5Vos elem vagy ezzel 10xAA... stb.
Jaja, ez az ötlet is felmerült már bennem.Voltage Comparator
Próbálkoztam is vele, de aztán ezzel kezdtem el kísérletezni. Mondjuk az 555-es mellé egy LM339es komparátor, referenciát egy 2,5Vos zenerrel biztosítanám, R1=R2 így közötte is 2,5V lenne ami a komparátor nem invertáló bemenetébe menne... Valahogy így gondoltad? Amúgy lehet azért váltottam erre, mert valamiért a komparátoros dolog nem jött össze. Azért még megpróbálom. ![]() Az 555öst meg egy 12Vos fesz-szabályzó táplálná a bemenő ágról. Igaz még így sem lenne képes 1,5V bemenő feszültséggel dolgozni, így még egy tartalék 9Vos aksi is lenne hozzá.
Üdv m)Egy kapcsolási rajzot keresnék én).Mégpedig len azért kellene mert idős Dízel s többszöri izzítással indul). Gondolom értitek mi célt szolgálna.Tehát egy olyan 555-ös időzítőre lenne szükségem ami az izzítási időd mondjuk 5 s 30 s közzé tenné.Vagyis gyújtás ráadásakor egy előre beálitot ciklus időt produkálna.A vezérlő jel pozitív impulzus lenne vagy nem is impulzus mivel a gyújtásra fordított inditókulcs adná az indító impulzust.Segítségeteket előre is köszönöm.
Szia. Engedj meg néhány gondolatot ami a felvetéseddel kapcsolatban hirtelen eszembe jutott. Az ötleteddel az a probléma , hogy az izzítás a motor indulása után is folyamatosan ki be kapcsolgatna, járó motornál. Gondoskodni kell arról, hogy indulás után valami letiltsa a ki-be kapcsolgatást. Esetleg egy NE555 monostabil kapcsolással meghúzatni egy relét,ekkor feszültség kerülne egy NE555 astabil kapcsolásra ami a monostabíl időzítése alatt folyamatosan ki-be kapcsolhatna. Ez kapcsolhatná az izzítást. Ezzel az a probléma ,hogy meleg motornál gondolom nem kell a hosszú izzítási idő.
Na igen .Akkor pontosítsunk . Pozitív felfutó élre kellene egy időzitőnek indulnia ami 5s és 30s közötti időintervallum lenne .Viszont egy újabb pozitív impulzusra ami a gyújtáskapcsoló indítófokozata vagyis az indítómotor vezetéke lenne , le állítaná az időzítést.Ehhez aszt hiszem két 555 -ös kapcsolás kellene.Így bármikor indítanám az izzítás meg szűnne.Ezzel korigálható lenne a üzem meleg indítás.De astabil semmikép nem jó)szerintem..
De igazán jó akkor lenne ha az indítózás meg szünte után kapcsolná le az ízzitást. A relémeghajtás csak részletkérdés..relé tipus ,tranzisztor tipus stb.
Hát akkor tényleg pontosítsunk. Az izzítási időt akarod időzíteni 5s-30s közé? Amit a gyújtás kapcsoló elfordítása "gyújtásra" indítana? Majd az önindítózásra fordított gyújtáskapcsoló leállítana?
Idézet: „Majd az önindítózásra fordított gyújtáskapcsoló leállítana?” igen vagy az inditózás fégén visszaforditot gyújtáskapcsolóra állitaná le de ez csak akkor ha pl üzem meleg motornál nem kellene kivárni pl a 10s izzitási időt. De találtam egy megfelelő kapcs rajzot de ez még nem tudja a idő előtti leálitást. Bővebben: Link
Egy bekapcsoláskésleltetőre lesz szükséged. Sok kapcsolási példát találhatsz a téma képei között. PL: Bővebben: Link. ( P1= 470K * , C3 = 47µF értékekkel KB 5-25 másodperc lesz a meghúzási idő. A relé vezérléséhez majd _NPN_tranzisztor_ fog kelleni. )
Az 555-ös időzítő a 4. lábon engedélyezhető vagy le is tiltható. A ( 4. láb ) RESET bemenet H szintje engedélyezi, L szintje tiltja az időzítőt. A RESET-elt időzítő kimenetén alacsony ( L-szint, vagy 0V ) mérhető.
Csak egy ötlet! Nem tudjuk milyen típusú járműről van szó. A gyárilag beépített izzító elektronikát " ha van ilyen"nem lehet tuningolni, hogy tovább izzítson?
Bisztos lehet .De hogy hol van benne azt még nem tudom.Egyébként lehet igazad van azzal kellene kezdenem.
(bmw525tds)
Szia!
Ha jól emlékszem, az 525 tds izzitóreléjét a motorkomputer vezérli...ez esetben nehéz lenne tuningolni rajta. Ha ennyire bele akarsz nyúlni a kocsiba, jobban jársz egy Golf I vagy egy öreg Volvo izzitórelével, azok majd' 1 percig izzitanak, és egy párszáz Ft.-os vizgombával kombinálva rendesen működne az átalakitás. üdv :hp
Köszönöm az ötleteket!!De tényleg.Azt hiszem ezekből megoldom .Hali m.
Sziasztok
Épitenék egy astabilt 555-el de nekem arra lenne szükségem hogy a váltásoknál fokozatosan kuszna át a váltások közt,2 ledet szeretnék villogtatni kb 5sec idözitéssel de a váltásoknál élesen azonnal vált lehetne ezen változtatni? üdv
Sziasztok!
Először is: sokat olvasgattam és keresgéltem, de nem találtam megoldást a problémámra. Ha már mégis lett volna, akkor bamba vagyok és sry... Másodjára: elméleti tudásom konvergál a nullához, vizuális típus vagyok, amit nem látok, nem értem De egy egyértelmű kapcsolási rajzból bármikor összeforrasztok bármit.És akkor a problémám: egy 12V DC-ről működő kutyaajtót szerenék csinálni. A jószágok fűtött helyen vannak, és a hagyományos lengőajtós kialakítás nem megfelelő szigetelésű, ezt egy villanyos ajtónál meg tudnám oldani. Egy pár alkatrész adott: a táp, 2 NE555 ha kell hozzá, egy 12V autó ablakemelő motor (+- felcserélése a forgásirány váltás), és két fotocellás kapcsoló (Omron E3F2-DS10B4-N és E3F2-DS10C4-N, 10-30V DC, az egyik pozitív, a másik negatív jelet ad), a többi szükséges alkatrészt beszerzem. Amit tudnia kellene: az ajtó 2 oldalán 1-1 fotoérzékelő, odaáll a jószág, a motor nyitja az ajtót (végállás kapcsoló?), aztán 5 másodperc múlva bezárja. Ha zárás közben jelet kapna, nyisson vissza, nehogy beszoruljanak ![]() Egy érthető kapcsolási rajzért nagyon hálás lennék.
Hello. Azt szeretném megtudni hogy lehet-e 555-ös IC-vel geiger müller hangot készíteni, vagy olyasmi hangot kreálni vele.
köszi.
Hello!
Vicces, hogy pontosan tudod mi kell hozzá, én meg nem. VAgy láttál már ilyen cuccot, vagy így pont olyan, mint egy tanár által kiötlött feladat.. De rajzoltam neked egy áramkört. Remélem valami ilyesmire gondoltál.. (Na meg hogy működni is fog, mert ugye nekem nincs kutyám.) - Az ajtó mind két oldalán van az opto érzékelő, ennek NPN kimenetűnek kell lenni. Párhuzamosan működnek, bármelyik "meghúz" nyitja az ajtót. (Ha nincs ott az eb, akkor mind kettő "szakadt jelet" ad.) - Ha az eb az ajtó elé kerül, bebillen az U1 monostabil, nyitni kezd az ajtó. - Ha eléri a nyitó végállását NVK zár, törli a nyitó parancsot. A monostabil idejét úgy kell beállítani, hogy kissé hosszabb legyen, mint a nyitási idő. Ha az adott idő alatt nem nyit az ajtó (beszorult vagy nem zár a NVK), törlődik a parancs. - A nyit parancs törlésekor elindul U2 időzítő, ez lesz a várakozási (Delay) idő, míg nyitva van az ajtó. Ha lejár, indítja a zárást. - Záráskor U3 bebillen, és kiadja a zár parancsot. Ugyan úgy működik, mint a nyitás. - Ha egy kutya folyamatosan az ajtó előtt áll, vagy másik jön, akkor míg az opto érzékel, a várakozási idő bebillen, de nem tud az idő letelni, mert a késleltetést D1 blokkolja. Ha elmegy a kutya az ajtóból, akkor kezdődik el majd a várakozási idő. Ha visszalépne, ismét a várakozás ismét elölről kezdődik. - Ha zárás alatt belép a kapuba, akkor újra nyit parancsot generál, és D1 törli az időzítést, D2 pedig a záró parancsot. A kapu, így újra nyitni kezd. - Van egy plusz szolgáltatás is. Várakozás alatt jelzés van, valamint kézzel is lehet nyitóparancsot adni a MAN nyomógombbal (Ami szintén záró gomb.) üdv! proli007
Hello!
Fogalmam sincs milyen volt a két úriember (Geiger?Müller) hangja, a csőé gondolom olyan mint amikor leejtik a poharat, mert általában az üvegből volt.. A csőnek nincs hangja, legfeljebb az elektronika által keltett hangot kellene szimulálni. (Mert gyanítom erről lenne szó.) De a részecskék becsapódása, sztochasztikus impulzusokat kelt, az NE555 pedig periodikus jeleket szolgáltat. Vagy is véletlen generátorra, vagy legalább számtalan 555-el kialakított álvéletlen generátort kellene készíteni. Meg egyet, ami pattanó hangot ad. üdv! proli007 Idézet: „"Hello! Vicces, hogy pontosan tudod mi kell hozzá, én meg nem. VAgy láttál már ilyen cuccot, vagy ...” Szia! Hűű, nagyon köszi! A tanárokat és közoktatási intézményeket már vagy 10 éve messziről elkerülöm amit leírtam, az az egyszerű logikám szerinti találgatás, hogy hogy működhet egy fotocellás ajtó.Egy problémám máris lesz: mint írtam 2 különböző opto érzékelőm van, az egyik pozitív, a másik negatív jelet küld érzékelésre. Te ugye az utóbbival rajzoltad meg az áramkört? Mert nekem 1 ilyen, egy olyan van. Akkor ami +-t ad, oda még be kellene iktatni valamit? Talán egy relét vagy ilyesmit? Válaszodat előre is köszönöm. üdv! zool
Hello!
- Úgy gondoltam, hogy van ilyen meg olyan.. De azt is pontosan tudni kell, hogy két vagy háromvezetékes a jeladód, valamint, hogy mikor ad jelet. Ha a kutya előtte van, vagy ha nincs előtte. Vagy is ki kellene próbálnod, egy Led+ellenállással. (adatlapot is megnézhetném, de lusta vagyok. Valamint úgy is ki kell próbálnod a helyszínen mi és hogy működik. (távolság, magasság reflexió, környezeti fény..) - Ha már azt tudd, hogy milyen logikai szintet ad az opto, ha a kutya előtte áll, hozzá tudjuk illeszteni a kapcsoláshoz. (Jelenleg ez egy huzalozott negatív logikájú VAGY kapu. Ami akkor ad alacsony szintet, ha bármelyik opto jelzést ad.) De a reléelég vicces lenne, hagyjuk meg azt a motor számára. Vagy logikai áramkört, vagy tranyót kell alkalmazni. - De közben észrevettem egy kis hazárdot a kapcsolásban. Történetesen, hogy nem biztos, hogy az érzékelő maradék feszültsége (szaturáció) megfelelően alacsony lesz. Az 555 Reset lába, ugyan is elég kis feszültségen működik. Ha az opto nem ad ki "0V"-ot, akkor esetleg nem fog helyesen működni. - Remélem érthető amit leírtam, és akkor a módosított rajz. Két Led-et alkalmaztam a szinteltolás céljából, de így legalább jelzi a végállás kapcsolók működését. (elalszik a Led végállásban) üdv! proli007
"Hello! - Úgy gondoltam, hogy van ilyen meg olyan.. De azt is pontosan tudni kell, hogy két vagy háromvezetékes a jeladód, valamint, hogy mikor ad jelet. Ha a kutya előtte van, vagy ha nincs előtte."
Szia! Ezek pont 4 vezetékesek Kettő a táp + és - be, egy az out, a negyedikkel meg ha jól értelmezem azt tudom választani, hogy mikor adjon jelet (Light ON vagy Dark ON), attól függően hogy a táp melyik vezetékére kötöm. Nekem ugye az kell, hogy ha a kutya 'megszakítja' az érzékelőt, az akkor küldi ki a jelet (ON when light is interrupted (Dark-ON)), vagyis mindkettőnél a rózsaszín vezetéket a kékhez kötöm.Itt az adatlap, az E3F2-DS10B4-N és az E3F2-DS10C4-N-ről van szó, az egyik PNP, a másik NPN. Bővebben: Link A nyolcadik oldalon található a kapcsolási rajz. üdv! zool
Hello!
Ha négy vezetékes (csak most néztem) akkor gond egy szál sem.. Itt a megoldás. üdv! proli007 |
Bejelentkezés
Hirdetés |






De egy egyértelmű kapcsolási rajzból bármikor összeforrasztok bármit.







