Fórum témák
» Több friss téma |
Helo!
Készítettem egy infrás kapcsolot ami ha infra jelet kap akkor kapcsol a relé de csak míg jelet kap... két kérdésem lenne: 1. Meg lehet ezt úgy csinálni hogy mikor jelet kap akkor zár a relé és ugy marad míg megint jelet kap, ha igen hogy? 2. Tudnátok küldeni egy 36khz-es infra adó kapcsolást vagy valamijet? max kicserélem a vevőt.... köszi előre is
nekem ez van ...... majdnem ugyan az..... valami jo ado kapcsolásod nincs véletlen? köszke....
Üdv!
Nekem pont ilyen kapcsolásra lenne szükségem azzal a különbséggel, hogy ne maradjon meg az állásban, szóval csak addig kapcsoljon egy tranzisztort amíg nyomom a gombot. Ez egyébként a tv távirányítójáról működik? Kioperáltam egy régi videóból egy infra vevőegységet az használható hozzá ugye? (kis fém dobozban egy ilyen sötétszínű kis lencseszerűség 3 kimenettel +5V GND és még valami)
A 3. láb a data (Vout). Feszültség jelenik meg rajta az állapotától függően (HI/LOW).
Kérdés: ezeknek a vevőknek az adatlapjain van valamilyen frekvenciaadat. Ez mit jelent ? Adott távirányító családok "azonosítása" ? Idézet: „van valamilyen frekvenciaadat.” A vivő frekvenciáját adja, meg. Ezen a frekin a legérzékenyebb a vevő.
Üdv!
Ebben a kapcsolásban szereplő vevőt szerintetek ha simán megvilégítok egy infra diodával akkor szerintetek a kimenetén zárhaték egy tranzisztort? Csak addig amíg nyomom a gombot. Vagy ha esetleg egy kapcsolóüzemő ledet raknék 555-össel a tábirányítóba és a vevő kimenetére kondenzátort raknék akkor működne?
Hello!
Ezt (http://hellobello.extra.hu) a kapcsolást csináltam meg, a C. ábrán látható tartó áramkör nélkül. Elvileg akkor világít a LED2, ha nem kap jelet, de nekem közel se ezt csinálja. Ha az 555 3.lábát R3-mal egybe kötöm és a LED2 földre megy, akkor ha kap fényt, akkor világít,ha nem kap, akkor nem, de nagyon kicsi a 2 állapot közötti fesz.különbség. Ha úgy kötöm be, ahogy a rajzon van, akkor világít folyamatosan a LED2. El tudná magyarázni nekem valaki, hogy működik pontosan? A T3-nak nem csak akkor kéne kinyitnia,ha fényt kap? Ha kap fényt, akkor 6,5V volt esik az E-n, ha nem kap, akkor 7,21V. Nem igazán értem. Bocs, ha kicsit zavaros vagyok, de már nem látok tisztán
hopp nekem is kéne vmi hasonló infrás cucc!
olyan kéne(adó-vevő) ami folyamatosan kiad jelet és ha vmi megszakítja a jel "útját" akkor bekapcsol vmit (relé). Vki tud ilyet??
sok kapcsolás van erre, de 1-2 nekem túl bonyolultnak tűnt, nekem ezt ajánlották, amivel épp szenvedek, próbáld ki, hátha neked jó lesz és csak én vagyok béna
mert az a kapcs. azt csinálja amit én írtam???
http://hellobello.extra.hu
Felraktam ide a magyarázó szöveget, szerintem azt csinálja, ami neked kell, én is ennyit szeretnék, de vhogy a jelszint változás nem jó ahhoz, hogy PIC-kel feldolgozzam. Idézet: „Az LM567 egy hangfrekvenciás dekóder lényege abban van, hogy rendelkezik egy belső oszcillátorral amit egy külső RC kör határoz meg milyen frekvencián rezegjen.”
Üdv, nekem egy olyan kapcsolás kéne, amivel feltok kapcsolni egy ledet vagy relét és le tok kapcsolni. Ha lehet adó és vevőkapcsal együtt.
Üdv mindenkinek! Tom van már ilyen téma, de aki nem hiszi hogy nincs azokban a témákba válasz és hiába írok rá, tavaly látották utójára azt a fórumot, nem fogok választ kapni. Szóval, egy olyan adó és vevő kell, amivel betok kapcsolni egy gombnyomásre bekapcsol, és még egy gombnyomásra kikapcsol egy relét. Lehet infrás is! Előre is köszönöm. És bocsánat a mogorvaságért.
Hali!
Ha valaki talál megoldást neked, akkor a másik topikba is ír, ha nem, akkor 100 topikba se fog válaszolni. Felesleges új témát nyitni. Ha hétvégéig nem kapsz megoldást, hétvégén szétnézek neked, de most nincs időm keresni. Üdv. Mod! Topik zárolható!
Hello! Köszi a fáradozást, de azért nyitottam új topikot, mert több esélyem van ahoz hogy kapok váalszt, mint ha beírok egy megoldott témába, amit senki se nézett tavaly óta! Köszi mindent előre is!
Itt van 1 infras távirányító leírás ami 1ben fényerő szabályozó is.
http://www.hobbielektronika.hu/kapcsolasok/fenyeroszabalyzo_pic-el....%3E%3E Ebből kiveszed a pwm szabályzó program részt és kész. Igaz lehet egyszerűbben is de ez jutott eszembe a problémádra . Esetleg megkéred bbatka-t felülírja programját. Visszább butíthatja de eléggé beszédes a komentje a proginak könnyen átírható.
Esetleg relé öntartó kapcsolás??? Hanem jó akkor vedd ugy hogy nem is irtam, Talán ez??? Vagy ez is esélyes az utóbi kapcsolásnál a kapcsoló helyére fototranzisztort is tehetsz (javítsatok hanem jól irtam)
Hellósztok
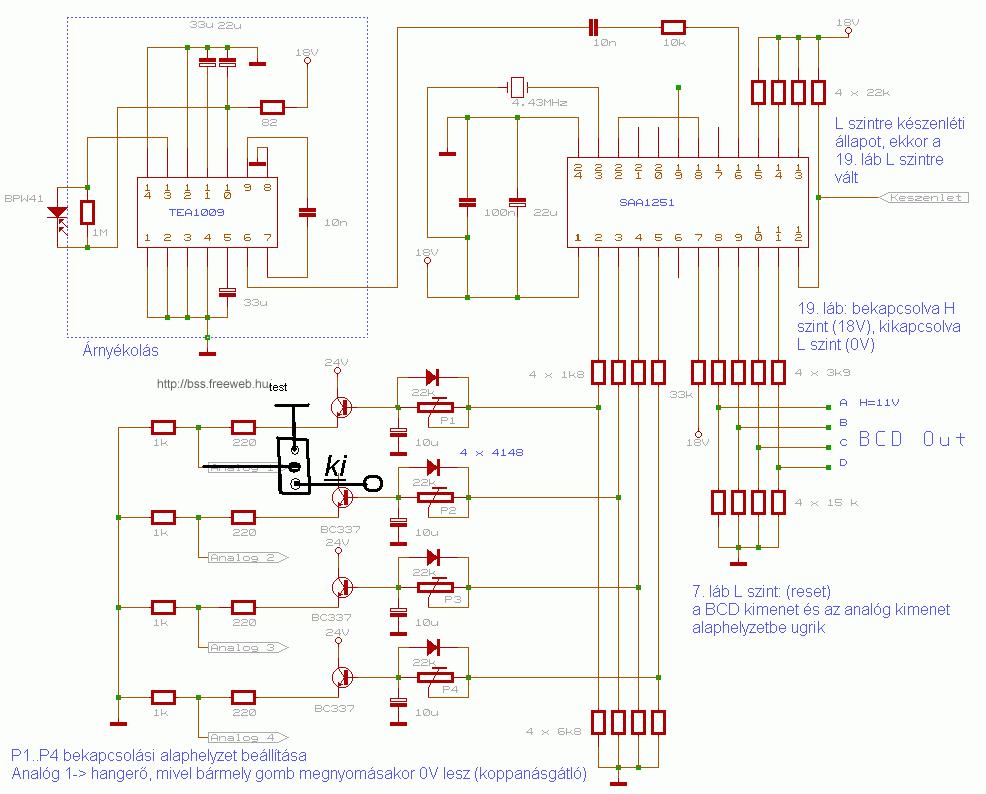
Sztem kell a téma engem is érdekelne amúgy csak elszórtan van. Énezzel a vevővel és ezzel az adóval barátkozgatok De azt nemtom hogy hogyan lehetne digitális potit rácsatlakoztatni Mert ott van az analog 1-4 kimenet meg ott vannak vmi 24V os kiement is a trimerek után most hogy ott hogy csatlakozik Itt van egy de hogy ezt hogy kombinálom vele nemtom meg ez csak mono szal lehet ez lenne a megoldás nade hogy hogyan arrol még foggalmam sincs
Amugymár egy ilyen téma létezik csak a keresőt kéne használni.... KATT Jah és abba a témába eléggé friss hozzászólások is vannak
Hali!
Mire akarod használni? Erősítőhöz? Ha igen, megépíted az adót, a vevőt, meg pl TDA1524, vagy LM1036 szteró hangszínszabályozó, és máris távirányíthatod az erősítőn a hangerőt, ballance-ot, magasat, mélyet. Ez esetben nem kell az a digitpoti. Ja és az analog 1-4-ig kimenetet használod, a tranyóknál a 24V nem kimenet, hanem oda tápfeszkell.
Jah ahoz lesz mondjuk kicsit komplikáltabban de még késsőb akarom ha már okosabb vok
Csak erre nagyon kiváncsi vok hogy az LM es hangszinszabit én is néztem de mivel/milyen áramkörrel és hogyan csatlakoztatom az analog kimenetre?
A 4 analóg kimenetet összekötöd az lm1036 megfelelő lábaival.
AN1 = 12 láb AN2 = 9 láb AN3 = 4 láb AN4 = 14 láb Persze előtte lemérni az Analóg kimeneteken a max feszt, és összeegyeztetni az lm1036 bemeneteire adható fesz.-el. Szükség esetén esetleg ellenállásokkal illeszteni egymáshoz a két áramkört. Remélem érthető? Ha eljutsz a megvalósításig, szólj, segítek! Üdv.
vagy esetleg így menne a poti helyére legalábbis elméletben így helyetesíti a potit?
Jaa akkor nagyábol vágom
De lényegébe az elözö rajomon akkor jól gondoltam vagy egyáltalán nem?Hát még soká lesz ez kész mert folyamatosan gyüjtöm az infót de a picekhez még nemértek és lcd-t is akarok rá de ha nemfelejtem el és odajutok majd szólok!! :yes:
Kb így.(ld. kép)
De hangsúlyozom, a két áramkör összekötése előtt a vevő Analóg kimenetein megjelenő feszt ellenőrizni! Pic-es megoldás másképp is lehet: Bővebben: Link Persze az parkolópályán van, azért nézd át, hátha ötletet ad. |
Bejelentkezés
Hirdetés |








De azt nemtom hogy hogyan lehetne digitális potit rácsatlakoztatni

de ha nemfelejtem el és odajutok majd szólok!! :yes: 





