Fórum témák
» Több friss téma |
- Ez a felület kizárólag, az elektronikában kezdők kérdéseinek van fenntartva és nem elfelejtve, hogy hobbielektronika a fórumunk!
- Ami tehát azt jelenti, hogy a nagymama bevásárlását nem itt beszéljük meg, ill. ez nem üzenőfal! - Kerülendő az olyan kérdés, amit egy másik meglévő (több mint 17000 van), témában kellene kitárgyalni! - És végül büntetés terhe mellett kerülendő az MSN és egyéb szleng, a magyar helyesírás mellőzése, beleértve a mondateleji nagybetűket is!
Azt hiszem korrekt voltál most köszöntem, és természetesen tisztelem a munkáidat én is , bár biztos a nyomdai szebb , de talán vártam volna egy finom házit töled is, de nem baj nem érdekes ja igen azt marattam , olyan kicsibe ezek a képek fotozáskor igen fel lettek nagyitva szabad szemmel ezeket a hibákat amiket irtál szibte nem is lehet látni
még 1x köszi
Hát, ha azt nézzük, hogy olyat tartasz nagy tudománynak, amit más is használ nap mint nap, meg csúnyán beszélsz, akkor semmi jót. Amúgy nem rossz nyákok, csak változtatni kéne a hozzáálláson, de idősebbének nem szeretnék osztani, csak 15 vagyok. Én is néha dühöngenék, de nem teszem. Tettem, akkor volt következménye, meg is sértettem embereket amit már bánok, de ezt nem szeretném fitogtatni, meg nem is annak a topikja ez... :yes:
[/OFF] Megint itt van 12 kép feleslegesen, mikor 2-3 kép is elég lett volna. A nyák valóban nem rossz, a baj csak az, hogy semmire se lehet használni. A modorodon lehetne kicsit faragni, gulasoft jóval többet tett le az asztalra mint te és a nyákja is jóval minőségibb és neki sehol nem mart alá a marató, neked viszont igen elég sok helyen. De még most se értem, hogy miért versenyzel a nyomdai minőséggel mikor eggyértelmű, hogy az sokkal jobb. Ezt a hsz.-t csak azért írtam, mert véleményeket kértél, részemről vita lezárva.
on
Sziasztok! Elnézést mindenkitől a következő poszt miatt, de ez annyira űbergáz, hogy muszáj reagálnom rá. Zserigta! Csak azért írok neked, hogy jól leosszalak! Ostoba vagy, de nagyon! Ide jössz kérdéseiddel és mikor választ kapsz csak arcoskodsz. Inkább ülj le a könyvek mögé és kezdj el tanulni, mert úgy látom van mit. Először javaslom az elektrotechnika alapjait, majd -ha nem untál bele- folytathatod egy kis digitális technikával. Ez után jöhet némi programozási alapismeret, és ha még mindig van kedved az egészhez, elolvashatod az f877-nek a júzermanualját. Sokkal okosabb leszel, hidd el, ráadásul értelmes dolgokat fogsz tudni kérdezni. Még az is lehet, hogy lekászálódsz a magas lóról. PIC_MAN voltam. off.
Ráadásul akkora a "képernyő" ,hogy a 19" -ra alig fért ki.
Spanyolviasz szagú ! Simán megvasalom
Én házit nem csinálok, ezért érdekelt a Tied. Még nem volt időm kipróbálni nem rég jöttem haza a retro amiga partyról, holnap megyek a nyomdába egy fóliáért. Tekints el a scanneren lévő portól és kosztól, és nézd meg ezt, ez nyomdai, ezzel hasonlíts össze a tiédet.
Az 5600 dpi az 5600 dpi, nincs mese, ja és ez a kép csak 1200dpi negyed olyan éles mint az igazi film.
[OFF]Igen azt már nem akartam írni, hogy igaz én csak egy ócó vasalóval hadonászok de lehet az enyém is lenne ilyen... sőt! Amúgy janikukac is ilyen módszert használ (szerintem) és neki is meg lehet nézni mostmár a nyákjait milyen szépek!
Hát vazze olvassa ,vagy nem ,nemérdekel ,de sok ember át mehetne olyan 180 fokos változáson mint a mi kukakcunk
![]() Minden téren ..... Ráadásul elég rövid idő alatt !
Nem teljesen értem ezt a nagy felháborodást, bár mondjuk van benne valami...
Igazából az a baj, hogy elég türelmetlen ember vagyok, és elég nagy türelem kell ahhoz, hogy valaki elviseljen. A problémám csak annyi volt, hogy akárhányszor kérdeztem valamit 6-ból 5 hozzászólás nem konkrétan a kérdésemre volt a válasz, hanem inkább kioktatás, hogy kezdjem az alapoktól meg olvassam el a "manual"-okat, holott én csak egy egyszerű választ/megoldást szerettem volna a kérdésimre, és amikor olvasnám a válaszokat és sorra csak olyasmit kapok hogy olvasgassam a manualt, meg kezdjem az alapoktól, az hát elég idegesítő, főleg hogy általában a kérdéseimre csak 1-2 soros programkód vagy egyszerű tanács kellett volna, amit szépen megköszöntem volna, és mindenki boldog maradt volna. (Amire egyébként volt is 1-2 példa itt.) Ez úton szeretnék mindenkitől elnézést kérni, akit esetleg megbántottam, de én a p..g.hu hoz vagyok szokva, ott ha feltettem egy kérdést általában meg is kaptam rá az értelmes választ, persze néha-néha ott is volt olyan, mint itt, hogy nem arra irányult a válasz amit kérdeztem, csak ott fordított arányosságban mint itt. Így számomra ez elég furcsa és idegeítő. Én általában autoditakta módon tanulok mindent, mivel irtózatosan utálok olvasni. (Írni viszont valamiért meg szeretek, legalábbis gépen.) Így számomra az elképzelhetetlen, hogy valamit a leges legelejéről lépésről lépésre tanuljak meg. Mindig belevágok valahol a közepébe, és ott próbálom értelmezni a dolgok működését, és így tanulom meg, mi hogy és hogyan. Így ha valaki azzal jön, hogy alapoktól kezdjem az eléggé idegesítő számomra. Na mindegy, ez egy r*h*dt nagy OFF lett, ezért is elnézést. Úgyhogy, bocsánat mindenkinek. Autoditaktálódom tovább.
Szia!
Ebből a fórumtémából is meríthetsz ötleteket, hogy mit érdemes még beszerezned. Egyébként szép történelmi neved van.
Te lagalább ismered a helyesírást, ami itt jópár emberről nem mondható el. Tisztelet a kivételnek!
Szia!
Neked tanárnak kéne menned, tök jól magyarázod a dolgokat. Köszönöm! ![]() Még jó hogy a suliban úgy tanították, hogy R1*R2/(R1+R2)... ami igaz is, de egyforma ellenállásnál egyszerűbb sokkal. Persze ebből evezethető az előbb általad leírt módszer, de még egy jó darabig ezzel számoltam volna .Megfogadom a tanácsod, és köszönöm még egyszer az eddigi segítségeket. Üdv.: Zsolti
Köszönöm a segítséged, most már olvasgatom is serényen.
és örülök h tetszik a nevem és hogy észrevetted
Szia!
Köszönöm a választ, volt egy ilyen sejtésem, de így már akkor tudom mit keressek!
Sziasztok.Ha valaki tudna nekem ebbe a topikba valaszolni,nagyon halas lennek!
Koszonom es bocsanat hogy irok ide is. http://www.hobbielektronika.hu/forum/topic_8053.html
Tiszteletem!
Az elmúlt napokban a következő kapcsolással küzdöttem. A cél annyi, hogy a három bemeneten (ABC) érkező jelből 4 kimenetet tudjak csinálni. Ehhez 4028B BCD to Decimal IC-t használok és opto kapukat. Az itt lévő kapcsolást összeraktam és működik is úgy - ahogy, de a kimenetekre ledeket kötve azok alig pislákolnak, illetve kikapcsolt állapotban is nagyon haloványan világítanak - tehát nem stabil az áramkör. Mondták több helyen hogy az IC bemeneteit le kell húzni a földre DE hogyan? Az ok, hogy a D (nem használt) bemenetet egy 1K-s ellenállással a negatívra kötöm - így az folyamatosan 0 bemenetet kap, de ha az ABC bemenetek közül bármelyiket a negatívra kötöm akár 1 akár 10k-s ellenállással az egyből 0-ra vált és a kimenet is szép lassan elalszik... Nem értem... mi a gond?
Mondjuk, ha szíveskednél szabványos rajzjeleket használni, hamarább rá lehetne jönni a hibára. Így, hogy csak tokokat rajzolsz, elég problémás a megfejtés. Az pl. egyből látszik, hogy az optó tranzisztorai 10 kohm ellenálláson keresztül közvetlenül mennek a dekóder bemenetébe. Ez nem jó, a kollektornak (ha egyáltalán az az a kivezetés) az ellenálláson keresztül tápra kell kapcsolódnia, és innen veheted le a jelet a dekóder bemenetére. Az optó tranzisztorának kollektor ellenállását pedig úgy kell méretezni, hogy a kollektor áram a katalógus adatnak megfelelő legyen. A 10 kohm soknak tűnik.
A dekóder kimenetére nem kötheted rá a LED -eket közvetlenül, legalább egy nyitott kollektoros inverterrel, vagy bufferrel, de legalább egy meghajtó tranzisztorral kell meghajtani.
Berajzoltam az optokat az adattáblájuk alapján (4n25)
Az IC kimenetén csak ledek lesznek (elvezetve pár méterrel odébb) semmi más terhelés, korábban itt a fórumon azt mondták ezt még elbírja, nem kell elé tranzisztor - ezért kötöttem be egyből. Amit írsz - ha jól értem, akkor a 10k helyett kevesebb és azt kössem a táp pozitívjára és onnan (?) az IC bemenetére?? (ha lehet ezt mégegyszer, kicsit szájbarágósan)
Ha jól látom (a rajz szerint) a pozitív megy az opto tranzisztor emitterére. Nem a negatívnak kéne?
Tehát az opto tranzisztor emittere neg tápon, a kollektora a 10 kohm (?) ellenálláson, ide jön a dekóder IC bemenete, a 10 Kohm ellenállás másik vége poz tápon. A nem használt bemenetek lehúzása földre egyszerűen földre (neg tápra) kötve, felhúzása poz tápre 1 - 2 kohm ellenállással. Ez azonban logikai 1 -et jelent a dekódolásnál!
Üdv!
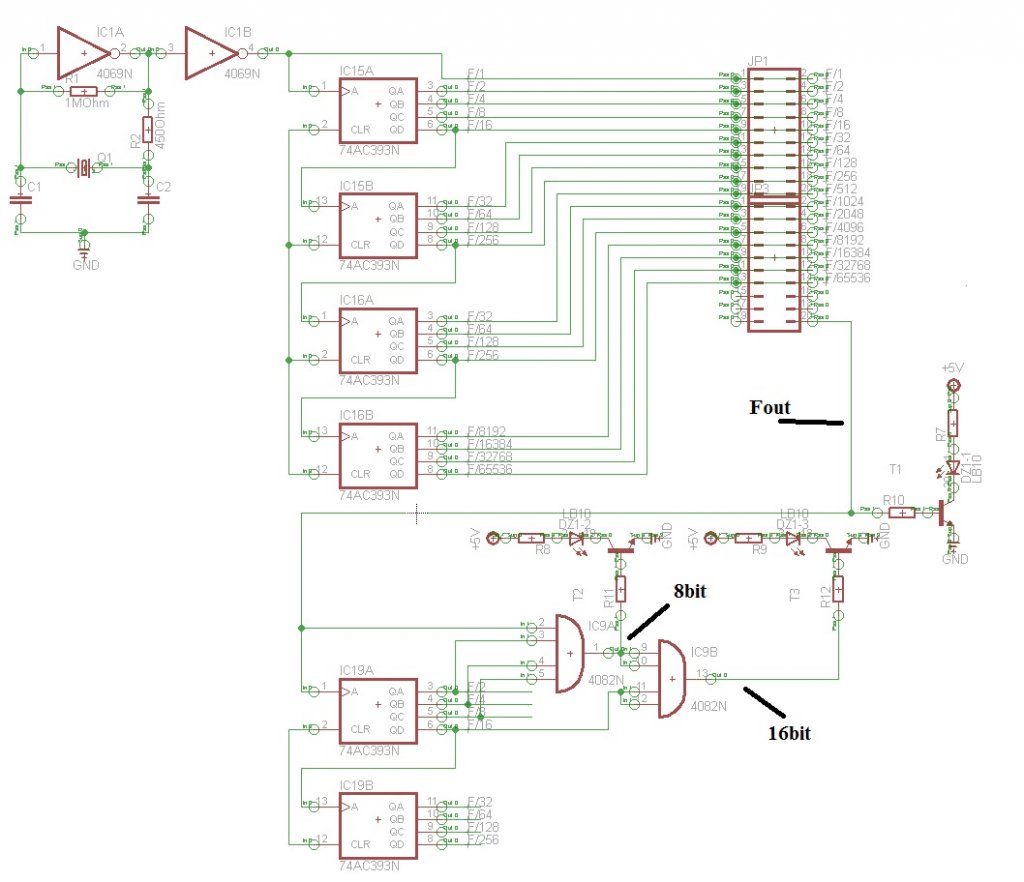
Itt az oldalon találtam meg az alábbi kapcsolást, amit szívesen utánagyártanék némi kiegészítéssel. Az eredeti: http://www.hobbielektronika.hu/kapcsolasok/seged_orajel_generator.html?pg=1 A módosításom a clkpgsch.jpg képen látható. Az elképzelésem az, hogy fogok egy 32768Hz-es kristályt, aminek a jelét elosztom 2^15-ennel, hogy 1Hzes négyszögjelet kapjak. Ehhez 4db 74HC393-es 4bites számlálót választanék. Azért esett erre a választásom, mert az adatlapja szerint képes 99MHz-en is üzemelni, így később ha kell, akkor 40MHzes oszcillátort is tudok vele osztani. Vagy éppen F/8 ill F/16 jeleket is generálhatok ezzel, magas órajelek mellett is. A clkpg.jpg látható, hogy milyen jelet is szeretnék. A célom az, hogy a próbapanelen ne nekem kelljen a 74HC595 ill a 597 storage lábára 8 , vagy ha sorba vannak kötve akkor 16 órajelenként, az engedélyező jelet küldenem, hanem magától megcsinálja. 1Hz-enként még nekem is megy (úgy ahogy), de kHz-eknél.... ![]() Szóval az érdekelne, hogy jó e a kapcsolás, jók e a hozzá választott ICk? Sajnos van egy olyan érzésem, hogy valamit elrontottam... SB
Hát... még mindig nem biztos hogy jól értem (nekem fura ez a rajz így) de átrajzoltam... talán...?
Hello!
Nem a "replusz" képletet kell megjegyezni, hanem azt, hogy - soros kapcsolásnál az ellenállások adónak össze, - párhuzamos kapcsolásnál a vezetőképességek. A vezetőképesség, pedig az ellenállás reciproka.. Ebből aztán bármely képlet levezethető. üdv! proli007
Hello!
Nem egészen. - A bemenetnél, nem a dióda anód a közös, hanem a katód. (ha már az van közösítve - Ha az optohoz kollektor ellenállásokat használsz, akkor invertálni fog. Vagy is amikor bele világít a Led. a kimenetén logikailag alacsony szint lesz nem magas. - A dekódoló D bemenetét nem magas szintre, hanem alacsony szintre kel húzni, mert akkor csak a 8-9 számot fogja dekódolni, hiszen a D magas szintje, már is 8-at jelent. Szerintem valami ilyesmit szeretnél készíteni.. üdv! proli007
Hello!
Rettenet ez a rajz, attól a sok karikától. Nem lehetett volna kikapcsolni? Oké, de a Clear bemenet nem lóghat a levegőben. Ha nem használod, akkor a GND-re kel kötni. A tápfesz bekapcsoláskor úgy állnak be a számlálók, ahogy épp akarnak. Ha ez zavar, Reset jelet kell generálni a CLR lábra. (Ja, és nem 8-bit, hanem "8. bit"... és nem Fout, hanem Fin, vagy Fout-ra. ) üdv! proli007
Köszönöm a segítséget, elmondani hosszabb lett volna
Sziasztok,
Ajánljatok nekem magyar nyelvű könyveket a rádiózás alapjairól, légyszi! Digitális terepen elég sok tapasztalatom van, de analóg terepen, váltakozó árammal szine semmi. Sajnos a matek is csak megkopott közepiskolás szinten megy, ezért valami olyan anyag kellene, ami felfrissíti azt is. Első körben főként az elmélet érdekelne: rádióhullámok előállítása, terjedése, vétele, jel/zaj, jelfeldolgozás, ilyesmi - de lehetőleg úgy, hogy gyakorlati példák, ábrák szemléltetik, vizuálisan sokkal előbb tanulok. A végén oda szeretnék eljutni, hogy teljes mélységében megértsem az OFDM technikát. Köszi előre is
Köszönöm szépen a rajzot! Ki fogom próbálni!
(remélem ez megoldja az "instabilitást") Mégegyszer köszönöm!
Hello!
Egy digitális rendszerben nem lehet instabilitás. Ott csak két állapot lehetséges. Nálad főképpen az volt a gond, hogy a bemenetek "lógtak a levegőben" és a CMOS Gohm bementi ellenállásával, összeszedtek mindenféle zajt. Ha lett volna egy szkópod, láttad volna, hogy brekeg a kimenet. Egy logikai áramkör számára biztosítani kell a logikai szintű L/H jeleket. It amikor az opto tranyó zár, az ellenálláson keresztül L szint jut a bemenetre, amikor pedig nyit a tranyó, felhúzza az ellenállás lábát a táp közelébe, így biztosítva a H szintű jelet. ennyi az egész, és nem több. üdv! proli007
Éééés több napi szenvedés után végre műűködik!
Valóban ez volt a gond, és a "berregést" tapasztaltam is mert amikor szakadásmérővel méricskéltem a 0 szintű kimenetek is "brekegtek" és akármihez hozzáértem kézzel egyből megőrült... A levegőben lógást értettem már az elején is de a gond onnan indult hogy az opto kimeneteit cseréltem fel és ettől ha betettem a lehúzó ellenállásokat semmit sem csinált - ezért hagytam ki - mert akkor legalább "működött" valahogy. Mindenre gondoltam csak arra nem hogy az opto fordítva is működik (illetve úgy csinál mintha) De mos már működik és legalább meg is értettem hogy mi mért van így - köszönöm szépen a türelmet és a segítséget!
Szép estét Nagyurak!
Használta már valaki a Quite Universal Circuit Simulator nevű programot? Ezen akarnak tecnikusi képesítő vizsgát csináltatni az osztállyal,pedig a tanár is még csak most próbálgatja a szárnyait ezen mesés programon. Tudja valaki használni vagy egy jó súgót vagy használati utasítást adni hozzá lehetőleg magyarul? (az áramkörszimulátor témakör elég döglöttnek tűnt az utolsó januári bejegyzéssel,ezért írtam ide a kérdést) Előre is köszönök mindent! |
Bejelentkezés
Hirdetés |





.











