Fórum témák
» Több friss téma |
Fórum » Lakásriasztó
Ha nincs meg a mérnöki kód, akkor kuka. Nem visszaállítható ez a múzeumszökevény sajnos.
Szia!
A magátol beriaszt azt sikerült megcsinálnom mert én egy optikai szenzort kötöttem hozzá és annak belül saját reléje van és annak a záró érintkezöjével zártam a riasztó áramkör érzékelő bemenetét de valamiért lehet hogy hosszu vezeték vagy a relé kontaktus átmeneti ellenálása miatt bejelzett. De én tettem egy másik relét közvetlenül a panelra vezetékek nélkül és igy most azt a relét kapcsoltatom az optikai szenzor reléjével. Igy jó. A másik hiba viszont szerintem kostrukcios de engem nem zavar mert én egy ajtot akarok figyelni illetve azt hogy belépnek és megszakitják a szenzor fénysugarát és szerintem kicsi a valoszinüsége hogy pont ott megáll a betörő szerintem csak áthalad tehát megszakitja és vissza és igy a hiba nem jelentkezik müködik rendesen. Üdv: Zoli
Volt egy ilyen sejtésem... Akkor marad így ahogy van. Kösz!
Szia!
Több mint 2 hónap késéssel válaszolok... Bocsánat! Van amikor naponta 4 kérdést teszek fel, és elfelejtem, hogy mit kérdeztem. Szóval köszönöm a választ! 2-3 méter nekem elég. Üdv! Balázs
Sziasztok,
Paradox Spectra 1728-hoz keresnék soros letöltő kábel kapcsolási rajzot. Köszönöm,
Űdv mindenkinek.Az lenne a kérésem,hogy legyenszives valaki magyarázza meg a mátrixos kodolás lényegét.űdv:Gyati.
Nincs hozzá. Csak modemen keresztül lehet programozni, normál hívással, vagy ADP1 direkt modem szimulátorral.
Ezt biztosan a lakásriasztós témához szeretted volna írni?
Szia!
Ha még nem építetted meg, akkor ajánlom figyelmedbe a csatolt kapcsolást. Én 30 méteren próbáltam, és jól működött, és semmi optikai eszköz nem volt előtte. Csak annyi, hogy az adóra (infraled) és a vevőre (TSOP 840 Infra vevő + szűrő; 40 kHz ) ráhúztam egy feketével befújt 2-3 cm hosszú szívószálat, hogy a kívülről áradó fény ne zavarja a vevőt, illetve a LED-nél egy picit irányítottabb legyen a fény. Zsolti
Szia!
Még nem építettem meg. Köszönöm a kapcsolást, majd kipróbálom. Azért ilyen lassan haladok, mert faluban lakok,és nincs a környéken bolt, ahol tudnék ilyen alkatrészeket venni. Csak a HESTORE a járható út. Üdv! Balázs
Űdvhbal.Igen ,azért ide irtam a kérdést mert a riasztó,amit szeretnékmegcsinálni,mátrixkódolással lműkődik.Kérem, hogy aki tud ,segitsen.Űdv:gyati.
Űdv a forumozoknak.Sajnos a kérdésemre senkitől nem kaptam választ.Egy hete nem vagytok fenn?Vagy senkit nem érdekel a mátrixos téma?Kérem aki tud segitsen.gyati.
Említetted, hogy "a riasztó,amit szeretnékmegcsinálni,mátrixkódolással lműkődik.".
Esetleg van valamilyen konkrét kapcsolás, vagy cikk ami miatt ilyet szeretnél?
Űdvőzőllek hbal.A kapcsolási rajzot innen a fórumrol vettem,ami az1999-esezermester ujságban jelentmeg.Tepizoli megépitette a kapcsolást.Kérdeztemtőle a mátrixal kapcsolatban de nem kaptam választ .Szerintem ő nem készitette el a kódolót,mert csak a megfigyelőrendszerrőll irt.
Szia! Ott le is van írva a cikkben a működése. Riasztó ezermester.
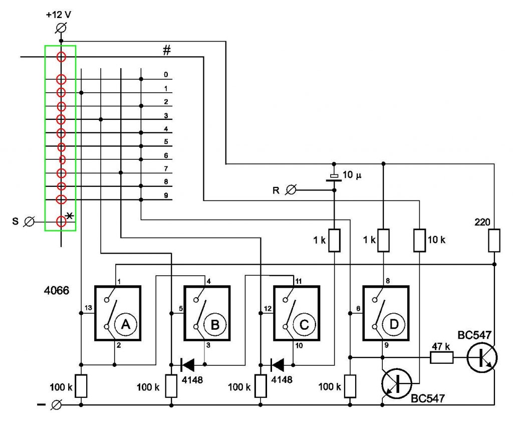
űDV bodnar00.Kőszi a válaszod.Nem a műkődésével van problémám .Van a rajzon egy pár dolog ami nem érthető .Pl az S pont hová van bekőtve .egyik fele a kőzpotra de a másik vége ?ezenkivül,pl a csillagpont,és a kereszt?ha érted a rajzon ezeket,légyszives segits.Köszi:Gyati.
Az S pont (ami majd a csillag gomb lesz) az ugye jön a riasztóközpontból kimegy a gombokhoz itt minden gomb egyik oldalára 12v van kötve. Ha lenyomsz egy gombot akkor zárod a 12v-al. Berajzoltam a gombokat, a piros körök a gombok, magyarul a zöld keretbe ahol keresztezik egymást a vonalak azok akarják a gombokat jelenteni.
Szia!
Bocsi én írtam de tényleg nem a kodoloról hanem a müködésről. Én valobban nem épitettem meg azt a részét mert évekkel korábban én épitettem egy másik verziot és most csak összeházasitottam a két kapcsolást.
Üdv bodnar00.Köszönöm a segitséget,igy már értem a rajzot.Azok a keresztbe menő vonalak megzavartak.mégegyszer köszi a segitséget.Üdv:gyati.
Helo tepizoli.Ne haragudj,de én nemsértésböl irtam azt,hogy nem válaszoltál arra imit irtam.arra voltam kiváncsi,hogy oldottad meg a mátrixos kapcsolást.Ezért irtam neked.Remélem,hogy mostmár sikerül megoldanom bodnár00 leirása alapján.Űdv:Gyati.
Sziasztok!
Nem találtam kapcsolódó topikat itt, ezért nyitottam egy újat ismét. Van nekem egy Intelli Sense FG-730 üvegtörés jelzőm. Ehhez milyen központot kellene vennem, hogy működjön és anyagilag is megérje!
Üdv!
Amelyik szimpatikus és belefér a költségvetésedbe. Ha jól emlékszem akkor ugyan úgy kapcsol mint a PIR szenzorok, úgyhogy mindegyik központhoz kapcsolható. Leírás
Tudnál küldeni egy linket, hogy jobban tudjam szemléltetni!
Módosítottam az előzőt, ott találod a linket.
ez nekem is megva, csak nekem központ kellene hozzá.
Amiben transzformátor, a villogó rész, a csengő és stbb...ezek egybe vannak építve, vagy házilag valami kiépítés kellene.
Rosszul fogalmaztam, hangszóróm van, villogó fényem is van, csak ez a vezérlő áramkörre lenne szükségem.!
|
Bejelentkezés
Hirdetés |








