Fórum témák
» Több friss téma |
Fórum » Kandósok
Megpróbálom negyedjére is elküldeni, mert a hobbielektronika valamiért nem akarja hogy elküldjem:
Mindenféle weboldal bejön, így a hobbielektronika is. A mozilla firefox már nemtalálja a neptunt: Firefox can't find the server at neptun.bmf.hu. A google Chrome ezt írja ki: "Hoppá! A Google Chrome nem találta meg a neptun.bmf.hu webhelyet" Eddig mindíg ezeken a címeken volt, le is volt mentve a könyvjelzők közé, nem változott semmi Megpróbáltam az uni-obuda-s variációval is: Mozilla: Firefox can't find the server at neptun.uni-obuda.hu. És végül a Chrome barátunk megtalálta a neptun.uni-obuda.hu-t. De hogy a mozilla firedox miért csinálta össze magát a neptun hallatán, azt nem tudom :levele:
Lényeg hogy sikerült, én csak chrome-ot használok. Egyébként OE szervere is be szokott szarni vizsgák felvételekor, és egyéb nevezetes időpontokban mint egyéb egyetemeken? Még első éves vagyok, csak érdeklődöm mire készüljek és ügye lassan itt az ideje, asszem jövő hét szerda.
Nem lehet, hogy be van csekkelve firefox alatt a kapcsolat nélküli mód? Fájl menüben?
Igen, készülhetsz rá sajnos. Minden egyes nevezetes időpontban itt is akadozik a Neptun elérése.
nincs becsekkolva, próbaképp megnéztem, ma sem megy a neptun a mozilláról, de a chrome-ról igen. Mindegy, mostantól használok chrome-ot!
Rég nincs már BMF, várható volt, hogy a domain-jeit is megszüntetik. IE sem találja, a Chrome bizonyára önálló életet él és szerencsésen bedobja az első találatot.
https://neptun.uni-obuda.hu/hallgato/login.aspx a helyes megoldás.
Segítség!
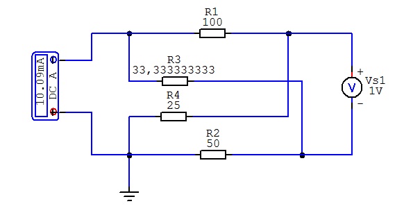
Egyszerűen nem jövök rá a megoldásra. Lényegében a Wheatstone-híd eredő ellenállása kellene első körben, de nem találom sehol. Előre is köszi!
Szia!
Ez milyen tárgy? Villanytan Tavaszmező utcából? Az óbudai villanytan jegyzetek közül csak a villany 3-ban találtam admittancia paramétereket, de az már erősen váltóáramú viselkedésről szól. Ez sima villany 1. nehézségű példának tűnik ránézésre, csak mi a kérdés? A négypólus sarkai közti impedanciák (vagyis Gab, Gac, Gad, Gbc, Gbd, Gcd)? Egyébként hogy jön ide a wheatstone híd? Üdv, Vik
Igen, villanytan, abból is a 3. Kétpólus paraméterek. Első körben a bemenetről nézett eredő ellenállás kellene.
Ha a bal oldal felől látszó 2 pólus felőli eredő ellenállás a kérdés, akkor nyilván R1 és R4 van sorban, és mindezzel párhuzamosan a R2-R3 soros kapcsolata. Ha viszont az admittanciák alapján akarunk számolni, akkor repluszos alakban kell továbblépni. Azaz, az admittanciákat nem az ellenállásoknál megszokott módon kell számolnunk, hanem repluszos formában.
- Két sorbakapcsolt admittanciánál tehát nem összegzéssel kapunk eredőt, hanem replusz művelettel. - A párhuzamosan kapcsolt admittanciákat viszont az összeadás művelettel végzett számolás eredményével helyettesíthetjük. Remélem, jó kérdésre válaszoltam.
Szia!
Nagyon régen tanultam, de az admittanciaparaméteres egyenletrendszer szerintem a következő ( ellenőrizd le! ): I1 = y11U1 + y12U2 I2 = y21U1 + y22U2 . A bemeneti admittancia az első egyenletből ( módszer: a másik tagot mindig nullává kell tenni --> U2=0 ! ): y11 = I1/U1, miközben U2=0 ( azaz a kimenetre rövidzár kell ! ). Ha így nézed meg, akkor G1-G3 párhuzamos, G2-G4 párhuzamos és (G1-G3) soros (G2-G4)-el, a számolását már leírták előttem. Remélem sikerült egy kis homályt eloszlatnom... ! Steve
Én már rég tanultam ezt de a trükk az átrajzolásban van.
Ha az alsó ellenállást megfordítod akkor kapsz egy négyzetet de a kapcsok is fordulnak alul ezzel már könnyen el kell boldogulni csak soros és párhuzamos kapcsolás van.
Köszönöm a hsz-eket, némi homály már fellebbent, de az istennek nem jön ki a megoldás így sem, bár úgy fest, a soros/párhuzamos kérdés megoszlik.
A megoldásban y11=24mS, y22=25mS, y12=y21=10mS. Ha az egyszerűség kedvéért z11-et akarnám kiszámolni, akkor a leírtak alapján: (R1+R4)X(R2+R3)=(100+25)X(50+33,33)=50, ebből y11=1/z11=20mS De úgy se jön ki, ha (R1+R3)X(R2+R4)=(100+33,33)X(50+25)=48 => y11=20,08mS Viszont, ha úgy számolok, hogy (R1+R2)X(R3+R4)=(100+50)X(33,33+25)=42 => y11=23,8mS, kb. 24mS. Vezetéssel: G1XG2+G3XG4, tehát G1 van sorba G2-vel, valamint G3 sorba G4-gyel és ezek párhuzamosan. Érteni nem értem még, de rávezettetek a megoldásra, amit köszönök
Az általam leírtakat ha kiszámolod, pont 24 mS-t ad:
y11 = (G1+G3)x(G2+G4) = 24 mS ! Admittancia paraméteres egyenletrendszernél y-ok az ismeretlenek, a képlet VEZETÉSEKRE vonatkozik, nem kell ( de lehet persze! ) ellenállásokkal számolni ! Steve ( egy volt Schnöller tanítvány)
Köszi szépen!
Tisztában vagyok az admittancia jelentésével, csak ilyenkor, ha bizonytalan vagyok, jobb szeretek ellenállásokkal számolni. Úgy néz ki, ezért is nem fogtam fel elsőre, amit leírtál ![]() Viszont egy másik kapcsolásból nekem az jött le, akár ellenállással, akár vezetéssel számolunk, az 11 és 22 paraméterekhez mindig szakadással kell számolni.
Számolhatsz bármivel, az a kapcsolás fizikai működését nem befolyásolja, csak a megfelelő lezárásokat kell használnod ( NP paramétereknél rövidzás vagy szakadás ! ) és az adott jellemzőnek megfelelő képleteket ( ellenállás paraméter soros kapcsolásnál összeadódik, vezetés paraméter "replusszolódik"! )
Örülök, hogy megoldódott, jó munkát Steve
Most már csak azt nem tudom, hogy y12 hogy a fenébe jön ki? Le is rajzoltam, de nem sokat segít.
Ráadásul a kétpóluspárok gyárilag megoldott példáiból az derül ki, hogy z11 nem egyenlő 1/y11-gyel, tehát most ismét totál meg vagyok zavarodva
Szia!
Leszimuláltam a megfelelő rajzzal, eszerint I1/U2=10,09 mS ! A rajzod szerintem nem jó, ha az y12-re vonatkozott! A mérőirányokra figyelj! Steve
S ezt hogy igazolnád matematikailag?
Biztos megoldható Ohm és Kirchhoff törvényekkel, de szerintem viszonylag gyors, ha a G1-G3-U2-t és a G4-G2-U2-t ( az y12 meghatározásának megfelelően U1-t rövidrezárva!) átrajzolod Thevenin helyettesítőképpel és meghatározod a köztük folyó áramot!
Most már szerintem eleget segítettem 20 év távlatából, jó lenne, ha Te is most frissiben rászánnál egy kis energiát, mint mi annak idején az emlegetett tanárúrnál! Steve
Az impedancia és admittancia mátrix értékei a mátrixok invertálásával számíthatóak át, emiatt nem lesz egyenlő z11 az 1/y11gyel. A mátrix-ok közötti kapcsolat: Z=Y[sup]-1
Hát inkább én is a szimulátort erőltettem meg magam helyett, így végülis kijön (hogy pont 0,5V kell mindkét körbe az lehet, hogy véletlen), de a hf-be bizonyításnak elég és reménykedem, hogy vizsgán nem lesz ilyen hídkapcsolás
![]() NaLa: értem, köszi!
Sziasztok!
Most próbálom kitölteni az online felvételit a Felvi.hu-n. Híradásipari technikus a végzettségem, 2006-ban végeztem, de a Technikusi szakképesítések menüpontban csak híradástechnikai készülék karbantartó, és híradástechnikai készülékgyártó szerepel... Szerintetek ha bejelölöm a híradástechnikai készülék karbantartót akkor elfogadják? Volt már mással is hasonló, hogy nem pontosan szó szerint a végzettsége szrinti képesítést jelölte meg, de elfogadták? Esetleg ha papíron adnám be, akkor több esélyem lenne rá hogy elfogadják? Fontos lenne minden pont...
Nektek sem működik ez a link?Bővebben: Link
Azt hiszem megtaláltam a választ a kérdésemre. A "technikusi_szakiranyu_kepzesi_teruletek.pdf" nevü doksi alján volt:
A korábban az érettségi bizonyítványt követően megszerzett technikusképesítő bizonyítványok nem azonosak az Országos Képzési Jegyzék szerinti "technikus", "szaktecnikus", "technológus" stb. végződéseket tartalmazó szakképesítésekkel. Amennyiben a jelentkező technikusképesítő bizonyítványában szereplő képesítést a táblázat nem tartalmazza, úgy az Oktatási Hivatal a felsőoktatási felvételi eljárás során fogja azt megfeleltetni." Ezek szerint bizakodhatok, hogy elfogadják. Korábban írtam a felvi.hu-ra is egy mailt, ha érdemi választ kapok (ami valszeg a fenti szöveg lesz), akkor a lényeget megosztom hátha más is okul belőle.
Kedves Mindenki!
Nagy segítségre volna szükségem! Akad köztetek olyan hozzáértő és vállalkozó szellemű ember aki jövő hét szombatig segítene nekem Villamosságtanból felkészülni? Skype, mail stb... AC és DC analízis a téma. Sajnos személyesen senkihez sem tudok fordulni és egyedül nagyon nehezen megy. Sok kérdésemre nem találom a választ. Hálás lennék, ha akadna egy ember! Előre is köszönöm! Én Győrbe járok levelezőre, de bízom valaki segítségében. Tisztelt moderátor! Kérem ne töröljétek a HSZ-t csak azért mert egy helyen már feltettem ezt a kérést. Ez nekem most életbevágóan fontos! Nem egy ledes villogóval kínlódok. Köszönöm!
Bővebben: Link
És a többi mappában is akadhat hasznos dolog, ha esetleg nem ismernéd(gondolom távoktatásos vagy). |
Bejelentkezés
Hirdetés |










