Fórum témák

» Több friss téma
Fórum » Bass gitár erősítő
 
Témaindító: Nova, idő: Jan 20, 2006
Témakörök:
Lapozás: OK   17 / 23
(#) szendi001 válasza konyak6 hozzászólására (») Nov 16, 2011 /
 
A kollégám eredeti Fetet javasolt, csak engem már érdekel hogy ki lehet e használni a BF245 öt ezért kipróbálom az ellenállás cseréket. Meglátjuk.

Mondjuk az sem árt, hogy ez a Feted jól van bekötve
(#) konyak6 válasza szendi001 hozzászólására (») Nov 16, 2011 /
 
Most kivételesen jól.
(#) ZSozsóó válasza konyak6 hozzászólására (») Nov 16, 2011 /
 
Igen, lehetséges, mert reggel figyeltem fel valamire,mikor megnéztem megint a layoutot, miszerint a source-ban van ám még egy elkó meg egy 470Ohm. Ami váltóáramúlag a source-ot bypassolja, magyarán belövi a dc munkapontot elbaltázott módon, majd az ac erősítést megadja ezzel...érdekes megoldás, ez eddig elkerülte a figyelmemet, szóval valóban erősíthet, ha a megfelelő dc munkapontba kerül, ami pedig a bele tervezett fettel elég valószínűnek hangzik, ahogy nálad össze is jött!
(#) konyak6 válasza ZSozsóó hozzászólására (») Nov 16, 2011 /
 
Beledobom a TD7294-et és kész.
(#) deadlyroberta válasza Dr_King hozzászólására (») Nov 16, 2011 /
 
Vegyél Quadot megjön a bajod akarom mondani gyönyörű, Urbánurnál aprópénzért van, vagy Hibrid fet-csöves is van már nála 4-5ezerért. hangszínszabályzót,effektet is árul... tda7493 vagy tda 7494ről van szó amúgy... előreszerelt változat is van.
(#) konyak6 hozzászólása Nov 19, 2011 /
 
Szendi001 hogy állsz? Bf245 működik?
(#) szendi001 válasza konyak6 hozzászólására (») Nov 19, 2011 /
 
Folyamatban vagyok. Szereztem kis trafót, meg 2 db kapcsolóüzemű tápot a +-13 volthoz tesztelni. Sajnos potmétereim még nincsenek, mert a vidéki boltban csak polimer házas volt ami nem tetszett. Minden más a helyén van, az Isostat kapcsolók beváltak.
(#) dvd hozzászólása Nov 22, 2011 /
 
Sziasztok!
Idő hiányában egy kicsit megint belassultam. Viszont lenne egy pár kérdésem. Az első hogy a csöves előfok vajon mennyire fogja szeretni az IC-s effekt pedált. Olvastam a send-return kialakításról gondolom ez ajánlott ebben az esetben. A másik hogy az EAGBővebben: Linkhangszínszabályzóját ki lehet-e egészíteni egy plusz potival hogy a középtartományt is tudjam állítani. Utóbbi azért lenne fontos mert ha megoldható akkor az előlap elrendezésekor azt is számításba kell vennem.
Előre is köszönöm a segítséget!
Üdv!
(#) skylooker válasza dvd hozzászólására (») Nov 22, 2011 /
 
Ezt a lepke típusút úgy szokták variálni, hogy a rajzon R22-vel jelölt ellenállást potival helyttesítik, ez módosít a középtartományon, de nagy szabályozásra nem lehet számítani.
(#) szendi001 válasza skylooker hozzászólására (») Nov 23, 2011 /
 
Én mást javaslok.
Látható, hogy a lepke a két trióda között van. Érdemes odapróbálni egy bevált erősítőből egy hanszín rendszert. Gyakorlatilag a trióda anódjától a másik trióda rácsáig kicserélsz mindent egy próba panelra összeállítva. szerintmem ez a teszt kb 1000 Ft és elég tanulságos.
(#) karpi válasza dvd hozzászólására (») Nov 23, 2011 /
 
itt vannak az altalanossan elfogadott bevalt megoldasok
valamint a kis hasznos program amivel szemleltethetok a kulombsegak , az ertekeket lehet cserelni a fix alkatreszeknel is ..stb
(#) szendi001 válasza karpi hozzászólására (») Nov 23, 2011 /
 
Ez nagyon jó! láttam már pár éve, de újra felcsillant a szemem. Igen, ez kell hozzá, pl egy Marshall fokot betenni a meglévő helyére.
(#) dvd válasza szendi001 hozzászólására (») Nov 24, 2011 /
 
Húúú! Köszönöm szépen mindenkinek . Valószínűleg teljes átrendezés lesz. Amint lesz valami eredmény írni fogok.
Üdv!
(#) EcoPityu hozzászólása Nov 24, 2011 /
 
Sziasztok!
Van egy elvetemült ötletem!
Árultam régebben a JBL GT5-12-es hangszóróimat, de senkinek nem kellettek, és most jött a nagy ötlet...
Gyári méret, 28l-es zárt láda rétegelt lemezből, Lorylaci féle "D" osztályú végfok 400W/4ohm-ra, kapcsüzemű táp (600W 2x63V), csöves előfok, és hangszín!
Viszont, van egy kis gond az ötlettel, a hangszóró elvi felső határfrekvenciája 450Hz, jó az még bass gitárhoz?

Pityu
(#) szendi001 válasza EcoPityu hozzászólására (») Nov 24, 2011 /
 
A doksija alapján össze kell hasonlítani a frekvencia menetet egy jó gitár hangszóró azonos paraméterével. Szólni fog, de lehet hogy kell hozzá egy másik kisebb hangszóró, és egy egyedi váltó. Egy próbát mindenképpen megér! Szerintem nem kell neki akkor power. Kínáld meg egy Quaddal és akkor túléli a próbát...
(#) mark.budai válasza EcoPityu hozzászólására (») Nov 25, 2011 /
 
Szia! A basszgitár E húrja 41Hz-en "zörög" A 4 húros, 22 bundos gityó pont 2 oktáva képes, de ugye vannak a 24 bundosok is, végülis sokat nem számít. Azt meg elfelejtettem, hogy kell kiszámolni az oktávok közti frekvencia különbséget.
Végülis egyszerű, mert a G húr a 2. fekvésben ugyan ott szól, mint a szólógitár A húrja, szóval 440Hz. Úgyhogy én is azt mondom, hogy kell még egy kisebb hangszóró, hangváltóval, mert ennek ide alacsony a felső frekije.
(#) Bassmester válasza EcoPityu hozzászólására (») Nov 25, 2011 /
 
Nem arra való, szerintem próbálkozni sem érdemes vele.
Bassgitárhoz Eminence Beta 10A, Beta 12A, Delta 15 LFA hangszórókkal érhetsz el nagyon jó eredményt.
Ezek az autós hangszórók csak lengenek, "lihegnek", de a bassgitár hangját képtelenek elfogadhatóan visszaadni.
Ezek a hangszórók inkább a hangszer "testhangjait" szólaltatják meg, amikor hozzáérsz a húrhoz, egy lábdob szerű dörrenést hallat, meg ilyesmi
(#) Bassmester válasza mark.budai hozzászólására (») Nov 25, 2011 /
 
A 4 húros azért egy picit többet tud 2 oktávnál, a 24 bundos pedig egy húron tudja a 2 oktávot
Egy oktáv emelkedés az pont a frekvencia duplázását jelenti,
tehát az 55 Hz-es "A"-húr oktávnál (12.bund) lefogva 110 Hz-en rezeg, persze egy rakás felharmónikussal színezve.
(#) mark.budai válasza Bassmester hozzászólására (») Nov 25, 2011 /
 
Tényleg, elnézést még reggel volt. Igen, igaz, most már eszembe jutott.
Na de akkor mennyi? E húr üresen, D a másodikban, a második oktáv akkor a G húron a 9. fekvésben van. Téényleg.
(#) Zoltan.ms hozzászólása Dec 1, 2011 /
 
Kedves zenész és elektro kollégák.
Basszusgitár erősítőt építek éppen, (kipróbáltam már az Albert Kreuzer féle kapcsolást de nagyon zajos volt és állandóan elszálltak a fetek benne...ezért most összeraktam egy részben saját kapcsolást) de lenne egy kérdésem hozzátok.
Az előfok és hangszínszabályzó modul már készen van NE552 IC-kkel lett elkészítve és tényleg szépen zajtalanul működik is, de nagyon kevés a magas hang.
Hiába a magas szabályzó és egyebek sokkal tompábban szól mint a gyári Behringer BX300-as kombóm.
A bemeneten található kondira (rögtön az első kondi) gyanakszom, milyen kondit kell itt alkalmazni?
Láttam 10nF-10µF-ig kapcsolásokat....mitől függ, hogy mekkora ez a kondi?
Vagy lehet más oka ennek a tompa hangzásnak?
(#) Bassmester válasza Zoltan.ms hozzászólására (») Dec 1, 2011 /
 
Mielőtt nekiesnél, azért mérj egy átvitelt. Egyébként milyen hangszóróval használod? A bemenettel soros csatolókondi nem csillapítja a magas átvitelt.
A hangszín szabályzó kapcsolását kéne mellékelned, szerintem ott keresendő a hiba.
A Kreuzer előfok pedig az eredeti formájában felejtős, a nyákja is egy katasztrófa.
(#) Zoltan.ms válasza Bassmester hozzászólására (») Dec 3, 2011 /
 
Szia, az az érdekes, hogy van benne egy keverő amivel külső vonalszintű audio is rákeverhető és abban meg van magas, pedig ugyanazon az áramkörön halad keresztül a jel....
mellékelem a komponenesek rajzát...
(#) Zoltan.ms válasza (Felhasználó 13571) hozzászólására (») Dec 3, 2011 /
 
Szia,
A kapcsolás úgy épül fel, hogy a gitár jel bemegy a keverő mic csatornájába itt van egy gain 5x erősítéssel, aztán a vonal jelet is rákeveri és a második ic is 5x erősítéssel van beállítva (a vonal jel persze előtte le van gyengítve)
így a kimeneten 500 mV jön le
aztán bemegy a hangszínszabályzóba, ott a közép 6 tartományban állítható egy forgó kapcsolóval
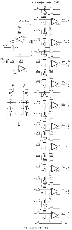
majd bemegy a jel a 10 band eq-ból 3 megépített csatornába
extra bass 120 Hz +10 dB
extra high 4 KHz +10 dB
bass cut 60 Hz -10 dB
ezek persze ki és bekapcsolható funkciók
az eq is kikapcsolható teljesen.
Kimeneti jelszint 650 -900 mV
eq off állásban 500 mV
mégsincs a gitáron magas tökre tompa a hangja a line in jelnek (legyen az bármilyen zene) meg nem ott csilingel a magas ahogy kell pedig ugyanazon az áramkörön halad át mindkét jel....
Először a TL072-t próbáltam de zajos volt most az NE5532 van benne mindenhol és sokkal jobb zajtalan a hangja mégis tompa....
(#) Bassmester válasza Zoltan.ms hozzászólására (») Dec 3, 2011 /
 
Aktív, vagy passzív basszus gitárod van? Mekkora az erősítőd bemeneti impedanciája? Nincs nagyon beterhelve a hangszer? Ha ez a gond, akkor csinálj egy szimpla J-fetes (pl.: J201, BF245...) buffert a gitár-bemenetre.
(#) Zoltan.ms válasza Bassmester hozzászólására (») Dec 4, 2011 /
 
Szia, passzív gitárom van, a jelszintje 15-25 mV.
A végfok még nincs beépítve majd egy hidalt TDA7294 lesz (200W)
most csak egy aktív studio hangfalpár bemenetére csatlakoztam rá az előfokkal.
A bf245-tel én már nagyon megszenvedtem mert az albertkreuzer panelban vagy 3 szériát kicseréltem, vagy tönkrement vagy olyan zaja volt, hogy használhatatlan volt.
Azt mondod, hogy a bemeneti soros kondinak nincs szerepe?
miért van, hogy a hangszererősítőknél ez pár nano, a hifi előfokonál meg pár mikro?
valami különbség csak lehet ezt figyelembe véve...
(#) Bassmester válasza Zoltan.ms hozzászólására (») Dec 4, 2011 /
 
A 15-25 mV-os jelszint az igen gyenge! Kb a tízszerese lenne az optimális. Ezt a kimenőjelet terhelve mérted? Milyen gitárról van szó? Hány kOhm-os potik vannak benne?
A Kreuzer panel az egy szutyok... zajos, gerjed, "sziszegős" hangja van. A BF 245 ettől függetlenül egy jó hangú fet.
A bemeneti soros kondi méretezésénél az impedancia illesztést is figyelembe kell venni, 1 MOhm-ra bőven elég 100n, 10kOhm-ra a 2,2µF sem sok, de ez inkább a mély-átvitelt érinti, nem a magasat.
(#) Zoltan.ms válasza (Felhasználó 13571) hozzászólására (») Dec 8, 2011 /
 
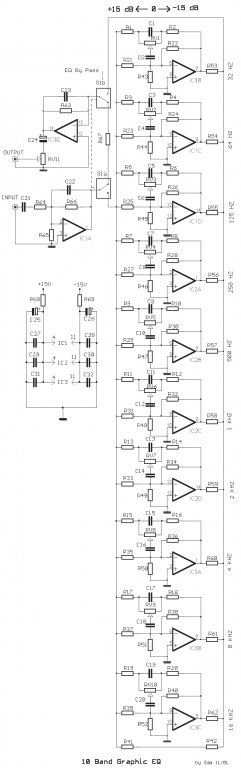
Szia Zoli, a tízsávos eq-ból csak két sáv van megépítve egy extra mély és egy extra magas pont azon a frekin ahol a háromsávos hangszínszabályzóban "árok" van. (a freki illesztéseknél)125 Hz és 4 KHz
ez egy ultra bass meg egy ultra high....
Mi a baj a BSS elektronikás szabályzóval?
A vonalszintű audio jelet (pl.MP3 zene)szépen szabályozza....
mit javasolsz változtatásnak?
(#) Zoltan.ms válasza Bassmester hozzászólására (») Dec 8, 2011 /
 
szia Bassmester.
először is köszi, hogy foglalkozol velem....
A gitárom stagg BC-300.
Tudom, hogy alapgitár de mégis jó.
A jelszintet csak simán digi műszerrel mértem a gitárból kijövő kábel végén (AC)
A potikat nem tudom, mert nem szedtem még szét a gitárt....
A Kreuzer panel nekem is szinte miden hangot adott ki csak a basszusgitár hangját nem.
Gerjedt, brummos volt, sziszegezz, zúgott....
a fetek meg midig kimentek benne a tesztelgetések közben, megúntam és kihajítottam az ablakon...
Szerintem az NE5532 jobb mint a TL072 és a neten keresgélve a nagytöbbség szerint is így van...
csak kell köré egy jó kis kapcsolás....
egyébként a magasak nekem a slap technikához hiányoznak, olyan érces és tiszta magas kellene.
Egyébként megvettem a VOX amplug bass-kis füles erősítőt is ami tényleg profi technika és teljes egészében fetes, valamint elemről megy így a táp zavarok kizárva..és abban ugyanúgy nincs magas mint abban amit én század annyi tudással építettem.....
Pedig ott nem egy mérnök dolgozott a terveken...
mondjuk azt írják, hogy a vox csöves erősítőjét szimulálja, de ettől még nem kéne tompa hangúnak lennie nem?
(#) mark.budai hozzászólása Dec 10, 2011 /
 
Sziasztok! Egy gyors kérdésem lenne nekem is! Méghozzá az, hogy a kreuzer-féle előfoknak mekkora fesz kell, mekkora áram mellett? 2x12V? Ha ezt kis trafóról táplálnám, és a végfok (TDA7294) kapcsitápról menne, nem lenne nagy gond? Ja meg hogy stabilizáljam-e, mert akkor teszek neki egy 78- és egy 7912-es stabkockát.
(#) Zoltan.ms válasza mark.budai hozzászólására (») Dec 10, 2011 /
 
hali, az előfoknak stabil +-15Volt kell az áramfelvétele minimális...
a stabi ic-t szűrd meg a bemeneten 100n a kimeneten meg 10 µF -dal.
sok szerencsét a Kreuzerhez...nem nagyon működött eddig még senkinek rendesen....
a két trafó meg biztos össze fog gerjedni valahogy vagy valami zavar megjelenik majd az áramkörben emiatt, a kreuzer különösen érzékeny az ilyenekre.
Következő: »»   17 / 23
Bejelentkezés

Belépés

Hirdetés
XDT.hu
Az oldalon sütiket használunk a helyes működéshez. Bővebb információt az adatvédelmi szabályzatban olvashatsz. Megértettem