Fórum témák
» Több friss téma |
Fórum » Szimmetrikus előerősítő
Témaindító: Thomas10100, idő: Feb 5, 2006
Témakörök:
Sziasztok!
Lenne pár kérdésem! Miért van az ha a laptopomat rákötöm egy erősítőre, akkor abban lehet hallani minden zaját a gépnek(hűtőventillátor, HDD, )? Az erősítőn hangszínszabályozós előerősítő van. Valaki azt a tanácsot adta hogy építsek egy szimmetrikus előerősítőt, de nincs rajzom róla semmi(mély és magas kiemelős kellene!). Valaki olyat is mondott hogy egy kondit kell az előerősítő bemeneti testje és laptop kimeneti testje közé tenni, de milyet, és ez jó lenne? És még van az a földhurok, az mi, valaki tudná szemléltetni egy rajzon, vagy mi is ez? Ha kell fel tudom rakni az erősítő kapcsolási rajzát, ha ezt át lehetne alakitani! Köszönöm!
Hello!
Ha tényleg a szimmetrikuselőerősítő a megoldás, akkor itt van két kapcsolás is. Egyébként ezt én is észrevettem. Sokszor az is belezavar a hangkártyába ha pl a böngészőben az ablakot görgetem...
Had kérdezzem meg, miről lehet megkülönböztetni egy szimmetrikus és egy nem szimmetrikus előfokot? Rajzot tudnátok küldeni a két példára? Úgy biztos észrevenném a különbséget.
Azért, mert a laptopokba minden össze van gyömöszölve, és többnyire egy ipari hulladék az integrált hangkari.
Kondit a földbe? Jujj, elszabadul az erősítőd bemeneti impedanciája, és mégtöbb xart összeszed. Van egy olyan, hogy DI-BOX. Ez tulképpen egy hangfrekvenciás transzformátor, sok helyen használják, de laptophoz én még senkit nem hallottam, hogy használt volna. Lehet próbálkozni, de asszem a megoldás egy külső hangkari lesz. Kiadták az SB Live!-ot USB-s külsőben - olyan 11-12e.
Jó és kocsiban az erősítőben hogy van megoldva? mert ezt az erősítőt megpróbáltam egy kapcsolóüzemű táppal és ott meg a generátor zaját hallom!
Hű-ha, akkor az előerősítőd bemenetével van vmi gond.
Csak próbaképpen köss az erősítőd bemenetére egy 470 kiloOhmos ellenállást párhuzamosan.
Attól hogy laptop még jó a hangkártyája, ha például a HI-FI-re kötöm akkor semmi zaj és szépen szól. Azt tudom hogy az előerősítő miatt nem jó, hisz ez van az első hozzászólásomban hogy ezt hogyan lehet megcsinálni, de egyszerre azt mondtad hogy a hangkártya a sz*r!
Az ellenállást holnap kipróbálom! Amúgy köszi!
Egyébként nagyon zavaróan belehallatszanak ezek a hangok a bemeneti jelbe?
Az én gépemen is tapasztalok ilyet, de nem zavar, mert havonta egyszer ha használom MSN-hez a mikrofonbemenetet.
Jóvanna!
Azti írtad: "egy erősítőre" - ebből én nem tudtam, hogy házi építésű, és azt sem, hogy másik erősítővel nem csinálja, így első körben a laptopra gondoltam, mert azt mégiscsak speakerre meg fülestre csinálták.
Jó igazad van bocsi!
...volt egy kis aférom egy Pioneer kövület autóserősítővel:
szépen szólt addig míg az autó mocija nem jár,nem indexeltünk, nem fújjatuk a levegőt a ventivel,vagy a fán nem nem kezdett csicsergeni a madár.........1szóval minden belehallatszódott!! Ez 1 évig nagy fejtörést okozott,de +oldás nem született(én meg égtem,mint.....)Miután a tököm a hócipőm, és egyébb nagytérfogatú tárolóeszközök +teltek,szétkaptam az aranyost! A gond abbból adódott hogy a táp GND és a jel GND össze volt kötve,következett a nyákdarabolás..... Lényeg az, hogy a táptrafó primér és szekunder tekercseinek földpontja még véletlenül se legyenek összekötve!!!!! És remélhetőleg nem lesz vele gond!
Köszi megpróbálom
Na mizu, megszűnt a zavar?
Hát a táp földje összevan kötve a bemenő jel(laptop jele) földjével, ha erre gondolsz?! De ha leveszem a bemenő jel földjét, akkor meg begerjed az erősítő(gondolom az előfok miatt).
Így gondoltad a próbát vagy nem? Köszi a tippet!
Magyarul a hangkártyád túl nagy jelet szolgáltat az előerősítőd számára és lejjeb van véve a csúszka a gépen hogy ne vezérelje túl.Jól sejtem?
A hangszínszabályzós előerősítőd viszont nagyon érzékeny.Jól sejtem? Ha igen mehetünk tovább!
Igen ahogy mondod! Miattam irj csak én észreveszem egyből!
Köszi!
Nos akkor jön a jóöreg bemenetiosztós megoldás.
Illetve nemtudom az erősítő bemenetén milyen csatlakozásod van lécci mond el és mondom mit tegyél.Ja és milyen kábelt használsz?
....hát NEM !!!
először tudnál valami rajzot küldeni az erősítő vezetékeléséről,esetleg kapcsolási rajzot is???
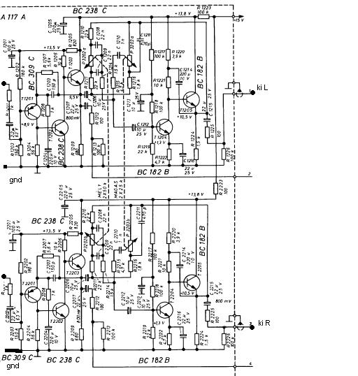
Kapcsolási rajzot tudok küldeni! Elég az előfok csak ugye? Árnyékolt kábelt használok!
Ez lenne az előerősítő!
Az EGÉSZ kéne,
és a táppal, és a végfokkal való vezetékelés érdekelne főleg(vázlat, leírás mi mihez van kötve...)!
Szerintem tegyél be egy potit az erősítő és a gép közé és allítsd be azt a pontot ahol nem vezérli túl.
Utánna ki lehet mérni és ellenálásokkal helyettesíteni.Majd a poti közepéről majdan ellenálások közepéről egy kondit lehetőleg kerámiát pár pikósat a testre kell kötni.Nekem ez megoldotta. De ha gondolod lerajzolom.
Ok légyszi rajzold le
Így ni !
Az értékeket ne nézd, hirtelen dobáltam össze a dolgot. Potiból olyan 50K-sat, kondiból meg egy pár tíz-száz piko-sat tegyél bele.
Köszi!
Még valami mivel lehet a Tina progiban állítani a potenciómétert?
Passz nem próbálgattam ilyesmit.
Én gyakorlatban szoktam kipróbálni az ilyeneket.
tulajdonságok,érték alatt beálítás(eredetileg50%)1-99 %-ig
Helló!
Jó lett, nincs HDD katogás semmi, csak egy enyhe zaj! Köszi mégegyszer!
Egy olyan kérdésem lenne, hogy nemsokára lesz egy olyan hangkártyám, amin van balanced és unbalanced csatlakozó is.
Nem igazán vágom, hogy mi a különbség a kettő között, de ha jól tudom, a sima RCA-s csatlakozás az unbalanced. A megépített erősítőmet RCA-val lenne a legkézenfekvőbb összekötni a hangkártyával, de nem lenne érdemes a balanced kimenetet használni, ha már van? Milyen módosításokat kéne csinálnom, hogy azt lehessen használni? Van egyáltalán előnye? Köszi!
A balanced a szimmetrikus jel fogadását takarja.
Az az előnye, hogy ha egy 80méteres vezetéken át akarsz eljuttatni kb 30mV-ot a gépedből az erősítőre akkor az mindenféle sz.rt összeszed és a zajod jóval több lesz a kész jelben mint a hasznos info. Ennek elkerülésére alkalmazzuk a szimmetrikus csatlakozót(szimmetrikus erősítővel, lehetőleg trafós bemenettel), ugyanis, ha a jel megérkezik a trafóra, a zaj nagyrésze, sőt inkább kb teljes egésze eltűnik(tehát a szekunder tekercsen már nem jelenik meg egy 50Hz-es brumm zaj), pláne ha ezután még megy a szimmetrikus előerősítő, ami szintén szűri. na most máskérdés, hogy ezután a jelet hogy alakítod aszimmetrikusba úgy, hogy használni is tudd.... Ha nem akarod sok tíz méteren át vezetékelni a cuccodat, akkor használd az unbalancedet. de jó minőségű árnyékolt vezetéket használj hozzá! |
Bejelentkezés
Hirdetés |








