Fórum témák
» Több friss téma |
Fórum » B5 és B8 végerősítő
Csináltam egy mórickarajzot, remélem érthető.
Bővebben: Link A tápja graetz->470uf->7812, hogy jó gyorsan elejtsen a relé kikapcsoláskor. (bár ennél a végfoknál egyáltalán nincsen semmiféle tranziens be és kikapcsoláskor)
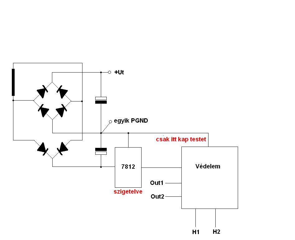
Az erősítőd tápja 4 négy független egyenirányító kockát tartalmaz és egy ötödik a tápot szolgálja ki. Ha ebben az állításban megerősítesz, akkor lerajzolom az elképzelésemet.
Igen, mindkét végfok tápja két graetz kockás. (tehát két független szekunder van a trafókon)
Azon a tápnegyeden amiről a védelem megy csak ennyit lehet könnyíteni. Ha negatív felé is egyenirányítasz az egy másik potenciálra kerül.
Megpróbálom holnap.
Ennél a megoldásnál attól tartok, hogy lehet a két föld között akkora potenciál különbség, hogy beindul a védelem. De majd mielőtt elkezdem összerakni, meg lesz mérve. Meg majd beteszem a 10 ohmokat is. (eléggé parázok akár ha egy percre is itthagyom az erősítőt védelem nélkül, ebben a két órában amióta üzemel, még nem nagyon bizonyította, hogy nem lövi el a preludiumjaimat )
A védelem kapcsolási küszöbét 1V-ra becsülöm, annyi nem eshet a test vezetéken.
A fennmaradó 2db 10 ohm ellenállást kösd sorba a hangsugárzókkal amíg kísérletezel Továbbra is javaslom, hogy csatornánként legyen külön védelem.
A külön védelem majd talán egyszer megvalósul.
Kísérletezéshez csakis egy szakadt tesla hangszórót használok, még amikor az első végfokomat építettem majdnem kinyírtam a dobozaimat.. Valahogy úgy 1V körül kapcsolhat, még régebben 1,2V-os AA akksival lekapcsolt. És nagyon köszönöm, hogy segíted a zöldfülű szakbarbárt
Összedobtam, működik tökéletesen!
Ezer hálám mester!
Sziasztok! Ma próbálgattam éleszteni az Alkotó féle paneleket, az egyik nagyon szépen be is állt 30 mV-ot mértem az ellenállás lábain, a kimeneten meg 2-3 mV-ot mindössze, bár a műszerem nem egy kifinomult darab. De sajnos a második panel indítása során az ellenálláson eső feszültség szinte egyből túlmegy a műszer 200 mV-os méréshatárán, és a negatív tápágban lévő biztosíték helyére a KD mester tanácsai alapján betett 10 Ohm/1W-os ellenállás izzani kezd. A pozitív oldalon viszont nem látok gondot, ott nem füstöl az ellenállás. (trimmerek természetesen az indításhoz javasoltak szerint, vezetősávok közötti zárlatot sem tapasztaltam, az alkatrészek ránézésre teljesen azonosnak tűnnek)
Van valami metódus, ami alapján ki tudom szűrni, hogy mi lehet a gond? Közben felelevenítettem kicsit az elektrotechnikai ismereteimet, és elkezdtem méregetni a tranzisztorok lábait a műszerem diódavizsgáló funkcióival (sajnos tranzisztor vizsgáló funkció nincs az olcsó kis multiméteremen) az alábbi értékeket mértem ( a mérés során mindkét lábat mindkét irányban megmértem, a rossz oldal a nem működő panelt jelenti): MJL21194 rossz oldal: B-C 236;236 jó oldal: szakadás; 517 rossz oldal: C-E 238;238 jó oldal: 536;szakadás TIP127 rossz oldal: B-C 015;005 jó oldal: szakadás;767 rossz oldal: C-E 228;228 jó oldal: 529;szakadás BD139 rossz oldal: E-C 922 1220 jó oldal: 978 1600 rossz oldal: C-B 622 1400 jó oldal: 641 1330 A többi tranzisztor adatainak közlésétől eltekintenék, mert teljesen hasonló értékek jöttek ki (beleértve a BC és MPSA tranzisztorokat is). Ezek az értékek a panelbe beforrasztva értendőek, nem tudom, hogy valaki megy-e valamire velük ebben a formában. Úgy nézem, hogy az MJL21194 meg a TIP127 jó eséllyel elszállt, ha beteszek helyettük egy-egy újat, nem fog-e elszállni ismételten valami? Mit kell még esetlegesen ellenőriznem? Hátha van itt valaki, aki jobban ismeri ennek a szerkezetnek a lelkivilágát Köszönöm szépen előre is a segítséget!
Szia! Az MJL és a TIP tranzisztorok a mérés alapján rossznak tűnnek, kiforrasztva is megvizsgálnám őket.
Mint írod, a negatív tápágban biztonsági célból elhelyezett ellenállás izzott. Azt csak gondolom - remélem joggal - a pozitív tápban is volt ellenállás, és az nem melegedett. Ebből a hipotézisből kiindulva, a negatív táp árama a test felé folyt. Ennek legegyszerűbb kiváltó oka a végtranzisztor és a hűtőborda közötti átvezetés, vagy zárlat a nyomtatott áramkörön. A mérőeszközöd szakadásvizsgálójával utána tudsz járni.
Természetesen a pozitív tápágban is volt ellenállás, és az nem izzott. A hűtőbordától való elszigetelést ellenőriztem, nem tapasztaltam átvezetést. A panelen sem látok zárlatot. Olyan lehet, hogy mondjuk az egyik tranzisztor már gyárilag is hibás volt, és ez vitte el magával a másikat is? Esetleg a forrasztás közben megfőztem? Bár a hűtőre felrögzítve történt a művelet, tőlem telhető legrövidebb ideig.
A 10 ohm -os ellenállás rövid idő alatt nem tud kárt tenni a tranzisztorban
A leleményességeden múlik, hogy megállapítsd a negatív tápból merre folyt az áram. Az tudható, hogy a 0,33 ohm-on áthaladt. Erre tippeltem MJL21193 kollektor-földelt hűtőborda zárlatot.A kimenet szabadon van? A testhez képest mérve mutatkozik ellenállás?
Teljesen szabadon van a rossz panelen is, meg a működőn is (remélem ezt a tápfeszültség ráadása nélkül kell mérnem, mert úgy van teljes szakadás a kimenet és a föld között). Abban szinte 100%-ig biztos vagyok, hogy a Tip127 meg az MJL21194 elszállt az örök vadászmezőkre, inkább az lenne a kérdésem, bár tudom, hogy erre látatlanban nem lehet válaszolni, hogy ha ezek helyett újat teszek be, akkor vajon ismét ugyanez fog-e történni? nem fordulhat-e elő, hogy valamelyik passzív alkatrész hibája okozta a tranzisztorok halálát? ha lesz egy kis kedvem, lehet, hogy a jó oldal két tranzisztorát átforrasztom a másik panelre és rápróbálok, vesszen, aminek vesznie kell...
Köszönöm, hogy foglalkozol az ügyemmel!
Ha egyszerűen csak zárlatos végtranzisztorod volna akkor a másik 10 ohm-os ellenállásnak is kutya kötelessége lett volna felhevülni. A kiforrasztott hibásnak vélt tranzisztorok segítenek a hiba feltárásában. A TIP127 darlington furcsán fog viselkedni a tokon belüli egyéb alkatrészek miatt, de zárlat nem lehet a lábak egyike között sem. (A jó oldalt nem macerálnám).
Köszönöm a segítséget, innentől azt hiszem, hogy csak a szétszedéses vizsgálat marad, szerencsére találtam egy ismerőst, akinek van némi affinitása a dologhoz.
Ha minden ellenállás és forrasztás szigetelés jó, akkor lemérném a trimmereket és a négy diódát, mielőtt beülteted az új alkatrészeket.
Sziasztok,
nem nagyon vagyok profi az elméleti hátterében a témának, ezért kérném a ti segítségetek. Én B5 erősítő ALKOTÓ3 verzióját építem meg, mekkora az a tekercs, ami még beleépíthető, úgy, hogy a többi részén ne kelljen semmi változtatást végrehajtanom? Úgy gondoltam, ha már építek szeretném a maximumot kihozni a szerkezetből. 300VA 2x28V-ot olvastam, ennél nagyobb beletehető még, úgy hogy ne legyen túlerőltetve a szerkezet? Előre is köszi.
Szia! Olvasd el.
Szia, koszi a linket nagy segitseg volt. En azt hittem, h a teljesitmeny (VA) novelesevel fog noni az RMS teljesitmeny is, de akkor ez csak vonzatos dolog ha jol gondolom es a feszultseggel kene jatszanom.
Tehat akkor 45V-ot kene az erositonek biztositanom. Amit alkoto csinalt rajz ott ugy van, h a tekercs 28V add le es a diodhid, kondenzatorok utan 36V megy az erositore, ha tehat en itt 45V szeretnek akkor siman 37V os kivezetesu tekercset bekotok es meg is lesz a 45V? De gondolom ez azert nem ilyen egyszeru. Hozaertes nelkul logikaztam ki paraszti esszel. Tudnal ebben segiteni h ez h is megy, mert latom te azert profi vagy a temaban. Elore is koszi.
Üdv! A profizmustól nagyon messze állok, inkább józan tanácsokból állítok össze egy csokorra valót.
Mondanivalóm lényege: az ajánlott +/-36V tápfeszültségtől ne térj el lényegesen. Először is azért, mert - ha jól értelek - növelni szeretnéd. Annak semmi értelme. Ez az erősítő nem hangosítási, bulizási célú. A drága (esetleg párba válogatott) végtranzisztorokat, és a megfelelő működéshez szükséges gondos beállításokat nem tenném ki ilyen kalandnak. Lakásban - hangulattól, zenei anyagtól, hangsugárzó érzékenységtől függően - 2-től 10W-ig szokás az erősítőt járatni. Ehhez bőséges dinamika tartalék áll rendelkezésre. Egyszer-kétszer feltekeri az ember a hangerőt, de tartósan 50W feletti teljesítményre felesleges berendezkedni. Az ajánlott tápfeszültséggel és nyugalmi árammal is annyi hőt adnak le a hűtőbordák, hogy komolyan fel kell készülj az elvezetésére. A kapcsolás nagyjelű erősítője elég bonyolult, minden-mindennel összefüggő áramkör. Látszólag valóban elég a módosításhoz a Zener-diódák előtétjét átméretezni, de a nagyobb amplitúdójú jelek előállítása hozhat nemvárt meglepetéseket. A járt utat nem hagynám el...
Szuper, koszi tenyleg a jo tanacsokat. Abszolut nem hangositasra akarom hasznalni. Csak hogy itthon legyen egy jo kis cucc amit esetleges kertipartikon meg lehet szolaltatni. Meg persze a lenyeg, h butykolgethessek. Es a 300VA rol mit gondolsz, azon erdemes novelni vagy azzal se kockaztassak?
A transzformátor teljesítményének növelése lényegesen nem javít az erősítőn, viszont apasztja a pénztárcádat. 8ohm-os hangsugárzókhoz 200VA-t, 4-ohmoshoz 300VA-t ajánlok.
Egyetlen ok talán, a vastagabb huzalátmérőből adódó belső ellenállás csökkenés.
De új őrület is kezd hódítani, leválasztó transzformátort tesznek az erősítő elé, amitől állítólag javul a hang. És nem kis pénzeket akasztanak egy ilyen szépen bedobozolt toroidért.
Na meg is rendeltem, 2x28V; 300A.
Köszönöm a segítséget.
Azt hittem, most egy darabig nem kell kérdeznem, de csak nem tartott sokáig.
Alkatrészlista összeállítását végzem. És a mellékelt kapcsolási rajzon (000.pdf) az R21 és R22 ellenállás jelben középen van két merőleges vonal az pontosan mit is jelent? Meg a védelemnél az RT1 milyen legyen pontosan, mert ott DC24V és R>500ohm van megadva, de ahogy nézegettem ilyenből rengeteg féle van a 600Ft-10.000Ft milyen pontos típusút érdemes választani? Előre is köszönöm megint a fejtágítást.
Az ellenálláson a két vonal 2W-ot jelent. A relét nem ismerem.
Ha még nem késő, inkább 4db 28V-os tekercset kérj a trafóra, mert így az oldalakat el tudod különíteni GND szempontból.
Ez még nem biztos, hogy feláras, de ha az, akkor is megért vagy 5% felárat.
Tehat 4x28V, 300VA Toroid transzformator. Meg vmit mondjak rola vagy igy mar tudni fogjak? Mert elvileg ahol megcsinaltatom az nem elektronikai uzlet, hanem motortekercselo uzem.
|
Bejelentkezés
Hirdetés |






)





