Fórum témák
» Több friss téma |
Fórum » FIAT elektromos hiba
Témaindító: Peti.Janka, idő: Máj 11, 2007
Témakörök:
Üdv én is birtoklok egy Tipót az 1év alatt az összes felelhetö hiba elö jött nem a trafo lesz a baj szerintem hanem a gyujtásvezérlő elektronika nekem már a harmadik van benne tégy probát utánna néztem és ez az alkatrész nagyon kényes mindenre.
Szia! A dátumot is tessék megnézni, hogy mire válaszoltál!
Üdvözletem érdekesen olvasgatom az elektromos problémákat nekem is van egy olasz csodám Tipó 1éve van nálam az egy év alatt az összes elektromos hiba elöjött rajta mindent átnézettem a gyenge pontja a gyujtásvezérlö elektronika nem nagy összeg 3000töl 6000ig lehet kapni én is igy jártam töbször is ahogy ön.
Hello!
Itt általában nem szoktunk magázódni, hacsak valaki ki nem kéri magának, mert akkor természetesen tiszteletben tartjuk az ego-ját. Biztos, hogy az összes? Talán maradt még... Úgy tapasztaltam, hogy az elektromos csatlakozások talán a leggyengébbek. Az, hogy elkopott a szénkefe, meghibásodott a dióda stb. melyik tizen éves autónál nem fordul elő? A Fiat-ot csak vasárnaponként használom, egyébként Opellel járok. Abban van pl. ABS, meg computer.... A harmadik szerelőtől jön úgy el úgy, hogy nem tudja megcsinálni! "Computert kell benne cserélni" mondta a legbutább, aki kínjába valami olyat akar mondani, amire biztos, hogy NEM lesz a válaszom. Meggyőződésem (a hiba jellege alapján), hogy az is kontakt hiba. Most ezek után panaszkodjak a Fiat-ra..? ![]() Egyébként az enyémben, a gyújtásvezérlő elektronika, még az eredeti.
Üdv.1.6 IE Temprám van.Nincs szikrám.Az öninditó forgat rendesen.Amit megnéztem,ugy,hogy átraktam egy működő unoba:
Elosztófedél,kábelek. Trafó. vezérlő egység. gyujtáskapcsoló A másik autó minden alkatrésszel beindult.Merre induljak tovább?A biztositéktáblán van olyan relé esetleg aminek köze van a gyujtáshoz?
Gyújtás jeladó? ... de főleg az ő kábele és csatlakozója?
Ha az az ami a lendkeréktől jön akkor azt néztem._A kábel meg a csatlakozó az rendben van._A lendkeréken lévő ellendarabot nem látni._Esetleg ki lehet mérni a kábelt?
Így azért szebb/magyarosabb, nem? Frankye
Igen, arra gondoltam. Sajnos nem tudom, hogyan lehet ellenőrizni, egyetlen szervizkönyvben sem találtam rá utalást. Viszont engem több, mint egy évig szivatott ez a csatlakozó úgy, hogy teljesen váratlanul egyszercsak nem indult a motor. De ez előfordult télen, nyáron, hideg motornál és melegnél egyaránt. Teljesen sztohasztikusan. Végignéztem már mindent, amit Te is, de csak nem javult a helyzet. Végül széthúztam a jeladótól jövő csatlakozót, megküldtem kontakt spray-el és azóta (el ne kiabáljam) ezzel nincs gond.
Egy srácnak már szintén sikerült így megjavítania a kocsit. Küldtem neki fényképet, hogy hol találja a csatit. Neked nem kell fénykép, mert tudod hol van ( a lendkeréktől jövő kábel csatlakozója, mielőtt belemegy a kábelkorbácsba...).
Kontakt spray már elment egy fél flakonnal.Mindent befujok amit széthúzok.A jeladó elgondolkodtatott,mivel a kuplungom vacakol egy ideje.Sajnos nem tudom,hogy a lendkeréken hol helyezkedik el,és esetleg valami kuplungszerkezet hiba nem tudja-e tönkretenni.A másik dolog:A bizti táblán nincs valami relé,vagy bármi ami esetleg letilthat?
A jeladó nem a lendkeréken van, hanem közvetlenül mellette, a blokk egyik furatában. A lendkeréken lévő bábu indukál benne feszültséget (hacsak nem Hall cellás; nem tudom). Az érzékelő, a kuplungszerkezeten kívül van. Majdnem lehetetlennek tartom, hogy kárt tett vona benne. Mondom: majdnem.
Akkor még egy kizárva.Az az érdekes,hogy amikor ráadom a gyujtást a gyertya egyet szikrázik,(jól meg is rázott)de utánna semmi.A trafó pozitiv ágára bemegy az áram és a másik oldalon is megjelenik.Ugyanugy mint a másik működő autón.
Idézet: „,(jól meg is rázott)de utánna semmi.” Na, ez jó hír. Legalább tudjuk, hogy a trafó jó. Az elektronika végerősítő része jó. De mi (hol) rázott meg? A kábel elvileg nem rázhatna. Már többször rákérdeztél a relé dologra: szerintem nincs benne ilyen. Az érzékelő közvetlenül a gyújtóegység 4-5 pontjára megy. Ha adsz egy címet, és kéred, elküldöm az elektromos kapcs. rajzokat. Közel az összes TIPO benne van. (az ugye gyakorlatilag megegyezika Temprával). Itt induktív jeladóként ábrázolják a felső holtpont érzékelőt.
A gyertya rázott meg.Azon matattam miközben a fiam gyujtást adott.Az e-mail cimem az adatlapomon van.Nagyon megköszönném a rajzokat,mert már többször lett volna szükségem rá.
Egy másik fórumon irták,hogy a fülkében a jobb egynél is kellene lennie valami vezérlőegységnek.Tudsz erről valamit?Arra nem nagyon keresgéltem még mert ott a fűtésnek valami cuccát láttam.
Nem tudok róla. Az enyém nem injektros, nem computeres, nem katalizátoras, nem.... Amikor használt kocsit kerestem, nagyon vigyáztam rá, hogy ne legyen benne semmi elektronika, mert az nagyon veszéles dolog.
Az a probléma újnál nincs ilyen választási lehetőség. :no:
Nem hiába van az autóm hátuljában a tábla:
"No injector, no ABS, no computer, NO PARA!"
[OFF]Tényleg? Vagy csak vicc? Merthogy nem látom a smile jelet...
Egyébként ha ez igaz, akkor nagyon egyre jár az agyunk. Az én Fiatomból egy valami hiányzik, de nagyon: a szervó kormány.
Igazság szerint az enyémben sem sok az elektronika: Az indításgátló (FIAT Code), meg a szervó kormány talán a legtöbb benne. Meg a rádió.
De a tábla valóban ott van. Majd teszek fel képet, ha érdekel.
Az enyém is 91-es gép.Nincs inditásgátló sem.De igy is annyi,szerintem felesleges kütyü van benne.Na ma még nekiugrottam egyszer,de csak a felesleges köröket róttam.Marad egy autóvillamossági szakember felhivása.
A kapcsolási rajzokat megkaptad? 1/2 11-kor elküldtem.
Megkaptam.Köszönöm.
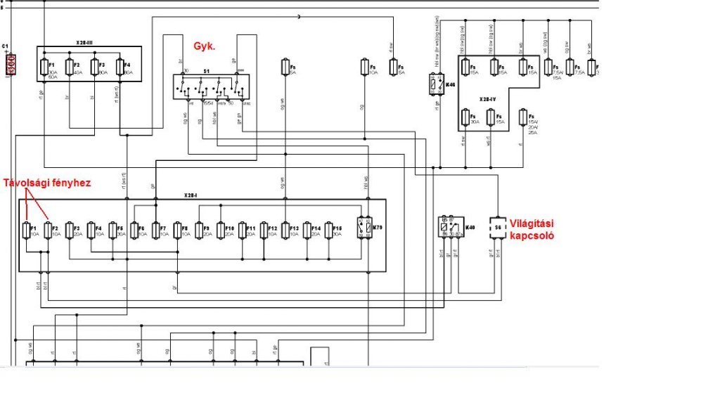
Sziasztok! 99-es Fiat Bravomon sem a helyzetjelző, sem a távolsági fényszóró nem működik. A biztosítékok, izzók jók. Hol érdemes a hibát keresni? Esetleg kapcsolási rajzot vagy valami útmutatást tudnátok? Köszi.
Szia! A gyújtáskapcsolóról kap megtáplálást a világítási kapcsoló, meg kellene nézni a kapcsoló helyzetét, hogy megfelelő állásban van-e. Bravó, csak rosszul címeztem be.
De ha a tápellátással lenne gond, akkor a tompított sem világítana, nem?
Tehát ha nem megy a rendszám világítás, valamint a helyzetjelző és a ködfényszóró sem, valószínű, hogy gyújtáskapcsolótól nem kap feszültséget.
Rendszámtábla, ködlámpa, hátsólámpa,első tompított megy, csak a távolsági és az első helyzetjelző nem.
u.i.: fel tudnád tenni a kapcsolási rajzot újra, nehezen olvasható
A biztosítékok elrendezése a rajzon nyomon követhető. A rajzot csak több részletben tudom megmutatni, mert a feltöltési korlátok nem teszik lehetővé a kifogástalan megjelenítést ebből a helyzetből. ....de ha úgy jó, hát megpróbálhatom.
Akkor a rajz kicsit részletesebben. Ha kellene a színkód is majd azt külön, ha kell.
|
Bejelentkezés
Hirdetés |











