Fórum témák
» Több friss téma |
Fórum » Relés kártya (HEKIT-193)
Sziasztok!
Összeépítettem egy HEKIT-193-ast. Egy Atmega88 digitális kimenetével kötöttem össze. (3.3V-on megy az AVR). Az a problémám, hogy a relé mindig bekapcsol, függetlenül az AVR kimenet állapotától. Multiméterrel az AVR kimenetén 3.4V vagy 0.25V mérhető attól függően, hogy be vagy ki van kapcsolva a kimenet. Kipróbáltam azt is, hogy a relés kártya bemenetét a GND-re kötöm, de akkor is behúz a relé. Csak akkor nem húz be, ha egyáltalán nem kötöm be a relés kártya bemenetét.
Szia,
Egyáltalán nem értek hozzá, sosem volt a kezemben ilyen de nem lehet, hogy 180 fokkal elfordítva raktad be a relét és maga a kapcsolni kivánt feszültség húzza be mindig? Ha kiveszed az AVR-t, akkor is behúz a relé? (csak egy tipp, könnyen lehet, hogy más baja van)
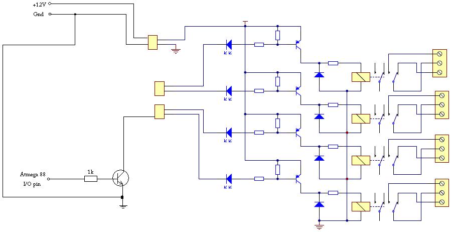
Nem szép dolog, hogy sehol sincs említve, de a kártya bemenetei active-low (negált) típusúak. A relé akkor kapcsol ha a bemenet alacsony szintű, és akkor enged el, ha magas. Az ellenállások értékeinek ismerete nélkül nem tudom biztosra mondani, de elképzelhető, hogy még csak nem is TTL szintű vezérlést vár, hanem L:0V, H:12V.
A 3,3V viszont garantáltan alacsony a vezérléséhez. Esetleg megoldás lehet, hogy a tápfeszültség negatív pontját a mikrovezérlő tápjának pozitív pólusához kötöd.
Szia!
Megnéztem a kapcsolási rajzot, arról nekem az jött le (lehet hülyeség), hogy szimplán földet kell kapcsolni az adott bemenetre, hogy aktív legyen.
Ha a reléd nem 3V -os akkor sürgősen fejezd be a kísérletezéseket,amíg az ATMEGA él.Sajnos ez a kapcsolás a relés panel tápjához képest kacsol.Működöképessé csak akkor válna ,ha PNP tranzisztorok helyett NPN tranzisztorokat alkalmaznál,valamint a kártya test és táp vezetékét felcserélnéd,és a diódákat fordítva tennéd bele.
Sziasztok!
Köszönöm a gyors válaszokat! Valóban a relém akkor van "kikapcsolva", ha 12V-ot adok neki, minden más esetben (0, 3.3V, 5V) bekapcsolt. Van itthon BC557-es tranzisztorom. Ha ezen keresztül adok neki 12V-ot és a bázist kötöm az AVR kimenetére az jó megoldás lehet? Köszi előre is a válaszokat!
Köszönöm! Az most épp nincs kéznél, majd holnap kipróbálom.
Szerintem egyszerűbb a panelen lévő diódák fordítva beültetése,a tranzisztorok NPN re cserélése ,és a táp megfordítása.(a test természetesen a jelenlegi + lesz,mivel ezután az lesz a negatív) Nem kell semmit építeni hozzá,a panelt sem kell átalakítani.
Idézet: Sajna ez még gyilkosabb a processzorra.( a kártya bemenetén a proc testéhez képest terheletlenül így 12V+5V-0,6V=16,4V lesz) „Esetleg megoldás lehet, hogy a tápfeszültség negatív pontját a mikrovezérlő tápjának pozitív pólusához kötöd.” Inkább a pozitívot a pozitívhoz kötném ,a negatív így -7V lesz az ATMEGA restjéhez képest. Ekkor a processzor vezérlését is invertálni kell.(0=be) A jelszinteket illetően igazad lehet ,a bemeneti ellenállások lehet túl nagyok lesznek.Esetleg a ledek kivételével is javulhat a helyzet.
Szia!
Ez is egy lehetséges megoldás, de szerintem az ellenállásokkal is játszani (módosítani) kell, ha szeretne világító LEDeket 5V-os vezérlőjelről.
Lutyii megoldását választottam, mert csak ki akartam próbálni, hogy tudok reléket vezérelni AVR-ről.
A készülő vezérlő rendszerhez valószínűleg úgyis új panelt fogok készíteni. Mindenkinek köszönöm a segítséget és a javaslatokat. |
Bejelentkezés
Hirdetés |













