Fórum témák
» Több friss téma |
- Ez a felület kizárólag, az elektronikában kezdők kérdéseinek van fenntartva és nem elfelejtve, hogy hobbielektronika a fórumunk!
- Ami tehát azt jelenti, hogy a nagymama bevásárlását nem itt beszéljük meg, ill. ez nem üzenőfal! - Kerülendő az olyan kérdés, amit egy másik meglévő (több mint 17000 van), témában kellene kitárgyalni! - És végül büntetés terhe mellett kerülendő az MSN és egyéb szleng, a magyar helyesírás mellőzése, beleértve a mondateleji nagybetűket is!
Sziasztok
Autóba szeretnék 30db Bővebben: Linklink ledet meghajtani. Csak ugyebár a feszültség ingadozik 12-15V között például a féklámpa felvillanásakor. Annyi lenen a kérdésem hogy tudnátok e javasolni valamilyen kapcsolást amivel stabilizálni lehetne a ledek fényét. Előre is köszönöm.
Sziasztok! Olyan problémám lenne hogy adott egy RC autó. Amihez szereztem egy távirányítót mert az nem volt hozzá alapból. Viszont eléggé vacakol. Az első probléma az hogy csak akkor működik ha hozzáérintem a távirányító antennáját a kocsijának a "kábeléhez" mert az antenna le lett róla szedve és csak egy drót van oda forrasztva. Aztán ah sikerülne megoldani ezt a problémát jöhetne az hogy amikor működtetném az rc autót,csak néha csinálja azt amit szeretnék. Szóval nyomom pl az előrét és hátrafelé megy.
Szia! Ezt már kérdezted az előbb, azelőtt megy eggyel pont ajánlottam az RC autós témát.
Szia! Áramgenerátorra lesz szükséged. Bővebben: Link
Kösz !
Ha sorbakötöm a diódákat, akkor mi történik ? Összeadódik a nyitófeszültségük ? Az ic jó lehet, de nem tudom ez arra való egyáltalán ? Inkább zener diódaként működik ha jól olvastam. A lavina... az meg magas nekem.
Hello!
Nem magas az a lavina, csak olvasni és gondolkodni kell. De megírhattad volna mihez használnád a diódákat (mi a cél), mert az szerint lehet helyes választ adni a kérdéseidre. üdv! proli007
Sziasztok!
Az lenne a kérdésem,hogy hogyan lehet kiszámolni egy akkumulátor teljesítményét? Pontosabban az áram erősségét,mert a teljesítmény képletét tudom...
Szia! Jobb esetben rá van írva a maximális (indító) áram, rosszabb esetben mérni kell mekkora áram csökkenti a kapocsfeszültséget kb. 2/3-ára.
Elnézést,valószínűleg rosszul tettem fel a kérdést...
A névleges teljesítményét tudom és csak azt szeretném tudni,hogy mennyi kapacitás van még az akksiban,mivel most a tesla kapcsolóval próbálkozom és valahogy mérnem kéne,hogy mennyit fogyott illetve nőtt az akkumulátor töltöttsége.
Van rá speciális mérőműszer, de legpontosabb a sav sűrűségének mérése.
Nem lehet valahogy a feszültsége és az ellenállása alapján kiszámítani? (amúgy Ni-Mh akksikról van szó)
Helló srácok. Van egy kis gondom. Rendeltem egy csomag forrasztóónt, de többek között ezek vannak ráírva: "Bőrrel érintkezve túlérzékenységet okozhat, (...) nemzőképességre ártalmas lehet, (...) Ha az anyag a bőrre jut a szennyezett ruhát azonnal le kell vetni és a bőrt bő vizzel lemosni, kerülni kell a bőrrel való érintkezést kerülni kell, keletkező füstöt nem szabad belélegezni" stb... Ezt most hogy értsem? Forrasszak kesztyűben, és gázállarcban??? Kérlek válaszoljatok, mert addíg nemigen merek nekikezdeni semminek... KÖSZI!
A füstöt tényleg kerülnöd kell,mert nem tesz jót a tüdődnek,de ha egyszer-kétszer beszívod még nem fogsz meghalni.
![]() Próbálj meg használni házilag készített füst elszívót.(akár elég,hogy egy erős ventilátort használsz) És tényleg érzékenységet okozhat,de csak akkor,ha érzékeny vagy rá... Szerintem a bőrre jutás azt takarja,hogy ha esetleg a forrasztás közben a forró ón a kezedre megy és ilyenkor tényleg ajánlott kezet mosni. A nemzőképességre való hatásáról sokat nem tudok,de szerintem nyugodtan használhatod az ónt kesztyű nélkül csak ne fogdosd sokáig és használat után moss kezet. ![]() Nem vagyok szakértő...ezek a saját véleményeim illetve gondolataim,de esetleg megvárhatod mások válaszát is.
A terhelés alatti feszültségéből pontos következtetést lehet levonni. Használaton kívüli állapot estén elég a mérés pillanatára ráadni a terhelést. Találtam hozzá egy témát:Akku töltöttség.
Köszi szépen,már is nézegetem a fórumot.
Sziasztok.Szeretném, még mindíg egy pc-táp 12 voltját szabályozni.Nem tud valaki nekem ehhez egy tuti kapcsolási rajzot, ami bírja is a táp áramerősségét?A lényeg, hogy egy potméterrel tudjam szabályozni a feszkót
Sziasztok! Sikerült megoldani az RC autós problémát egy kristályal
viszont még mindig gond áll fennt, méghozzá az hogy nem akar kanyarodni az autó: És fogalmam sincs hogy miért. Ha a kanyarodást nyomom akkor is előre megy a kocsi.
Inkább itt kérdezősködj, ahogy Sebi is javasolta. Bővebben: Link
Köszi a választ!
Sziasztok!
Az lenne a kérdésem ,hogy az 555-ös IC lábánál a 4-es lábnál jelölt kör miben külömbözik a többi bekötött lábnál. Mint PL a 8-as láb. Mit jelöl a kis kör?Bővebben: Link
Szia! A karika logikai ellentétest jelent. Dolgod vele semmi, normál módon kösd be
Sziasztok!
Javításra hoztak hozzám egy Roland Boss BX-80-as keverőt. A trafó és a táp halt meg benne. Van új trafó, a tápot meg nem akartam javítani, inkább csináltam egy újat. A szimmetrikus 15V-os kimeneten üresjáratban 19V-ot a le. Szerintetek okozok vele bajt, ha rákötöm a keverőre? Vagy eléggé lecsökken a feszültség, ha terhelem? Az eredeti tápban volt fesz. szabályzó, én nem tettem bele. Üdv! Balázs
Mint ahogy reloop is írta az a karika logikai ellentétest avagy negált jelent.
A logikai kapuknál találkozhatsz vele. Logikai kapuk
Szia! A 19V-ot ellenállással terheld 17-18V-ra, úgy próbáld ki a keverővel. Kisebb kockázattal vizsgálhatod hogyan alakul.
Sziasztok!
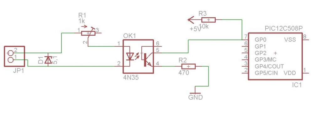
Lenne még egy kérdés melyről kikérném a véleményeteket. Csináltam egy rajzot, a feladat az lenne hogy JP1 csatlakozón lévő feszt kellene figyelnem. Ha van fesz, a pic-nek GP0 lábát alacsony szintre kellene hoznom. Az optocsatoló fontos, mivel galvanikusan nem érinkezhet. Arra gondoltam, hogy az optocsatolóval sorbakötött trimmerrel szabályoznám a rajta átfolyó áramerősséget kb.30mA-ra . A gond csak az, hogy menet közben változhat JP1 csatlakozón lévő feszültség kb. 5Vdc és 12Vdc közt. Jó ötlet -e a zéner dióda, amivel szabályoznám az optocsatolóra jutó feszültséget, ezáltal a trimmerrel beállított áram erősség sem változna? Lehet hogy nem túl egyértelmű amit kérdezek, de jobban nem tudtam leírni. Köszi!
Szia Ha minden áron kell az a zéner, akkor nem ártana elé egy ellenállás(áram korlátozás miatt), mert így ha 12 voltot küldesz rá lehet hogy valamilyen füst jelet fogsz észlelni.
Szia!
Köszönöm a segítséget, kipróbáltam és működik. Üdv! Balázs
Szia!
A zénerre azért van szükség mert a csatin lévő feszültség menet közben változhat, 5 és 12v közt, amit nem befolyásolhatok. Az alacsony szint egyértelmüen 0Vdc, de ha van fesz, az 5 és 12 v közt bármi lehet. A lényeg az lenne hogy a figyelt áramköt nem zavarjam, a teljes áramfelvételem annyi lenne hogy az optocsatoló jelezzen. |
Bejelentkezés
Hirdetés |






