Fórum témák
» Több friss téma |
Fórum » USB-s hangkártya PCM2902 IC-vel
Okés, köszike !
Üdv !
Sziasztok!
Tervezem, hogy csinálok egy ilyet USB-s DAC-ot. Az lenne most elsőre a kérdésem, hogy az "E" változata mennyivel jobb hangú mint egy alaplapi integrált erősítő?
Ugyanezt építettem és ugyanez a problémám... (ma lett kész)
Szia !
Nekem végül is zárlat volt, csak nem láttam. A zárlat a toknál volt fenn, amit nem lehetett egyszerűen látni.. Menj át rendesen ónszívóval !
Neked is melegedett?
Valaki megcsinálta már ezt a kapcsolást?Bővebben: Link
Szia !
Én nem, de minek ezt a bonyolult kapcsolást választottad? Sokkal egyszerűbben is meg lehet építeni...
Azt hittem, hogy a benne lévő op-amptól szebb hangja lenne.
Ez így is van, szebb is lesz tőle valamivel, ám van másik kapcsolás is ezzel.
Nekem a 3 hangkártyám ezzel az IC-vel most erre épül: Bővebben: Link
Nekem valamivel bonyolultabbnak tűnik ez a kapcsolás. Egy ilyen USB DAC mennyivel ad szebb hangot mint egy olcsó alaplapi?
Szerintem nem bonyolultabb.. Hát, most azt kell mondjam, erre nem tudok választ adni. Az alapkapcsolása jóval zajosabb , mint egy alaplapi hangkártya, de nekem is az első lesz amiben lesznek műv. erősítők, meg ami rendesen szűrt lesz..
Szerintem legalább tudja hozni azt, mint egy alaplapi ..
Köszönöm a segítségedet. Majd kiderül milyen is lett.
Szerintem jobb hangja van mint az alaplapi hangkártyának. Az alaplapi nem elég dinamikus, részletekben nem határozott és térben sem eléggé meggyőző. Persze mindenkinek más és más. De, ez a chip közvetlen fejhallgató meghajtására nem alkalmas. Érdemes egy erősítőt mellétenni pl. TPA152, TPA 6111A2 stb. Vagy műveleti erősítőből valami jobbat
Hozzáteszem a High-End
Fejhallgató erősítő majd egy CanAmp vagy az ESP lesz. Szerintem az az OPA2604 elég jó lesz ehhez. Azt nem tudod, hogy melyik diszkrét hangkártyának a hangjának felelne meg ez?
Most nézem ebben a kapcsolásba nem is 2902-es van, hanem 2702. Boltban ez drágább is.
Sajnos nincs összehasonlítási alapom mit mivel. De azt tudom hogy nálam a Gigabyte alaplapomnál (ami nem az olcsó kategóriába tartozik) jobban szól. Persze ez is szubjektív.
Az OPA szerintem jó választás, vannak még a Linear Technology-nak is elég jó cuccai, persze ezek sem az olcsóbb kategóriába vannak. Ja igen. Ami a tegnapi hozzászólásból lemaradt. A High-End kategória nem itt kezdődik és nem is ebben csúcsosodik ki. Persze lehet jó hangzást és hangképet ezekkel is elérni.
Tudom, hogy az igazi high-end megfizethetetlen lenne. Azt jó volna tudni, hogy szebb hangja van-e mint egy 15 000ft-os belső hangkártyának. Mert ha ezt is megcsinálnám sem lenne sokkal olcsóbb.
Na de milyen az a 15.000 Ft kártya?? Az ár nem mérvadó, mert valahol igen magas haszon kulccsal dolgoznak.
ASUS Xonar D1.
A Xonar elég jó kártya. De ne vegyük a kártyákat egy kalap alá az alaplapra integrált valamikkel!
Szerintem lehet nem kapsz jobb, szebb hangot a Xonar-nál. Bár én nem hallottam szólni ezt a tipust,de amiket hallottam az ASUS-tól azok nem voltak rosszak.
Akkor szerinted lehet,hogy jobb volna a Xonar?
Ezeket az egyszerű USB-s chipeket arra találták ki, hogy ha nincs a gépedben hangkártya, vagy épp rossz, és egy egyszerűen használható hangot hallató dolog kell, akkor itt van. Nem kell annyira túlmisztifikálni ezeket. Jól elkészítve szépen szólnak, de nem egy high-end kategória.
Szerintem igen
Ezekkel teljes mértékben egyet értek, erre próbáltam rávilágítani a hozzászólásaimban.
Sziasztok!
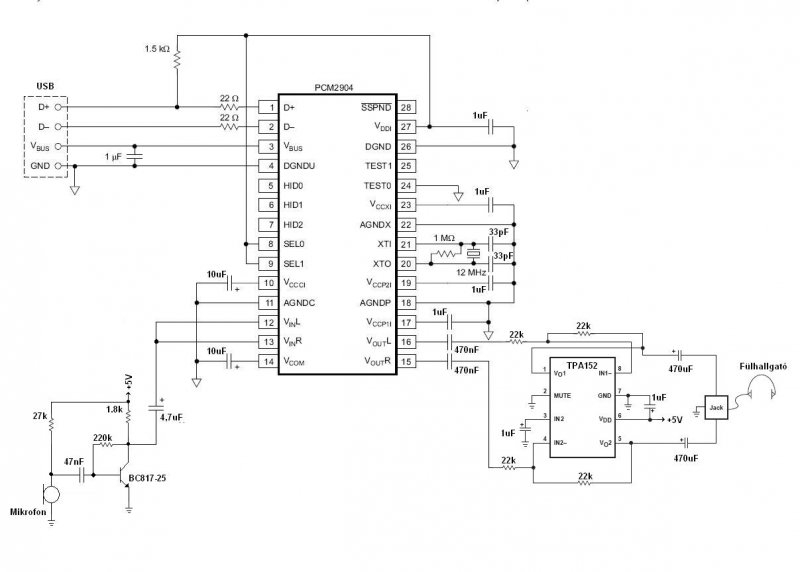
Lehet hülyeséget kérdezek, de az alábbi rajzon a TPA152 6-os lábára kötött 1µF-os kondi kell oda? Mert ugye az usb csatlakozó után közvetlen már van egy, az 5V-ot meg ugyanonnan kapja. Elég szűkös a helyem, nem lenne baj ha nem kellene. Vagy az más célt szolgál?
Szia.
Köszönöm, el is készült a nyákom. Ránézne esetleg valaki hogy nem-e követtem el valami csúnya hibát amitől majd serceg meg búg nekem miután összerakom? Gondolok itt a kvarcra hogy nem-e gond hogy körülötte megy az 5V, meg ilyesmi. Eléggé hobbista vagyok, ez a harmadik nyák amit készítek, sajna a szakmai tudásom elég hiányos. A kapcsolással egyezik, szóval inkább a kivitelezés helyességére lennék kíváncsi ha rá tudna nézni valaki. Köszönöm előre is
Szia.
A kvarcot a lehető legközelebb kell rakni az IC lábaihoz, az 1µF -os kondikat is. Az usb csatlakozó táplábának tövéhez egy 100nF-os kondi az jó lenne. Idézet: „A kvarcot a lehető legközelebb kell rakni az IC lábaihoz” Ezen a frekvencián minek? Átnézve jónak tűnik. Az USB csatlakozó Vbus lábát valóban érdemes szűrni, akár egy soros ellenállással is , de jó az 1uF, de az monolit legyen. Kicsit sűrűn vannak a vezetősávok nehéz lesz forrasztani, hogy össze ne folyjon de egyébként kifejezetten szép munka. |
Bejelentkezés
Hirdetés |




Üdv ! 






