Fórum témák
» Több friss téma |
Fórum » Régi vakuk használata digitális vázakhoz / fényképezőkhöz
Témaindító: neomur, idő: Okt 30, 2008
Témakörök:
sziasztok. gondoltam nyitok egy ilyen témát, mert ez egy átfogó topic a fényképezés és vakuzáshoz
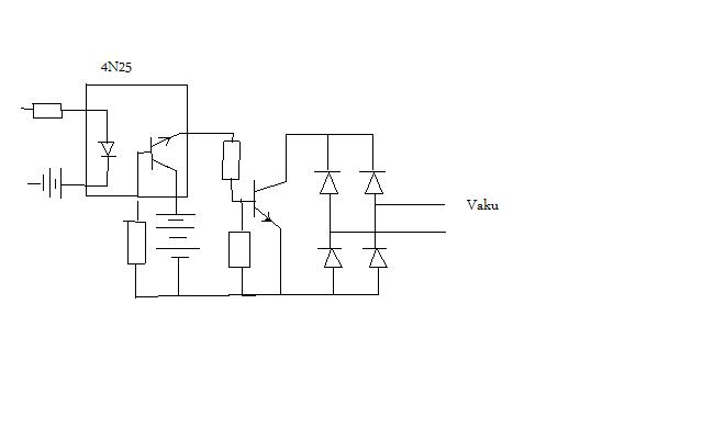
szóval első kérdésem: van nekem itthon két régi vakum, amiket még a filmes gépünkhöz használtunk. most viszont jó lenne a NIkon D40-hez használni, főleg "stúdiófotózáshoz", de ezek a vakuk 180-190V feszültséggel üzemelnek, és ezt a feszültséget kell rövidre zárni a fényképezővel, viszont a digitális gépek maximum 6-10V feszültséget tűrnek el. ezért építettem egy kapcsolást amivel ezt a magas feszültséget leválasztom és a gépnek csak 4V feszültséget kell kapcsolnia (a kapcsolási rajzot csatoltam) viszont olyan probléma merült fel hogy ha feltöltődik a vaku, és lövök egy képet, akkor a elvillan a vaku rendesen és elkezd újra tölteni, viszont utána hiába tölt fel teljesen addig nem villantja el a gép a vakut amíg a gépről le nem húzom a csatlakozót és vissza nem rakom újra. valakinek valami ötlete? a másik problémám pedig hogy sajnos a nikon mérnökei a D40-et nem látták el szinkronkimenettel, így csak a vakupapucsról tudom levenni a jelet. és ehhez kéne valalami ötlet hogy hogyan lehetne házilag középérintkezős csatlakozót csinálni a vakupapucshoz, vagy hol lehet ilyet beszerezni?
A triacs nyitva marad mivel egyenáramú kört sütsz ki. Olyan optót keress amiben tranzisztor van ami kibír 200V-ot. De ekkor figyelni kell a vaku polaritására ami vakunként változhat.
Közép érintkezős csatlakozó már 400ft-tól kapható használt gagyi vaku néven, csak max kevés az érintkező:
Bővebben: VATERA
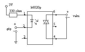
Az elektronika például a mellékelt skicc alapján oldható meg.
Az értékeket a meglevő/beszerezhető alkatrészekhez kell méretezni. A vaku polaritására így érzéketlen. Igaz hogy két elemet igényel de szerintem egyszerűbb két pl.:CR 1616 gombelemet felhasználni mint spéci optót szerezni. A "középérintkezős csatlakozót csinálni" nem egyértelmű, papucs >aljzat (mama) vagy papucs >dugó (apa) átalakítóra van szükséged vagy egyéb?
És ha egy kis relé zárná rövidre a vaku kivezetéseit?Vagy tul lassu lenne?
lehet hogy a triac marad nyitva, de ma megmértem és mielőtt elvillantom a vakut, a a gépen a csatlakozón mérve ott van a 4V, és miután elvillantom 0,8V van csak
Sziasztok!
Szerintem próbáljuk meg így! (melléklet) Működnie kell.
ez volt az eredeti kapcsolás és nem működött. a tirisztor folyamatosan rövidrezárva tartotta a vakut
Tirisztor, triac nyitvamarad egyenfesszel, ahogy mások is említik. Nem kerülte el figyelmemet, hogy a gépen méred a 0,8V-ot, ami arra utal, hogy a kimenete aktív marad. Először egy LED-et tégy az optó LED helyére, ezen látni fogod, hogy a gép kimenete valóban aktív marad-e. Lehet, hogy csak valami nagyon kis áramú kimenete van és meg kell találni azt a kicsatolási módot, hogy működjön. (lehet, hogy itt is egy kis tirisztor van...) Ezek után majd foglalkozunk a vaku oldali résszel.
na rákötöttem egy ledet. exponáltam, a led felkapcsolt és úgy is maradt. 5V tápfeszt adtam a lednek, neten azt olvastam hogy az eredeti nikon vakuknak 6V feszt lehet mérni a szinkronkimenetén. amit leberbali csatolt kapcsolási rajzot, azt állítólag canon vázon használták és ott 3V tápfeszültséget kapott az optocsatoló, és a gépre kb 1V fesz jutott, és elvileg ezt gond nélkül kapcsolta.
ma volt egy kis időm és megint kísérleteztem kicsit. a gép az 5V os feszt nem tudja kapcsolni, vagyis tudja, csak ha egy ledet kötök rá akkor a led nem csak felvillanik, hanem bekapcsolva marad. viszont 4V feszültséget tud rendesen kapcsolni, és 9V feszt is tud rendesen kapcsolni, szóval már egyáltalán nem értem hogy mi van a géppel
Sziasztok!
Valami ilyesmit szeretnék csinálni.Egy egyszerűbb is bőven jó lenne, a lényeg az hogy egy elővillanást kihagyjon, a máodikra működjön.Van valakinek ötlete, netán kapcsolási rajza?
Csinált már valaki ilyen kapcsolást ,vagy valami hasonlót?
Hali!
Akkor végülis melyik kapcsolás működőképes a fentiek közül? (gondolok itt a nagyfesz vakuadapterekre)
Ma megépítettem a kapcsolást, amit közzé tettél. És működik.
Szerintem bátran használhatja ezt a kapcsolást, aki ilyet szeretne összerakni.
Valami hasonlót szeretnék építeni. A
Idézet: szerintem csak akkor lényeges, ha vörösszemcsökkentőt is akarunk használni. Ha kapok U2 helyére való IC-t akkor lesz benne, ha nem, akkor kimarad ez a rész. „Second pulse detector”
krdezem hogy lehet sunpak 240-es vakut,hogy lehet rádios kioldoval vaezérelni.kőszi
Lelkes elektroműszerészek figyelem
![]() Szeretnék építeni a nikon d60as gépemhez, egy 12 voltos akkumlátorról működő lehetőleg minél nagyobb teljesítményű vakut! Ha valaki tudna nekem segíteni a kapcsolási rajz megtervezésében, kérem vegyen fel a ****@****.**** címen, vagy esetleg itt! kapcs. rajz tervezésben nem nagyon jeleskedem építeni még megtudom...tervem az, hogy a gép vakupapucsáról kijövő x volt kapcsolna egy relét mely nyitná a feltöltött kondit ami egy stroboszkóp/villanó izzót működtetne! Fontos az időzítés! lehetőleg a fényerősséget is lehessen állítani--> változthatható kondi? kérem segítsetek! Üdv : Zalán SOHA ne írd ki így, nyilvánosan az e-mail címed, ha csak nem vagy mazochista, és nem akarod a postafiókod spammel megtölteni! Ott az adatlap, azon rajta van. Frankye
Néhány hozzászólással lejjebb már olvasható, hogy a relé ehhez lassú. Más csatolási módon kell törni a fejed.
Egy kis segítségre lenne szükségem. Építettem egy ILYEN készüléket amivel nincsis semmi gondom, de kevésnek találtam azt, hogy csak 1 vakut tudok elvillantani vele, így megépítettem EZT. Ha manuálisan letesztelem s ha zárom a kapcsolást akkor tökéletesen elvillannak a rákötött vakuk.
Megjegyzem jobban fel kell tölteni a vakut, hogy el is villanjon, mintha csak a vaku érintkezőit zárnám rövidre. Ezen lehet javítani? A fő gondom az, hogy ha összekötöm a két készüléket, akkor nem villannak a vakuk. Külön-külön mindkettő jó, de együtt nem... Mi lehet a gond? A második kapcsolásnál MOC3020-at és BT138-at használtam, mert ezeket sikerült beszereznem.
en a masodik kapcsolast epitettem meg 4 szer. egy sony es canon gepen tokeletesen mukodtek parhuzamosan kapcsolva, az en pentaxommal neha egyik vaku nem akart villanni valamiert, de ellenallasokkal kiserleteztem es utana ment mind a 4 egyszerre...
Üdv!
Jobb helyet nem találtam a kérdésemnek, illetve ezért nem akartam külön topikot nyitni! Szóval (teljesen amatőrként kérdezem): van valamilyen lehetőség egy vaku teljesítményének növelésére? Alkatrészcsere, vakucsőcsere vagy kettő kombinálva? Előre is köszönöm a válaszokat!
Üdv!
Olyan gondban vagyok hogy van egy öreg vakum amit a fényképezőm beépített vakujával szeretnék elsütni.Erre szeretnék kérni kapcsolásokat.
Én a csatolt kapcsolást tervezem megépíteni 5 vakuhoz.
A fentiek alapján feltételezem jók a MOC3020 és BT137-600D vagy BT136-800E triákok is? Kell ezekhez valamit módosítani? Viszont nem fényképezőgéphez szeretném használni, hanem jelenleg infrás kioldóhoz (ami elviseli a magas talpfeszültséget), majd rádióshoz, ami elvileg 12 voltig működik (PT-04). Több helyen olvastam, hogy nem működőképes stabilan a kapcsolás 3 vaku felett. Lehetne növelni a tápfeszültséget 3 voltról?
Sziasztok!
Primary: Én megépítettem a kapcsolást úgy, hogy 5 vakut tudok egyszerre elsütni. Eleinte csak 3-mal ment, aztán kiderült, hogy a forrasztásom hagyott némi kívánni valót maga után. Amúgy mivel a MOC3020 is ha jól tudom 600V-ig bír, így triak nélkül is megy a dolog. (Én triakaosan raktam össze. valamint BT136-600D-t használtam) Szerintem a 137-es is jó, sőt!! Most akarom úgy átépíteni, hogy mivel a régi vakuk talpán 40-60 volt feszültséget mérek gondolom ennyivel is sül ki... Tehát mivel a BT136-600D triac max 600 voltot bír, ezért egy kivezetésre át akarok kötni 2-3 vakut. ............................................................................................. Illetve lenne egy másik, vakus kérdésem. Olyan projekten dolgozom, hogy gondoltam három régi kis vakut kiszerelek a házából és egy dobozba teszem. A villanócsöveket egymáshoz közel. Így lényegében kisebb helyen férne el nagyobb teljesítmény. Namármost szerelés közben két vaku kinyiffant... nem tudom melyik része, mert mind a villanócső, mind a kondi működőképes. Így az a megoldás maradt, hogy a megmaradt elektronikára tettem rá mind a 3 villanócsövet párhuzamosan. (A legerősebb kondival (270,260 és 200 µF-osak 330V-on) Fotó a fényerőről, majd a következő kondi. Újabb fotó és a harmadik. Egyre erősebb fénnyel villantak el a csövek. Ezen felbuzdulva 3 valamivel erősebb vakut is összeépítettem, immáron célirányosan egy (legerősebb) elektronikára a 3 kondit és a 3 villanócsövet. ![]() Egy olyan kérdésem lenne és elnézést ha nagy lámaság, mert inkább gyakorlat útján építkezem, nincs sok elméleti alapja. Szóval hozzávetőlegesen meddig lehet elmenni? Olyanról olvastam, hogy egy vakuban duplázták a kondierőt és kétszer erősebb villanócsővel használják. De ugye mindenhonnan hallani, hogy a vakuépítés bonyolult, veszélyes dolog... Szóval teszem azt egy 15-20Ws-os csőhöz szerelt panelra teszek annyi kondit, hogy meghajtson egy 120-250 Ws-os csövet az mennyire működőképes? Értem itt, hogy hogyan kell átszámolni az ellenállásokat, ondikat, tekercseket...ha egyáltalán kell. S, ha már így benne vagyok a kérdezésben: Itt az oldalon aderka írt strobi építésről: Stroboszkóp Ha a potit kicserélem kapcsolóra vagy a fent említett triacos megoldásra, akkor felrobban a cucc? ![]() A válaszokat előre is köszönöm! Ádám
Egyrészről azt kérdezném, hogy akkor elég a MOC3020-akat párhuzamosan kötni a fényképezőgép oldalról, és a vaku oldalról nem is kell hozzá semmi?
Az mennyire egészséges, hogy csak összekötöd a 40-50Voltos talpfeszű vakukat? Nem fogják egymást bántani. Idézet: „Egyrészről azt kérdezném, hogy akkor elég a MOC3020-akat párhuzamosan kötni a fényképezőgép oldalról, és a vaku oldalról nem is kell hozzá semmi?” A mondat innen származik: Fototipp "A kapcsolás talán elsőre bonyolultnak tűnik, de összesen 4 darab elemből áll csatornánként. Amiket hozzá lehet fűzni, hogy a tervezéskor az elektronika és a fényképezőgép maximális védelme volt a szempont, és a strapabíróság. Elvileg a triac kihagyható, ha minden igaz, magának a fénykapunak el kell bírni a vaku elvillantásához szükséges áramot, bár ezt nem teszteltem." Én azt néztem, hogy a Triac 600 V az opto 400V feszültséget bír. Legalább is ha jól értelmeztem az adatlapját. Moc3020.pdf BT136 D.pdf Idézet: „Az mennyire egészséges, hogy csak összekötöd a 40-50Voltos talpfeszű vakukat? Nem fogják egymást bántani.” Ez jó kérdés. Két 500 Ft-os vakuval majd kipróbálom... |
Bejelentkezés
Hirdetés |











