Fórum témák

» Több friss téma
Fórum » Hibrid erősítő
 
Témaindító: (Felhasználó 1542), idő: Ápr 10, 2006
Témakörök:
Lapozás: OK   8 / 23
(#) emersys válasza emersys hozzászólására (») Jan 19, 2012 /
 
Sinus (1Khz) + összeállítás
(#) emersys hozzászólása Jan 19, 2012 /
 
Idézet:
„1Khz terheletlen.JPG”

-Kép hibás! , -más mérés volt.
A helyes képet mellékeltem.
(#) Swedhart hozzászólása Jan 21, 2012 /
 
Sziasztok megépítettem én is egy hibridet de nem akar sikerülni az élesztés, kinyomja a feteket Miért
Segítséget előre is köszönöm.
(#) cyberpalko válasza Swedhart hozzászólására (») Jan 21, 2012 /
 
Szia Én Láma vagyok ehhez,viszont egy éve én is ezt néztem ki és feltettem a kérdést hogy szabd-e folalkozni vele,valakik lebeszéltek róla!Asszem instabil ez a cucc meg tervezési hiba is van benne.
Hirtelen ez jutott eszembe.
(#) Swedhart válasza cyberpalko hozzászólására (») Jan 21, 2012 /
 
Szia de mi akkor a hiba benne?
(#) p_istvan válasza Swedhart hozzászólására (») Jan 21, 2012 /
 
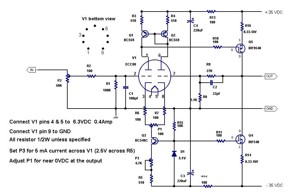
Ezekkel az értékekkel szerintem 3 A körül van a nyugalmi árama, ami 35 V on nagyon sok ezeknek a FET-eknek, még ha nagyon jó hűtésük lenne is. Max 0,5 - 0,7 A-nél többet nem állítanék be. De mivel az alsó fet nincs vezérelve (áramgenerátorként üzemel) így a maximális kimenőáram is csak ennyi lesz, ami azt jelenti hogy egy 8 ohmos terhelésen 3-4 V effekiv lesz kimenőfeszültség.
Ehhez Q4 Sourece ellenállását (R14) meg kell növelni legalább 1,5 - 2 Ohm-ra.
A konstrukció kisebb áramokkal és fetekkel esetleg fejhalgató erősítőnek alkalmas lehet, vagy olyan hűtés és FET-ek kellenének ami a FET-enként 100 Wattnyi hővel tudna mit kezdeni...
(#) p_istvan válasza Swedhart hozzászólására (») Jan 21, 2012 /
 
Csak annyi, hogy egy A osztályú erősítőnek sok a 2x35 V még jóval izmosabb fetekkel is, de a cső miatt nem nagyon lehet csökkenteni ezzel a kapcsolástechikával a feszültséget!
(#) emersys válasza Swedhart hozzászólására (») Jan 22, 2012 /
 
Szia.
A p3-állításával változik valami?
Áramkorláttal, 10 Ohm min 2W ellenállás -sokall indítanék, így nem kell mindig feteket cserélni..
A 4k7 legyen a legnagyobb állásban.
Ekkor az 510 Ohm-n mekkora feszültségesét mérsz?
Maga a rajz amúgy elég instabil valóban..és ekkora tápfeszen a kivehető rms pazarlás.
Van legalább ilyen egyszerű, jó, és olcsó a chz féle hibrid is.
Mellesleg az biztos indul..
(#) CHZ válasza Swedhart hozzászólására (») Jan 22, 2012 /
 
Ne erőltesd, rossz kapcsolás!
p_istvan leírta a lényegét. Kimeneti DC szint sem lesz soha stabilan tartható, hangszóró gyilkosnak kiválóan alkalmas.
(#) Swedhart válasza CHZ hozzászólására (») Jan 22, 2012 /
 
Szia kíváncsi lettem volna rá pedig.
De nem értem ennek ellenütemü-nek kellene lenni.
Nézem a rajzot és nem értem mért úgy van a katodon a tranyo.
A negativ oldal száll el.
Kiszedtem a feteket és megmértem mit kap a fet gate-je.
A 9540 +40v ez változik vezérlésre az 540 -35v ot kap állandóan.
(#) CHZ válasza Swedhart hozzászólására (») Jan 22, 2012 /
 
Nem ellenütemű, az alsó FET áramgenerátor.
Katódban Q3 is áramgenerátor , cső áramát állítja be.
Elvileg működőlépes, sajnos gyakorlatban nem. Cső paramétereinek változása nem teszik lehetővé ebben a kapcsolásban a hosszabb idejű DC stabilitást. Felfűtés ideje alatt is nagyban mászkál a kimenet DC szint, könnyen félrebillen ...
(#) Swedhart válasza CHZ hozzászólására (») Jan 22, 2012 /
 
Valami ötletes átalakítás nem lenne ehhez a kapcsoláshoz?
(#) CHZ válasza Swedhart hozzászólására (») Jan 22, 2012 /
 
Nagyobb átalakítással igen, csöves fokozat DC leválasztásával. Persze az már teljesen más kapcsolás lesz.
(#) Swedhart válasza CHZ hozzászólására (») Jan 22, 2012 /
 
És ha a negativ gate jét átkötöm a pozitiv gate-hez?
Csak gondolat.
(#) emersys válasza Swedhart hozzászólására (») Jan 22, 2012 /
 
Szia.
Az teljesen rossz elgondolás..
A 2db irf9540 jelenleg a teljes periódus átvitelért felelős. Az 540-ek lennének az ő áramgenerátorai, hogy terhelhető is legyen valamilyen szinten..
(#) Swedhart válasza emersys hozzászólására (») Jan 22, 2012 /
 
Szia pont az IRF540 száll el ami a negativ ban van egyébként innen szedtem a rajzot és leirást:Hibryd
(#) emersys válasza Swedhart hozzászólására (») Jan 22, 2012 /
 
Nagy vezérlő feszültséget sejtek a Gate lábain..
Ezért kértelek, hogy próbáld 10 Ohm min 2W-al indítani a +- ágban. Így a fetek megmenekülnek addig is.
A 4k7 teljes állásban legyen, s úgy mi a helyzet?
A kapcsolás amúgy nem megbízható sajna.., ennél komolyabb félvezetős végre van azért szükség szerintem, hogy stabilnak mondható lehessen..
(#) Swedhart válasza emersys hozzászólására (») Jan 22, 2012 /
 
Szia 15 ohm-osat tettem a negativos szinte füstölni kezdett.
Aztán 39 ohm osakat és kivettem a feteket a pozitiv oldali fet gate 40v+ a negativ gate -35v
(#) emersys válasza Swedhart hozzászólására (») Jan 22, 2012 /
 
Akkor nem vagyok bent biztos , hogy a bc 549c áramgenerátorod még jó..( az ő bázis lábát nyitó zener mekkora nálad?)
Ha jó, akkor P1 félállásban, p3 teljes(4k7), indulnia kéne azért.(akár ismét áramkorláttal)
(#) Swedhart válasza emersys hozzászólására (») Jan 22, 2012 /
 
A rajz szerint tettem 5,1v
Ja és próbáltam a tranyót is jó
(#) reloop válasza Swedhart hozzászólására (») Jan 22, 2012 /
 
Szia! Ha a hangjára vagy kíváncsi tegyél az R14-ek és az R16-ok helyére 2,2 ohm ellenállásokat. A MOSFET-eken így fél amper fog folyni, ami még nem nyírja ki őket.
(#) CHZ válasza Swedhart hozzászólására (») Jan 23, 2012 /
 
Rossz gondolat! Továbbiakban sem tudok mást javasolni, felejtsd el. Rengeteg idő és alkatrész pazarlás lesz csak a vége. Hangszóród is rámehet.
(#) emersys válasza Swedhart hozzászólására (») Jan 24, 2012 /
 
Szia.
El is felejtettem a múltkor a Nishiki-t ,mert ős is elég egyszerű és jó.
Itt a dokumentációjába találsz nyáktervet is hozzá.
Valamint ott a Mugen is , annak a meghajtása talán még jobb.
-Bár egyiket sem hallottam szólni még az említettek közül..
(#) Swedhart válasza emersys hozzászólására (») Jan 24, 2012 /
 
Szia a Mugen-t néztem elég bonyolult és nem fetes végű
(#) Swedhart válasza emersys hozzászólására (») Jan 24, 2012 /
 
Viszont keresgéltem az említett Nishiki-t és találtam valami érdekesebbet STK-t hajt a cső!
Ez milyen párosítás?
(#) CHZ válasza Swedhart hozzászólására (») Jan 24, 2012 /
 
Az működne! 2SK1058 FET mehet bele 1:1 ben, IRF hez kicsit módosítani kell a nyug. áram beállítását. Amúgy is ez az egyik gyenge pontja, korrektebb megoldásra kéne alakítani, poti kaphatna egy alsó/felső osztót, finomabb beállítási lehetőség miatt.
(#) emersys válasza Swedhart hozzászólására (») Jan 24, 2012 /
 
Idézet:
„elég bonyolult és nem fetes végű”

A bipoláris tranya miért lenne gond?
A nishiki rajza elmaradt..
Bővebben: Link
Ha jól emlékszem Cirokl megépítette az stk-t. -Esetleg a hangjáról ő biztos tudna nyilatkozni.
(#) Swedhart válasza emersys hozzászólására (») Jan 24, 2012 /
 
Igazad van megkérdem tőle
(#) CIROKL válasza Swedhart hozzászólására (») Jan 25, 2012 /
 
Igen többek közt én is megépítettem az STK6153 - ECC88 hibridet , a véleményem róla a következő : Nekem egy kicsit preciz hangkép ha lehet mondani streril olyan Quad-os nagyon tiszta hangkép jellemzi ezt a hibrid ic-ét .
De vannak itt más építők is akik szintén elkövették ezt az erősítőt talán ha mondanának valamit róla lehet mást mint és mert egy vélemény az sajnos csak egy vélemény !
Még annyit hozzá füznék azért hogy ha nem rendelkezel ilyen ic-vel akkor nem nagy esély van a beszerzésére ,szinte lehetetlen .
(#) Swedhart válasza CIROKL hozzászólására (») Jan 25, 2012 /
 
Szia azért nem ilyen rossz a hejzet mert van helyetesitö :
STK0080 és ez olcsó is max 2e körül adják
Következő: »»   8 / 23
Bejelentkezés

Belépés

Hirdetés
XDT.hu
Az oldalon sütiket használunk a helyes működéshez. Bővebb információt az adatvédelmi szabályzatban olvashatsz. Megértettem