Van egy 40-ledes fordulatszámmérő kapcsolásom amit szeretnék 70-ledesre bővíteni és mielőtt megépíteném szeretném le tesztelni, hogy úgy müködik-e, de egyik áramkör szimulátor sem ismeri az
lm3914-es IC-t (TINA, Ewb, Circuit maker). Valaki tudna nekem segíteni ezt hogyan tudnám megoldani? A neten sehol nem találtam egyik progihoz sem adatbázist amiben benne lenne.

Ha valaki tudna segíteni azt megköszönném.
Esetleg proteusz, abban benne van, és gondolom akkor le is lehet szimulálni.
Köszi. :worship: Megpróbálom.
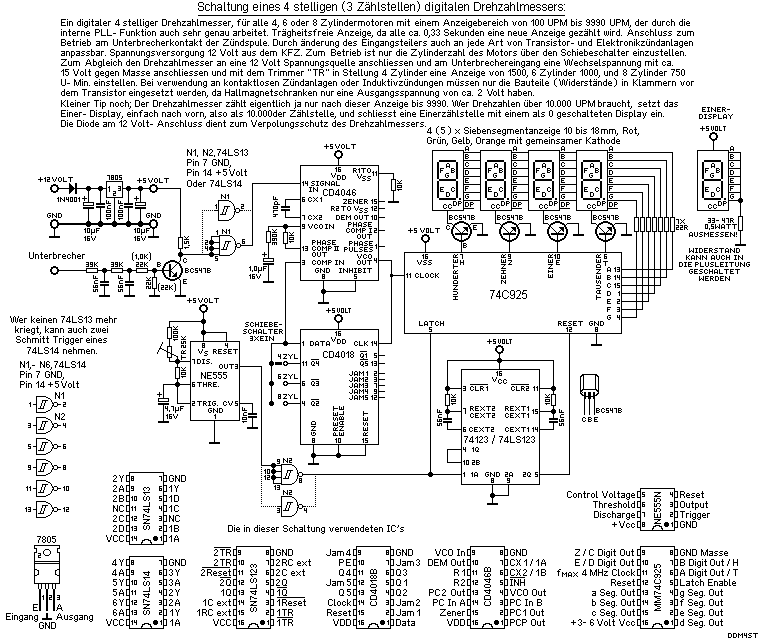
Hali! Ha nem ragaszkodsz a LEDes verzióhoz, mellékeltem egyszerűbb és valószinűleg jóval olcsóbb fméröt. Még nem építettem meg, de valószinű müxik.
Maradok a ledes verziónál, mert az látványosabb. De azért köszi
elküldenéd nekem légyszives azt a kapcsolást?
| (#) |
Atus hozzászólása |
Nov 2, 2008 |
 |
/ |
 |
|
Üdv!
Egy olyan kérdésem lenne, hogy hogyan tudnám a kijelzést kiterjeszteni 5 és 6 volt közé?
tehát arra gondolok, hogy tizedenként egy leddel több adjon fényt.
köszi