Fórum témák
» Több friss téma |
Fórum » Akkumulátor töltő
ami benne található:
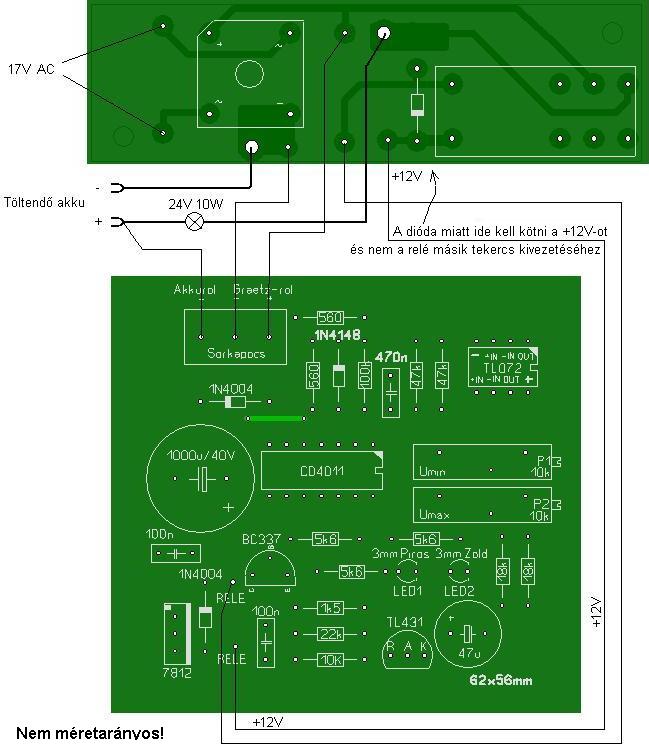
220VA trafó 35A gretz 220 Ohm/10W-os ellenállás ZX 6,8V+ZX9,1V zener sorbakötve (ez volt itthon) 1000mf/50V 100mf/63V
Az idei tél nekem is okozott kellemetlenséget az akkumulátor tekintetében.
Nekem is vennem kellett egy újat, mert 6 és fél év után megadta magát az előző. Ez azért nem is olyan rossz idő. Készítettem hát egy töltőt az igényeim szerint. Mindenféleképpen csepptöltésben godolkodtam, amit bármikor rajtahagyhatok az aksin napokig mindenféle károsodás nélkül. S hogy ne kelljen a motorháztető alatt kotorászni ha csatlakoztatni akarom az akkut a töltőre, ezért a töltést a szivargyújtón keresztül szándékozom megoldani. Így bármikor egyszerűen csatlakoztatható a töltő. (... De, én rá merem dugni, a szivargyújtóm csatlakozójára!) Kisebb doboz nem lévén, egy PC-táp dobozába építettem be. Tulajdonképpen két jó kapcsolást gyúrtam össze (linkek legalul), így született meg ez a töltő. Egyszerűsége ellenére nagyon jól működő stabil, határozottan és pontosan kapcsol. Beállítása egyszerű. Hibátlan elészítés esetén azonnal működik. Könnyen átalakítható nagyobb áramú töltnek. (Egyenirányító, izzó, nagyobb áramot kapcsolni tudó relé cseréjével) Hát igen, az a fránya diszipáció. Mivel a töltést relé kapcsolja, így máris megszabadultam egy hűtőbordától és az általa leadott hőtől. Áramkorlátozára izzót alkalmaztam. De hogy minél kevesebb hőt termeljen, ezért 12V 5W helyett (nekem ez elég) 24V 10W izzót építettem be. Így amellett hogy nő az izzó élettartama, nem vakít és nem fűt, mint egy kályha. http://www.bgsf.eoldal.hu/cikkek/egyeb-aramkorok/automata-akkumulat...o.html http://www.produktinfo.conrad.com/datenblaetter/175000-199999/19791...ik.pdf Pár képet esetleg tudok mutatni, de a telefonnal készített videó közel 3 Megabájt, így ide nemigen lehet feltölteni.
Üdv!
Szerintem mugab írta jól még előbbre. Darlington tranyó kellene vagy darlington kapcsolás, mert kicsi a bétája ahhoz, hogy 220 Ohmos ellenálláson akkora áramot adjon szerintem. A zenerek jól vannak bekötve? Üdv! Tomi
Szia.
Ez a kapcsolás fordított polaritás ellen védet? És a jelfogó akkor húz be mikor az akku feltelt? Amúgy nekem ez lenne a legjobb kapcsolás,csak ezekre a kérdésekre kéne tudjam a biztos választ. Előre is kösz.
Szia!
Természetesen rákötöttem fordított polaritással is az akkut. Azonkívül hogy az égő erősen világított, egyéb alkatrész nem hibásodott meg. A jelfogó be van húzva, és csak a töltés végén enged el. Meg kell említeni, hogy a TL431 meg az 1%-os ellenállások ne ijesszen meg senkit, ez csak a 8V-os referenciafeszültség előállításához kell. Ez megoldható 7808-as stab.IC-vel is akár.
A nyákrajz, ami lemaradt Sprint Layout-al nyitható meg.
Az első TL431-el és a másik 7808-al.
Helló
Én ugyan nem értek hozzá,de keresnék egy jó akksit és lemeríteném.Az én 55 Ah-ás akkumat az én töltőm kb fél óra alatt felnyomta 4 amperrel és lekapcsolt.Ha vártam kicsit és ujra rátettem a töltőt akkor megint birta fél órát.Max 2 amperrel tudtam tölteni még akkor is ha már meg sem forgatta az önindítót.Azt hittem én is biztos a töltőben rossz valami.Aztán vettem új akksit.Kíváncsiságból rátettem igaz azt mondták nem kell tölteni.De azért 2 órát ment a töltőm 4 amperrel.Szóval nagyon sok múlik azon milyen kondiban van a töltendő akksi.Ezért jutottam én is arra az elgondolásra hogy építek egy impulzus töltőt is,és ha már túl gyorsan töltődik egy akksi akkor megküldöm vele.Énbelém halydan azt sulykolták,hogy savas akkukat a kapacitás 10%-ával érdemes tölteni és legalább 10 órát rajta kell legyen a töltő ha teljesen le van merülve.Én igyekszem e szerint eljárni a mai napig. üdv
Szia.
Az a helyzet ha lemerítem az akkut nem tudok mit kezdeni vele.. Sajnos ez a kapcsolás nem alkalmas arra hogy,akár totál lemerült akkut is teljesen feltöltsön.. Minimum 10voltnak lennie kell az akkuban ,másképp a relé nem húz be,valamit ezen is változtatnom kellene.. Még nem mértem áramot hogy a megépített kapcsolás az 50wattos izzón mekkora árammal tölt. Mindjárt megkukkolom.....
Köszönöm szépen mindenkinek a segítséget ki fogom próbálni Darlingtonnal is hátha jobb lesz!
Akkor ez azt jelen,hogy az izzó nélkül nem védet a fordított polaritás ellen? Mert én izzót nem akarok használni,csak ellenállást! És ha úgy nem működik a védelem akkor meg sem építem. Erre várom válaszod. Előre is kösz.
Ha nem védett, akkor a kimenő oldalra tegyél egy diódát! Akkor nem lesz gondja a kapcsolásnak.
Akkor ez azt jelenti,hogy nem biztos?
Mert az nekem nem megoldás! Nem akarom ki kísérletezni,mert nekem Pc táp szolgáltatja az energiát és ha nem biztos a dolog akkor eléggé nagy károm lesz. Nem akarok nagy dög automata biztosítékot rárakni,sem izzót. Nekem olyan kapcsolás kell melyik védett a fordított polaritás ellen és leállítja a tápot a töltés végén és a folyamatokat LED-kel jelzi.
Véleményem szerint te ezt ne építsd meg.
Akkor ezt építsd meg:
http://www.hobbielektronika.hu/forum/topic_hsz_1170289.html#1170289
Köszi.
De ez biztos,hogy fordított polaritás ellen védett? Mert a tirisztor a tápról kapja a vezérlőjelet és nem vagyok benne biztos,hogy ha a Katódjára negatív feszültség kerül akkor az Anód felé nem vezet. De ha nem így van akkor megépítem. De ebben biztos kell lennem!
Hello!
Van valami jól bevált, de nem túl bonyolult és drága akkutöltő kapcsolási rajz és nyákterv erre felé? Tulajdonképpen valami szabályozható áramúra gondoltam, de a fix sem baj. Motor akkut akarnék tölteni 9Ah, szóval 0.9Ah körüli töltőáram kellene. Ami most van töltőm az csak valami több tekercses trafó, egy régi, házilag készitett darab...
Rá klikkelsz a kis fényképező ikonra a lap tetején és válogathatsz a rajzok között.
hello! amatőrként elkezdtem épiteni egy akkumulátor tőltőt autó aksihoz. Majdnem mindent összeraktam de fogalmam sincs milyen kondennzátor kellene hozzá. 12v -és 6v os aksit szeretnék tölteni vele de jelenleg 10,5 és 5,5 v -os feszültségeket mérek. Tudnátok ebben segiteni?
Kellene egy rajz.
Illetve jobb lüktető feszültséggel, nem pufferelt azaz simítottal tölteni... Illetve kell valami feszültségszabályzó automatika is.
a trafó 24/ 12 v os van rajta 3 db dióda+ ezek után egy grec KBPC35 jelzésü . ennyi az összes.
Sziasztok. Az alábbi kapcsolás szerintetek alkalmas lehet akku töltésre?
Huhh...mit csinált a szimulátorban?
Üdv Inhouse
Bocs de mi annak szimulátor programnak a neve és honnan tudom letölteni?
Előre is kösz.
Akkor ez egy kétütemű programnyelvben íródott
A szimulátorban nagyjából úgy működik ahogy kell. Van benne valamilyen hiba amitől a valóságban nem működhet?
Nem vagyok nagy szakértő, de nekem ez fura.
A nem invertáló bemenetet egy stabil féltápfesz körüli feszültségre szokták rakni. Ehhez képest figyeli egy ellenállás osztón keresztül az invertáló bemenet a feszültséget. Kell még egy pozitív visszacsatolás a hiszterézis miatt, ez utóbbi megvan. Próbáld ki! Proli007-nek van itt fenn egy dupla opampos rajza. Abból kis módosításokkal szerintem lehet egy opamp-al működő ablakkomparátort készíteni. De van fenn ilyen rajz másik is. Üdv Inhouse
Van egy AT-s tápom és nem tudom megépíteni a szlovák rajzot úgy ahogy van,mert nincs benne TL494 és a felápítés sem ugyan az mint az ATX. és szeretném a legtöbbet kihozni e rajzbol,mit csak e táppal tudok. Itt az eredeti és amit én átalakítanék rajta,csak nem tudom,hogy működne-e? Úgy gondoltam,hogy egyetlen komparátorral megoldom az egészet,és mivel nincs lehetőségem rá,hogy a TL494 3-as lábára csatoljam a LED1 és LED2-t,így arra gondoltam,hogy meg kéne oldjam,hogy a LED2-höz beiktatok egy PNP tranzisztort ami a jelfokon keresztül le állítja a tápot mikor az akku feltelt,mert a LED1 szerepe nem kell! Ha valaki tud nekem segítséget nyújtani nagyon megköszönném.
A led 1 és led 2-nek nem csak az a szerepe hogy világitson. Hanem a tápot szabályozza. Pl. ha nincs bekötve egy olyan tápon amibe 494-s van akkor ugy tölt mint az állat, csak ugy cikáznak az amperok. Ja és közbe minden elfüstöl. Jobban jársz ha szerzel egy olyan tápot amibe 494 vagy hasonló van. Mivan neked a tápodba?
|
Bejelentkezés
Hirdetés |
















