Fórum témák
» Több friss téma |
Mielőtt kérdezel, a következő két dolgot ellenőrizd!
I. A helyes tápfeszültségek megléte.
II. A kimeneten van-e egyenfeszültség.
Élesztés.
Szia!
Bejelentkezés nélkül is le bírod tölteni, ha az oldal betöltődése után vársz egy kicsit és alul a "processing" helyén megjelenő "Get Manual"-ra kattintasz.
Az R705 mérésed alapján 2,6W-ot disszipál, az is elég sok egy 5W-osnak. Hosszabbítsd ki egy jobban szellőző helyre. Zavarérzékenységgel nem kell számolni, mert stabilizátor követi.
A rajz elérése nem igényel regisztrációt, görgess a találati oldal aljára és várd ki türelemmel a "Get Manual" megjelenését, esetleg frissíts oldalt, ha túl hosszúra nyúlna a várakozási idő. Amennyiben nem jön össze jelezd, megoldom valahogy az átküldését. A végfok ismétlődő elromlására nem tudok magyarázattal szolgálni. A cserélt tranzisztor beazonosítása talán közelebb visz hozzá.
Köszönöm mindenkinek a válaszokat, sikerült letöltenem a rajzot!
Rendben van hely bőven a házban, olyan is ahol kényelmesen szellőzhet úgyhogy megfogadom a tanácsod és áthelyezem az ellenállást. A cserélt tranzisztor Q901 (E-B láb rövidzár volt) Relay 601 meghúzásáért felelős, hiba jelenlétekor a relé nem szólalt meg. Üdv.
A Q901 és az STK együttes meghibásodása talán attól lehet, hogy alacsony szintű negatív DC hibánál a Q901 félig van nyitva - ha jól olvasom a rajzot - és megsül.
A relé melletti D901-et érdemes megnézni, véd-e a feszültség-túllövés ellen.
Melyik?
Igen csak amatőr vagyok a elektronikai téren... D901-et kiforrasztottam, (feszültség túllövés ellen nem tudom hogyan vizsgáljam) diódavizsgáló szerint jó. Egyenáramot befolyásoló diódákat is kiszedtem, azok is jók. Most éppen a trafó feszültség értékeit keresem a rajzon. Narancs 28,5V, Citrom 31,5V
Az erősítő hátulján található egy kapcsoló hogy a trafó milyen feszültségszinten üzemeljen (120..220..240V) A hálózati feszültség 223-235 kötött van, befolyásolhat valamit hogy melyik üzemmódban használom? Idáig 220V-on volt.
A dióda-vizsgálat és a friss forrasztás elegendő.
Gondolom volt az STK alatt hővezető paszta. Nincs ötletem miért pont az a csatorna pusztul.
Ha elegendő akkor jó.... Igen volt alatta paszta egyenletesen, plusz a csavarok is meg voltak húzva. Gyanítom hogy a huzalellállás közelsége okozhatta... Amikor a helyén volt végfok 50-60 fok ... ellenállás 130-140 fok, kiforrasztva végfok 25-35 fok ... ellenállás 95-102 fok. Hétfőn megérkezik az új végfok, beforrasztom és kiderül hogy mennyit bír!
Köszönöm szépen a segítséget!
Még egy utolsó kérdésem lenne:
Nem találtam a rajzon a secunder feszültségek optimális értékét.... A már említett kapcsoló 220V..240V között kapcsolva: Szekunder feszültség: 220V narancs: 31,3V; citroms.: 34,5; barna: 5,6V; huzalellállás: 44,3V-22,2V 240V narancs: 28,5; citroms.: 31,5V; barna: 5V; huzalelleállás: 41V-19,3V Melyik állás lenne ideálisabb?
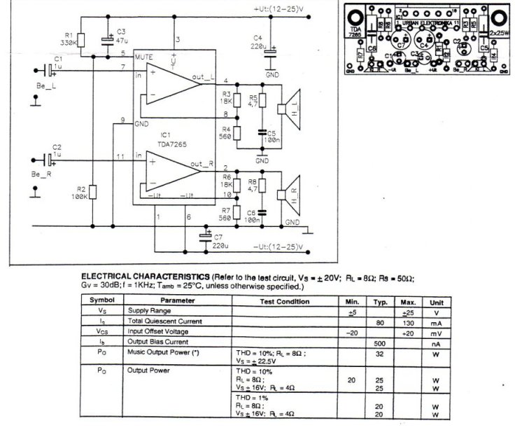
Sziasztok megépitettem a tda7265-ből egy erősitőt jó meg minden csak az a baj hogyha tiszta hangra huzom akkor elhalgat megszólal elhalgat megszólal egyépként három negyed hangon is jó csak fullon nem szerintetek mit rontottam el
Szia! A nyáktervedre azért nem kaptál választ, mert nem csatoltál hozzá rajzot. A kérdés, hogyan akarod az 5-ös "mute" lábat vezérelni. A működéshez ott a pozitív táptól 6V-tal kisebb feszültség kell. A mute láb bemenő árama ezek szerint létre hoz valamennyi feszültségesést a 15k ellenálláson keresztül, viszont a terhelés hatására létrejövő tápesésnél ez már nem elegendő. Az 5-ös láb és a test közé 22k ellenállást tennék. (A TDA7265-nek úgy tudom van saját témája.)
Na kipróbáltam a dolgokat. Az én mikróm nem zavarja az erősítőt. Következőleg beépítem a hidegítő kondikat, és visszavisszük az eredeti helyére.
Rendben, az R1, R2-ből hogyan lett 1x15k?
Lehet, hogy elnéztem valamit, ezzel vetettem össze.
Na. Hidegítés után jel nélkül a zj szinte 0-ra csökkent, max. hangerőn is. Ez jó, eddig kissé zajos volt.
Sajnos a jelforrásból érkező zavarokat továbbra is nagyon jól erősíti (számítógépre dugva zajos... gondolom ventilátorok, meg egyéb motorok zajait szedi össze)
Szerintem a rajzon a 3-5 lábak között 330k ellenállás van, míg a nyákra 15k-t terveztél. A 100k értékű R2 ellenállást pedig nem találom.
Nem akarok veled vitázni,de elég jól kivehető, hogy STK ic-vel mükszik az erősitőd.Szerintem próbálkozzúj ic-vel.Üdv.
Szia!
Igen-igen, nem is tudom hogy miért írtam hogy tranzisztoros, amikor 2 hatalmas IC van benne Pillanatnyi elmezavar ![]() Már megrendeltem....
Sziasztok van egy Sony STR-DE 135 erősítő és az előlap vezérlő panelje rossz!
A probléma az, hogy ad hangot azzal nincs gond, csak kb minden 20. bekapcsolásra ad ki hangot! Mi lehet a gond?? Köszönöm előre a válaszotokat
Üdv!
Építgetem az erősítőm a végén járok már csak akadt egy kis problémám... Az erősítőm hídba köthetősre terveztem de a fázis fordítási résznél most megakadtam. Az a problémám hogy az NE5532-es műveleti erősítővel hogyan tudom az megcsinálni hogy ne kelljen táplálásnak kettős táp. A műveleti erősítővel nem akarok erősíteni csak fázist fordítani... A rendelkezésre álló tápfeszültség +15V. Tudna valaki segíteni? Előre is köszönöm!
Szia! Mijen erősitőről van szó? kaphatnék képet róla? A hidba kötéshez nem feltétlen muszáj fázis forditó adaptert késziteni,_meglehet oldani anélkül is._Segitek ha kell,_Üdv?_Zsolt.
+ bemenetére teszel kettő 10k-t egyiket a föld felé kötöd a másikat a tápra, kondival meg csatolod de nem tudjuk így hogy miről is van szó...
Ez az a kapcsolás. igazából nem vagyok benne biztos hogy lehet-e hídba kötni ezt a kapcsolást.
Az erősítőmbe 4db ilyen végfok van. 2db mono csatornát szeretnék hídba kötni. Ennek a két darab mononak külön külön transzformátorja van én tekertem mindkettőt egy darab trafó kb 130W-os. Puffernek csatornánként 40.000µF-van.
Azt írtad alább, hogy +15V áll rendelkezésre...
Ez a végfok +/- tápos! Az előfok (fázisfordító) tápját le tudod venni a végfok tápjáról is. Tápáganként 2k2/2W ellenállás, utána pedig 15V-os zénerrel lehúzod, polarításnak megfelelő bekötéssel.
Szia! Itt a témája. A rajz csatolva.
Minden további nélkűl hidba lehet kötni,a következő képpen. Az 1ik csatorna bemenetét rövidre zárod a test pontal a másik csatorna kimenő hangját pedig vissza vezeted a már letestelt csatorna T2 tranzisztor bázisába külön 3k3 óhmos ellenáláson keresztűl,és a terhelést már a két erősitő kimenetére kapcsolod.Hangszórót itt már nem kötsz testre,csak a két kimenetre.Ha kérdésed van csak szólj.Üdv.
|
Bejelentkezés
Hirdetés |





Pillanatnyi elmezavar 






