Fórum témák
» Több friss téma |
Nézd, semmi másról nincs itt szó, mint egy kondenzátor feltöltéséről. Nézzük a YJM pedált, elindul a delej a plussz tápról a 22k-s osztón keresztül az osztó hidegítő 10µF kondija feltöltődik, de amint itt el kezd növekedni a fesz már a 470k-becsatoló kondi- (mondjuk) gitár pickup -föld vonalon töltődik az 1nF es becsatoló. Ennyi , semmi nasa techológia. Minél jelentősebb ez az időállandó, annál jelentősebb a probléma. De, ha a bemeneti jackre rábiggyesztesz egy 2,2M ellenállást, az szerintem nem fog ártatlan pingvin fiókák életébe kerülni...
Sziasztok!
Igencsak ismerkedés szintjén állok a témában, megépítettem demton közepes torzítóját: Bővebben: Link Rendben működik is, bár kissé koszos hangja van, de gondolom a diódák cseréjével ez orvosolható. A problémám az, hogy ha kicsit feljebb tekerem a potenciométer, recseg , kattog... MIndent az előírás szerint építettem , segítenétek mi lehet a baj? Köszi!
Szia!
A potméternek ahogy nézem nincs köze a torzításhoz, az csak egy hangerő poti. Lehet, hogy nagyon felhangosítod és túlvezérled az utána kötött erősítőt vagy effektet, ha esetleg túl érzékeny lenne vagy egész egyszerűen kontakots a potmétered..Kb ennyi lehetőség van. A hangja meg...hát igen, ez ilyen, sok energiát ne tégy bele, ez nem egy profi dolog, de még a "profi" kapcsolás is fényévekkel messzebb van egy valamire valótól... Zs.
Még eszembe jutott valami a kipróbált kapcsolásokról...erre a tévútra nem érdemes elmenni, mert attól, hogy valami gyári, még lehet benne hiba! A gyár arra törekszik, hogy 2 fillér helyett 1.98 fillérből hozzon ki egy ilyen elektronikát, aztán valahogy élje túl a garancia időt, de ha nem, hát az sem baj, maximum adnak egy másikat...még mindig jobb (bocsánat, olcsóbb!!!) ,mint rendesen megcsinálni. Ezért van egyáltalán létjogosultsága a csináld-magad dolgoknak. Mondjuk konkrétan ezzel a torzítóval sem lehet sokat kezdeni, kihajítanék két elkőt belőle és fóliát tennék be (tudom húzós, kb 5-600 forint lenne 2 darab ilyen kondi) ,meg ha már elpazarlok egy műveleti erősítőt csak úgy, akkor lehet ,hogy a referencia osztót abba vinném be, aztán feszkövető kapcsolásba bekötném és innen jönne a 470k a 3as lábra. Kicsit alacsonyabb impedanciás lehetne így a referencia táp, nem beszélve, hogy a műveleti erősítő nagy tápfesz elnyomása is segítene távol tartani egy esetlegesen rosszabb dugasztáp brummját a bemenetemtől. Aztán itt lehetne "játszadozni" is, egyik 22k-t (vagy mondjuk 10-10k-t ganz egál) trimmerrel helyettesíteni és tologatni el a referenciát így maga a műveleti erősítő is a szimmetrikustól az aszimmetrikusig klippelne a trimmer állásától függően...mókának nem utolsó kipróbálni! :yes: A diódák ezt utána úgyis "bedarálják" tudom, de változni fog azért a harmónikus struktrúra. :integet2: Zs.
Igen, a potméter csak a hangerőt szabályozza, de nagyon fura, kb negyed után tekerve, rettenetesen elkezd zúgni. Ha negyed alatt van, akkor valamennyire elviselhető, de az erősítőt hangosítva ugyanúgy kijön a zúgás, bár gyengébben, az tény.
A potméter a héten bevásárolt árucikk, de megnézem kontaktos-e. Más lehetőség nem lehet a megoldásra? Köszi a választ! T
Helló nem akarok okoskodni, de szerintem egy Dan Armstrong féle Blue Clipperrel jobban jársz nekem legalább is jobban bejött a hangja. Itt a kapcsolása ha gondolod
Annyit megtehetsz hogy az R4 150K ellenállást kicseréled egy 150K potira és akkor tudod szabályozni a torzitást is.
Szia ZSozsóó
Köszi a válaszokat. Igazad van a tömegtermeléssel kapcsolatban, én vagyok egy kicsit naiv, hogy elhiszem néha, a gyártók talán nem csak a financiális gyarapodást tartják szem előtt. No mindegy.Nincs más hátra mint a kísérletezés. A fólia kondiknál van valami konkrét típus, vagy csak egyszerűen csere? A műveleti erősítős részt még nem piszkálom, mint mondtam elég kezdő vagyok, viszont a feszültség osztót valószínűleg meg fogom trimmerelni. Kíváncsi vagyok. A diódás résznél szeretnék még egy kicsit próbálkozni germánium diódával, leddel... Még egyszer köszi Tsaba
Mindenképpen kísérletezz, egyrészt jó móka, másrészt tanulsz belőle. Ha meg mondjuk lukacsos próbapanelen dobod össze, mert ennek aztán vétek a nyák (amennyi idő megtervezni, pláne legyártani, annyi idő alatt 2x lehet össze és szétszedni próbapanelen) akkor aztán tényleg rugalmasan moddolható. Fóliában én wimát használok, MKS vagy MKP gyártmányt, de annyira ez nem kritikus. Eleve, hogy fólia és nem elkó már sokat számít. Esetleg ha kísérletezős kedvedben vagy próbáld ki elkóval és fóliával is. Jók még az öreg remix kondik is, azokból a c242 -es típust preferálom (általános megjelenési formája egy ilyen téglatest fekete blokk, felül sárga gyantával kiöntve ) aztán rengeteg más: epcos, philips stb remek kondenzátor van. A diódás rész is jó ötlet, akár kapcsolhatóra is megcsinálhatod, meg akár a 2 ellenpárhuzamba kapcsolt diódával sorban is tehetsz egy változtatható ellenállást, a vágás keménységét lehetne így szabályozni...aztán lehet fülre is dolgozni és leragadni egy fix értéknél (beállít, aztán leolvas multiméterrel, majd fixet betesz stb..). Ez a szép ebben a szakmában. Szerintem merjünk egyedit alkotni, van ebben az országban elég szellemi potenciál ehhez! Ha majd érdekel a műveleti erősítős referencia tápos elképzelésem, akkor szólj és berajzolom neked, nem bonyolult ám egyáltalán!
:integet2:
Bocsi úgy látom valamiért nem töltötte fel a képet.
Sziasztok lenne egy égetően fontos kérdésem, megépítettem az alábbi kapcsolást és a következő vele a gond:
Rendesen működik egy ideig aztán véletlenszerű időközönként elkezd recsegni olyan mint ha kontakthibás lenne, a gitár hangja elhalkul és csak addig szól amíg pengetem hogy ha hagyom kicsengeni akkor a pengetés után egyből elnémul egy recsegés kíséretében. Másik érdekes dolog hogy általában akkor jelentkezik a hiba ha leviszem a pedált a próbahelyre itthon csak akkor recseg miután hazahoztam a próbahelyről ÉS hagyom kb 1 napig állni utána újra működik. Na ez mitől lehet????
Szia Zsozsóó
Köszi a tanácsokat ill. tippeket. Ha időm engedi, nem sokára nekiállok az alkímiának Addig még össze kell szednem, vásárolnom egy-két dolgot. A műveleti erősítő jobb kihasználása is érdekel, megköszönöm, ha lerajzolod. Tsaba
Szia!
Nem felejtettelek el, este lerajzolom neked! :integet2:
Szia!
Nekem ez erősen kontakt hibának tűnik, a helyedben én átforrasztanám az összes pontot, nem nagy áramkör...Ha továbbra is fennáll, akkor egy másik potit tennék be a gain poti helyére...ilyesmi.
Jó ötlet én is gondoltam ezekre csak az a baj hogy már a 3. panelnél csinálja ugyanezt és mindig új alkatrészeket raktam bele
Ja és ha kontakthiba lenne akkor nem folyamatosan kellene jelentkeznie a recsegésnek?
Szia!
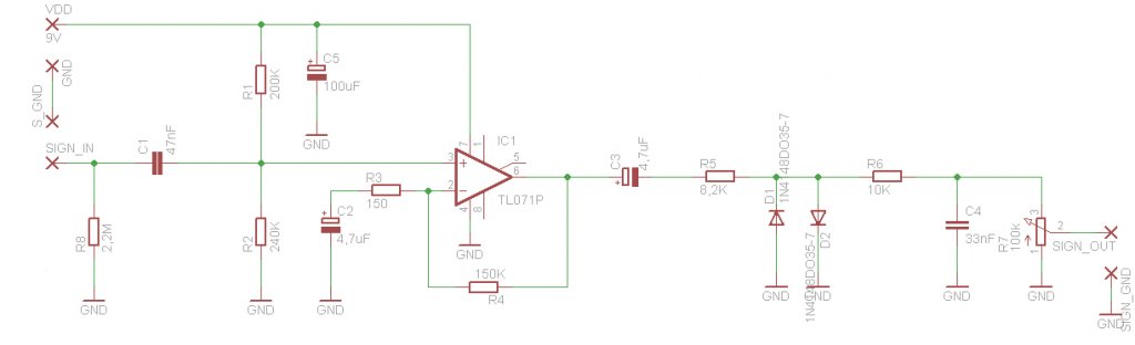
Hamar berajzoltam neked, a referencia osztó így egy feszültség követő nem invertáló lábára megy , ami feszültséget itt kap, azt megjeleníti a kimenetén is. Tehát, ha majd éleszted, mérj rá a +be,-be,ki lábakra és ott kell mérjed az osztó feszültségét. A műveleti erősítő kimenetét is le lehet "betonozni" egy kondival AC szempontból, nagyobb fólia (1-10µF ide is bőven jó szerintem). Bemenetre rátettem a 2,2M-át, a didóákkal sorba a potit amivel a vágás karakterét lehet kcisit "gömbölyíteni", lehet sok az 1k, lehet kevés én ezen az értéken próbálkoznék először, esetleg trimmert betenni és tekergetni, ha nem tetszik ,csak át kell kötni...A diódák csak épp amit letett a program ,a típusa mindegy. Amit még lehetne turbózni rajta az mondjuk a kimenetére egy source követő jFet-ből, hogy kellően kicsi kimeneti ellenállása legyen,de ez már tényleg kezdi túlbonyolítani ezt az egyszerű kis kapcsolást! Csak,mint ötlet... Zs.
Sziasztok!
Csináltam egy SansAmp GT2-t, gépre kötve vagy hifi erősítővel elég metálos, zúzós hangja van, de a TDA7294 végfokkal valahogy nem az igazi, mintha elveszne az az éles, zúzós hang. A hangszóró Celestion K100 saját gyártmányú nyitott ládában. Valahogy gömbölyíti a hangot. Mit lehetne tenni azért, hogy durvább, keményebb legyen a hangja?
Direktbe rákötötted a GT-2 kimenetét? Milyen kimenete van? Van róla rajzod? A végfokon mekkora hangerőpoti van? Lehet hogy egy egyszerű buffer megoldaná a problémát.
Igen, direktben ment rá, hangerő poti nincs a kettő között még
. Itt a rajz: Link. Mi az a buffer? Mire jó?
Ez szinte bármilyen erősítőt képes meghajtani (bufferelt).
Sajnos nem tudom hogy mi a konkrét jelenség... hogy érted azt hogy "gömbölyíti a hangot? Kevés a közép - magas? Ha gitárhoz használod a TDA 7294-et, akkor a bemeneten ne legyen 100nF-nál nagyobb csatolókondi és lehetőleg MKP-t használj. A gitárkábeleken is sok múlik, pláne ha torzított jelet küldesz át rajta... máshogy szól mindegyik.
Nem éles, hideg a hang. Végül is lehet, hogy a közép-magas kevés. A te tervedet használtam, ott 470n a csatoló. Oda mekkorát tegyek? MKS nem jó? Gitárkábel nem lehet a baja, mert az nem változott a tesztek során.
A 470n, az teljes hangsávra való, zenéhez.
Próbaképpen köss sorba egy bármilyen 100nF-t a bemenettel és hallgasd meg... nem kell kiforrasztanod a 470-est. Az MKS szerintem nem a legjobb csatolókondi, én nem szívesen használom ilyesmire. Ebben a kombómban is 7294-ek vannak (sztereó) és nagyon jól szól, az előfoka csöves. Első nekifutásra STK 496-90 került bele, de hamar kicseréltem TDA-ra.
Köszi szépen, majd reagálok, ma már nem akarok zajongani!
Szép kis kombó
Beraktam, nagyon ütős lett így a hangja! 470n-t kiszedjem? Köszi a segítséget!
Cseréld ki a 470nF-et a 100nF re és kész, amikor sorba kötötted vele, egy kicsit volt a szumma érték 100nF alatt, szóval mehet a csere!
Ha tetszik így a hangja, akkor egy darab 82n kondival tudod kiváltani a soros 470n+100n eredő értékét... és MKP, vagy MKT legyen lehetőleg. Ha nincs kéznél 82n MKP, akkor - ahogy ZSozsóó is írta - mehet bele szimplán az amivel próbáltad.
Szia Mester!
MKS/MKP "párviadalról" kérném ki a véleményed! Milyen tapasztalataid vannak? Tudnád summázni a véleményedet melyik milyen egy adott helyen mondjuk csatolónak? Ahogy az mks adatlapját böngésztem, a "slew rate" tűnt gyengébbnek az mkp-hez viszonyítva. Végfokomban a vcs-ben DC blokkolónak wima 10µF mks4-eseket használok, de ott elég kicsi a feszültség változás a két lába között ha belegondolok, szóval a "slew rate" nem nagyon játszhat szerepet. De gyakorlatilag fülre viszont lealázza a yageo low esr 47µF/50V -ost és tényleg nem csak bebeszélem magamnak...Érdekelnének szerintem sokunkat a tapasztalatok! Mondjuk az tény, hogy előfokozatban csatolónak, csövesben pl nekem az abszolút nyertes a wima mkp10, annak nagyon hasonlít fülre nekem a hangja arra a híres nevezetes sárga philips csatolóra, persze egy kicsit kevesebb "fűszerrel". Ezt szeretem ebben a szakmában! Zs.
Szerinted alkatrészekben (nem értékeket tekintve!) melyik tudja legjobban színezni a hangot?
|
Bejelentkezés
Hirdetés |




Annyit megtehetsz hogy az R4 150K ellenállást kicseréled egy 150K potira és akkor tudod szabályozni a torzitást is.
Hol a kapcsolása?
No mindegy.





