Fórum témák
» Több friss téma |
- Ez a felület kizárólag, az elektronikában kezdők kérdéseinek van fenntartva és nem elfelejtve, hogy hobbielektronika a fórumunk!
- Ami tehát azt jelenti, hogy a nagymama bevásárlását nem itt beszéljük meg, ill. ez nem üzenőfal! - Kerülendő az olyan kérdés, amit egy másik meglévő (több mint 17000 van), témában kellene kitárgyalni! - És végül büntetés terhe mellett kerülendő az MSN és egyéb szleng, a magyar helyesírás mellőzése, beleértve a mondateleji nagybetűket is!
Tehát 3db ledet sorbakötöttél egy előtétellenállással, ez képez egy egységet ?
Az egységeket, pedig párhuzamosan kötötted? A 6 Amper az stimmel. Ha 3*3,2 Volton van ez az áramfelvétel, akkor ez 57,6 Watt. Azonban az előtét-ellenálláson is esik feszültség, és így teljesítményfelvétele is van, tehát a pontos számításhoz kellene tudni ennek az értékét is. De a legjobb, ha megméred az egységbe folyó áramot, és a feszültséget, a kettő szorzata megadja a szükséges teljesítményt, ha ezt megszorzod 200-al, akkor kijön a végeredmény, amit nem árt kicsit felülméretezni.
Akkor 12V*6A=72W-os tápegység kell hozzá.
(Az előtétellenálláson ugyanakkora áram folyik keresztül, mint a ledeken, az értékük a teljesítményszámításhoz nem kell (de egyébként 2,4V/30mA=80 Ohm). Vagyis minden "egységen" 12V lesz, és 30mA. Ebből párhuzamosan 200 darab kiadja a 6A-t.)
Sziasztok
Ha egy 555 IC-t 9V-ról üzemeltetek, akkor a kimenetén (3.láb) hány V-os feszültség lesz?
A szivargyújtós mobiltelefon töltőben szokott lenni egy kis értékű üvegbiztosíték. A jobb fajtákban csavarhúzó nélkül, a dugó első részének lecsavarásával cserélhető is. Indokolt is bele, mert a szivargyújtó aljzat 15-20A-es biztosítéka aligha olvadna ki, miközben a töltő esetleg leégne.
Hello!
Még elég kezdő vagyok az elektronika világában, ezért lenne néhány kérdésem. Már régebben is nézegettem a neten az ilyen ledes kivezérlésjelzőket és nagyon megtetszettek. Szóval elhatároztam hogy szeretnék megépíteni egy ilyent. Az érdekelne hogy milyen könyvvel kezdjem a tanulást? Willi Priesterath Hobbielektronika című könyvét kezdtem el olvasni. Ez jó lesz kezdésnek, vagy valami mást ajánlotok? A másik meg az lenne hogy van-e olyan könyv, ami főként a ledek-el foglalkozik?
Sziasztok! itt van ez a rajz, ebbe mindegy milyen műveleti erősítőt használok? Ha nem akkor melyiket hová tegyem?Bővebben: Link
Itt rengeteg könyvet találsz, ledekről szólót pedig 4 is optoelektronikai kezdőszavakkal. Üdv.
Ok de mindegy hogy hova és melyik? mert nincs odaírva csak amit te írtál.
Van a cikk 3-ik oldalán egy nyákséma beültetéssel, de igazából az erősítők sorrendje mindegy. Az egyes műveleti erősítők tokon belüli kötése benne van az adatlapban.
Ok köszi a segítséget! De ha mindegy hogy hova melyik megy akkor akár csinálhatnám csak lm311-el is?
Igen, csinálhatod azzal is, vagy szinte akármilyen műveleti erősítővel, bár az LM311 inkább komparátor, mint erősítő.
Csinálhatom Tl072 vel is? mert az van ithon
Csinálhatod, de abban a tokban 2 erősítő van, erre ügyelj.
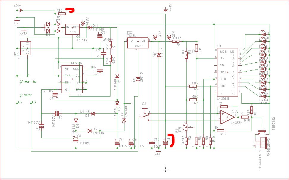
Sziasztok!
Arra szeretnék választ kapni,hogy az alábbi kapcsolásban szükség van-e a pirossal jelölt ellenállásra és kondira. Ha igen mekkora értékre méretezzem őket? Köszi.
Az R15, ha jól látom 1k OHM, az elkónak viszont én sem látom az értékét..
Az ellkenállás 1K, alatta vna az érték. Kondinak rakj be 1µF -ot. Minden másik elko is az ahogy nézem
Nem annyira kritikus, hogy mi van ott. Ha nagyon lassan reagál rakj kisebbet, ha nagyon gyorsan, esetleg zavaros, akkor nagyobbat.
Sziasztok!
Ha egy nagy fényerejű LED-et szeretnék meghajtani 3,5 V feszültség és 1A áram mellett (ennyi szükséges az optimális fényerősségéhez), akkor egy lapos elemmel (4,5V) ezt meg tudom tenni (természetesen előtét ellenállással)? Vagy párhuzamosan kéne kötnöm néhányat? Tulajdonképpen az érdekelne, hogy egy ilyen átlagos elemnél fel tudok e venni 1000mA-t, mert ugye ezekre nincs ráírva, hogy hány Ah-s. Előre is köszi! Zsolti
Szia! 1.2 Ohm Ellenállás min. teljesítmény: 1.2 W
Ilyen előtét ellenállással menni fog, de túl sokat ne várj tőle 1 percig talán bírni fogja de lehet addig se.
Köszi.
Azért nem írtam,mert nem tudtam kell-e .
köszi!
Majd előbb megépítem próbanyákon.
Sziasztok! Miért lesz gate -source zárlatos a Q3 fet ha K3296 vagy 85L02S-as fetek teszek a kapcsolásba? Biztosítéknak egy 36W -os izzót használok proba képpen van összerakva az egész, nem konkrét kapcsolásban.
Köszönöm.
Szia! Összehasonlítottad a katalógus adataikat?!
Sziasztok!
Van egy PID -es hőfokszabályzóm. Elég nagy teljesítményű, 110V-on 15W-1650W, 230V-on 100W-3300W és ezek mellett 15A. Beállítható hőmérséklet 30-400celsiusfokig. J/K szenzort tud fogadni, két vezetékest. A páka leendő kimenete szintén két vezetékes. A kérdésem az lenne, hogy hogyan tudnék ehhez csatlakoztatni egy pákát? A páka elvárásom annyi lenne, hogy ne legyen túl vastag.
Sziasztok. Legyetek szivesek segiteni nekem itt: http://www.hobbielektronika.hu/forum/topic_2885_3_ASC.html
Az R4 és R5 rossz helyen van, a G-S közé tedd!
Az izzó sem a legjobb, mert hidegen rövidzár. Idézet: „a P-FET van fordítva rajzolva” Én nem úgy látom. Idézet: „Nem hinném, hogy egy 74A -es és egy 202A -es MOS-FET ne bírkózzon meg egy 0.2A -es izzólámpával” Nem is azzal van gondja, hanem helyettesítette valami 1,5W-ossal, és az nem bírja. |
Bejelentkezés
Hirdetés |





Nem annyira kritikus, hogy mi van ott. Ha nagyon lassan reagál rakj kisebbet, ha nagyon gyorsan, esetleg zavaros, akkor nagyobbat. 



